На
тривалість переднього і заднього
фронтів вихідного імпульсу струму
(рис. 3.61) суттєво впливають частотні
властивості БТ. Чим вища гранична
частота транзистора, тим вища його
швидкодія в ключовому режимі. Крім
того, швидкодія БТ у режимі перемикання
збільшується при збільшенні коефіцієнта
передачі струму
(або збільшенні амплітуди імпульсу
струму бази – імпульсу керування). З
метою підвищення граничної частоти
транзистори виконують з малими ємностями
переходів, а також, оскільки на швидкість
розсмоктування впливає не лише
екстракція, а й рекомбінація, зменшують
середню тривалість життя неосновних
носіїв шляхом введення до бази домішок,
що прискорюють рекомбінацію (наприклад,
золото у кремнієвих БТ).

Рисунок 3.61 – Часові діаграми струму БТ у ключовому режимі
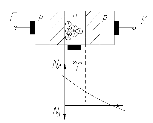
Одноперехідний
транзистор, або двобазовий діод (рис.
3.62), - це біполярний прилад, що працює в
режимі перемикання. P-n перехід,
що відокремлює високолеговану область
емітера від низьколегованої базової
області, поділяє останню на дві частини:
нижню з довжиною
і верхню базу з довжиною
.
Струм емітера при прямому ввімкненні
цього переходу містить здебільшого
лише діркову складову, і тому перехід
називається інжектором. Принцип дії
приладу ґрунтується на зміні об’ємного
опору бази під час інжекції.
На
омічні контакти верхньої і нижньої баз
подається напруга, що викликає протікання
через прилад струму
.
Цей струм створює на опорі нижньої бази
спад напруги
,
який вмикає
перехід
у зворотному напрямі.

Рисунок 3.62 – Будова одноперехідного транзистора
Через
закритий перехід протікає його зворотний
струм
(рис. 3.63).
Під час прикладення до входу транзистора
напруги
перехід не відкривається, і малий струм
залишається практично незмінним.
Транзистор перебуває у закритому стані.
При
перехід вмикається прямо, і починається
інжекція дірок до баз, внаслідок чого
їх опори зменшуються. Це приводить до
зменшення спаду напруги
,
подальшого відкривання переходу,
збільшення струму
,
подальшого зменшення опорів баз і т.д.
Починається лавинний процес перемикання
транзистора, що супроводжується
збільшенням емітерного струму
і зменшенням спаду напруги між емітером
і нижньою базою (
).
На вхідній статичній характеристиці
виникає ділянка з негативним
диференціальним опором (рис. 3.63 а).
Внаслідок процесу перемикання транзистор
переходить до відкритого стану. У цьому
стані прилад перебуватиме доти, поки
інжекція дірок через перехід буде
підтримувати у базі надлишкову
концентрацію носіїв, тобто поки струм
буде більшим за величину
(рис. 3.63 а).
На
рисунку 3.63 б показано вихідні
характеристики одноперехідного
транзистора
.
При
вихідна характеристика лінійна, бо
прилад діє як звичайний резистор. При
вихідні характеристики набирають
нелінійного характеру, оскільки
результуюча напруга на переході
змінюються при зміні вихідного струму
.

а) б)
Рисунок 3.63 – Вхідна (а) і вихідна (б) статичні характеристики одноперехідного транзистора
Одноперехідні транзистори використовуються у різноманітних імпульсних схемах (генератори релаксаційних коливань, підсилювачі тощо).
Як
відомо з п. 3.3.4, частотний діапазон
БТ має задовольнити вимогу
![]()
![]()
,
з якої випливає, що для роботи на високих
частотах БТ повинен мати малий
розподілений опір бази
і малу бар’єрну ємність КП
.
При виготовленні високочастотних
транзисторів сплавний спосіб не
застосовують, оскільки він не дозволяє
отримати вузьку базу (малий опір
)
і малу площу переходів. Тому такі
транзистори виготовляють за технологією
дифузійного введення домішок. Глибина
проникнення атомів домішок у
напівпровідниковий кристал залежить
від тривалості процесу дифузії та виду
дифундуючих домішок. При цьому в кристалі
створюється нерівномірний розподіл
домішок від поверхні до глибини. Це
сприяє збільшенню концентрації домішок
у базі біля ЕП і, як наслідок, зменшенню
.
Відносне зменшення концентрації домішок
біля КП приводить до зменшення його
бар’єрної ємності за рахунок розширення
переходу в бік бази, а також до збільшення
пробивної напруги колектора.
Прикладом транзисторів, виготовлених за дифузійною технологією, є дрейфові транзистори. У базах цих транзисторів створюється експоненціальний розподіл донорних домішок, концентрація яких зменшується від емітера до колектора (рис. 3.64).

Рисунок 3.64 – Розподіл концентрації донорних домішок у базі дрейфового БТ
Внаслідок іонізації атомів домішок у базі виникає так зване вбудоване електричне поле, спрямоване від емітера до колектора. Це поле збільшує швидкість руху дірок через базу. Завдяки цьому усувається суттєвий недолік сплавних транзисторів з точки зору частотних властивостей, тобто зменшується час прольоту дірок через базу. Ємність КП у таких транзисторах мала, тому що він має велику товщину.
Існують також дифузійно-сплавні транзистори, в яких області колектора і бази виготовляють шляхом дифузії домішок, а ЕП – вплавленням домішок. Розподіл концентрації донорів у базі таких транзисторів подібний до розподілу домішок у базі дрейфового транзистора. Різновидністю таких транзисторів є мезатранзистори із столоподібною структурою (рис. 3.65).

Рисунок 3.65 – Структура мезатранзистора
Поширеним сучасним способом виготовлення високочастотних транзисторів є так звана планарна технологія, яка розглядатиметься докладно у розділі з мікроелектроніки.
Для
потужних транзисторів (
Вт) характерне протікання через їхні
області великих струмів. Це приводить:
-
до зростання падіння напруги на
,
внаслідок чого напруга
буде лише частково прикладена до ЕП;
- до того, що падіння напруги на ЕП виявляється нерівномірним, і це приводить до зростання густини емітерного струму біля краю емітера, в той час як середня частина емітера не працюватиме:
- до зміни умов на випрямних контактах, що приводить до перерозподілу носіїв заряду в базі;
-
до перерозподілу товщини КП з боку бази
(
)
і з боку колектора (
)
-
<
,
що порушує нормальну роботу транзистора;
- до того, що з метою нормального підсилення потужності такі БТ необхідно розраховувати на більші напруги;
- до необхідності збільшення площ переходів;
- до необхідності ефективного тепловідведення з причини підвищення небезпеки теплового пробою.
При виготовленні потужних БТ використовується сплавна, дифузійно – сплавна (у так званих конверсійних транзисторах), а також планарна технологія. Конфігурація емітера таких транзисторів ускладнюється. З метою збільшення струмів збільшують площу ЕП, а для того щоб струм емітера не витіснявся до краю переходу, емітер виготовляють у формі кілець, смуг, зубців. Для забезпечення нормального тепловідведення використовують радіатори, корпус з’єднують з колектором (на противагу малопотужним БТ, у яких корпус з’єднують з базою).
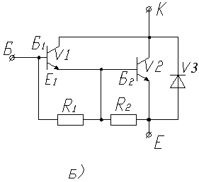
Основним
недоліком потужних високовольтних БТ
є низький коефіцієнт передачі струму
(
).
Тому для одержання потужних ключових
елементів застосовують складений
транзистор (схема Дарлінгтона) – рис.
3.66. Для такої транзисторної структури
загальний коефіцієнт передачі струму
бази
. (3.94)

Рисунок 3.66 – Схема складеного транзистора
Завдяки цьому можна одержати коефіцієнт передачі струму до сотні.
Потужні складені транзистори виготовляються на одному кристалі (рис. 3.67).

а) б)
Рисунок 3.67 – Структура однокристального складеного транзистора (а) та його електрична схема (б)