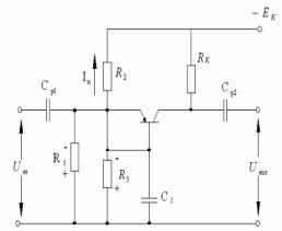
Рисунок 9.8 – Транзисторний каскад зі спільною базою
Розрахунок R1 , R2 та R3 здійснюється наступним чином. Для обраної робочої точки режиму спокою (вибирається на характеристиках БТ) спочатку визначаються струм IБ0 = IE0 -IK0 і струм подільника
напруги In =(3-5) IБ0 . Для емітерного кола другий закон Кірхгофа має вигляд
UR1 UEБ0 UR3 0 .
Для підсилювачів напруга UR3 (0,1 0,25)ЕК . Тоді
R |
UR |
|
|
|
|
UR3 |
UЕБ |
0 |
|
|
|||||||||
|
|
|
|
|
|
1 |
|
|
|
|
|
|
|
|
(9.10) |
||||
|
|
|
|
I |
|
|
|
I |
|
|
|
||||||||
1 |
|
|
|
|
|
E0 |
|
|
|
|
|
|
|
E0 |
|
|
|
||
|
|
|
|
|
|
|
|
|
|
|
|
|
|
|
|
|
|
||
R2 |
|
|
|
EK |
|
|
|
|
UR3 |
|
|
|
|
(9.11) |
|||||
|
|
|
|
|
|
|
|||||||||||||
|
|
|
|
|
|
|
|||||||||||||
|
|
|
In |
|
|
IБ0 |
|
|
|
|
|||||||||
|
|
|
|
|
|
|
|
|
|
|
|
|
|
||||||
R |
UR3 |
|
|
|
(0,1 0,25)ЕК |
(9.12) |
|||||||||||||
|
|
|
|
||||||||||||||||
3 |
|
|
|
|
|
In |
|
|
|
|
|
|
|
|
In |
|
|
|
|
9.2.5 Оцінка транзисторних каскадів з точки зору температурної нестабільності
Якість підсилювача визначають вибором положення початкової робочої точки (робочої точки режиму спокою), а також її стабільністю при зміні температури.
111
Для підсилювального каскаду з температурною стабілізацією (рисунок 9.7) температурна зміна колекторного струму становить [1]:
|
UБЕ |
|
|
|
h21Е |
|
|
|
|
|||
IK |
S |
|
|
|
IКБ0 |
|
|
|
(IБ IКБ0 |
) |
, |
(9.13) |
R |
R |
|
h |
|
||||||||
|
1 |
|
2 |
|
|
|
21E |
|
|
|
|
|
де S h |
|
|
R3 |
h |
1 |
|
|
||
1 |
|
|
|
- коефіцієнт стабільності |
|||||
|
|
|
|
||||||
|
21E |
R3 |
RБ |
21E |
|
|
|||
|
|
|
|
|
|
||||
колекторного струму; |
|
|
|
|
R1R2 |
|
|||
|
|
|
R |
Б |
|
. |
|||
|
|
|
|
||||||
|
|
|
|
|
|
R R |
2 |
|
|
|
|
|
|
|
|
1 |
|
||
Якщо R3 =0, то схема рисунка 9.7 перетворюється в схему з фіксованим потенціалом бази (рисунок 9.6), і коефіцієнт S h21E . При
R |
3 |
>>R |
Б |
коефіцієнт |
S |
h21E |
h |
. Таким чином, залежно від |
|
||||||||
|
|
|
|
|
21Б |
|
||
|
|
|
|
|
|
1 h21E |
|
|
співвідношення між |
R3 |
та RБ значення коефіцієнта температурної |
||||||
нестабільності змінюється від h21Б до h21E .
Температурна зміна струму колектора тим більша, чим більший коефіцієнт S . Тому умова R3 >>RБ є необхідною. Проте зменшення
величини RБ небажане, тому що воно призводить до зменшення
вхідного опору транзисторного каскаду. Тому подільник напруги в базовому колі вибирають з умови, щоб коефіцієнт температурної
стабільності дорівнював S =3-5.
9.3 Динамічні характеристики біполярного транзистора та їх використання
При увімкненні навантаження до колекторного кола транзистора зміна струму колектора спричиняється одночасною дією зміни струму бази і напруги на колекторі. В цьому режимі роботи для аналізу властивостей БТ недостатньо мати його статичні характеристики, оскільки вони відображають зміну лише одного параметра. Тому для опису властивостей транзистора, а також для розрахунку параметрів транзисторного каскаду на сім’ях статичних
112
характеристик будуть додаткові характеристики, які називають динамічними, або навантажувальними. Розглянемо їх.
Вихідна навантажувальна характеристика Для каскаду зі спільним емітером рівняння вихідного кола
|
|
UKE EK |
IK RK . |
(9.14) |
|
Звідси I |
K |
EK UKE |
. |
|
(9.15) |
|
|
||||
|
RK |
|
|
||
Рисунок 9.9 – Побудова навантажувальної прямої на сім’ї вихідних статичних характеристик ССЕ
Формула (9.15) – це рівняння вихідної навантажувальної прямої транзисторного каскаду зі спільним емітером (рисунок 9.3). Цю характеристику будують на сім’ї вихідних статичних характеристик ССЕ (рисунок 9.9) за двома точками:
1)IK =0; UKE EK ;
2)UKE 0; IK = EK .
RK
Точка перетину навантаженої прямої зі статичною характеристикою, яка була знята при заданому струмі бази в режимі
спокою ( IБ0 ), визначає вихідні координати режиму спокою транзисторного каскаду (UKE0 , IK0 ). При надходженні на вхід каскаду змінної напруги сигналу змінюватиметься струм бази стосовно значення
113
IБ0 і робоча точка рухатиметься на сім’ї характеристик уздовж
навантажувальної прямої. Це означає, що динамічна характеристика повністю визначає роботу транзисторного каскаду в динамічному режимі – у режимі підсилення вхідної напруги.
Для транзисторного каскаду зі спільною базою рівняння вихідної навантажувальної прямої набуває вигляду
IK |
= |
EK UKБ |
. |
(9.16) |
|
||||
|
|
RK |
|
|
Динамічна вихідна характеристика каскаду зі спільною базою будується аналогічним чином за рівнянням (9.16).
Вхідна навантажувальна характеристика може бути побудована шляхом перенесення точок вихідної характеристики (прямої) на сім’ю статичних вхідних характеристик і наступного з’єднання цих точок у плавну монотонну криву. Але цей спосіб рідко вживається в інженерній практиці, тому що у довідниках звичайно даються лише дві вхідні статичні характеристики – при нульовій і при ненульовій колекторних напругах. Тому з задовільною для практики точністю за вхідну навантажувальну криву можна взяти вхідну статичну характеристику, яка знімалася при ненульовій колекторній напрузі. Робоча точка спокою на вхідній навантажувальній кривій має координати: струм бази спокою
IБ0 і напругу бази UБE , яка викликає цей струм.
9.3.1 Параметри режиму підсилення та їх розрахунок за динамічними характеристиками транзисторного каскаду
До основних параметрів режиму підсилення транзисторного каскаду підсилення за струмом
KI |
|
|
Im |
|
|
|||
|
|
вих |
; |
|
(9.17) |
|||
|
|
I |
|
|||||
|
|
|
|
mвх |
|
|
||
коефіцієнт підсилення за напругою |
|
|||||||
|
|
|
U |
|
|
|||
KU |
mвих |
; |
(9.18) |
|||||
U |
||||||||
|
|
|
|
mвх |
|
|
||
коефіцієнт підсилення за потужністю |
|
|||||||
KP |
|
|
Pm |
KU KI ; |
(9.19) |
|||
вих |
|
|||||||
P |
||||||||
|
|
|
|
mвх |
|
|
||
|
|
|
|
|
|
|
114 |
|
|
|
|
U |
|
||
вхідний опір |
Rвх |
|
mвх |
; |
(9.20) |
|
I |
||||||
|
|
|
|
mвх |
|
|
|
|
U |
|
|||
вихідний опір |
Rвих |
|
mвих |
. |
(9.21) |
|
I |
||||||
|
|
|
|
mвих |
|
|
Задача знаходження цих параметрів за динамічними характеристиками зводиться до надходження вхідних і вихідних амплітуд змінних струмів і напруг транзисторного каскаду, які входять до формул (9.17) – (9.21).
Суть графоаналітичного способу визначення параметрів режиму підсилення каскаду за навантажувальними характеристиками полягає в наступному (на прикладі каскаду зі спільним емітером).
1На сім’ї вихідних статичних характеристик
IK f (UKE ) IБ const будується вихідна навантажувальна пряма.
Для каскадів (рисунок 9.7 та рисунок 9.8) ця пряма будується за формулою (9.15). Характеристики для каскаду з температурною стабілізацією (рисунок 9.7) згодом відрізнятимуться від динамічних вихідних характеристик для постійного та змінного струмів (рисунок
9.10) унаслідок наявності в емітерному колі БТ ланцюжка R3 ,C1.
Постійна складова струму емітера проходить через резистор
R3 , отже |
UKE EK IK RK IE R3 , або, оскільки |
в активному |
||||||
режимі EK |
IK |
|
|
|
|
|
|
|
|
UKE EK IK (RK R3 ). |
(9.22) |
||||||
Тому рівняння вихідної навантажувальної прямої для постійної |
||||||||
складової струму транзистора має вигляд (пряма I |
рисунок 9.10) |
|||||||
|
I |
K |
= |
EK UKE |
. |
(9.23) |
||
|
|
|||||||
|
|
|
R |
K |
R |
|
||
|
|
|
|
|
3 |
|
|
|
Змінна складова струму IE через резистор R3 |
не проходить. |
|||||||
Тому рівняння вихідної навантажувальної характеристики для змінного струму має вигляд
IK |
|
EK |
UKE |
, |
(9.24) |
|
|
||||
|
|
|
RK |
|
|
|
|
|
115 |
|
|