|
h21E ( ) |
|
|
|
h21E |
|
|
. |
(10.7) |
||
|
|
|
|
||||||||
|
|
|
|
|
|
|
|||||
|
|
1 ( f |
/ fh |
)2 |
|||||||
|
|
|
|
|
|
|
|
||||
|
|
|
|
|
|
|
21E |
|
|||
Аргумент |
|
|
|
|
|
|
|
||||
h |
arctg( f / |
fh |
) |
|
|
(10.8) |
|||||
|
21E |
|
|
|
|
|
21E |
|
|
|
|
Частота fh |
- це гранична частота БТ в ССЕ, при якій модуль |
||||||||||
|
|
|
|
21E |
|
|
|
|
|
||
комплексного |
коефіцієнта |
передачі струму бази |
зменшується в |
||||||||

2 раза.
При цьому граничні частоти транзистора зі спільною базою і
спільним емітером мають такий зв’язок: |
|
||
fh |
fh |
(1 h21Б ) |
(10.9) |
21E |
21Б |
|
|
або |
|
|
|
fh |
fh |
/h21E ). |
(10.10) |
21E |
21Б |
|
|
З останніх формул випливає, що частотні властивості БТ у схемі зі спільним емітером значно гірші, ніж у схемі зі спільною базою. Для порівняння на рисунку 10.3 зображено частотні характеристики обох схем увімкнення.
Рисунок 10.3 – Частотні характеристики БТ в ССБ та ССЕ
Причиною різкого зменшення h21E в ССЕ при збільшенні частоти порівняно з ССБ є не тільки зменшення коефіцієнта h21Б , а й насамперед збільшення зсуву фаз між струмами IE та IK . На низьких
121
частотах струму IE та IK |
приблизно збігаються за фазою (рисунок |
10.4, а), і струм IБ =IE - IK |
малий. На високих частотах збільшується |
зсув фаз між струмами IE та |
IK , зростає струм бази IБ (рисунок 10.4, |
б), і тому зменшується коефіцієнт передачі h21E .
Рисунок 10.4 – Векторні діаграми, що пояснюють зменшення модуля коефіцієнта передачі струму бази
З рисунка 10.3 бачимо , що для схеми зі спільним емітером
існує звана частота зрізу |
fT , на якій модуль h21E дорівнює одиниці: |
||||||
fT |
fh |
h21E |
fh |
h21Б . |
(10.11) |
||
|
21E |
|
|
21Б |
|
||
БТ |
має |
цікаву |
властивість: при частотах |
f (3 4) fh |
|||
|
|
|
|
|
|
|
21E |
добуток модуля |
h21E і частоти, при якій вимірюється модуль h21E , є |
||||||
величина стала і дорівнює частоті зрізу |
|
||||||
|
|
h21E ( ) |
|
f fT . |
(10.12) |
||
|
|
|
|||||
10.1.1 Вплив ємностей переходів і розподільного опору бази на частотні властивості транзистора
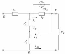
Фізична еквівалентна схема БТ в ССБ на високих частотах показана на рисунку 10.5. На ній враховано вплив бар’єрної ємності КП
CK на роботу транзистора. Дифузійна ємність увімкненого в прямому напрямі ЕП не враховується, тому що малий опір rE , як правило, в
122
десятки тисяч разів менший за опір КП rK , і тому опір rE шунтує ємність ЕП до дуже високих частот.
Рисунок 10.5 – Фізична еквівалентна схема БТ зі спільною базою на високих частотах
Змінна складова струму, створеного джерелом розгалужується на три гілки: через опір КП rK , через бар’єрну ємність КП CK і через опори rБ та RK . Оскільки rK великий, то струм через нього незначний. На низьких частотах реактивний опір ємності CK також великий, і струм через ємність майже не проходить. Але при
збільшенні частоти опір ємності |
CK |
зменшується, і все більша частка |
||||||||||||||||
струму від |
джерела |
IE проходить |
|
через ємність. Для зменшення |
||||||||||||||
шунтуючої ємності |
треба зменшувати опір робочого кола |
|
r |
+ R |
K |
, |
||||||||||||
щоб виконувалась умова |
|
|
|
|
|
|
|
|
|
|
Б |
|
|
|
||||
|
|
|
|
|
|
|
1 |
|
|
|
|
|
|
|
||||
|
|
|
|
R |
|
+r |
|
. |
|
|
|
|
|
|
||||
|
|
|
|
|
|
|
|
|
|
|
|
|||||||
|
|
|
|
|
|
K |
Б |
|
CK |
|
|
|
|
|
|
|||
У граничному випадку, якщо RK =0, і тоді |
|
|
|
|
|
|
||||||||||||
r |
|
1 |
або r C |
|
|
1 |
. |
|
|
(10.13) |
||||||||
|
|
|
|
|
||||||||||||||
Б |
CK |
Б |
|
K |
|
|
|
|
|
|
|
|
||||||
З формули (10.13) бачимо, |
що чим менший добуток r C |
K |
, |
тим на |
||||||||||||||
|
|
|
|
|
|
|
|
|
|
|
|
Б |
|
C |
|
|
|
|
більш високих частотах може працювати БТ . Тому величина r |
K |
|
є |
|||||||||||||||
|
|
|
|
|
|
|
|
|
|
|
|
|
|
Б |
|
|
||
важливим частотним параметром транзистора і подається в довідниках. 123
10.2 Робота біполярного транзистора у ключовому режимі
Дуже поширеними в електроніці є імпульсні схеми, в яких транзистор працює в ключовому (імпульсному) режимі. В цьому режимі на вхідний електрод БТ діє імпульсна напруга (струм) великої амплітуди, і тоді транзистор працює як комутатор, що має два граничні положення – замкнуте (режим насичення) і розімкнуте (режим відсічення).
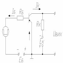
Рисунок 10.6 – Нормально розімкнений ключ на транзисторі
Розглянемо нормально розімкнений електронний ключ на БТ, схему якого показано на рисунку 10.6. Цей ключ призначено для замикання і розмикання кола навантаження за допомогою імпульсів, що надходять від генератора сигналів керування.
Опір RK вибирають з розрахунку, щоб вихідна навантажувальна пряма перетинала круту дільницю вихідних статичних характеристик (точка В на рисунку 10.7). Опір RБ в базовому колі
керування звичайно більший за вхідний опір транзистора.
Унаслідок цього струм у базовому колі практично не залежить від величини вхідного опору транзистора (опору ЕП і розподільного
опору бази rБ ), і з великою точністю можна вважати, що управління роботою ключа здійснюється за допомогою струму бази.
При відсутності імпульсу керування під дією джерела EБ
транзистор перебуває у РВ, тобто у закритому стані, і робоча точка знаходиться на динамічній характеристиці (рисунок 10.7) у положенні
124
А. При цьому |
струм бази |
IБ (IEБ0 |
IКБ0 ) |
IКБ0 , струм |
колектора |
IК IКБ0 , |
напруга |
на |
колекторі |
UKE EK IКБ0 RK EK . Коло навантаження розірване, тому в
такому стані довільний вхідний сигнал Uвх може без спотворення і
послаблення пройти на вихід схеми, тобто транзистор не шунтує (не закорочує) цей сигнал на корпус. Розподіл концентрації дірок у базі БТ
в цьому режимі показано на рисунку 10.8, а кривою – для моменту t0 .
Концентрація неосновних носіїв у базі мала, опір бази і всього БТ великий.
Рисунок 10.7 – Переміщення робочої точки в ключовому (імпульсному) режимі транзистора
Рисунок 10.8 – Розподіл концентрації дірок у базі БТ в ключовому режимі а), б)
125