Материал: TTE_Lect1

Внимание! Если размещение файла нарушает Ваши авторские права, то обязательно сообщите нам

що залежить від матеріалу напівпровідника (А=5*1019см-3 для германію; А=2*1020см-3 для кремнію).

Індекс у позначеннях власних концентрацій носіїв ni та рі походить від англійського слова intrinsic – притаманний.

Із формули (1.1) випливає, що концентрація носіїв заряду, а отже, і власна електропровідність напівпровідника будуть тим більші, чим більша температура і чим вужча заборонена зона. Для найбільш поширених напівпровідників ширина ЗЗ дорівнює: для германіюW=0,72 еВ; для кремнію W=1,12 еВ; для арсеніду галію (GaAs)

W=1,41 еВ.

На рисунку 1.3б рівень Wі, збіжний із серединою ЗЗ, - це рівень Фермі. Як відомо з фізики, цей рівень відповідає енергетичному рівню, на якому електрон з’являється з ймовірністю, що дорівнює 0,5.

1.1.2 Домішкова провідність напівпровідників Наявність домішок у структурі напівпровідника істотно

змінюють його провідність. Залежно від того, атоми якої хімічної речовини будуть введені в кристал, можна отримати перевагу збиткових електронів або дірок, а також отримати напівпровідник з електронною або дірковою провідністю.

Провідність, яка спричинена присутністю в кристалі напівпровідника домішок із атомів з іншою валентністю, називають домішковою. Домішки, які зумовлюють у напівпровіднику збільшення вільних електронів, називають донорними, а ті, які спричинюють збільшення дірок, – акцепторними.

1.1.2.1 Електронна провідність напівпровідників Цей різновид провідності здійснюється завдяки введенню у

4-валентний НП (германій або кремній) 5-валентних атомів домішок (фосфор Р, сурма Sb, або миш як As), які називаються донорними домішками (лат. donar – той, що віддає). Схема кристалічної решітки з донорними домішками показана на рисунку 1.4а, відповідна енергетична діаграма – на рисунку 1.4б.

6

Рисунок 1.4 – Механізм електронної провідності НП: а – схема кристалічної решітки з донорними домішковими атомами; б – енергетична діаграма

5-ти валентний електрон атома домішок, який не бере участі у ковалентних зв язках, має дуже незначну ( порівняно з ковалентними електронами) енергію зв язку з ядром атома.

Під дією незначної енергії, яку називають енергією активації донорів WД (її величина невелика порівняно з шириною забороненої зони, як показано на енергетичній діаграмі, рисунок 1.4б), електрон стає вільним. Атоми домішок перетворюються на позитивні іони. Ці іони нерухомі, міцно зв язані з кристалічною решіткою і не беруть участі у створені електричного струму в НП. Завдяки малій енергії активації ( WД=0,16 еВ) для кремнію з домішками,WД=(0,01……0,13) еВ для германію з домішками навіть при кімнатній температурі відбувається повна іонізація 5-валентних атомів, яка супроводжується заповненням зони провідності вільними електронами (рисунок 1.4б). Вільні електрони у ЗП можуть з являтися і внаслідок дії механізму власної провідності, як у бездомішкових НП. Але ймовірність цього набагато нижча, ніж імовірність процесу активізації домішок. Тому у ЗП зосереджується набагато більше вільних електронів, ніж є дірок у ВЗ, оскільки іонізація донорного атома не супроводжується утворенням дірки.

Отже, в НП з донорними домішками концентрація вільних електронів набагато перевищує концентрацію дірок. Символічно це

7

записується так: у стані термодинамічної рівноваги nn0>>pn0, де nn0 рівноважна концентрація електронів у НП донорного типу (n-типу); pn0 – рівноважна концентрація дірок у НП (p-типу). Електрони є основними носіями заряду, а дірки – неосновними.

Концентрація електронів у НП n-типу може бути визначена за формулою

nn0 NД ni ,

(1.2)

де NД – концентрація атомів донорних домішок;

ni – концентрація електронів унаслідок дії власної провідності

НП.

Рівень Фермі у донорному НП зміщується у верхню половину ЗЗ. Його положення залежить від концентрації донорів NД (рівень Фермі зі збільшенням NД наближається до ЗП).

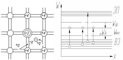
1.1.3 Діркова провідність напівпровідників Цей тип провідності здійснюється завдяки введенню у

4-валентний НП 3-валентних атомів гелію Ga або індію In. У домішкових атомів не вистачає одного електрона для створення ковалентного зв язку, і нестача може бути компенсована за допомогою електрона, звільненого внаслідок розриву ковалентного зв язку у 4-валентному атомі кристалічної решітки. Домішки такого типу називаються акцепторними (лат. acceptor – той, що отримує), бо вони отримують електрони, вирвані з валентної зони. При цьому у ВЗ створюється вільний рівень – дірка (рисунок 1.5а,б).

Оскільки поява дірок у ВЗ для акцепторного НП здебільшого не супроводжується збільшенням числа електронів у ЗП, то дірок у НП стає набагато більше. Дірки у такому НП є основними носіями, електрони, кількість яких у кристалі незначна, є неосновними носіями. Енергія активації акцепторів WА=(0,04…0,16) еВ для кремнію,WА=(0,01…0,12) еВ для германію. Акцепторний НП називають напівпровідником р-типу.

Концентрацію дірок у акцепторному НП знаходять за формулою

pp0 NA pi ,

(1.3)

де NА – концентрація атомів акцепторних домішок; Рі – власна концентрація дірок, Рі= Nі.

8

а)

б)

Рисунок 1.5 – Механізм діркової провідності НП: а – схема кристалічної решітки; б – енергетична діаграма

Рівень Фермі в акцепторному НП зміщується у нижню половину ЗЗ, причому його енергетична відстань від ВЗ зменшується зі збільшенням концентрації акцепторів NА.

Існує загальна закономірність для домішкових напівпровідників

nn

0

pn

pp

np

ni2 .

(1.4)

 

0

 

0

0

 

З (1.4) можна зробити висновок: введення в НП домішок приводить до збільшення концентрації носіїв заряду одного знака і до пропорційного зменшення концентрації інших носіїв завдяки зростанню ймовірності їх рекомбінації.

1.1.4Види струмів у напівпровідниках

Унапівпровідниках розрізняють дрейфовий та дифузійний

струми.

Причиною дрейфового струму є дія на НП електричного поля. Внаслідок зіткнення носіїв, що рухаються під дією електричного поля, з атомами решітки їх рух має уривчастий характер. Цей рух характеризується рухомістю

9

 

U

,

(1.7)

 

 

E

 

де U - середня швидкість носія;

Е - напруженість електричного поля.

Звичайно рухомість у електронів вища, ніж у дірок ( n P ).

Ця величина залежить від температури (з підвищенням температури рухливість зменшується внаслідок того, що зростає хаотичність руху носіїв, як це показано на рисунку 1.7), а також від концентрації домішок.

Рисунок 1.7 – Залежність рухомостей електронів n та дірок

P від температури

Як правило у розрахунках беруть наступні значення рухливостей носіїв при Т=300К: для германію n =3900см2 /В с, P =1900см2 /В с,

для кремнію n =1350см2 /В с, P =430см2 /В с.

Густина електричного струму у НП

jn qnUn ,

(1.8)

де q 1,6 10 19 Кл – заряд електрона; n- концентрація електронів;

Un - середня швидкість електронів. 10