Материал: Osnovy_teorii_tsepey_post_i_perem_toka_2012

Внимание! Если размещение файла нарушает Ваши авторские права, то обязательно сообщите нам

10I11 0I22 5I33 0I44 5;0I11 9I22 4I33 4I44 4;

5I11 4I22 10I33 5I44 10.

Учитывая, что J44 J 2 А, получаем:

10I11 0I22 5I33 5;0I11 9I22 4I33 12;

5I11 4I22 10I33 20.

Решая представленную систему уравнений, например, по правилу Крамера, получим:

 

 

 

 

 

 

 

 

I

 

1 ;

I

 

 

2 ;

I

 

3 ,

 

 

 

 

 

 

11

 

 

22

 

 

 

33

 

 

где

 

10

0

5

 

 

 

 

 

 

 

 

 

 

 

5

0

5

 

 

 

 

 

 

 

 

 

 

 

 

 

 

0

9

4

 

515;

 

1

 

12

9

4

 

 

290;

 

 

5

4

10

 

 

 

 

 

 

 

 

 

 

 

 

 

20

4

10

 

 

 

 

 

10

5

5

 

 

 

 

 

 

 

 

 

10

0

 

5

 

 

 

 

 

 

 

 

 

 

 

 

 

 

 

2

 

0

12

4

 

 

200;

 

3

 

 

0

9

 

12

 

 

1095.

 

 

 

 

5

20 10

 

 

 

 

 

 

 

 

 

 

 

5

4

 

20

 

 

 

 

I11 = – 0,563 А;

 

I22 = 0,388 А;

 

 

 

 

I33 = – 2,126 А; I44 = 2 А.

В итоге токи ветвей можно записать так:

I1 I33 ;

I1 2,126 А;

I2 I11

;

I2 0,563 А;

I3 I33 I44 ;

I3 0,126 А;

I4 I33 I44

I22 ;

I4 0,514 А;

I5 I22

;

I5 0,388 А;

I6 I11 I33 ;

I6 1,563 А;

I7 I44 ;

I7 2 А.

Знак «минус» у токов I2, I3 и I4 указывает на то, что в действительности эти токи имеют направления, противоположные указанным на схеме.

35

2.7.3.Метод узловых потенциалов

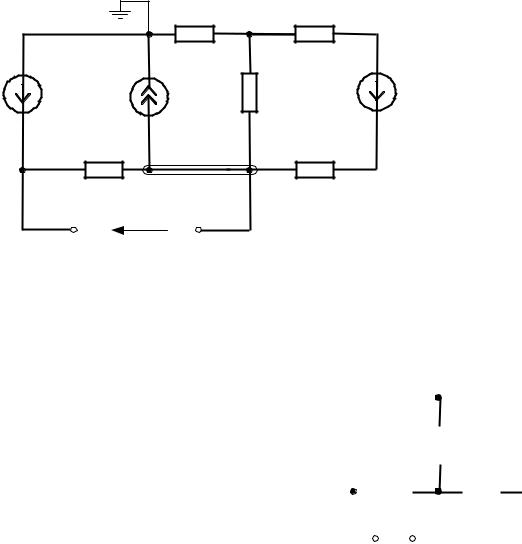
Ус л о в и е з а д а ч и. Определить токи ветвей в схеме (см. рис. 2.17), используя данные предыдущей задачи.

Р е ш е н и е. В соответствии с указаниями п. 2.3.1 заземляем узел 4 (φ4 = 0). Кроме того, ветвь между узлами 3 и 4 содержит только источник ЭДС, следовательно, независимо от величины протекающего тока I1, величина φ3 также известна: φ3 = Е1 = 10 В (со знаком «плюс», так как направление Е1

кузлу 3). Таким образом, в задаче неизвестными являются потенциалы двух узлов – φ1, φ2, и достаточно составить систему из двух уравнений:

g11 1 g12 2 g13 3 J11;

g21 1 g22 2 g23 3 J22 ,

где

g

 

1

 

 

 

1

 

 

 

 

 

1

 

 

 

;

 

 

g 1,45 См;

 

 

 

 

 

 

 

 

 

 

 

 

 

 

 

 

 

 

 

 

 

 

 

 

 

 

 

 

 

 

 

 

 

 

 

11

 

r3

 

 

 

r4

 

 

 

r5 r6

 

 

 

11

 

 

 

 

 

 

 

 

 

 

 

 

 

 

 

 

 

 

 

 

 

 

 

 

 

 

 

 

 

 

 

 

 

 

 

 

 

 

 

 

 

 

 

 

 

g22

 

1

 

 

1

 

 

1

 

 

 

 

 

1

 

;

g22 0,85 См;

 

 

 

 

 

 

 

 

 

 

 

 

r1

 

 

r2

 

r4

 

r5

r6

 

 

 

 

 

 

 

 

 

 

 

 

 

 

 

 

 

 

 

 

 

 

 

 

 

 

 

 

 

 

 

 

 

 

 

 

 

 

 

 

 

 

 

 

 

 

 

 

 

 

 

 

 

1

 

 

 

 

 

1

 

 

 

 

 

 

 

 

 

 

 

 

 

 

 

 

 

 

 

 

g12 g21

 

 

 

 

 

 

 

, общие проводимости всегда имеют знак «ми-

 

r

 

r

r

 

 

 

 

 

 

 

 

 

 

 

 

 

4

 

 

5

 

6

 

 

 

 

 

 

 

 

 

 

 

 

 

 

 

 

 

 

 

нус»;

g

g

21

0,45 См;

g

 

0;

 

g

23

 

1

 

1

;

g

23

0, 4 См;

 

 

 

 

r

 

12

 

 

 

 

 

 

 

 

 

 

 

 

 

 

 

 

 

13

 

 

 

 

 

r

 

 

 

 

 

 

 

 

 

 

 

 

 

 

 

 

 

 

 

 

 

 

 

 

 

 

 

 

 

 

 

 

 

 

1

2

 

 

 

 

 

 

J

E

 

 

1

 

 

 

, знак «минус» обусловлен тем, что ЭДС E3 направлена от

 

 

 

r

 

11

 

 

 

 

 

3 r

 

 

 

 

 

 

 

 

 

 

 

 

 

 

 

 

 

 

 

 

 

 

 

 

 

 

 

 

 

 

 

 

 

5

 

 

 

6

 

 

 

 

 

 

 

 

 

 

 

 

 

 

 

 

 

 

 

 

 

 

 

 

 

 

узла 1;

 

 

 

 

 

J

 

0,8А;

J

22

E

 

1

 

E

1

J;

 

J

22

2,2 А.

 

 

 

 

 

 

 

r

 

 

 

 

 

 

 

 

 

 

11

 

 

 

 

 

 

 

 

 

 

 

 

 

3 r

 

2 r

 

 

 

 

 

 

 

 

 

 

 

 

 

 

 

 

 

 

 

 

 

 

 

 

 

 

 

 

5

 

6

 

2

 

 

 

 

 

 

 

 

 

После подстановки найденных значений имеем:

 

 

 

 

 

 

 

 

 

 

 

 

 

 

 

 

 

 

 

 

 

 

 

1,45 1 0,45 2 0 10 0,8;

 

 

 

 

 

 

 

 

 

 

 

 

 

 

 

 

 

 

 

 

 

 

 

 

 

 

 

 

 

 

0,4 10 2,2.

 

 

 

 

 

 

 

 

 

 

 

 

 

 

 

 

 

 

 

 

 

 

0,45 1 0,85 2

 

 

 

 

 

 

Решив

 

 

представленную

систему

уравнений,

получим:

 

 

1 0,126 В;

2 2,184 В.

 

 

 

 

 

 

 

 

 

 

 

 

 

 

 

 

 

 

 

 

 

 

 

 

 

 

 

 

 

 

 

 

 

 

 

 

С учетом известных потенциалов 3

10 В и 4

0 рассчитываем токи

ветвей:

 

 

 

 

 

 

 

 

 

 

 

 

 

 

 

 

 

 

 

 

 

 

 

 

 

 

 

 

 

 

 

 

 

 

 

 

 

 

36

I2

2 3 E2

;

I2

0,563А;

 

 

 

 

 

 

 

 

 

 

 

 

 

 

r2

 

 

I3

 

 

 

4

1

;

 

I3

0,126 А;

 

 

 

 

 

 

 

 

 

r3

 

 

I4

 

 

 

1

2

;

 

I4

0,515А;

 

 

 

 

 

 

 

 

r4

 

 

I5

 

1 2 E3

;

I5 0,388А;

 

 

 

 

 

 

 

 

r5

r6

 

 

I6

 

 

3

2

;

I6 1,563 А;

 

 

 

 

 

 

 

 

 

r1

 

 

 

 

I7 J ;

 

I7 2 А.

Ток I1 находим по первому закону Кирхгофа, например, для узла 3:

I1 I2

I6

0;

I1 I6

I2 ;

I1 2,126 А.

2.7.4. Метод активного двухполюсника (эквивалентного источника)

У с л о в и е з а д а ч и. Определить ток I2 в ветви с r2 и Е2 (см.

рис. 2.17).

Р е ш е н и е. Поскольку в ветви с r2 находится ЭДС Е2, направленная согласно с ЭДС эквивалентного источника Еэ, то:

I2 Eэ E2 . rэ r2

Эквивалентную ЭДС Еэ найдем из расчетной схемы (рис. 2.18), в которой ветвь с током I2 разомкнута.

В данном случае Eэ U23 х.х 2 3 . Потенциалы узлов 2 и 3 могут

быть найдены любым из рассмотренных методов, каждый из которых реализуется двумя уравнениями. Воспользуемся методом узловых потенциалов.

Примем 4 0 и запишем систему уравнений, в которой 3 E1 :

g11 1 g12 2 g13 3 J11;

g21 1 g22 2 g23 3 J22 ,

37

где

g

 

 

1

 

 

 

 

1

 

 

 

 

1

 

;

 

 

g

 

1,45 См;

 

 

 

 

 

 

 

 

 

 

 

 

 

 

 

 

 

 

 

 

 

 

 

 

 

 

 

 

11

 

r3

 

 

r4

 

 

r5

r6

 

 

 

 

11

 

 

 

 

 

 

 

 

 

 

 

 

 

 

 

 

 

 

 

 

 

 

 

 

 

 

 

 

 

 

 

 

 

 

 

g22

 

 

1

 

 

 

 

1

 

 

 

1

 

 

;

 

 

g22 0,65 См;

 

 

 

 

 

 

 

 

 

 

 

 

 

r5

r6

 

 

 

 

 

 

 

 

 

 

 

 

 

 

 

r1

 

 

r4

 

 

 

 

 

 

 

 

 

 

 

 

 

 

 

 

 

 

 

g12

g21

 

1

 

 

 

1

 

;

g12

g21 0,45 См;

g13 0;

 

 

 

 

 

 

 

 

 

 

 

r

r r

 

 

 

 

 

 

 

 

 

 

 

 

 

 

 

 

 

 

4

 

5

6

 

 

 

 

 

 

 

 

 

 

 

 

 

 

 

g

23

 

1

 

;

 

 

 

 

 

 

 

 

 

 

 

 

g

23

0, 2 См;

 

J E

 

1

;

 

 

 

 

 

 

 

 

 

 

 

 

 

 

 

 

 

r

 

 

 

 

 

 

 

r

 

 

 

 

 

 

 

 

 

 

 

 

 

 

 

 

 

 

 

 

 

11

3 r

 

 

 

 

 

1

 

 

 

 

 

 

 

 

 

 

 

 

 

 

 

 

 

 

 

 

 

 

 

 

5

6

 

 

J

 

0,8А;

 

 

 

 

 

 

 

 

 

 

J

22

E

 

1

J ;

J

22

1,2 А.

 

 

 

 

 

 

 

 

 

 

 

 

 

 

r

 

 

11

 

 

 

 

 

 

 

 

 

 

 

 

 

 

 

 

 

 

 

 

 

 

 

3 r

 

 

 

 

 

 

 

 

 

 

 

 

 

 

 

 

 

 

 

 

 

 

 

 

 

 

 

 

 

 

 

 

 

5

6

 

 

 

 

 

 

 

 

4

r3

1

r5

 

 

 

E1

 

J

r4

E3

r1

3

2

r6

U23 x.x

Рис. 2.18. Схема для расчета Eэ U 23 х.х

После подстановки найденных значений в приведенную выше систему

уравнений и ее решения получаем: 1 0, 22 В;

 

r3

 

 

 

 

 

 

r5

2 1,07 В. В результате Eэ = 1,07 – 10 = – 8,93 В.

 

 

 

 

 

 

 

 

 

 

 

 

 

 

 

 

 

 

 

 

 

 

 

 

 

 

 

 

 

 

Для определения сопротивления эквивалентного

 

 

 

 

 

 

 

r4

 

 

 

 

 

 

 

источника в схеме на рис. 2.18 следует исключить все

 

 

 

 

 

 

 

 

r1

 

 

 

 

 

 

r6

источники ЭДС, сохранив сопротивления ветвей, и ра-

 

 

 

 

 

 

 

 

 

 

 

 

 

 

 

 

 

зомкнуть ветвь с источником тока. Расчетная схема

 

 

 

 

 

 

 

 

 

 

3

2

 

 

 

 

 

приобретает вид, показанный на рис. 2.19.

 

 

 

 

 

 

 

 

 

 

 

 

 

 

 

 

 

 

 

 

Находим входное сопротивление данной схемы

 

Рис. 2.19. Схема

относительно точек 2 и 3 путем преобразования:

для определения rэ

38

r r r ;

r

r4r7

 

;

 

 

 

 

7

5

6

8

r4 r7

 

 

 

 

r r r ;

r r

 

r1r9

.

 

9

3

8

э 23

 

r1

r9

 

 

 

 

 

После подстановки исходных и расчетных данных получаем:

rэ r23 1,96 Ом; I2 8,93 5 0,565 А. 1,96 5

2.7.5.Преобразование электрических цепей

1)Замена смешанного соединения сопротивлений (рис. 2.20, а) одним эквивалентным (рис. 2.20, б). Используется для нахождения токов от одного источника ЭДС.

 

 

r1

 

a

r2

I2

b

I1

r3

 

 

 

U

I3

I1

 

e

a

 

 

 

 

r 5

a

 

r4

с

 

 

 

r6

I4

d

U

I1

 

r э

 

 

 

 

 

r7

 

 

I5

e

 

 

 

 

 

 

б

Рис. 2.20. Замена смешанного соединения сопротивлений (а) одним эквивалентным (б)

Общее сопротивление в данном случае может быть рассчитано по формулам для последовательного и параллельного соединения элементов цепи:

 

 

 

r23 r2 r3 ;

 

 

 

1

 

1

 

1

;

r

r1r23

;

 

 

 

 

 

rab r1 r23

ab

 

r1 r23

 

 

 

 

аналогично

r

r5r6

.

 

 

 

 

 

 

 

 

 

cd

r5 r6

 

 

 

 

 

 

 

 

 

Тогда эквивалентное сопротивление цепи rэ rab r4 rcd r7.

39