Материал: Osnovy_teorii_tsepey_post_i_perem_toka_2012

Внимание! Если размещение файла нарушает Ваши авторские права, то обязательно сообщите нам

19)

5

 

20)

8

 

12

 

 

 

 

 

 

 

 

 

5

30

10

8

 

 

 

 

 

 

 

18

 

12

 

а

b

 

а

b

8

 

 

 

 

r ab = 20 Ом

 

rаb = 20 Ом

Рис. 2.35, лист 3

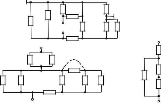
Пример. Определить входное сопротивление rab цепи, приведенной на рис. 2.36, а, если r1 = r5 = r8 = r9 = 30 Ом, r2 = 20 Ом, r3 = r4 = 8 Ом, r6 = 2 Ом, r7 = 10 Ом.

Точки, отмеченные знаком , можно объединить в одну точку общим проводом (на рис. 2.36 показан штриховой линией). Тогда расчетная схема примет вид схемы, изображенной на рис. 2.36, б, на которой резистор r7 закорочен, а r1 и r2, r3 и r4, r5, r8 и r9 параллельны друг другу:

r12 r1r1r2r2 305020 12 Ом.

Поскольку r3 = r4 и r5 = r8 = r9 , то

r

r3

;

r 8

4 Ом;

r

r5

;

r 30

10 Ом.

 

 

34

2

 

34

2

 

589

3

 

589

3

 

 

 

 

 

 

 

 

 

Врезультате получим схему, приведенную на рис. 2.36, в, в которой r589

иr6 соединены последовательно:

rэ1 r589 r6 10 2 12 Ом.

Между точками 1 и b – параллельное соединение из rэ1 и r12:

r

 

 

rэ1r12

 

;

 

 

 

э2

 

rэ1 r12

 

 

 

r

12 12

 

6 Ом.

э2

12 12

 

 

 

 

 

 

 

50

 

 

 

Окончательно входное сопротивление цепи относительно точек а и b рассчитывается по формуле:

 

 

 

rab rвх r34 rэ2 ;

 

 

 

 

 

rab rвх 4 6 10 Ом.

 

 

 

 

 

 

 

3

 

 

 

 

 

 

r3

r4

 

r7

 

 

 

 

 

r2

 

1

 

 

 

 

 

 

 

 

 

 

 

 

а

 

 

 

 

 

 

r1

 

r5

r8

r9

 

 

 

b

r6

 

 

 

 

 

2

 

 

 

 

 

 

 

 

 

 

а

 

 

a

а

 

 

 

 

 

 

 

 

 

 

r34

 

 

 

 

 

 

 

 

r3

r4

 

 

 

 

 

 

r7

1

 

 

 

1 = 3

 

 

 

 

 

 

r589

 

 

3

 

 

 

r12

 

r1

r2

r5

r8

r9

 

2

r6

 

 

r6

 

 

 

 

 

 

 

 

 

b

 

2

 

 

в

b

 

 

б

 

 

 

 

 

 

 

 

 

 

 

 

Рис. 2.36. Преобразование электрической схемы для определения rab

2.8.3.Определение напряжения на участке цепи

Ус л о в и е з а д а ч и. В заданной цепи (рис. 2.37, схемы 1 – 20) действует источник постоянной ЭДС Е. Определить токи ветвей и напряжение Uаb. Составить баланс мощностей. ЭДС задана в вольтах, сопротивления указаны в омах.

Ответ приведен под схемой.

51

1)

 

 

 

20

 

2)

 

10

 

 

10

 

 

4

 

Uаb

4

 

 

 

10

а

 

20

 

 

4

а b

 

24

30

 

Uаb

20

 

 

 

 

 

 

 

 

 

5

 

 

 

 

 

 

 

 

 

b

 

 

 

 

 

 

 

Uаb = 8 В

 

 

 

 

Uаb = 20 В

 

 

 

 

 

 

 

 

 

3)

b

 

 

 

 

 

4)

 

 

 

 

 

 

12

 

 

 

Uаb

 

 

 

 

 

 

 

 

 

 

 

12

 

 

 

27

 

 

18

3

 

 

 

а

 

24

 

12

 

 

 

 

 

 

b

 

 

6

а

 

 

 

 

 

 

 

 

 

 

 

 

24

 

 

 

12

 

 

 

 

 

Uаb

 

 

 

 

 

 

Uаb = 18 В

 

 

 

Uаb = 24 В

 

5)

 

 

 

5

 

 

6)

 

54

 

 

 

 

 

 

 

 

 

 

 

 

 

 

 

 

 

30

 

 

 

10

а

а

 

24

 

36

 

 

 

 

 

 

 

 

 

 

 

 

 

 

 

 

 

 

 

 

 

 

45

 

20

 

Uаb

 

 

Uаb

12

 

 

6

 

 

 

 

 

 

 

 

 

 

 

 

 

b

 

 

 

b

 

 

 

 

 

 

 

 

 

 

 

 

 

 

 

Uаb = 40 В

 

 

 

 

 

U аb=

– 48 В

 

7)

 

8

 

 

 

 

8)

 

1

 

 

Uаb

 

а

 

 

 

 

 

 

 

 

а

b

 

 

Uаb

 

 

 

 

 

 

 

 

 

4

 

 

 

 

 

 

2

 

 

 

 

 

 

 

12

 

 

6

 

4

 

18

 

 

 

b

 

 

 

 

 

 

 

 

 

 

2

 

 

 

 

 

 

9

 

 

 

 

 

Uаb = 16 В

 

 

 

Uаb = 8 В

 

 

Рис. 2.37. Расчетные схемы

52

9)

4

а

20

 

10)

 

 

10

 

6

 

 

 

 

 

 

 

 

 

 

 

4

Uаb

4

 

 

 

 

 

9

Uаb

а

6

 

b

 

 

30

 

 

 

 

 

 

24

 

 

 

 

 

 

 

 

 

 

 

 

 

 

 

 

 

b

 

 

 

 

 

 

 

 

 

 

 

 

 

 

 

Uаb = –8 В

 

 

 

 

Uаb = –21 В

 

 

11)

10

10

 

 

12)

 

16

а

 

 

 

 

 

 

 

 

 

 

 

 

 

 

 

 

 

 

 

 

Uаb

 

 

 

 

 

 

 

 

 

 

 

 

 

 

20

b 10

 

 

 

 

 

 

 

 

 

 

 

 

 

 

 

 

 

b

 

36

 

 

Uаb

 

 

 

 

 

24

4

 

 

 

 

 

 

 

 

 

 

 

20

 

30

 

8

 

 

 

 

 

5

 

 

 

 

 

 

 

 

 

 

 

а

 

 

 

 

 

 

 

 

 

 

 

 

 

 

 

 

 

 

 

 

 

Uаb = –20 В

 

 

 

 

Uаb = 32 В

 

 

13)

 

Uаb

 

 

14)

 

 

 

5

 

 

 

 

 

 

 

 

 

 

 

 

 

 

 

 

 

 

 

 

 

 

 

 

 

 

b

12

6

 

а

 

 

30

 

10

b

 

27

 

 

 

 

 

 

 

 

 

 

18

 

3

 

45

 

 

20 Uаb

 

 

 

 

 

 

 

 

 

 

 

 

 

 

 

 

 

 

 

 

 

 

а

 

 

 

Uаb= –24 В

 

 

 

 

 

U аb = –40 В

 

 

15)

 

54

 

 

16)

b

 

8

 

4

 

 

 

 

 

 

 

 

 

 

 

 

 

 

 

36

24

b

 

 

 

Uаb

4

 

 

 

 

 

 

 

 

 

 

 

 

8

 

 

12

Uаb

 

18

 

 

 

а

 

 

6

 

 

 

 

 

 

2

 

 

 

 

 

 

 

 

 

 

 

 

 

 

 

 

 

 

 

 

 

 

 

 

 

а

 

 

 

 

 

 

 

 

 

 

 

Uаb = 48 В

 

 

 

 

 

U аb = –16 В

 

 

Рис. 2.37, лист 2

53

17)

 

20

 

12

 

 

18)

 

 

 

 

 

 

 

 

 

 

 

 

 

 

 

 

b

 

12

1

4

5

9

 

 

 

Uаb

 

b

 

 

120

 

 

 

 

 

 

 

 

 

18

 

 

 

 

 

 

2

 

 

 

а

 

 

 

 

U аb

 

 

 

 

 

 

 

 

а

 

 

 

 

 

 

 

 

 

 

 

 

 

Uаb = –84 В

 

 

 

Uаb = –8 В

 

19)

 

4

а

4

 

 

20)

10

 

10

 

 

 

 

 

 

 

4

4

Uаb

 

4

 

45

 

15

10

 

b

20

 

 

 

 

 

 

 

 

 

 

 

 

10

 

10

 

 

 

 

 

 

 

b

 

 

 

 

48

 

 

 

 

 

а

 

 

 

 

 

 

 

 

 

 

 

 

 

 

 

 

 

 

 

Uаb

 

 

 

Uаb = –16 В

 

 

 

Uаb = 20 В

 

Рис. 2.37, лист 3

Пример. В расчетной схеме, приведенной на рис. 2.38, Е = 120 В, r1 = r4 = 40 Ом, r2 = r3 = 60 Ом, r5 = 50 Ом.

 

I

 

E

 

 

I1

r1

d

r

I2

 

 

 

2

 

c

 

 

 

 

 

b

r3 I3

 

 

I4

 

 

 

 

 

 

 

 

r5

r4

 

Uаb

 

 

 

 

 

 

 

а

Рис. 2.38. Расчетная схема для определения Uab

Определить все токи и напряжение Uаb. Составить баланс мощностей.

54