Материал: Laboratorny_praktikum_po_TOE_2017_zerkalny

Внимание! Если размещение файла нарушает Ваши авторские права, то обязательно сообщите нам

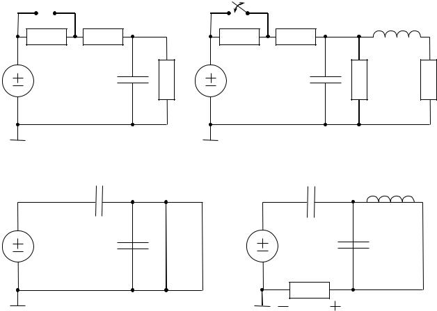
найти по эквивалентной схеме, заменив индуктивности короткими замыканиями, а емкости – разрывами.

K K R2

R1

R1

U

C2

R3

U

R2

 

L

C2

R3

R4

а

б

R1 C1

 

 

 

 

 

 

 

 

u t

C2

 

 

 

R2

 

R3

 

 

 

 

 

 

 

 

 

 

 

 

 

 

 

 

в

C1

L

 

u t C2

 

 

 

 

 

 

R4

 

 

 

 

 

 

 

 

 

 

R2

 

 

 

 

 

 

 

 

u2

t

г

 

 

Рис. 4.1

Свободная составляющая реакции (4.1) определяется только параметрами исследуемых цепей и начальными условиями:

n

 

uсв t Ake pk t ,

(4.2)

k 1

 

где n – порядок цепи; Ak – постоянные интегрирования;

pk – частоты собст-

венных колебаний (корни характеристического уравнения, предполагаемые

некратными), причем Re pk 0 .

 

 

 

Отрицательным вещественным

значениям

pk k

соответствуют в

(4.2) затухающие по экспоненте

слагаемые;

каждой

паре комплексно-

 

21

 

 

сопряженных значений pk,k 1 k j k соответствует составляющая в

виде затухающей по экспоненте синусоидальной функции.

Частоты собственных колебаний исследуемых цепей определяются следующими выражениями:

– для цепи первого порядка (рис. 4.1, а)

p

R1 R2 R3

,

 

 

 

 

 

(4.3)

 

 

 

 

 

 

 

 

1

C2R3 R1

R2

 

 

 

 

 

 

 

 

 

 

 

 

 

причем при замыкании ключа K сопротивление R1 0;

 

 

 

– для цепи второго порядка (рис. 4.1, б)

 

 

 

 

 

 

 

 

 

1

R R

R

 

 

 

R

 

 

p1,2 j

 

1

2

3

 

 

 

4

 

 

 

 

 

 

 

 

 

 

2

C R

R

R

 

 

L

 

 

 

2 3

1

2

 

 

 

 

 

 

 

 

 

R R

R R

R R

 

1

 

 

R R R

 

 

 

R

2

 

 

 

 

 

j

 

 

 

1

2

 

 

3

4

 

 

 

3

4

 

 

 

 

 

1

2

3

 

 

4

 

,

(4.4)

 

 

 

 

 

LC R

R R

 

 

 

 

 

4

C R

R R

 

L

 

 

 

 

 

 

 

 

 

 

 

 

 

 

 

 

 

 

 

 

 

 

 

 

 

2 3

 

1

2

 

 

 

 

 

 

 

 

2 3

1

2

 

 

 

 

 

 

 

 

причем при замыкании ключа K сопротивление R1 0;

 

 

 

 

 

 

 

 

 

 

– для цепи второго порядка (рис. 4.1, в)

 

 

 

 

 

 

 

 

 

 

 

 

 

 

 

 

 

 

 

 

 

 

 

 

 

 

 

 

 

 

 

 

 

 

 

 

 

 

 

 

 

 

 

 

 

 

 

 

 

 

 

 

 

1

 

1

 

 

 

R1 R2,3

 

 

1

 

 

1

 

 

 

 

R1 R2,3

2

 

 

 

1

 

 

 

 

p

 

 

 

 

 

 

 

 

 

 

 

 

 

 

,

 

 

 

 

 

 

 

 

 

 

 

 

 

 

 

 

 

 

 

 

 

 

 

1,2

 

2

 

R C

 

R R

C

 

 

 

4

 

R C

 

 

R R C

 

 

 

R R

C C

2

 

 

 

 

 

 

 

1

1

 

1

2,3 2

 

 

 

 

 

 

1

1

 

 

1

2,3 2

 

 

 

 

1 2,3

1

 

 

где R2,3 R2R3 R2 R3 ;

– для цепи третьего порядка (рис. 4.1, г) при C1R2 L R4 и C1 C2

p

1

; p

2

j

R4

j

1

 

 

R4

2 .

 

 

 

 

1

1

R2C1

2,3

2

 

 

LC2

 

 

 

 

 

 

 

 

 

L

 

 

 

L

 

Для этой цепи при t > 0 переходная характеристика может быть записана в форме

h

t h

A e 1t A e 2t cos t .

1

1вын

1

2

2

22

4.2.Экспериментальные исследования

4.2.1.Исследование переходных процессов в RC-цепи первого порядка при скачкообразном изменении сопротивления резистора R1

Элементы исследуемой цепи (рис. 4.1, а) собраны на плате. Питание осуществляется от источника постоянного напряжения. С помощью осциллографа наблюдают переходные процессы, которые происходят в исследуемых цепях вследствие периодического замыкания накоротко резистора R1 электронным ключом K. Управление работой ключа производится с помощью ГС, генерирующего периодические прямоугольные импульсы напряжения. В течение первого полупериода резистор R1 замкнут накоротко, а в течение второго – включен в схему. Параметры элементов исследуемых цепей выбраны так, что длительность переходных процессов меньше половины периода коммутации. В результате каждый раз к моменту коммутации переходные процессы в этих цепях заканчиваются установившимися режимами постоянного тока.

3

1

 

Электронный

 

Генератор

ключ

 

сигналов

4

2

 

R1

R2

 

Источник

C2

R3

питания

 

 

Рис. 4.2

Соберите схему, показанную на рис. 4.2 ( C2 0,05 мкФ; R1 2 кОм; R2 1 кОм; R3 4 кОм). Подключите к схеме источник постоянного напряжения и электронный ключ так, чтобы вывод 4 ключа был соединен с источником. К входным клеммам 1 и 3 ключа K подключите ГС, соединяя его за-

23

земленный вывод с клеммой 3 ключа. На источнике постоянного напряжения установите выходное напряжение 4 В, на ГС – режим генерирования прямоугольных импульсов с частотой повторения 1 кГц (период T = 1 мс) и амплитудой 4 В.

Снимите осциллограмму напряжения на конденсаторе C2 и измерьте вынужденные составляющие этого напряжения при замкнутом и разомкнутом состояниях электронного ключа. Для этого на осциллографе с помощью органов управления выполните следующие операции. Подключите к конденсатору схемы канал II осциллографа, соединяя его заземленную клемму с «минусом» ИП. Установите ручку синхронизации в положение «Авт.». Нажмите кнопку «→→», которая позволяет наблюдать изображения двух исследуемых сигналов с помощью каналов I и II.

Переключатели режимов работы входов обоих каналов установите в положение « ». При этом на экране осциллографа должны наблюдаться две линии разверток. Ручками «↕» обоих каналов опустите эти линии разверток до нижнего уровня масштабной сетки экрана, принимая в дальнейших измерениях этот уровень за нулевой. Переведите переключатель режима работы входа канала II в положение «». Установите переключатель «время/дел.» в положение, при котором на экране наблюдается весь период исследуемых процессов (T 1 fс 1 мс). Ручками развертки «Уровень» и «Плавно» добейтесь устойчивого изображения на экране осциллографа. Переключатель «V/дел.» канала II установите в положение, при котором осциллограмма не выходила бы за рамку экрана (при этом ручку плавной регулировки переключателя поверните до упора по часовой стрелке).

Зарисуйте осциллограмму напряжения на конденсаторе. Вид этой осциллограммы представлен на рис. 4.3, где u1вын, u2вын – установившиеся значения напряжения на конденсаторе при замкнутом и разомкнутом состояниях электронного ключа.

Измерьте по осциллограмме установившиеся значения u1вын, u2вын , учитывая положения переключателя «V/дел.» и кнопок «x1», «x10». Рассчитайте по эквивалентным схемам установившегося режима значения u1вын , u2вын и сравните их с данными опыта.

По снятой осциллограмме определите экспериментальные значения постоянных времени 1, 2 , используя свойство касательной к экспоненте. По

24

этим значениям вычислите частоты собственных колебаний исследуемой цепи при замыкании и размыкании электронного ключа; сравните их со значениями, вычисленными по формуле (4.3).

uC2

u1вын

u2вын

0 1

2

t

 

0, 5T

0, 5T

Рис. 4.3

Вопросы: 1. Как изменятся частоты собственных колебаний исследованной цепи, если значение емкости конденсатора в ней увеличить в 2 раза? 2. Как при этом изменится вид осциллограмм переходных процессов? Правильность ответа подтвердите экспериментально.

4.2.2. Исследование переходных процессов в RC-цепи второго порядка при скачкообразном изменении сопротивления резистора R1

Соберите схему, показанную на рис. 4.1, б (C2 0,05 мкФ; R1 2 кОм; R2 1 кОм; R3 4 кОм; R4 0, 2 кОм; L = 10 мГн). При сборке используйте ранее исследованную схему (см. рис. 4.2). Подключите в схеме параллельно конденсатору C2 последовательно соединенные катушку индуктивности L и резистор R4 . Снимите осциллограмму напряжения на конденсаторе и измерьте вынужденные составляющие этого напряжения при замкнутом и разомкнутом ключах; сравните их с расчетными значениями, найденными по эквивалентным схемам.

Переходные процессы в исследуемой цепи имеют колебательный характер. На рис. 4.4 показан вид временной диаграммы напряжения на конденсаторе.

25