пускания фильтров в 14.1.2 и 14.2.4 необходимо сопровождать графическим построением. Следует также письменно ответить на вопросы.
Работа № 15 ИССЛЕДОВАНИЕ СВОЙСТВ АКТИВНОЙ RC-ЦЕПИ
Цель работы: исследование влияния коэффициента передачи усилителя полосового активного RC-фильтра на частоты его собственных колебаний, АЧХ и устойчивость работы.
15.1. Подготовка к работе
Активной RC-цепью называют электрическую цепь, содержащую резистивные, емкостные и активные необратимые элементы (ОУ, транзисторы или электронные лампы). В активной RC-цепи можно получить комплексные значения частот собственных колебаний, т. е. полюсов передаточной функции цепи, в то время как корни характеристического уравнения пассивной RC-цепи всегда вещественны и отрицательны. В активной RC-цепи в отличие от пассивной, которая всегда устойчива, кроме того может возникнуть принципиально новое явление – неустойчивый режим работы (самовозбуждение), когда часть полюсов функции передачи переходит в правую полуплоскость, т. е. имеет положительную вещественную часть. При самовозбуждении на выходе схемы наблюдаются гармонические или релаксационные колебания даже при отсутствии сигнала на входе.
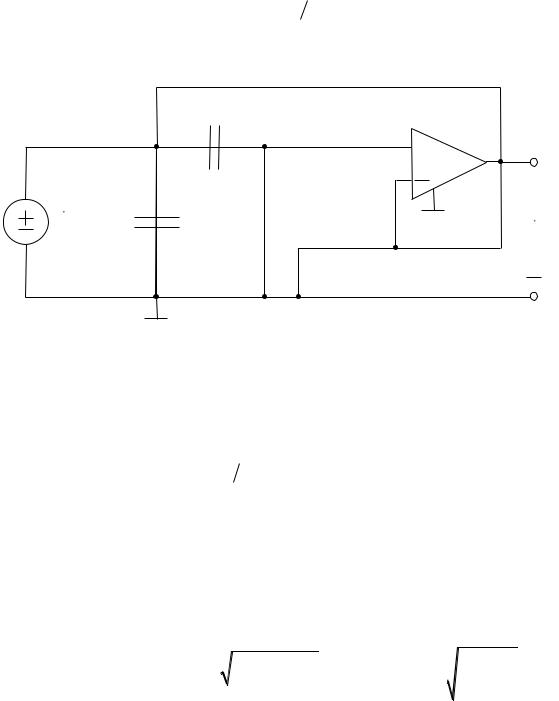
В работе исследуют свойства активных цепей на примере полосового фильтра (рис. 15.1), который имеет функцию передачи второго порядка с нулем в начале координат комплексной плоскости:
|
HU s |
U2 |
s |
|
|
a1s |
|
, |
(15.1) |
|
U1 |
s |
b s2 |
|
|
||||
|
|
|
b s b |
|
|||||
|
|
|
|
|
2 |
1 |
0 |
|
|
где a1 R2R3C2k ; |
b2 R1R2R3C1C2; |
b0 |
R1 R2 ; |
b1 R1R2 C1 C2 |
|||||
R2R3C2 R1R3C2 1 k .
Вфильтре в качестве активного элемента используется неинвертирующий усилитель напряжения, собранный на ОУ с резисторами Ra , Rb в цепи
отрицательной обратной связи ОУ. Такой усилитель практически обладает бесконечно большим входным и нулевым выходным сопротивлениями, а его
91
коэффициент передачи по неинвертирующему (положительному) входу определяется формулой
|
|
|
|
|
|
|
|
k 1 Ra |
Rb . |
|
|
|
|
|
(15.2) |
||||||
|
|
|
|
|
|
|
|
|
|
|
|
R2 |
|
|
|
|
|
|
|
|
|
|
|
R1 |
C2 |
|
|
|
|
|
|
|
|
|
|
|
|||||||
|
|
|
|
|
|
|
|
|
|
|
|
|
|||||||||
|
|
|
|
|
|
|
|
|
|
|
|
|
ОУ |
|
|
|
|
||||
|
|
|
|
|
|
|
|
|
|
|
|
|
|
|
|
|
|
|
|
|
|
|
|
|
|
|
|
|
|
|
|
|
|
|
|
|
|
|
|
|
|
|
|
|
|
|
|
|
|
|
|
|
|
|
|
|
|
|
|
|
|
|
|
|
|
|
|
|
|
|
|
|
|
|
|
|
|
|
|
|
|
|
|
|
|
|
|
U1 |
|
|
|
C1 |
|
|
|
|
R3 |
|
|
|
|
|
|
||||||
|
|
|
|
|
|
|
|
Rb |
|
|
|
|
Ra |
|
|
|
|
||||
|
|
|
|
|
|
|
|
|
|
|
|
|
|
|
|
||||||
|
|
|
|
|
|
|
|
|
|
|
|
|
|
|
|
||||||
|
|
|
|
|
|
|
|
|
|
|
|
U2 |
|||||||||
|
|
|
|
|
|
|
|
|
|
|
|
||||||||||
|
|
|
|
|
|
|
|
|
|
|
|
||||||||||
|
|
|
|
|
|
|
|||||||||||||||
|
|
|
|
|
|
|
|
|
|
|
|
|
|
|
|
|
|
||||
|
|
|
|
|
|
|
|
|
|
|
|
|
|
|
|
|
|
|
|
|
|
|
|
|
|
|
|
|
|
|
|
|
|
|
|
|
|
|
|
|
|
|
|
Рис. 15.1
При R1 R2 0,5R3 R и C1 C2 |
C функция передачи (15.1) прини- |
||||||||
мает вид |
|
|
|
|
|
|
|
|
|
HU s |
|
s 0k |
|
; 0 |
1 |
; Q |
1 |
, |
(15.3) |
s2 s 0 Q 02 |
|
RC |
3 k |
||||||
|
|
|
|
|
|
|
|||
где 0 – резонансная частота; Q – добротность (обозначения введены по аналогии с колебательным контуром).
При изменении коэффициента передачи k усилителя резонансная частота фильтра сохраняется постоянной, изменяется только значение добротности. Полюсы функции передачи (15.3)
|
|
3 k j |
|
|
|
|
|
|
|
|
|
|
|
|
|
|
|
|
1 |
|
|
|
1 |
|
|||||
|
|
4 3 k 2 |
|
|
|
|
||||||||
s |
0,5 |
|
|
j |
1 |
|
. (15.4) |
|||||||
|
|
|
||||||||||||
1,2 |
0 |
|
|
0 |
|
2Q |
|
|
4Q2 |
|||||
|
|
|
|
|
|
|
|
|||||||
|
|
|
|
|
|
|
|
|
|
|
|
|
|
|
Их расположение на комплексной плоскости при различных значениях k иллюстрируется рис. 15.2, а. Полюсы, вещественные и отрицательные при 0 k 1, становятся комплексными при k 1, а при дальнейшем увеличении k перемещаются по окружности радиуса 0 , оставаясь в левой полуплоскости, если k 3 .
92
При k 3 полюсы достигают мнимой оси, и в фильтре возникает режим самовозбуждения (автоколебания с частотой, равной резонансной частоте0 ). Дальнейшее увеличение коэффициента усиления k приводит к перемещению полюсов в правую полуплоскость. Режим самовозбуждения в фильтре сохраняется, но из-за ограниченности динамического диапазона усилителя форма гармонических колебаний искажается (наблюдаются релаксационные колебания).
|
k 3 |
j |
|
|
|
|H| |
|||
|
s1 |
j 0 |
|
|
|
|
|
|
|
k |
|
|
|
Hmax |
|
||||
1 |
|
|
|
|
|||||
|
|
|
k 5 |
|
Hmax |
|
|
||
|
|
|
|
|
|
||||
|
|
|
|
|
|
|
|||
|
|
|
|
|
|
|
|
||
|
|
|
|
|
|
|
|
|
|
s1,2 |
|
|
s1,2 |
2 |
|
|
|
||
|
0 |
|
|
|
|
|
|
||
s2 s2
0 |
∆ f |
f0 |
f |
|
|
|
|
а |
|
б |
|
Рис. 15.2
На рис. 15.2, б изображена АЧХ полосового фильтра, которая определяется выражением
HU j |
|
|
|
k 0 |
|
|
|||||
|
|
|
|
||
|
02 2 |
2 0 Q 2 |
|||
|
|
|
|||
или при нормировании частоты
HU jf |
|
|
|
|
kf |
|
, |
|
|
|
|
||||
|
|
|
|
|
|||
|
1 f 2 |
2 f Q 2 |
|||||
|
|
|
|
|
|||
где f f |
f0 ; f0 0 |
2 . |
93
Добротность полосового фильтра можно найти по АЧХ как отношение резонансной частоты к ширине полосы пропускания:
Q f0 |
f , |
(15.5) |
следовательно, положение полюсов на комплексной плоскости можно определить по их значениям, найденным по формуле (15.4), где добротность находится экспериментально по снятой АЧХ полосового фильтра.
15.2.Экспериментальные исследования
15.2.1.Исследование неинвертирующего усилителя напряжения,
собранного на операционном усилителе
Используя ГС и имеющийся на лабораторной плате ОУ, соберите схему неинвертирующего усилителя напряжения (рис. 15.3).
Uп
|
|
ОУ |
|
ГС Uвх |
R |
R |
Uвых |
|
b |
a |
|
|
|
|
Рис. 15.3
Подключите ИП постоянного напряжения Uп к соответствующим выводам платы, обозначенным «+», « », «–». Установите частоту ГС, равную резонансной частоте f0 полосового фильтра (рассчитанной в 15.1), а напря-
жение ГС Uвх 0,5 В.
Градуировку коэффициента передачи усилителя производите в зависимости от значения сопротивления Rb в цепи отрицательного входа ОУ, изменяя Rb от 12 до 27 кОм через 3 кОм. Результаты измерений напряжения на входе и выходе усилителя, а также данные расчета практического коэффициента передачи kпр занесите в табл. 15.1.
94
|
|
|
|
|
Таблица 15.1 |
|
Наблюдают |
|
|
Вычисляют |
|
|
|
|
|
|
|
Rb , кОм |
Uвх , В |
Uвых , В |
kпр Uвых |
Uвх |
kтеор |
|
|
|
|
|
|
Значение теоретического коэффициента передачи |
kтеор |
вычислите по |
|||
формуле (15.2), приняв сопротивление Ra 30 кОм. По результатам эксперимента постройте график градуировочной кривой коэффициента передачи k Rb усилителя. Сравните полученные данные со значениями теоретического коэффициента передачи, рассчитанными по формуле (15.2).
15.2.2. Определение влияния коэффициента передачи усилителя полосового активного RC-фильтра
на частоты его собственных колебаний и АЧХ
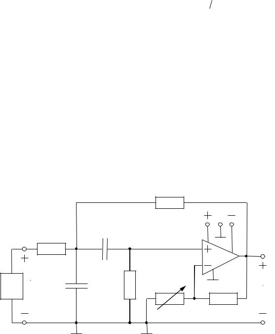
Соберите схему полосового активного RC-фильтра (рис. 15.4), в которой
Ra 30 кОм; R1 R2 0,5R3 10 кОм; C1 C2 0,03 мкФ.
R2
Uп
R1 C2
ОУ
ГС |
U1 |
C1 |
R3 |
Rb |
Ra |
U2 |
|
|
|
|
|
|
Рис. 15.4
Установите на входе фильтра напряжение Uвх 0,3 В и поддерживайте его неизменным при дальнейших измерениях. Снимите АЧХ фильтра в диапазоне частот от 0, 2 f0 до 2 f0 при значениях коэффициента передачи усилителя, равных 2,2; 2,5; 2,7. При измерениях обязательно зафиксируйте резонансную частоту (по максимуму АЧХ) и граничные частоты полосы пропус-
95