тем быстрее возрастает коэффициент передачи фильтра при удалении от резонансной частоты.
Передаточная функция ФПЗ получается из передаточной функции ФНЧ
заменой p |
|
|
, где 1 Q – нормированная полоса пропускания. |
||||||||||||||||||
|
p 1 p |
||||||||||||||||||||
|
|
|
|
|
|
|
|
|
|
|
|
|
|
|
|
|
|
|
|
||
Замена переменной |
p в передаточной |
|H( )| |
|
|
|
|
|
|
|||||||||||||
функции ФНЧ первого порядка дает переда- |
АА1 |
|
|
|
|
|
|
|
|
|
|
|
|||||||||
точную функцию ФПЗ второго порядка |
|
|
|
|
|
|
|
|
|
|
|
|
|||||||||
|
|
|
|
|
|
|
|
|
|
|
|
||||||||||
H p |
|
|
|
A(1 p2 ) |
|
A(1 p2 ) |
. |
А2 |
|
|
|
|
|
|
|
|
|
|
|||
1 |
p p2 |
1 1 Q p p2 |
|
|
|
|
|
|
|
|
|
|
|||||||||
|
|
|
|
|
|
|
|
|
|
|
|
|
|||||||||
|
|
|
|
|
|
|
|
|
|
|
|
|
|||||||||
Рассмотрим реализацию ФПЗ второго |
0 |
|
c |
с1 |
2 c2 |
|
|||||||||||||||
Рис. 3.22. Реальная АЧХ ФПЗ |
|||||||||||||||||||||
порядка. Как известно, |
двойной Т-образный |
||||||||||||||||||||
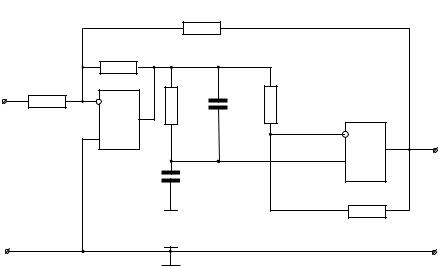
мост представляет собой пассивный ФПЗ. Его добротность составляет 0,25. Добротность можно повысить, если включить эту схему в контур обратной связи ОУ. Возможная схема такого фильтра показана на рис. 3.23.
Передаточная функция указанной схемы имеет вид
H p |
|
|
k(1 p2 ) |
|
, |
|
|
|
|
|
|
|
|
|
|
|
|
|
|
|
|
|
|
|
|
|
|
|
|
|
|
|
|
|
|
|
|
|
|
|
|
|
|
|
|
|
|
|
|
|
|
|
|
|
|
|
|
|
|
|
|
|
|
|
|
|
|
R1 |
|
|
(k-1)R1 |
||||||||||
1 |
2 2 k |
p p2 |
|
|
|
|
|
|
|
|
|
|
|
|
|
|
|
|
|
|
|
|
|
|
|
|
|
|||||||||||||
|
|
|
|
|
|
|
|
|
|
|
|
|
|
|
|
|
|
|
|
|
|
|
|
|
|
|
|
|
|
|
|
|
|
Uвых |
||||||
резонансная |
частота |
|
|
|
|
|
|
|
|
|
|
|
|
|
|
|
|
|
|
|
|
|
|
|
|
|
|
|
|
|
|
|||||||||
|
|
|
|
|
|
|
|
|
|
|
|
|
|
|
|
|
|
|
|
|
|
|
|
|
|
|
|
|
|
|||||||||||
|
|
|
|
|
|
|
|
|
|
|
|
|
|
2C |
|
|
DA |
|
||||||||||||||||||||||
определяется выражением Uвх |
|
|
|
|
|
R |
|
|
|
|
|
|
|
|
|
|
||||||||||||||||||||||||
|
|
|
|
|
|
|
|
|
|
|
R |
|
|
|
|
|
|
|
|
|
||||||||||||||||||||
|
|
|
|
|
|
|
||||||||||||||||||||||||||||||||||
0 1 RC , коэффициент |
|
|
|
|
|
|
|
|
|
|
|
|
|
|
|
|
|
|
|
|
|
|
|
|
|
|
|
|
|
|
|
|
|
|||||||
|
|
|
|
|
|
|
|
|
|
|
|
|
|
|
|
|
|
|
|
|
|
|
|
|
|
|
|
|
|
|
|
|
||||||||
|
|
|
|
|
|
|
|
|
|
|
|
|
|
|
|
|
|
|
|
|
|
|
|
|
|
|
||||||||||||||
|
|
|
|
|
C |
|
|
|
|
|
|
|
|
|
C |
|
|
|
|
|
|
|
|
|||||||||||||||||
|
|
|
|
|
|
|
||||||||||||||||||||||||||||||||||
передачи |
A k ; при k 1 |
|
|
|
|
|
|
|
|
|
|
|
|
|
|
|
|
|
|
|
|
|
|
|
|
|
|
|
|
|
|
|
|
|||||||
|
|
|
|
|
|
|
|
|
|
|
|
|
|
|
|
|
|
|
|
|
|
|
|
|
|
|
|
|
|
|
|
|||||||||
|
|
|
|
|
|
|
|
|
|
|
|
|
|
|
|
|
|
|
|
|
|
|
|
|
|
|
|
|
|
|
|
|||||||||
|
|
|
|
|
|
|
|
|
|
|
|
|
|
|
|
|
|
|
|
|
|
|
|
|
|
|
|
|
|
|
|
|||||||||
добротность |
|
равна |
|
|
|
|
|
|
|
|
|
|
|
|
|
0,5R |
|
|
|
|
|
|
|
|||||||||||||||||
|
|
|
|
|
|
|
|
|
|
|
|
|
|
|
|
|
|
|
|
|
||||||||||||||||||||
Q 1 2 2 k 0,5 . |
|
|
|
|
|
|
|
|
|
|
|
|
|
|
|
|
|
|
|
|
|
|
|
|
|
|
|
|
|
|
|
|
|
|
|
|
||||
|
|
|
|
|
|
|
|
|
|
|
|
|
|
|
|
|
|
|
|
|
|
|
|
|
|
|
|
|
|
|
|
|
|
|
|
|||||
Недостатком |
данной |
Рис. 3.23. ФПЗ с двойным Т-образным мостом |
||||||||||||||||||||||||||||||||||||||
схемы |
|
|
является |
слож- |
|
|
|
|
|
|
|
|
|
|
|
|
|
|
|
|
|
|
|
|
|
|
|
|
|
|
|
|
|
|
|
|
||||
ность настройки при больших значениях добротности. Это связано с тем, что изменение сопротивления одновременно влияет и на A , и на Q . В этом смысле предпочтительней использовать ФПЗ с мостом Вина–Робинсона.
31
При включении моста Вина–Робинсона в цепь обратной связи ОУ можно получить любое значение добротности. Соответствующая схема представлена на рис. 3.24.
|
R1/α |
|
|
R1 |
|
|
|
R1/β |
|
C |
|
DA |
R2 |
R3 |
|
|
|
|
DA |
Uвх |
C |
|
|
2R3 Uвых

R2
Рис. 3.24. ФПЗ с мостом Вина–Робинсона
Передаточная функция данной схемы определяется выражением
H p |
(1 p2 ) / 1 |
, |
|
1 3 p / 1 p2 |
|||
|
|
резонансная частота – выражением 0 1
R2C , коэффициент передачи A / 1 , добротность Q 1
3.
Для расчета номиналов элементов фильтра необходимо задать величины0 , A , Q и C , а затем провести расчет согласно выражениям R2 1
0C ;
3Q 1; 3AQ .
4. ПОРЯДОК ВЫПОЛНЕНИЯ КУРСОВОГО ПРОЕКТА 4.1. Задание
В процессе выполнения курсовой работы студенту будет предложено разработать схему активного фильтра одного из четырех типов – ФНЧ, ФВЧ, полосового и полосно-заграждающего с использованием передаточных функций, представленных в виде полиномов Баттерворта, Бесселя и Чебышева. Построение фильтра необходимо осуществить с применением схем настоящих методических указаний.
Исходными данными для курсовой работы являются:
32
тип фильтра с точки зрения АЧХ;
метод аппроксимации АЧХ фильтра;
для фильтров Чебышева – коэффициент пульсаций АЧХ в полосе пропускания или задерживания;
коэффициент усиления полезного сигнала;
частота среза или полоса пропускания фильтра.
При получении передаточной функции фильтра в общем виде следует воспользоваться таблицами нормированных коэффициентов полиномов (Прил. А).
При переходе от расчетных значений R и C элементов к номинальным следует воспользоваться рядами номинальных значений элементов (Прил. Б).
4.2. Оформление пояснительной записки
Пояснительная записка к курсовому проекту должна содержать следующие материалы:
общие сведения из теории фильтров;
передаточную функцию фильтра в общем виде;
структурную схему фильтра;
электрическую схему фильтра;
передаточную функцию электрической схемы фильтра;
расчет номиналов элементов фильтра;
АЧХ идеального фильтра, АЧХ фильтра, построенную по заданному полиному, АЧХ фильтра, построенную по расчетным значениям элементов, АЧХ фильтра после уточнения номиналов элементов;
выводы по работе.
Целесообразно включить в пояснительную записку разделы:
Техническое задание.
Введение.
Выбор схемы реализации фильтра.
Расчет номиналов компонентов фильтра.
Построение АЧХ фильтра.
Заключение.
Список использованной литературы.
При оформлении материалов пояснительной записки следует руководствоваться ГОСТ 7.32-2001.
33
Список рекомендуемой литературы
Титце У., Шенк К. Полупроводниковая схемотехника: Справ. рук-во /
Пер. с нем., М.: Мир. 1982, 512 с.
Джонсон Д., Джонсон Дж., Мур Г. Справочник по активным фильтрам / Пер. с англ., М.: Энергоатомиздат, 1983. 128 с.
Малахов В. П. Схемотехника аналоговых устройств. Одесса: Астро-
принт, 2000. 212 с.
34
|
|
|
|
|
|
|
|
ПРИЛОЖЕНИЯ |
||
|
|
А. Параметры полиноминальных фильтров |
|
|
|
|||||
|
|
|
|
|
|
|
|
|
|
Таблица А1 |
|
|
|
|
Фильтр Бесселя |
|
|
|
|
||
|
|
|
|
|
|
|
|
|
|
|
n |
|
i |
|
ai |
bi |
|
|
|
Qi |
|
1 |
1 |
1,0000 |
0,0000 |
|
1,000 |
|
|
– |
||
2 |
1 |
1,3617 |
0,6180 |
|
1,000 |
|
0,58 |
|||
3 |
1 |
0,7560 |
0,0000 |
|
1,323 |
|
|
– |
||
2 |
0,9996 |
0,4772 |
|
1,414 |
|
0,69 |
||||
|
|
|
||||||||
|
|
|
|
|
|
|
|
|
|
|
4 |
1 |
1,3397 |
0,4889 |
|
0,978 |
|
0,52 |
|||
2 |
0,7743 |
0,3890 |
|
1,797 |
|
0,81 |
||||
|
|
|
||||||||
|
1 |
0,6656 |
0,0000 |
|
1,502 |
|
|
– |
||
5 |
|
|
|
|
|
|
|
|
|
|
2 |
1,1402 |
0,4128 |
|
1,184 |
|
0,56 |
||||
|
3 |
0,6216 |
0,3245 |
|
2,138 |
|
0,92 |
|||
|
1 |
1,2217 |
0,3887 |
|
1,063 |
|
0,51 |
|||
6 |
|
|
|
|
|
|
|
|
|
|
2 |
0,9686 |
0,3505 |
|
1,431 |
|
0,61 |
||||
|
3 |
0,5131 |
0,2756 |
|
2,447 |
|
1,02 |
|||
|
|
|
|
|
|
|
|
|
|
|
|
|
|
|
|
|
|
|
|
|
Таблица А2 |
|
|
|
|
Фильтр Баттерворта |
|
|
|
|
||
|
|
|
|
|
|
|
|
|
|
|
n |
|
i |
|
ai |
bi |
|
|
|
|
Qi |
1 |
|
1 |
|
1,0000 |
0,0000 |
|
1,000 |
|
|
– |
2 |
|
1 |
|
1,4142 |
1,0000 |
|
1,000 |
|
|
0,71 |
3 |
|
1 |
|
1,0000 |
0,0000 |
|
1,000 |
|
|
– |
|
2 |
|
1,0000 |
1,0000 |
|
1,272 |
|
|
1,00 |
|
|
|
|
|
|
||||||
|
|
|
|
|
|
|
|
|
|
|
4 |
|
1 |
|
1,8478 |
1,0000 |
|
0,719 |
|
|
0,54 |
|
2 |
|
0,7654 |
1,0000 |
|
1,390 |
|
|
1,31 |
|
|
|
|
|
|
||||||
|
|
1 |
|
1,0000 |
0,0000 |
|
1,000 |
|
|
– |
5 |
|
|
|
|
|
|
|
|
|
|
|
2 |
|
1,6180 |
1,0000 |
|
0,859 |
|
|
0,62 |
|
|
|
3 |
|
0,6180 |
1,0000 |
|
1,448 |
|
|
1,62 |
|
|
1 |
|
1,9319 |
1,0000 |
|
0,676 |
|
|
0,52 |
6 |
|
2 |
|
1,4142 |
1,0000 |
|
1,000 |
|
|
0,71 |
|
|
3 |
|
0,5176 |
1,0000 |
|
1,479 |
|
|
1,93 |
|
|
|
|
|
|
|
|
|
|
|
35