Материал: 832

Внимание! Если размещение файла нарушает Ваши авторские права, то обязательно сообщите нам

40

3.2Характеристики транзистора при включении

собщей базой

Входные ВАХ транзистора в схеме с общей базой – зависимость тока эмиттера IЭ от напряжения эмиттер-база UЭБ при различных напряжениях между коллектором и базой UКБ – показаны на рис. 3.2, а. Эти характеристики по форме близки к соответствующей характеристике p-n-перехода. При увеличении напряжения UКБ снижается энергетический барьер в эмиттерном переходе, усиливается инжекция электронов из области эмиттера в область базы и встречная инжекция дырок и ток эмиттера возрастает. Поэтому входные характеристики при больших напряжениях UКБ смещены влево.

IЭ

 

 

IК

IЭ5 > IЭ4

 

 

 

 

 

UКБ > 0

 

 

 

 

 

IЭ4 > IЭ3

 

 

 

 

 

 

 

 

 

 

 

 

 

 

UКБ = 0

 

 

 

 

 

 

IЭ3 > IЭ2

 

 

 

 

 

 

 

 

 

 

 

IЭ2 > IЭ1

 

 

 

 

 

 

 

 

 

 

 

 

 

 

 

 

 

 

 

 

 

 

 

 

 

 

 

 

 

 

 

 

 

 

 

 

 

 

 

 

 

 

 

 

 

 

IЭ1 > 0

 

0

 

 

 

UЭБ

 

 

 

 

IК0

 

IЭ = 0

UКБ

 

 

 

 

 

 

 

0

 

 

 

 

 

 

 

 

а

 

 

 

 

 

 

 

 

 

 

 

 

 

 

б

 

 

 

 

 

 

 

 

 

 

 

 

 

 

 

Рис. 3.2

– ВАХ биполярного транзистора в схеме с общей базой

Выходные ВАХ транзистора в схеме с общей базой – зависимость тока коллектора IК от напряжения UКБ при различных токах эмиттера – показаны на рис. 3.2, б. При положительном напряжении на коллекторе ток IК слабо зависит от UКБ и изменяется пропорционально изменению тока эмиттера IЭ. Однако при IЭ = 0 ток коллектора IК0 0. Его называют тепловым (обратным) током перехода база-коллектор.

При перемене полярности напряжения UКБ транзистор насыщается, ток коллектора перестает зависеть от тока эмиттера, уменьшается до нуля и уже при долях вольта меняет направление. Такая зависимость тока IК обусловлена тем, что в n-p-n-

41

транзисторе при UКБ > 0 через переход база-коллектор движутся только электроны, инжектируемые эмиттером в базу и попадающие на коллектор под влиянием поля коллекторного перехода. При смене полярности коллекторного напряжения появляется встречный поток носителей. Вследствие этого ток коллектора резко уменьшается. Равенство IК = 0 означает, что составляющая тока коллектора, обусловленная движением носителей заряда из области эмиттера, равна составляющей, обусловленной движением носителей заряда из области коллектора. Небольшое увеличение коллекторного и эмиттерного токов транзистора при увеличении напряжения коллектора UКБ обусловлено зависимостью эффективной толщины слоя базы от UКБ. При увеличении обратного напряжения на коллекторном переходе толщина запирающего слоя увеличивается, примерно на столько же уменьшается эффективная толщина слоя базы, и всё большая часть электронов, инжектируемых эмиттером, попадает в ускоряющее поле коллекторного перехода.

Токи транзистора, работающего в активном режиме, связаны между собой соотношениями:

IЭ

IК

IБ,

(3.1)

IК

I

Э,

(3.2)

где – статический коэффициент передачи тока эмиттера ( достигает 0,99 и более, т.е. очень близок к единице).

3.3Характеристики транзистора при включении

собщим эмиттером

На рис. 3.3, а показаны входные характеристики биполярного транзистора в схеме с общим эмиттером – зависимость тока базы IБ от напряжения UБЭ.

При UКЭ UБЭ (обычно эта ВАХ приводится при UКЭ = 0) транзистор переходит в режим насыщения, когда в прямом направлении смещены оба перехода, поэтому при том же напряжении UБЭ базовый ток увеличивается, так как через базу текут токи обоих переходов. При UКЭ UБЭ коллекторный переход смещен в обратном направлении и напряжение на нем практически не влияет на прямой ток перехода база-эмиттер. Эти обстоятельства

42

позволяют на семействе входных ВАХ приводить только две характеристики: одну при UКЭ = 0, другую при UКЭ, равном одному, двум или пяти вольтам. Выходные ВАХ биполярного транзистора в схеме с общим эмиттером показаны на рис. 3.3, б. Общий характер этих зависимостей аналогичен характеру обратной ветви ВАХ диода, так как большая часть напряжения UКЭ падает на коллекторном переходе, смещенном в обратном направлении. Однако, в отличие от выходных характеристик схемы с общей базой, выходные характеристики схемы ОЭ имеют значительно больший наклон, то есть наблюдается большая зависимость выходного тока от выходного напряжения.

 

 

 

Область насыщения

 

 

Линия граничного режима

IБ

IК

 

 

 

 

 

 

 

 

IБ5 IБ4 … IБ1

 

 

UКЭ=0

 

 

 

 

 

 

 

 

 

 

 

 

IБ4

 

 

 

 

 

 

 

 

 

 

 

 

 

 

 

 

 

 

UКЭ=2В

 

 

Область активного режима

 

 

 

 

 

 

 

 

 

 

 

 

 

 

 

 

 

 

 

 

 

IБ2

 

 

 

 

 

 

 

 

 

 

 

 

 

 

 

 

 

 

 

 

 

 

IБ1

 

 

 

 

 

 

 

 

 

 

 

 

 

 

 

 

UБЭ

 

 

 

 

IБ =0

 

 

IКЭ0

 

 

 

 

 

 

 

 

 

 

 

UКЭ

 

 

 

 

 

 

 

 

 

 

 

 

 

 

 

 

 

 

 

 

 

 

 

 

 

 

 

 

 

 

 

 

 

 

 

 

 

 

 

 

а

 

 

 

 

 

 

 

б

Рис. 3.3 – ВАХ биполярного транзистора в схеме с общим эмиттером

Так как управляющим током в схеме с общим эмиттером является ток базы, уравнение (3.2), связывающее токи транзистора, удобно представить в виде:

IК IЭ IБ IК .

(3.3)

Выразив из этого уравнения ток коллектора через ток базы,

получим:

 

 

 

 

 

 

 

 

IК

IБ

 

 

IБ.

(3.4)

 

 

 

 

1

 

Здесь – статический коэффициент передачи тока в схеме с общим эмиттером. Чем ближе коэффициент к единице, тем

43

больше коэффициент . Типовые значения – от нескольких десятков до ста и более.

Характеристика при IБ = 0 выходит из начала координат и имеет вид обратной ветви ВАХ диода. Этот режим работы транзистора равнозначен его работе с оборванной базой. Условие IБ = 0 соответствует равенству нулю результирующего тока базы, складывающегося из тока источника UБЭ и противоположного ему по направлению обратного тока перехода база-коллектор IК0. При этом в транзисторе от коллектора к эмиттеру протекает ток IКЭ0, называемый сквозным. Этот ток больше, чем IК0:

IКЭ0 = IК0+ βIК0 = (β +1)IК0. (3.5)

Это объясняется тем, что часть напряжения источника UКЭ приложена к эмиттерному переходу в прямом направлении. Вследствие этого возрастает ток эмиттера и почти на столько же возрастает ток коллектора. При высоких температурах и использовании германиевых транзисторов с высоким обрыв базы в работающей схеме может привести к выходу транзистора из строя из-за чрезмерно большого сквозного тока.

Если IБ 0, выходные характеристики расположены выше, чем при IБ = 0, и тем выше, чем больше ток IБ. На выходных характеристиках схемы с ОЭ четко видны две области. Справа от линии граничного режима – активная область, где эмиттерный переход смещен в прямом направлении, а коллекторный – в обратном. Слева от линии граничного режима находится область насыщения, где оба перехода смещены в прямом направлении. Необходимо обратить внимание на то, что в этой схеме напряжение на переходе коллектор-база равно разности напряжений кол- лектор-эмиттер и база-эмиттер, т.е. UКБ = UКЭ – UБЭ, поэтому насыщение транзистора наступает при положительном напряжении

UКЭ.

3.4Т-образная схема замещения транзистора при включении с общей базой

В электронных схемах на электроды транзистора подают постоянные питающие напряжения, задавая таким образом положение рабочей точки на его ВАХ. Если при этом на усилитель-

 

 

 

 

44

 

 

 

ный элемент поступает еще и переменное напряжение входной

сигнал, то по отношению к этому сигналу он ведет себя как ак-

тивный четырехполюсник. При малых амплитудах сигнала этот

четырехполюсник можно считать линейным и представить одной

из линейных эквивалентных схем. Все параметры рассматривае-

мых эквивалентных схем дифференциальные, т.е. определены

для приращений токов и напряжений. Обычно такие схемы назы-

вают малосигнальными схемами замещения усилительных эле-

ментов, подчеркивая этим, что они справедливы только для ре-

жима малого сигнала.

 

 

 

 

Исходя из принципа работы биполярного транзистора, мож-

но построить физические эквивалентные схемы замещения. На

 

 

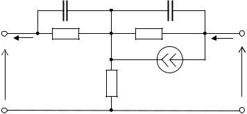
CЭ

Б1

CК

рис. 3.4 показа-

 

 

на

эквивалент-

Э

 

 

 

К

ная

Т-образная

iЭ

rЭ

 

rК

iК

схема

биполяр-

 

ного транзисто-

 

 

 

 

 

uЭБ

 

 

 

uКБ

ра,

включенно-

 

 

 

rБ

iЭ

го

по

схеме с

 

 

 

 

Б

 

 

 

 

общей

базой

 

 

 

Б

(ОБ). В схеме

Рис. 3.4

Т-образная эквивалентная схема

имеются две ба-

 

транзистора для схемы с ОБ

зовые

точки:

 

 

 

 

 

точка Б, соот-

ветствующая внешнему выводу базы, и воображаемая точка Б1,

находящаяся внутри объемной области базы. Положительное на-

правление тока эмиттера выбрано произвольно, поскольку знак

приращения iЭ= IЭ (приращения токов и напряжений обозна-

чены строчными буквами) может быть любым.

 

 

 

Дифференциальное сопротивление эмиттерного перехода:

r

 

Т

 

26

,

(3.6)

IЭ

 

Э

 

 

IЭ

 

где IЭ постоянная составляющая тока эмиттера, мА;

Т температурный потенциал, при комнатной температуре примерно равный 26 мВ.

Другие параметры представленной схемы имеют следующий физический смысл: