Материал: 832

Внимание! Если размещение файла нарушает Ваши авторские права, то обязательно сообщите нам

 

 

 

 

105

 

 

1

 

2Im

 

где Iср

 

Im sin d

– среднее значение тока в цепи ис-

 

 

 

 

 

0

 

точника питания; 7) коэффициент полезного действия каскада

η

P

тр EIm

/2

 

 

 

 

 

 

н

 

 

 

 

 

 

 

 

тр

.

(10.7)

 

2EI

 

 

 

4

 

P

m

/

 

 

 

 

 

 

 

 

 

 

 

 

 

 

Максимальное теоретическое значение КПД составляет 78% (при тр 1). В практических схемах удается реализовать

=(50–60) %.

Мощность, рассеиваемая в транзисторах, определяется выражением

 

 

 

2

 

 

 

I2 R

 

P P

P

 

 

EI

 

 

m

~

.

(10.8)

 

 

2

 

Σ

~

 

 

m

 

 

 

 

Эта зависимость носит экстремальный характер. Наиболее тяжелым для транзисторов является режим Im 0,64E /R~ , при

котором P 0,2 E2 .

R~

Соотношения для выбора транзисторов:

PКдоп 0,1 E2 /R~;

UКЭдоп 2E;

IКдоп 2E/R~.

Недостатком режима класса В являются искажения сигнала, особенно заметные в момент перехода через нуль (искажение типа «ступенька»). Поэтому в практических схемах чаще используют режим АВ (рис. 10.1, в). В режиме АВ ток в рабочей точке выбирается равным не нулю, а порядка пяти процентов от максимального. КПД при этом незначительно снижается по сравнению с режимом В, но существенно уменьшается уровень нелинейных искажений. Необходимая величина напряжения смещения задается в результате падения напряжения на диоде VD1. Это напряжение с ростом температуры уменьшается, что способству-

106

ет температурной стабилизации начального режима работы транзисторов VT1 и VT2. Заметим, что при полной симметрии плеч четные гармоники в двухтактном выходном каскаде отсутствуют.

10.3Влияние трансформатора на частотную характеристику усилителя

Трансформатор обеспечивает большую гибкость схемы (возможность получить требуемую мощность в нагрузке Рн при различных Е), однако вносит дополнительные частотные искажения. Эквивалентная схема выходной цепи трансформаторного каскада представлена на рис. 10.2. Трансформатор заменен схемой замещения, где введены следующие обозначения:

r1 – омическое сопротивление первичной обмотки;

r2' r2 – сопротивление вторичной обмотки, пересчитанное n2

к первичной;

LS1 – индуктивность рассеяния первичной обмотки;

'

LS2

– индуктивность рассеяния вторичной обмотки,

L

 

 

n2

S2

 

пересчитанная к первичной;

L – индуктивность намагничивания трансформатора;

RН' RН – сопротивление нагрузки, пересчитанное к пер- n2

вичной обмотке.

r1

LS1

L′S2

r′2

h22 Э

 

L

R′Н

 

 

iБ h21 Э

 

 

 

Рис. 10.2 – Эквивалентная схема выходной цепи трансформаторного каскада

В области нижних частот сопротивление индуктивности намагничивания трансформатора XL L становится сравнимо с

107

R′Н и эквивалентное сопротивление нагрузки каскада переменному току уменьшается, что ведет к снижению коэффициента усиления по напряжению. Коэффициент частотных искажений определяется выражением

 

 

 

 

 

 

 

 

 

 

 

 

 

2

 

 

 

 

 

 

 

 

 

 

 

 

 

1

 

 

 

 

 

 

 

 

 

 

 

 

 

ML

1

 

 

 

,

 

 

 

 

 

 

 

 

 

 

 

 

 

 

 

 

 

 

 

 

 

 

 

 

 

 

 

 

L

 

 

 

 

где

L

 

L

,

R

 

r r'

R'

 

 

 

RН

,

 

 

RН'

.

 

 

 

 

 

r1 r2' RН'

 

 

R~

 

~

1 2

Н

 

тр n2

 

 

тр

 

 

В области верхних частот с сопротивлением R′Н становится сравнимо суммарное сопротивление индуктивности рассеяния трансформатора XLS LS (LS = LS1+L′S2). Образуется делитель

напряжения в выходной цепи, снижающий усиление каскада по напряжению. Коэффициент частотных искажений можно рассчитать по формуле

 

 

 

 

 

 

 

LS

 

 

 

2

 

 

 

 

 

ML

1 L

,

где L

 

 

 

.

R

1 h

S

S

 

 

S

 

 

 

 

 

 

 

~

22Э

 

10.4 Бестрансформаторные выходные каскады

10.4.1 Выходные каскады в режиме класса В

Трансформаторные каскады хорошо зарекомендовали себя при работе на фиксированной частоте промышленной сети 50 или 400 Гц. При усилении сигналов в широкой полосе частот предпочтение отдается бестрансформаторным схемам выходных каскадов.

Простейший двухтактный выходной каскад в режиме класса В строится на транзисторах разного типа проводимости по схеме эмиттерного повторителя (рис. 10.3, а). При Uвх=0 оба транзистора закрыты и ток через нагрузку не протекает. В положительный полупериод, когда Uвх превышает напряжение отпирания транзистора VT1, он переходит в линейный режим и Uвх повторяется на сопротивлении нагрузки Rн (ток протекает от источника +Е). Аналогичным образом в отрицательный полупериод Uвх повто-

108

+E

 

 

+E

VT1 Rн

С1

VT1

 

Uвх

 

+

 

Uвх

 

 

VT2

VT2

Rн

R

-E

 

 

 

a

 

б

 

Рис. 10.3 – Схемы каскадов в режиме класса В

 

ряется на нагрузке Rн после отпирания транзистора VT2 (ток протекает от источника –Е). Достоинство режима класса В – сравнительно высокий КПД. Он определяется соотношением 4, где UвыхE – коэффициент использования напряжения источника питания, Uвых – амплитуда выходного синусоидального напряжения. Недостатком режима В являются большие нелинейные искажения Uвых, особенно заметные в момент перехода Uвх через нуль (характерная ступенька).

Аналогичный каскад при однополярном источнике питания показан на рис. 10.3, б. Делитель задает потенциал баз транзисторов VT1, VT2 на уровне Е/2. В положительный полупериод конденсатор С2 подзаряжается через транзистор VT1 и нагрузку, в отрицательный полупериод он частично разряжается через транзистор VT2 и Rн. Обычно на конденсаторе устанавливается постоянная составляющая напряжения UС2 E/2, которая при большой величине емкости конденсатора практически не меняется. В отрицательный полупериод (когда транзистор VT1 закрыт) конденсатор С2 выполняет роль источника питания. В положительный полупериод ток через нагрузку протекает под действием разности напряжений Е и UС2.

10.4.2 Выходной каскад в режиме класса АВ

Схемы по рис. 10.3 обеспечивают лишь усиление по току. Амплитуда входного напряжения должна быть несколько больше требуемой амплитуды Uвых, т.к. коэффициент усиления по на-

109

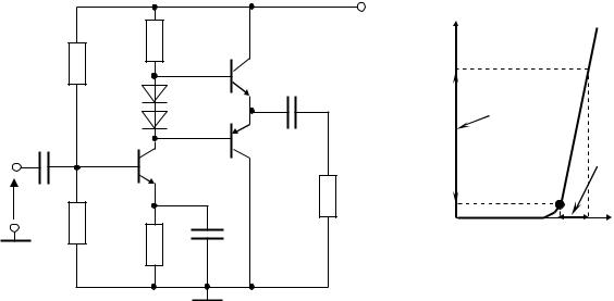
пряжению эмиттерного повторителя меньше единицы. Для уменьшения нелинейных искажений транзисторы выходного каскада переводят в режим АВ и обычно запитывают от каскада предварительного усиления, выполненного на транзисторе VT1 по схеме с ОЭ (рис. 10.4). Необходимое для режима АВ начальное смещение выходных транзисторов VT2 и VT3 создается за счет падения напряжения на диодах VD1 и VD2. Каскад на VT1обеспечивает усиление по напряжению, а выходной каскад на транзисторах VT2, VT3 – усиление по току. С ростом температуры уменьшается падение напряжения на диодах, что способствует температурной стабильности начального режима работы транзисторов VT2, VT3. Падение напряжения на диодах должно быть равно 2UЭБ20. Если оно меньше, между диодами VD1 и VD2 можно включить подстроечный резистор.

 

 

 

 

Е

 

RК

 

 

IБ

 

 

 

 

 

R1

VT2

 

IБ2 max

 

VD1

 

 

+

 

IБ2 m

C1

VD2

VT3

 

 

 

 

UЭБ2 m

 

VT1

 

 

 

 

 

 

 

АВ

Uвх

 

 

RН

R2

CЭ

IБ20

 

 

UЭБ20 UЭБ2 max

 

 

 

 

RЭ

 

 

 

Рис. 10.4 – Схема выходного каскада в режиме АВ

Ток покоя выходных транзисторов выбирают порядка пяти процентов от максимального тока нагрузки

I0 0,05IН.

При этом среднее значение тока выходных транзисторов в номинальном режиме

Iср 0,33IН.

Мощность, потребляемая выходным каскадом, PΣ IсрE.