110
КПД выходного каскада Pн .
PΣ
Величину емкости разделительного конденсатора связи с нагрузкой C2 по допустимому коэффициенту частотных искажений МС2 на нижней граничной частоте fн можно оценить следующим образом:
|
|
|
С2 |
|
|
|
|
1 |
|
|
|
, |
|
|
|
|
|
|
|
|
|
|
|
||
|
|
2 f |
|
(R R ) |
M2 |
|
||||||
|
|
|
|
н |
1 |
|||||||
|
|
|
UЭБ2m |
|
|
Н вых |
С2 |
|
|
|
||
|
R |
|
|
|
|
|
|
|
|
|
||
где R |
К |
|
IБ2m |
– выходное сопротивление эмиттерного |
||||||||
|
|
|
||||||||||
вых |
|
1 |
|
|
|
|
|
|
||||
|
|
|
|
|
|
|
|
|||||
повторителя.
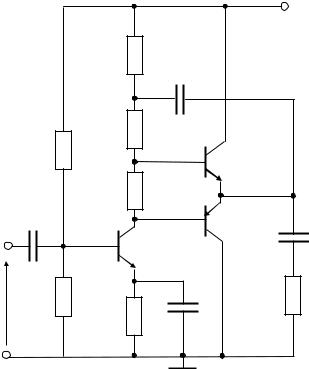
Резистор RЭ обеспечивает температурную стабилизацию режима работы транзистора VT1. Падением напряжения на RЭ задаются небольшим, чтобы сохранить высокий КПД каскада. За счет резистора RЭ вводится последовательная ООС по постоянному току. Если блокировочный конденсатор СЭ не поставить, то она будет действовать и на переменном токе, увеличивая входное сопротивление каскада, но снижая коэффициент усиления по на-
пряжению до величины KU |
|
RК |
. При наличии кон- |
h |
R (1 ) |
||
|
11Э |
Э |
|
денсатора СЭ отрицательная обратная связь на переменном токе отсутствует и коэффициент усиления по напряжению равен
KU RК .
h11Э
Для стабилизации режима работы выходных транзисторов резистор R1 часто подключают не к источнику Е, а к общей точке эмиттеров VT2 и VT3. Тогда в усилителе действует на постоянном токе местная ООС по току за счет резистора RЭ и общая ООС по напряжению за счет резистора R1. Но параллельная ООС по напряжению будет и на переменном токе. Она снизит величины входного и выходного сопротивлений каскада. Входное сопротивление усилителя в этом случае можно рассчитать по формуле
R |
R2 |
|
|
R1 |
|
|
h |
. |
|
|
|
|
|
||||||
|
|||||||||
вх |
|
|
|
KU |
|
|
11Э |
|
|
|
|
|
|
|
|
|
|
|
111 |
|
|
|
|
|
|
|
|
|
|
Недостаток рассматриваемой схемы состоит в том, что мак- |
|||||||||||||
симально достижимая амплитуда переменного напряжения на |
|||||||||||||
коллекторе транзистора VT1 заметно меньше половины напряже- |
|||||||||||||
ния источника питания Е, т.е. недостаточна для полной раскачки |
|||||||||||||
оконечных транзисторов. При их полной раскачке амплитуда на- |
|||||||||||||
пряжения на нагрузке максимальна и близка к Е/2, а требуемая |
|||||||||||||
амплитуда переменного напряжения на базах оконечных транзи- |
|||||||||||||
сторов больше, так как они включены по схеме эмиттерных пов- |
|||||||||||||
торителей. Остаточное напряжение на транзисторе VT2, напри- |
|||||||||||||
мер, равно UЭБ2 RК IБ2max . Если уменьшить RК, то упадет коэф- |
|||||||||||||
фициент усиления по напряжению, больший ток потребуется в |
|||||||||||||
рабочей точке транзистора VT1 и труднее будет открыть VT3. Ос- |
|||||||||||||
таточное |
напряжение |
на |
транзисторе |
|
VT3 |
равно |
|||||||
UЭБ3 UКЭ1min UЭ . Поэтому двойной размах напряжения на на- |
|||||||||||||
грузке меньше Е. |
|
|
|
|
|
|
|
|
|
|
|
|
|
10.4.3 Каскад с вольтодобавкой |
|
|
|
|
|
|
|
|
|
||||
Для полной раскачки выходного каскада амплитуда сину- |
|||||||||||||
|
|
|
Е |
|
соидального |
напряжения |
|||||||
|
|
|
|
на его входе должна быть |
|||||||||
|
Rсв |
|
|
|
больше |
Е/2. |
Добиться |
||||||
|
Ссв |
|
|
этого и значительно по- |
|||||||||
|
+ |
– |
|
|
высить |
|
максимальную |
||||||
|
RК |
|
|
|
выходную |
мощность |
и |
||||||
|
|
|
|
КПД можно, применяя в |
|||||||||
|
R1 |
|
VT2 |
|
каскаде |
положительную |
|||||||
|
|
|
|
||||||||||
|
Rсм |
|
|
|
обратную |
|
связь |
|
(рис. |
||||
C1 |
|
|
|
10.5). |
Она |
подается |
в |
||||||
|
|
VT3 |
|
||||||||||
|
|
C2 |
цепь |
питания |
VT1 через |
||||||||
|
|
|
|||||||||||
|
VT1 |
|
|
||||||||||
|
|
|
|
элементы Rсв |
|
и Ссв, |
и ее |
||||||
|
|
|
|
|
|
||||||||
Uвх |
R2 |
|
|
RН |
называют |
|
обратной |
свя- |
|||||
|
|
зью |
по |
|
питанию |
|
или |
||||||
|
RЭ |
CЭ |
|
|
вольтодобавкой. |
|
ПОС |
||||||
|
|
|
|
|
увеличивает |
напряжение |
|||||||
Рис. 10.5 – Каскад с вольтодобавкой |
|
питания предоконечного |
|||||||||||
|
каскада в полупериод за- |
||||||||||||
112
крывания VT1, что позволяет снять с VT1 амплитуду напряжения, достаточную для полного открывания VT2. За счет ПОС существенно возрастает и коэффициент усиления каскада по напряжению.
10.4.4 Выходной каскад УНЧ с квазидополнительной симметрией
При большой величине мощности, отдаваемой в нагрузку (единицы–десятки ватт), для уменьшения тока покоя VT1 в двухтактном выходном каскаде применяют составные транзисторы, причем оконечные транзисторы берут однотипными с целью их унификации (рис. 10.6). Такие схемы каскадов называют схемами с квазидополнительной симметрией. Здесь транзисторы VT2, VT4 образуют составной эмиттерный повторитель (ОК-ОК), а транзисторы VT3, VT5 – двухкаскадный усилитель ОЭ-ОЭ со стопроцентной последовательной ООС по напряжению, также неинвер-
|
Rсв |
|
Е |
|
|
|
|
|
RК |
|
|
|
Ссв |
VT2 |
|
|
|
|
|
|
|
|
VT4 |
|
Rсм |
R3 |
R5 |
|
R1 |
|
RН |
|
C1 |
VT3 |
|
|
|
||
|
|
|
|
|
VT1 |
|
VT5 |
Uвх |
R2 |
R4 |
|
|
RЭ CЭ |
R6 |
|
|
|
||
|
|
|
–Е |
Рис. 10.6 – Схема выходного каскада УНЧ с квазидополнительной симметрией
113
тирующий фазу, имеющий KU 1 и другие характеристики, подобные каскаду с ОК. Резисторы R3–R6 служат для симметрирования схемы и стабилизации исходных рабочих точек оконечных транзисторов. Чтобы R5 и R6 не сильно уменьшали КПД, их сопротивления берут порядка 5…10% от RН. Сопротивления резисторов R3 и R4 принимают такими, чтобы их токи были в несколько раз больше исходных токов баз VT4 и VT5. Требуемое исходное напряжение на Rсм близко к сумме пороговых напряжений база-эмиттер транзисторов VT2, VT3, VT4 и составляет около двух вольт. Для термостабилизации тока покоя оконечных транзисторов вместо резистора Rсм часто включают два-три последовательно соединенных диода.
Усилитель питается от двухполярного источника. В точке покоя напряжение на нагрузке устанавливается равным нулю (это можно сделать изменением сопротивления резистора R1) и выходной конденсатор большой емкости не требуется. В УНЧ используются цепь параллельной ООС по напряжению через резистор R1 и вольтодобавочная цепь параллельной положительной обратной связи по напряжению за счет элементов Rсв и Ссв.
По переменному току резистор Rсв включен параллельно нагрузке. Поэтому, чтобы на нем терялась незначительная часть
выходной мощности, принимают Rсв 20...40 RН . Обычно вы-
бирают Rсв RК .
Требуемая максимальная выходная мощность транзисторов
P~ PН RН R5
RН .
Максимальная амплитуда тока нагрузки
IНmax 
2PН
RН .
Ориентировочное значение напряжения питания одного плеча
Е IНmax RН R5 Uост ,
где остаточное напряжение составляет примерно 1 В, так как коллекторы транзисторов VT2 и VT4 соединены и Uост UБЭ4.
114
11 ОПЕРАЦИОННЫЕ УСИЛИТЕЛИ
11.1 Дифференциальный усилительный каскад
При контроле и измерении многих неэлектрических величин возникает необходимость усиления сигналов очень низких частот. Для этого требуются усилители постоянного тока. УПТ обычно запитывают от двухполярного источника и обеспечивают в точке
покоя Uвых = 0 при Uвх = 0. При построении УПТ невозможно использование разделительных конденсаторов и трансформаторов в
цепи связи между каскадами и с нагрузкой, поэтому применяется непосредственная (гальваническая) связь каскадов.
Усилители постоянного тока имеют специфический недостаток – дрейф нуля, затрудняющий усиление малых напряжений и токов. Дрейф нуля заключается в том, что с течением времени изменяются токи транзисторов и на выходе появляется напряжение в отсутствие входного сигнала. Причины дрейфа – нестабильность источников питания, старение транзисторов, изменение температуры окружающей среды. Нестабильность выходного напряжения УПТ Uвых принципиально не отличается от полезного сигнала.
Величину дрейфа обычно оценивают дрейфом нуля, приведенным ко входу УПТ:
eдр |
|
Uвых |
. |
(11.1) |
|
||||
|
|
Ke |
|
|
Таким образом, едр – это такой источник, подключение которого ко входу УПТ компенсирует нестабильность выходного напряжения.
Приведенный к входу дрейф нулевого уровня одиночного каскада УПТ на биполярном транзисторе нельзя сделать меньшим UТ, т.е. примерно 2 мВ/К. Введение отрицательной обратной связи не снижает едр, так как, наряду со снижением нестабильности рабочей точки, еще в большей степени уменьшается коэффициент усиления каскада.
Для уменьшения дрейфа, кроме стабилизации питающих напряжений, применяют специальные схемы (рис. 11.1), так называемые дифференциальные или балансные усилительные кас-