Long Range Tank fif installed! Configuration
|
Fuel Quantity Indicator II Pitch Angle Reading |
Usable Fuel Quantity |
|||||
|
1° |
2° |
3° |
4° |
5° |
US gal |
Liter |
|
up to 5 |
up to 5 |
up to 5 |
up to 5 |
up to 0 |
0 |
0 |
|
35 |
25 |
16 |
8 |
1 |
1 |
3.8 |
|
45 |
36 |
30 |
20 |
15 |
2 |
7.6 |
|
65 |
48 |
40 |
35 |
28 |
3 |
11.3 |
|
75 |
68 |
55 |
47 |
39 |
4 |
15.1 |
|
92 |
80 |
72 |
66 |
55 |
5 |
18.9 |
|
110 |
90 |
78 |
70 |
65 |
6 |
22.7 |
|
118 |
108 |
95 |
87 |
77 |
7 |
26.5 |
|
130 |
123 |
110 |
100 |
90 |
8 |
30.3 |
|
140 |
132 |
115 |
102 |
95 |
9 |
34.1 |
|
148 |
136 |
129 |
122 |
113 |
10 |
37.8 |
|
162 |
149 |
138 |
130 |
118 |
11 |
41.6 |
|
174 |
158 |
150 |
00 CO T— |
131 |
12 |
45.4 |
|
180 |
171 |
162 |
156 |
146 |
.13 |
49.2 |
|
185 |
180 |
175 |
166 |
156 |
14 |
53.0 |
|
200 |
195 |
184 |
176 |
168 |
15 |
56.8 |
|
217 |
205 |
196 |
189 |
181 |
16 |
60.6 |
|
232 |
220 |
215 |
204 |
196 |
17 |
64.4 |
|
248 |
238 |
230 |
221 |
214 |
18 |
68.1 |
Стр. 7 – 35 7.9.5 СИСТЕМА ОХЛАЖДЕНИЯ
Двигатель оснащен системой жидкостного охлаждения. Система жидкостного охлаждения состоит из контура радиатора (теплообменник охлаждающей жидкости) и перепускного контура (теплообменник обогрева кабины). Контур радиатора открывается только тогда, когда охлаждающая жидкость имеет высокую температуру. Это обеспечивает быстрый прогрев холодного двигателя. После увеличения температуры охлаждающей жидкости приблизительно до 80°C (126°F) включается терморегулирующий клапан, направляющий охлаждающую жидкость через контур радиатора.
Перепускной контур оснащен теплообменником «охлаждающая жидкость — воздух» (теплообменником обогрева кабины), который обеспечивает подогрев воздуха для системы обогрева кабины.
Для компенсации расширения и регулирования давления охлаждающей жидкости предусмотрен расширительный бак. Для защиты системы охлаждения от высокого давления установлен предохранительный клапан.

Стр. 7 – 36 7.9.6 СИСТЕМА ТУРБОНАДДУВА

Входящий воздух сжимается компрессором с приводом от турбины и затем охлаждается в промежуточном охладителе. Охлаждение воздуха позволяет увеличить КПД и мощность двигателя благодаря более высокой плотности холодного воздуха. Выхлопная система состоит из коллектора, в который поступают выхлопные газы с выходов цилиндров и откуда они подаются на турбину турбокомпрессора. После турбины выхлопные газы проходят через выхлопную трубу и выходят наружу через отверстие в нижнем капоте. Излишек выхлопных газов направляется в обход турбины. Перепуск газов регулируется блоком управления двигателем при помощи регулятора давления наддува. Датчик давления в коллекторе после компрессора позволяет блоку управления двигателем рассчитать нужное положение регулятора давления наддува. Это дает возможность предотвратить развитие чрезмерного давления на малой высоте по плотности.
Стр. 7 – 37 7.9.7 МАСЛОСИСТЕМЫ
Двигатель оснащен двумя отдельными маслосистемами.
Система смазки (двигателя и турбокомпрессора)
Для смазки двигателя применяется система смазки с мокрым картером. Масло охлаждается отдельным радиатором, расположенным на нижней стороне двигателя. Для проверки уровня масла через люк,
расположенный с левой стороны верхнего капота, предусмотрен специальный щуп. При необходимости можно доливать масло через это отверстие (информацию о разрешенных к применению марках масла см. в разделе 2.4 «ОГРАНИЧЕНИЯ ПО СИЛОВОЙ УСТАНОВКЕ»).
Редуктор и система регулирования частоты вращения воздушного винта
Второй масляный контур обеспечивает смазку редуктора, обслуживает систему регулирования частоты вращения воздушного винта и используется для регулирования частоты вращения. Количество масла в редукторе можно проверить по смотровому стеклу, которое видно через люк с левой стороны верхнего капота.
ВНИМАНИЕ: Если масла в редукторе слишком мало, необходимо провести внеплановое техническое обслуживание (информацию о разрешенных к применению марках масла, см. в разделе 2.4 «ОГРАНИЧЕНИЯ ПО СИЛОВОЙ УСТАНОВКЕ»).
Приборы контроля двигателя отображаются на многофункциональном индикаторе (MFD) Garmin G1000. См. также раздел 7.13.3 «МНОГОФУНКЦИОНАЛЬНЫЙ ИНДИКАТОР (MFD)» настоящего Дополнения.
|
Обозначение |
Индикация |
Единицы измерения |
|
LOAD (нагрузка) |
Располагаемая мощность |
% |
|
RPM (об/мин) |
Частота вращения воздушного винта |
об/мин |
|
VOLT (В) |
Напряжение |
В |
|
AMPS (А) |
Ампер |
A |
|
COOLANT TEMP (температура охлаждающей жидкости) |
Температура охлаждающей жидкости |
°C |
|
GEARBOX (редуктор) |
Температура редуктора |
°C |
|
OIL TEMP (температура масла) |
Температура масла в двигателе |
°C |
|
OIL PRES (давление масла) |
Давление масла |
бар |
|
FUEL QTY (количество топлива) |
Количество топлива |
ам. галл |
|
FFLOW (расход топлива) |
Расход топлива |
ам. галл/ч |
|
FUEL TEMP (температура топлива) |
Температура топлива |
°C |

На рисунке на предыдущей странице показан общий вид типовой индикации на многофункциональном индикаторе (MFD) G1000 в различных режимах отображения. Показанные значения могут не соответствовать установленным на текущий момент ограничениям по двигателю самолета DA 40 NG.
Расчетные значения количества топлива, отображаемые в поле FUEL CALC (расчетное количество топлива), не учитывают показания топливомеров самолета. Отображаемые значения рассчитываются по последнему текущему значению количества топлива, вводимому пилотом, и фактическим данным о расходе топлива. По этой причине данные о продолжительности и дальности полета можно использовать только в справочных целях; их использование для планирования полета запрещается.
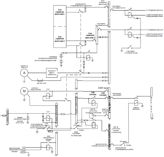
Стр. 7 – 38 7.10 ЭЛЕКТРИЧЕСКАЯ СИСТЕМА


Стр. 7 – 39 7.10.1 ОБЩИЕ СВЕДЕНИЯ
Самолет DA 40 NG оснащен электросистемой постоянного тока с напряжением 28В.
Систему можно разделить на следующие подсистемы:
− Генерирование электроэнергии
− Хранение электроэнергии
− Распределение электроэнергии
− Потребители
Генерирование электроэнергии
Генерирование электроэнергии осуществляется генератором постоянного тока 70 A, который установлен с левой нижней стороны двигателя. Привод генератора осуществляется через плоский ремень.
Выходная линия генератора подключена к шине блоков управления двигателем через плавкий предохранитель номиналом 100 A, установленный в главной приборной панели. На выходной линии генератора также установлен датчик тока, обеспечивающий индикацию силы тока в электросистеме, включая ток на зарядку аккумуляторных батарей.
При отказе главной аккумуляторной батареи напряжение возбуждения на генератор подается от двух герметичных свинцово-кислотных аккумуляторных батарей (резервных аккумуляторных батарей блоков управления двигателем) напряжением 12 В и емкостью 7,2 Ач, которые установлены за первым кольцевым шпангоутом. Подключение резервной аккумуляторной батареи блока управления двигателем к регулятору напряжения генератора осуществляется выключателем ENGINE MASTER (главный выключатель двигателя) через плавкий предохранитель номиналом 10 A.
Управление генератором:
Блок управления генератором имеет полный набор встроенных функций диагностики, которые обеспечивают загорание аварийного индикатора ALTN FAIL (отказ генератора) на основном пилотажном индикаторе (PFD) комплекса G1000 (на самолетах, оснащенных этим комплексом) или ALTERNATOR (генератор) на панели сигнализации White Wire (на самолетах с этой панелью) в случае чрезмерного понижения или повышения напряжения; а также несколько других внутренних диагностических функций.
Хранение электроэнергии
Основным элементом, выполняющим функции хранения электроэнергии, является главная свинцово-кислотная аккумуляторная батарея напряжением 24 В и емкостью 13,6 Ач, установленная за шпангоутом крепления багажного отсека. Главная аккумуляторная батарея подключается к аккумуляторной шине через реле аккумуляторной батареи, установленное в релейной коробке за шпангоутом крепления багажного отсека. Реле батареи управляется ключ - выключателем ELECTRIC MASTER (главный выключатель электрооборудования), расположенным в центральной части главной приборной панели. Кроме того, за первым кольцевым шпангоутом установлены две герметичные свинцово- кислотные аккумуляторные батареи (резервные аккумуляторные батареи блока управления двигателем) напряжением 12 В и емкостью 7,2 Ач, которые используются в качестве резервного источника электропитания блока управления двигателем (только блок управления B).
При нормальной работе зарядка резервных аккумуляторных батарей блока управления двигателем происходит от шины блоков управления двигателем. В случае отказа генератора и разрядки главной аккумуляторной батареи напряжение питания подается на блок управления двигателем B от резервных аккумуляторных батарей блока управления двигателем автоматически через плавкий предохранитель номиналом 32 A. Это позволяет предотвратить останов двигателя в маловероятном случае отказа генератора и полной разрядки главной аккумуляторной батареи.
Кроме того, в модели, сертифицированной для ППП, в качестве резервного источника питания резервного указателя пространственного положения (авиагоризонта) и приборов заливающего освещения установлена неперезаряжаемая батарея сухого типа. При установке выключателя EMERGENCY (аварийный выключатель) в положение ON (вкл.) на эти две системы в течение 1 часа подается электропитание независимо от всех других электропотребителей. Исправность данной батареи необходимо проверять в ходе осмотра через каждые 100 часов. Батарею необходимо заменять каждые 2 года или каждый раз после использования (если нарушена пломба на выключателе).
Распределение электроэнергии
Распределение электроэнергии осуществляется через:
аварийную аккумуляторную шину,
аккумуляторные шины 1 и 2,
шину блоков управления двигателем,
основную шину,
шину основных потребителей и шину БРЭО.
Аварийная аккумуляторная шина:
Аварийная аккумуляторная шина подключена непосредственно к главной аккумуляторной батарее, которая установлена в релейной коробке, отсоединение шины от главной аккумуляторной батареи невозможно. Аварийная аккумуляторная шина используется для подачи питания на разъем дополнительного питания и аварийный приводной передатчик, перед которыми установлены отдельные плавкие предохранители.
Аккумуляторная шина 1:
Аккумуляторная шина 1 подключена к главной аккумуляторной батарее через реле аккумуляторной батареи, управление которым осуществляется при помощи ключ- выключателя ELECTRIC MASTER (главный выключатель электрооборудования). Аккумуляторная шина 1 используется для подачи электропитания на аккумуляторную шину 2 и тока большой мощности на стаpтеp. Аккумуляторная шина 1 также подключена к линии напряжения питания вилки разъема аэродромного питания.
Аккумуляторная шина 2:
Аккумуляторная шина 2 подключена к аккумуляторной шине 1 через плавкий
предохранитель номиналом 100 A и обеспечивает подачу питания на шину блоков
управления двигателем через плавкий предохранитель номиналом 80 A, а также на основную шину через реле питания, которое приводится в действие ключ - выключателем ELECTRIC MASTER (главный выключатель электрооборудования) и выключателем ESSENTIAL BUS (выключатель шины основных потребителей). Для подключения аккумуляторной шины к основной шине ключ - выключатель ELECTRIC MASTER (главный выключатель электрооборудования) должен быть установлен в положение ON (вкл.), а выключатель ESSENTIAL BUS (выключатель шины основных потребителей) — в положение OFF (выкл.).
Шина блоков управления двигателем:
Шина блоков управления двигателем подключена к аккумуляторной шине 2 через плавкий предохранитель номиналом 80 A и обеспечивает подачу питания на блоки управления двигателем A и B и соответствующие топливные насосы. Эта шина также подключена к выходной линии генератора через плавкий предохранитель номиналом 100 A и обеспечивает подачу тока на зарядку резервной аккумуляторной батареи блока управления двигателем. Для подключения блоков управления двигателем A и B к шине блоков управления двигателем выключатель ENGINE MASTER (главный выключатель двигателя) должен быть установлен в положение ON (вкл.).
Основная шина:
Основная шина подключается к аккумуляторной шине через реле питания. Она
используется для подачи электропитания потребителям, непосредственно подключенным к основной шине, а также к шине БРЭО через реле, управляемое главным выключателем БРЭО. Для подключения основной шины к шине БРЭО выключатель AVIONIC MASTER (главный выключатель БРЭО) должен быть установлен в положение ON (вкл.). При нормальной работе основная шина также подключена к шине основных потребителей через реле шины основных потребителей. В случае отказа генератора пилот должен установить выключатель ESSENTIAL BUS (выключатель шины основных потребителей) в положение
ON (вкл.) (см. раздел 3.4 «ОТКАЗЫ ЭЛЕКТРОСИСТЕМЫ»). При этом основная шина отключается от аккумуляторной шины и шины основных потребителей и электропитание на оборудование, подключенное к основной шине, не подается.
Шина основных потребителей:
При нормальной работе шина основных потребителей подключена к основной шине через реле шины основных потребителей. Шина основных потребителей используется для подачи электропитания потребителям, подключенным к шине основных потребителей. Для подключения шины основных потребителей к шине БРЭО выключатель AVIONIC MASTER (главный выключатель БРЭО) должен быть установлен в положение ON (вкл.). В случае отказа генератора пилот должен установить выключатель ESSENTIAL BUS (выключатель шины основных потребителей) в положение ON (вкл.) (см. раздел 3.4 «ОТКАЗЫ ЭЛЕКТРОСИСТЕМЫ»). При этом шина основных потребителей отключается от основной шины и подключается к аккумуляторной шине 2, которая в течение ограниченного времени обеспечивает подачу электропитания от батареи на оборудование, необходимое для обеспечения безопасного полета и посадки.