Материал: 2461

Внимание! Если размещение файла нарушает Ваши авторские права, то обязательно сообщите нам

уровень шума повышает безопасность оператора /35/. Диапазон вязкости рабочей жидкости составляет от 10 до 860 сСт, что позволяет осуществлять запуски и работать при высоких и низких температурах /35/. В табл. 2.41 приведены основные параметры насосов серий Т7,

Т67, Т6.

 

 

 

 

 

 

 

 

 

 

 

 

 

 

 

 

 

 

 

 

 

 

 

Таблица 2.41

 

Основные параметры одинарных насосов серий Т7, Т67, Т6С /35/

 

 

 

 

 

 

 

 

 

 

 

 

 

 

 

 

 

 

 

 

 

 

 

Модель

 

Се-

 

Рабо-

Мин.

 

Максималь-

 

 

 

Максимальное давление, МПа

 

насоса

 

рия

 

чий

частота

 

 

ная

 

 

 

 

 

 

 

 

 

 

 

 

 

 

 

 

 

 

объ-

враще-

 

 

частота

 

 

 

 

 

 

 

 

 

 

 

 

 

 

 

 

 

 

ем,

ния,

 

вращения,

 

 

 

 

 

 

 

 

 

 

 

 

 

 

 

 

 

 

см3/об

об/мин

 

 

об/мин

 

 

 

 

 

 

 

 

 

 

 

 

 

 

 

 

 

 

 

 

 

 

 

HF-0,

HF-3,

 

Макс.

 

 

Раб.

Макс.

Раб.

 

Макс.

Раб.

 

 

 

 

 

 

 

 

 

 

HF-2,

HF-4,

 

HF-0, HF-2

 

HF-1, HF-4,

 

HF

-3

 

 

 

 

 

 

 

 

 

 

HF-1

HF-5

 

 

 

 

 

 

 

 

HF-5

 

 

 

 

 

 

 

 

 

 

 

 

 

 

 

 

Д

 

 

 

 

 

 

 

 

 

1

2

 

3

 

4

 

5

6

 

7

 

 

 

8

 

9

 

10

 

11

12

Т7АS

 

В06

 

 

5,8

 

 

 

 

 

 

 

 

 

И

 

 

 

 

 

 

 

 

 

В10

 

 

9,8

 

 

 

 

 

 

 

 

 

 

 

 

 

 

 

 

 

 

В11

11

 

 

600

 

3800

1800

 

30

 

 

27,5

 

 

 

 

 

 

 

 

 

В13

12,8

 

 

 

 

 

 

 

 

 

 

 

 

 

 

 

 

 

 

 

 

 

 

 

 

 

 

А

 

 

 

 

 

 

 

24

 

 

 

 

 

 

 

В17

17,2

 

 

 

 

 

 

 

 

 

 

 

 

 

21

 

17,5

14

 

 

В20

 

 

19,8

 

и

 

 

 

 

 

 

 

 

 

 

 

 

 

В22

 

 

22,5

 

 

 

 

 

 

 

 

 

 

 

 

 

 

 

 

 

 

 

 

В25

24,9

 

 

 

3000

 

 

2,5

 

 

24

 

 

 

 

 

 

 

 

 

 

 

 

 

С

б

 

 

 

 

 

 

 

 

 

 

 

 

 

 

Т7АSW

В26

26

 

 

 

 

 

 

 

 

 

 

 

 

 

 

 

 

 

 

 

В28

28

 

 

 

3800

 

 

30

 

 

27,5

 

24

 

21

 

 

 

 

 

В30

30

 

 

600

 

 

 

1800

 

 

 

 

 

 

 

 

 

17,5

14

 

 

В32

 

 

31,8

 

 

 

 

 

 

 

 

 

 

 

 

 

 

 

 

 

 

 

 

 

 

 

 

 

 

 

 

 

 

 

 

 

 

 

 

В34

 

 

34

 

 

 

 

3000

 

 

28

 

 

24

 

 

 

 

 

 

 

 

 

В36

36

 

 

 

 

 

 

 

 

 

 

 

 

 

 

 

 

 

 

 

В40

40

 

 

 

 

 

 

 

 

 

 

 

 

 

 

 

 

 

 

 

 

Т7В

 

 

 

 

 

 

 

 

 

 

 

 

 

 

 

 

 

 

 

 

 

 

 

 

 

 

В02

5,8

 

 

 

 

 

 

 

 

 

 

 

 

 

 

 

 

 

 

 

 

 

 

В03

 

 

9,8

 

 

 

 

 

 

 

 

 

 

 

 

 

 

 

 

 

 

 

 

 

 

В04

 

 

12,8

 

 

3800

 

 

 

 

 

 

 

 

 

 

 

 

 

 

 

 

В05

 

 

15,9

 

 

 

 

32

 

 

 

 

 

 

 

 

 

 

 

 

В06

19,8

 

 

 

 

 

 

 

 

 

29

 

 

 

 

 

 

 

 

 

В07

22,5

 

600

 

 

 

 

 

 

 

 

 

 

24

 

21

 

 

 

 

 

В08

24,9

 

 

 

 

1800

 

 

 

 

 

 

 

 

 

17,5

 

 

 

В09

 

 

28

 

 

 

 

 

 

 

 

 

 

 

 

 

 

 

 

 

14

 

 

 

 

 

 

 

 

 

 

 

 

 

 

 

 

 

 

 

 

 

 

 

В10

 

 

31,8

 

 

 

 

 

 

 

 

 

 

 

 

 

 

 

 

 

 

 

 

 

 

 

 

 

 

 

 

 

 

 

 

 

 

 

 

 

 

 

 

 

 

В11

 

 

35

 

 

 

 

3000

 

 

30

 

 

27,5

 

 

 

 

 

 

 

86

Продолжение табл. 2.41

1

2

 

3

 

4

5

 

6

 

 

7

 

 

8

 

9

10

11

12

 

 

В12

 

 

41

 

 

 

 

 

 

 

 

 

 

 

 

 

 

 

 

 

 

 

В14

 

 

45

 

 

 

 

 

 

 

 

 

 

 

 

 

 

 

 

 

 

 

В15

 

50

 

 

 

 

 

 

 

 

28

 

 

24

 

 

 

 

 

Т6С

003

 

10,8

 

 

 

 

 

 

 

 

 

 

 

 

 

 

 

 

 

005

 

17,2

 

 

 

 

 

 

 

 

 

 

 

 

 

 

 

 

 

 

006

 

 

21,3

 

 

 

 

 

 

 

 

 

 

 

 

21

 

 

 

 

 

008

 

 

26,4

 

 

 

 

1800

 

27,5

 

 

24

 

 

 

 

 

010

 

34,1

 

600

2800

 

 

 

 

 

 

17,5

17,5

14

 

012

 

37,1

 

 

 

 

 

 

 

 

 

 

 

 

014

 

46

 

 

 

 

 

 

 

 

 

 

 

 

 

 

 

 

 

 

 

017

 

 

58,3

 

 

 

 

 

 

 

 

 

 

 

 

 

 

 

 

 

 

020

 

 

63,8

 

 

 

 

 

 

 

 

 

И

 

 

 

 

 

 

022

 

70,3

 

 

 

 

 

 

 

 

 

 

 

 

 

 

 

 

 

025

 

79,3

 

 

2500

 

 

 

 

 

 

 

 

 

 

 

 

 

 

028

 

88,8

 

 

 

 

 

 

21

 

 

16

 

 

16

 

 

 

031

 

100

 

 

 

 

 

 

 

 

 

 

 

 

 

 

 

 

Т7D

 

В14

 

 

44

 

 

 

 

 

А

 

 

 

 

 

 

 

 

 

 

 

 

В17

 

55

 

 

 

 

 

 

 

 

 

 

 

 

 

 

 

 

 

 

 

В20

 

66

 

 

 

3000

 

 

 

 

30

 

 

25

 

 

 

 

 

 

 

В22

 

 

70,3

 

 

 

 

 

 

 

 

 

 

 

 

 

 

 

В24

 

 

81,1

 

600

 

 

 

 

Д

 

 

 

24

21

17,5

14

 

 

В28

 

90

 

 

 

 

 

 

 

 

 

 

 

 

 

 

В31

 

99,2

 

и

 

1800

 

 

 

 

 

 

 

 

 

 

 

 

 

В35

 

 

113,4

 

 

2800

 

 

 

 

28

 

 

 

 

 

 

 

 

 

 

В38

 

 

120,6

 

 

 

 

 

 

 

 

 

 

 

 

 

 

 

 

 

 

 

 

 

 

С

 

 

 

 

 

 

 

 

 

 

 

 

 

 

 

 

В42

 

137,5

 

 

б2500

 

 

26

 

 

23

 

 

 

 

 

 

 

045

 

 

145,7

 

 

2200

 

 

 

 

24

 

 

21

 

21

17,5

 

 

 

 

050

 

 

158

 

 

 

 

 

 

 

 

21

 

 

16

 

 

16

 

 

 

 

 

 

 

 

 

 

 

 

 

 

 

 

 

 

 

 

Т7Е

 

042

 

 

132,3

 

 

 

 

 

 

 

 

 

 

 

 

 

 

 

 

 

045

 

142,4

 

 

 

 

 

 

 

 

 

 

 

 

 

 

 

 

 

 

050

 

 

158,5

 

 

 

 

 

 

 

 

 

 

 

 

 

 

 

 

 

 

052

 

 

164,8

 

600

2200

 

 

 

 

 

 

 

 

 

 

 

 

 

 

054

 

171

 

 

1800

 

 

24

 

 

21

 

21

17,5

17,5

14

 

 

057

 

 

183,3

 

 

 

 

 

 

 

 

 

 

062

 

 

196,7

 

 

 

 

 

 

 

 

 

 

 

 

 

 

 

 

 

 

 

 

 

 

 

 

 

 

 

 

 

 

 

 

 

 

 

 

 

 

066

 

 

213,3

 

 

 

 

 

 

 

 

 

 

 

 

 

 

 

 

 

072

 

227,1

 

 

 

 

 

 

 

 

 

 

 

 

 

 

 

 

 

 

085

 

 

268,7

 

 

2000

 

 

 

 

9

 

 

7,5

 

7,5

7,5

7,5

7,5

Т67С

 

 

 

 

 

 

 

 

 

 

 

 

 

 

 

 

 

 

 

 

 

 

 

В02

 

 

5,8

 

 

 

 

 

 

 

 

 

 

 

 

 

 

 

 

 

 

 

В03

 

9,8

 

 

 

 

 

 

 

 

 

 

 

 

 

 

 

 

 

 

 

В04

 

12,8

 

 

 

 

 

 

 

 

 

 

 

 

 

 

 

 

 

 

В05

 

 

15,9

 

600

2200

1800

 

 

30

 

27,5

 

24

21

17,5

14

 

 

В06

 

 

19,8

 

 

 

 

 

87

 

 

 

 

 

 

 

 

 

Окончание табл. 2.41

1

2

3

4

5

6

7

8

9

10

11

12

 

В07

22,5

 

 

 

 

 

 

 

 

 

 

В08

24,9

 

 

 

 

 

 

 

 

 

 

В09

28

 

 

 

 

 

 

 

 

 

 

В14

45

 

 

 

 

 

 

 

 

 

 

В15

50

 

 

 

28

24

 

 

 

 

Т67DС 003

10.8

 

 

 

27,5

24

 

 

 

 

T67CB

 

 

 

 

 

 

 

 

 

 

 

T67EC

 

 

 

 

 

 

 

 

 

 

 

Т7ЕЕ

 

 

 

 

 

 

 

 

 

 

 

 

 

 

600

2200

1800

 

 

21

17,5

17,5

14

 

 

 

 

 

 

 

 

 

Примечание. Рабочие жидкости HF-0, HF-2 – с противоизносными присадками на нефтяной основе, HF-1 – без противоизносных присадок на нефтяной основе, HF-3 – водные эмульсии в масле, HF-4 – водные растворы гликолей, HF-5 – синтетические жидкости /35/.

Преимущества применения данного типа насоса:

-способность поддерживать высокое давлениеИ(до 32 МПа) при

небольших размерах;

 

 

 

-высокий объемный КПД (0,98);

-снижение тепловыделения;

Д

 

-снижение частоты вращения до 600 об/мин при полном давлении;

 

 

А

-высокий механ ческ й КПД (0,94);

-снижение потреблен я энергии;

 

б

 

-широкий диапазон частот вращения (от 600 до 3600 об/мин);

-низкая частота вращения, низкое давление, высокая вязкость

и

 

 

860 сСт позволяют применять эти насосы в холодных условиях при

минимальном энергопотреблении и без риска заклинивания;

-низкие пульсацииС

давлений (+/-0,2 МПа);

-высокая устойчивость к загрязнению частицами;

-оптимизированная конструкция, устраняющая шум /35/.

Фильтрация жидкости для данного типа насосов должна соответ-

ствовать стандарту NAS 1638 класс 8 или лучше /35/, ISO 19/17/14

или лучше /35/.

При необходимости рекомендуется использовать фильтр на

149 мкм /35/.

Рекомендуемые гидравлические жидкости должны содержать противоизносные присадки для защиты от ржавчины и окисления. Они соответствуют типам HF-0, HF-2. Использование других

88

жидкоcтей приведет к снижению максимальных значений показателей работы насоса (частоты вращения и номинального давления) /35/.

2.2.4. Насосы подпитки

В закрытых гидростатических передачах мобильных машин с главным насосом обычно используется насос подпитки, который подает жидкости подпитки для восполнения объемных потерь насоса и гидромотора.

Этот насос также поддерживает достаточное давление всасывания насоса для предотвращения кавитации.

Блоки подпитки упрощают создание закрытых или полузакрытых гидростатических передач. Блоки подпитки заменяют насос подпитки

во многих применениях /35/.

 

 

И

На рис. 2.57 изображен внешний вид насосов для подпитки рабо-

чей жидкости.

 

 

Д

 

 

 

 

 

А

 

 

б

 

 

 

и

 

 

 

 

СРис. 2.57. Насосы для подпитки /35 /

Модуль подпитки обеспечивает фильтрацию и дополнительный объем рабочей жидкости для компенсации объемных потерь в насосе и моторе, одновременно поддерживая достаточное давление на впуске насоса для предотвращения кавитации /35/. Полузакрытая система может быть оснащена баком меньшего размера и массы при одновременном повышении частоты вращения насоса /35/.

Подкачивающие модули поставляются двух рабочих объемов: -для расхода 25–160 л/мин; -для расхода 150–400 л/мин /35/.

89

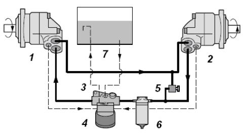
На рис. 2.58 изображена схема включения насоса подпитки в замкнутый контур.

 

 

 

И

 

 

 

Д

 

Рис. 2.58. Система подпитки /35/:

 

1 – насос; 2 – гидромотор; 3, 4 – блок подпитки;

 

5 – предохранительный клапан; 6 – фильтр; 7 – бак

 

Контрольные вопросы и задания

1.

 

б

 

В чем заключается принцип действия объемных насосов?

 

и

 

2.

Назовите основные параметрыАнасоса.

3.

Что понимается под ра очим о ъемом насоса qн ?

4.

Что понимается под ном нальным давлением гидромашины?

5.

По каким параметрам выбирается насос объемного гидроприво-

да?

С

 

 

6.Как рассчитать подачу насоса, зная рабочий объем и частоту вращения вала насоса?

7.Какие параметры необходимы для расчета подачи насоса?

8.Как расположены оси поршней относительно оси вращения ротора в аксиально-поршневом насосе?

9.От каких параметров зависит подача аксиально-поршневого на-

соса?

10.Каким образом может осуществляться регулирование рабочего объема в аксиально-поршневом насосе с наклонным блоком?

11.Действительная подача насоса больше или меньше теоретиче-

ской?

90