Материал: 2451

Внимание! Если размещение файла нарушает Ваши авторские права, то обязательно сообщите нам

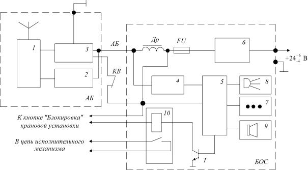
СиР с. 6.2. Схема функциональная устройства «Барьер-1М»

При достбжен частотным сигналом порогового значения предупредительной сигнализации первого диапазона микроконтроллер 5 включает прерывистый звуковой 9 и световой 8 сигналы (светодиод

При достиженииАчастотным сигналом порогового значения отключения на первом диапазоне микроконтроллер 5 через транзистор Т размыкает цепь питания обмотки исполнительного реле 10 (реле своими контактами обесточивает цепь питания исполнительных механизмов крана) и включает непрерывный звуковой 9 и световой 8 сигналы (на передней панели БОС гаснет светодиод «РАБОТА»,

«РАБОТА» мигает с частотой звукового сигнала).

загорается светодиод «СТОП»).

Д

 

После останова крана устройство дважды включается на разре-

 

И

шение работы для вывода стрелы из опасной зоны. Если во время первого включения при выполнении движений величина наведенного напряжения возрастает, устройство запрещает работу крана и через несколько секунд вновь включается на разрешение работы. Если во время второго включения при выполнении движений величина наведенного напряжения возрастает, устройство блокирует работу крана. В этом случае работа крана возможна при нажатой кнопке «БЛОКИРОВКА» на передней панели БОС.

Размыкание цепи питания обмотки реле 10 происходит также при обрыве линий связи между АБ и БОС (или при размыкании концевого

176

выключателя ограничителя высоты подъёма крюка, включенного в цепь КВ). Блокировка концевого выключателя осуществляется кнопкой блокировки крановой установки (на рис. 6.2 не показана), через которую от блока питания 6 подается напряжение на обмотку реле 10. Защита блока питания 6 от частотного сигнала осуществляется дросселем Др. Для защиты цепи питания от перегрузки при коротком замыкании служит самовосстанавливающийся предохранитель Пр.

 

В тех случаях, когда наведенный потенциал создается ЛЭП на-

пряжен ем более 1 кВ

величина наведенного напряжения вызывает

срабатыван е устройства (запрещение работы), возможно переключе-

ние

на

й диапазон (6 – 10 кВ). Переключение на вто-

рой (6 – 10 кВ)

 

диапазоны происходит только в слу-

БОС

 

 

последующие

 

чае запрещен я ра оты на предыдущем диапазоне при нажатии кноп-

меньше, чем гран чное значение предварительной сигнализации на

ки «ДИАПАЗОН» на передней панели БОС. Когдаудобствавключен не первый диапазон и наведенный потенциал

включенном апазоне, происходит автоматический переход на более

низкий д апазон, что предотвращает преднамеренное занижение чув-

 

А

ствительности при ора.

Для

ра оты при выполнении краном нескольких одно-

родных циклов в лизи ЛЭП и исключения лишних остановов, вызванных автоматическим переходом на более низкий диапазон, в устройстве имеется возможность блокировки такого режима. Для этого при переходе на более высокийДдиапазон необходимо кнопку «ДИАПАЗОН» удерживать в нажатом состоянии не менее 2 с.

Для выключения звуковой сигнализации, если она мешает работе, следует нажать кнопку «БЛОКИРОВКА». Световая сигнализация работает в обычном режиме.

При работе на диапазоне (0,22 1,0 кВИ) следует учитывать малую величину сигнала, наводимую на антенну от ЛЭП, вследствие чего при удалении головки стрелы от проводов, например при установке стрелы максимальной длины, защитные свойства устройства резко уменьшаются. В связи с этим при работе вблизи линий напряжением до 1 кВ следует обратить особое внимание на определение границ опасной зоны, которые должны быть установлены с учетом габаритных размеров груза, длины подвеса, возможной раскачки и других факторов.

При наличии в зоне работы других ЛЭП высокого напряжения, защитные свойства устройства по обнаружению ЛЭП напряжением до 1 кВ могут быть блокированы наведенным сигналом более мощной

177

ЛЭП. В этом случае, при появлении запрещающего сигнала на диапазоне (0,22 1,0 кВ) перед переходом на следующий диапазон, необходимо визуально убедиться в отсутствии в предполагаемой зоне работы ЛЭП напряжением до 1 кВ и только после этого переключаться на следующий диапазон.

СПри наличии в районе работ (расстояние несколько сотен метров) высоковольтных ЛЭП напряжением 110 – 500 кВ предварительная сигнал зац я с гнал запрещения работы на диапазоне (0,22 1,0 кВ) могут включаться при подъёме головки стрелы на высоту более 10 – 15 м даже при отсутствии ЛЭП напряжением 0,22 кВ. В этом циюслучае, для устранен я помех в работе, предварительную сигнализа-

можно выключ ть нажатием кнопки «Блокировка», а запрещающий с гнал – переходом на диапазон 6 – 10 кВ путем нажатия кнопки «Диапазон».

6.2.бПр бор защиты крана от опасного приближения

к ЛЭП «Барьер-2000К»

Прибор защитыАкрана «Барьер 2000К(м)» (рис. 6.3), выпускаемый в настоящее время З О «Инженерно-технический центр «КРОС», г. Ивантеевка, является дальнейшим развитием и сменой устройства «Барьер-1М». Как и «Барьер-1М» он служит для предупреждения крановщика и автоматического отключения приводов механизмов крана при приближенииДоголовка стрелы на опасное расстояние к проводам воздушных ЛЭП переменного тока частотой 50 Гц и напряжением от 0,22 кВ до 750 кВ [58].

И

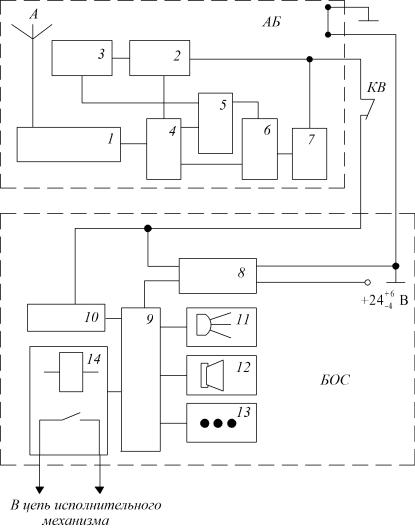
Рис. 6.3. Внешний вид устройства «Барьер-2000К»

178

Конструктивное исполнение, функции и основные характеристики приборов «Барьер-2000К» и «Барьер-1М» идентичны. Прибор «Барьер2000К» обладает повышенной помехозащищенностью, осуществляет контроль исправности всех элементов и линий связи, имеет световую и звуковую сигнализации, выполняет отключение приводов механизмов крана при попадании оголовка стрелы в опасную зону ЛЭП[58].

Однако в отличие от устройства «Барьер-1М», «Барьер-2000К» работает не с частотным сигналом, а с цифровым кодом благодаря налич ю аналого-ц фрового преобразователя АЦП.

На передней панели БОС «Барьер-2000К» расположены [32]:

циональной схемой (р с. 6.4) [6, 32].

 

зеленый

нд катор «РАБОТА»;

 

Скрасный нд катор «СТОП»;

 

светод оды д апазонов напряжения ЛЭП;

кнопк «ДИАПАЗАН» и «БЛОКИРОВКА».

 

б

 

Пр нц п ра оты устройства «Барьер-2000К» во многом анало-

гичен пр нц пу ра оты устройства «Барьер-1М» и поясняется функ-

П тан е АБ

БОС осуществляется через блоки питания 2 и 8

соответственно от

ортовой сети грузоподъёмной машины [6, 32].

 

 

А

Сигнал, наведенный в антенне ,

поступает через фильтр 1 и

коммутатор 4 в АЦП 5. Для корректной работы АЦП в АБ имеется

схема

установки

опорного напряжения

ЦП 3. Выходной сигнал

АЦП передается в микропроцессор 6, где преобразуется в код. Кодовый сигнал с выхода микропроцессора 6 через блок последовательного интерфейса 7 передается в БОС на фильтр кодового сигнала 10. В фильтре 10 происходит отделение импульсов кода от постоянной составляющей. При приближении антенны к проводам ЛЭП уровень наведенного напряжения возрастает. Соответственно изменяется и зна-

чение кодового сигнала. Д В микропроцессоре 9 происходит обработка информации, по-

ступающей с фильтра 10 и кнопок управления 13. Если кодовый сиг-

И

нал, поступающий на вход БОС, меньше порогового значения предупредительной сигнализации первого диапазона (0,22 – 1,0 кВ), то микропроцессор 9 удерживает под током обмотку исполнительного реле 14, которое своими контактами замыкает цепь питания исполнительных механизмов крана, на передней панели БОС высвечивается светодиод «РАБОТА».

При достижении кодовым сигналом порогового значения предупредительной сигнализации первого диапазона (см. табл. 6.1.) микропроцессор 9 включает прерывистый световой 11 и звуковой 12 сигналы (светодиод «РАБОТА» мигает).

179

Си б А Рис. 6.4. Схема функциональнаяДприбора «Барьер-2000К»

При достижении наведенным напряжением порогового значения первого диапазона микропроцессор 9 обесточивает обмотку исполнительного реле 14 (при этом размыкаются контактыИреле, запрещая выполнение всех крановых операций) и включает непрерывную световую 11 и звуковую 12 сигнализации.

После останова крана устройство дважды включается на разрешение работы для вывода стрелы из опасной зоны. Если во время первого включения при выполнении движений величина наведенного напряжения возрастает, устройство отключает работу крана. Через несколько секунд устройство вновь включается на разрешение работы. Если во время второго включения при выполнении движений величина наведенного напряжения возрастает, устройство блокирует работу крана. В этом случае работа крана возможна при нажатой кнопке «БЛОКИРОВКА» 13 на передней панели БОС.

180