Материал: 2058

Внимание! Если размещение файла нарушает Ваши авторские права, то обязательно сообщите нам

Построение вида сверху

15.Создать вспомогательные линии:

горизонтальную, ниже созданного вида на 70… 80 мм;

параллельно созданной и отстоящую на расстоянии 2 мм;

вертикальные, определяющие габариты детали по оси Х;

параллельно вертикальным линиям, определяющим габарит, создать линии, определяющие размеры 45 и 20 мм;

через точку, определяющую размер 45 мм, провести вспомогательную под углом 5 и параллельно ей на расстоянии 2 мм;

создать на основе вспомогательных построений нужный контур

(рис. 51).

Рис. 51

16. Простановка линейных размеров. Сделать активным слой

«Размеры». Рисовать Размеры Линейные (). Указателем по-

метить линию, для которой проставляется размер, после щелчка ЛКМ переместить курсор в место, где должно находиться размерное число и сделать повторный щелчок ЛКМ. В появившемся окне «Размеры» при необходимости установить параметры размера.

Примечание. Для размещения размерного числа вне размерных линий, перед вторым щелчком ЛКМ щелкнуть клавишу «Tab» и указать нужное место.

17.Для простановки размера 70 в качестве линии следует указать осевую линию, т. к. ее длина равна 70.

18.Для создания размера 4мм (на виде спереди − слева) следует

воспользоваться командой «Угловые размеры». В качестве точек, определяющих размер, выбрать левый конец осевой линии и центральную точку паза под гайку.

19. Создание размера 7 (паз под гайку). Используется команда

«Угловые размеры». Указателем отметить две крайние точки паза, переместить указатель в положение, где должна находиться размер-

46

ная линия, сделать щелчок клавишей «Tab», переместить указатель для продления размерной лини, сделать еще один щелчок клавишей «Tab», переместить указатель (при нажатой клавише Shift)для создания полки. Сделать щелчок ЛКМ. В окне «Размеры» при необходимости установить нужные параметры размера.

20. Простановка размера 7 (размер шестигранника). Модифика-

ция Разрыв объекта в точке (). Пометить указателем шестигранник (он изменит цвет на голубой), сделать щелчок в точке 1 (рис. 52). Повторно пометить объект и сделать щелчок в точке 2. Выбрать

команду «Угловые размеры», указателем пометить поочередно точки 1 и 2. Далее следовать инструкциям п. 19.

Рис. 52

21. Создать остальные размеры.

Примечание. Вспомогательные линии не могут использоваться для построения, поэтому следует дополнительно создать линии в слое «Размеры» (например, при простановке углового размера 30 были дополнительно построены линии, образующие проставляемый угол).

47

Пример 6. Фрагмент сборочного узла.

Рис. 53

Перед выполнением данного примера следует обратить внимание на то, что чертеж симметричен относительно вертикальной оси и в нем присутствует стандартный элемент (пружина). Поэтому основными операциями построения будут являться «Вставка блока» и «Зеркальное отображение».

1.Создать файл.

2.Настроить рабочую среду программы. Инструменты Свойства. После появления диалогового окна в ячейке «Объектная привязка» нужно указать строчки «Сетка контрольных точек» и «Пересечение», затем «OK».

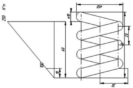
3.Из базы данных стандартных элементов вставить в создан-

ный файл пружину. Рисовать Блок Вставить из базы данных

(). В окне «Параметризованная модель» выбрать: Стандарты ГОСТ Пружины Винтовые цилиндрические, затем в правой нижней части этого же диалогового окна указать «Вид слева (пружина 3 витка)» (рис. 54). После нажатия «OK» появится окно «Переменные», где необходимо изменить некоторые числовые значения: d = 10, D = 50, t = 20, Lk = 30, Lo = 50. Ввод числа производится в последую-

48

щем окне, появившемся при двойном нажатии ЛКМ на строку, в которой требуются изменения (рис. 55). Для подтверждения выбранных переменных необходимо снова нажать «OK».

Рис. 54

Рис. 55

49

Затем появится модель пружины, изображённая штрихпунктирной линией, которая может располагаться в любом месте созданного файла. Для подтверждения выбранного места на чертеже надо нажать ЛКМ. Задание масштаба и угла поворота относительно выбранной точки непосредственно указать в окнах «Масштабный коэффициент» и «Угол поворота», которые появятся после нажатия клавиши «Пробел», где ввести масштаб, равный единице, и угол, равный 90 . Результат построения представлен на рис. 57.

Рис. 56

4.Разбить болт на отдельные элементы. Модификация Расчле-

нение блока (). Курсором мыши указать любой элемент пружины, нажав ЛКМ.

Примечание. Если блок расчленится, то созданная пружина должна «мелькнуть», также правильность результата можно проверить с помощью контрольных точек, которые задаются в ячейке «Точки» диалогового окна «Свойства». Контрольные точки должны появиться после любого увеличения, уменьшения или перемещения расчленённого элемента, для чего можно использовать колёсико мыши, инструменты панели «Вид» или Линейку.

5.Удалить размерные и сплошные линии. Модификация Уда-

ление (). ЛКМ выбрать ненужные элементы чертежа (рис. 61).

50