Материал: 1740

Внимание! Если размещение файла нарушает Ваши авторские права, то обязательно сообщите нам

56

Число сдвинутых во времени импульсных поднесущих равно числу каналов передачи в системе. Сообщения от источников модулируют в канальных модуляторах (КМ) один из параметров импульсной поднесущей (первая ступень модуляции); полученные при этом модулированные последовательности импульсов отдельных каналов Si(t) линейно суммируются, образуя групповой сигнал

N

Sгр (t) Si (t) .

i 1

Групповой сигнал модулирует несущую передатчика (вторая ступень модуляции) в групповом модуляторе (ГМ), и образованный при этом высокочастотный сигнал подается в линию связи (ЛС).

Передатчик, линия связи и приемник образуют общий (групповой) канал связи (П – передатчик, ЛС – линия связи, Пр

– приемник). В приемнике после демодуляции несущей в групповом демодуляторе (ГД) линейный сигнал поступает в устройство разделения каналов. Временное разделение осуществляется коммутатором (демультиплексором) приемника (К2), построенным аналогично коммутатору передатчика (К1).

Для обеспечения процесса временного разделения каналов необходима точная синхронизация во времени работы К1 и К2. Это достигается посылкой специальных сигналов синхронизации, формируемых генератором синхроимпульсов (ГСИ). Синхронизирующие сигналы суммируются с канальными, передаются к приемному устройству по линии связи, выделяются селектором синхроимпульсов (ССИ) и управляют распределителем каналов РК2. При этом на N выходах распределителя РК2 последовательно появляются импульсы, соответствующие по времени номеру канала и открывающие селектор канальных импульсов СКИi на время подключения этого канала. В результате на выходе СКИi появляется сигнал только i-го канала Si(t), и после демодуляции в канальном демодуляторе (КД) сообщение Xi(t) направляется к получателю. Очевидно, искажение импульсов синхронизации вызовет неправильную работу всей системы в целом. Поэтому особое внимание уделяется созданию надежного в работе и обладающего высокой помехоустойчиво-

57

Рис. 3.3 – Временные диаграммы работы многоканальной СПИ с ВРК

стью канала синхронизации.

3. Описание лабораторной установки

3.1. Передающая часть

Лабораторный макет представляет передающую и приемную части системы, позволяющей осуществить одновременную передачу независимых сообщении восьми каналов по низкочастотному тракту. Радиотракт в установке отсутствует.

Передающая часть предназначена для преобразования входных напряжений от источников сообщений в групповой

58

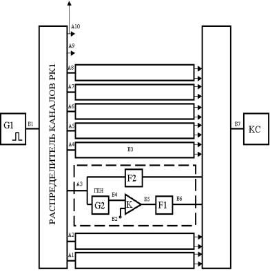
импульсный сигнал и передачи его на приемную часть системы. Функциональная схема низкочастотной части системы (шифратора) приведена на рис. 3.1.

Шифратор выполняет следующие функции:

1)формирование и модуляцию канальных информационных импульсов;

2)формирование импульсов кадровой синхронизации;

3)формирование импульсов канальной синхронизации;

4)суммирование (временное уплотнение) информационных и синхронизирующих импульсов.

При этом на выходе формируется групповой сигнал шифратора.

Рис. 3.4 - Функциональная схема передающей части (шифратора) МСПИ

59

Генератор тактовых импульсов Г1 вырабатывает тактовую частоту, определяющую режим работы всей системы передачи информации. Напряжение от генератора Г1 служит для формирования всех сигналов шифратора.

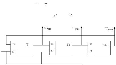
Коммутация каналов осуществляется управляемым распределителем, выполненным на регистре сдвига. Регистр сдвига представляет цепочку последовательно соединенных D-триг- геров (рис. 3.5).

Прямой выход предыдущего триггера соединяется с J- входом последующего, тактовые (С) входы соединены параллельно, образуя единый вход. Распределитель выполнен по кольцевой схеме: прямой выход последнего триггера соединяется с информационным входом первого. Исходное состояние: триггер Т1 схемой автоматической установки установлен в состояние «1»; остальные триггеры в нулевом состоянии. На общий «С» вход поступают тактовые импульсы от генератора Г1: они служат продвигающими импульсами. Частота тактовых им-

пульсов равна FT (N 2)FОПР , где FОПР – частота следования циклов (выбирается в соответствии с теоремой отсчетов с некоторым запасом) FОПР FB , 2 ; FB – верхняя граничная частота спектра передаваемого сообщения.

Рис. 3.5 – Распределитель импульсов на основе регистра сдвига

Продвигающий импульс вернет Т1 в состояние «0» (другие триггеры на продвигающие импульсы реагировать не будут, т.к. они все находятся в состоянии «0»). В момент возвращения триггера Т1 в состояние «0» на его прямом выходе формируется

60

перепад напряжения, который опрокинет триггер Т2. Следующий тактовый продвигающий импульс вернет триггер Т2 в исходное состояние, триггер Т3 перейдет в состояние «1» и т.д.

На выходах триггеров в процессе их последовательного срабатывания образуются импульсы, которые и используются как управляющие (коммутирующие) – см. контрольные гнезда А1-А8 (рис. 3.4). За счет отсутствия сигналов на выходах А9А10 образуется сигнал кадровой синхронизации (пауза), длительность которой равна двум канальным интервалам.

Новый цикл (кадр) начнется с момента поступления импульса с выхода последнего триггера на вход первого.

Для формирования модулированного сигнала используют сравнение напряжения датчика с пилообразным напряжением. Генератор пилообразного напряжения (ГПН) запускается коммутирующим импульсом соответствующего канала с выхода распределителя. Сравнивающее устройство (компаратор) К выдает на выходе импульс, длительность которого определяется соотношением мгновенных значений напряжений пилообразно-

го и модулирующего

сигналов. При U ПИЛ U XKi на выходе

формируется «0», при

U ПИЛ U XKi – на выходе «1». Таким об-

разом, сигнал на выходе компаратора оказывается модулированным по закону односторонней широтно-импульсной модуляции (ОШИМ). После дифференцирования и нормирования по амплитуде и длительности в формирующем устройстве (F1) образуются импульсы, сдвиг которых относительно немодулированного значения (тактовой точки) определяется только амплитудой сообщения и не зависит от частоты – такой вид модуляции называется фазо-импульсной (ФИМ) или время-импульсной (ВИМ). Для обеспечения линейности фазового сдвига модулированных импульсов необходима линейность и стабильность амплитуды пилообразного напряжения. Это обеспечивается выбором в качестве ГПН схемы с зарядом интегрирующего конденсатора от источника тока на полевом транзисторе и применением на его выходе развязывающего каскада с высоким входным сопротивлением (истоковый повторитель на МОП-тран- зисторе).

Возможны два способа передачи с ВИМ в первой ступени.