|
|
|
|
46 |
T |
, где |
max |
min |
– шаг квантования; M – число |
|
M |
|||
|
|
|
|
|
уровней квантования; |
m ax m i n –пределы изменения длитель- |
|||
ности импульса ОШИМ. Они заполняют временной интервал X , преобразуя его в однозначный числовой код; триггерный
счетчик преобразует однозначный код в n-значный двоичный.
5.2. Описание лабораторной установки
Лабораторный макет представляет кодирующее устройство, на выходе которого формируется пятиразрядный (n=5) двоичный код в последовательной и параллельной форме.
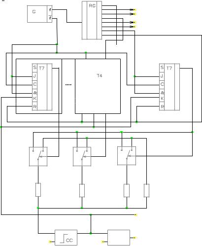
Функциональная схема преобразователя временного интервала в код приведена на рис. 2.9; временные диаграммы работы на рис. 2.10.
Генератор тактовых импульсов G1 определяет цикл работы преобразователя. Источником (имитатором) кодируемого сигнала служит генератор импульсов G2 (ждущий мультивибратор). Длительность импульсов на выходе G2 изменяется переменным резистором. Измеряемый временной интервал квантуется, то есть заполняется импульсами от генератора G1. Таким образом, число импульсов N на выходе схемы И1 оказывается пропорциональным длительности кодируемого временного интервала
X . Эти импульсы воздействуют на двоичный счетчик СТ так,
что каждая ячейка окажется в определенном состоянии, соответствующем числу импульсов на входе, и в триггерном счетчике окажется записанным число N в двоичном коде. По окончанию записи код может быть считан на выход в последовательной и параллельной форме.
Параллельный код снимается при одновременном чтении всех разрядов счетчика: результат преобразования представлен в виде некоторой комбинации напряжений, действующих одновременно в нескольких электрических цепях. Импульс с выхода схемы НЕ подается одновременно на все схемы И2 – И6 .
|
|
|
|
|
|
|
|
|
|
|
47 |
|
|
|
|
|
|
|
|
|
|
|
|
|
|
|
|
|
|
|
6 |
Б1 |
|
Б2 |
|||
|
|
|
|
|
|
|
|
|
|
|
|
|
|
|
||||
|
|
|
|
|
|
|
|
|
|
|
|
|
|
|
|
|||
|
|
|
|
|
1 |
|
|
|
|
|
|
9 |
|
|
|
|
|
|
|
|
|
|
|
|
|
|
|
|
|
|
4 |
|
|
|
|
|
Б3 |
|
|
|
|
|
2 |
|
|
|
|
|
|
5 |
|
|
|
|
|
|
|
|
|
|
|
|
|
|
|
|
|
|
7 |
|
|
|
|
|
|
|
|
|
|
|
|
|
|
1 |
|
|
|
|
|
|
|
|
|
|
|
|
|
|
|
|
|
|
|
|
|
|
3 |
|
|
|
|
|
|
|
|
|
|
|
|
|
|
|
|
|
|
2 |
|
|
|
|
|
|
|
|
|
|
|
|
|
|
|
|
|
|
8 |
|
|
|
|
|
|
|
|
|
|
|
|
|
|
|
|
|
|
|
|
|
|
|
|
Б4 |
|
|
|
|
|
|
|
|
|
5 |
|
|
1 |
|
|
|
|
|
|
|
|
|
|
|
|
|
|
|
1 |
|
1 |
|
|
|
|
|
|
|
|
|
|
|
|
1 |
|
|
|
|
|
|
|
|
|
|
|
|
1 |
6 |
|
|
|
|
|
|
|
|
|
|
|
|
|
|
|
|
|
6 |
5 |
|
|
|
|
|
|
|
|
|
|
|
|
|
|
|
|
|
5 |
4 |
|
|
|
|
|
|
|
|
|
|
|
|
|
|
|
|
|
4 |
3 |
|
|
|
|
|
|
|
|
|
|
|
|
|
|
|
|
|
3 |
2 |
|
|
|
|
|
|
|
|
|
|
|
|
|
|
|
|
|
2 |
|
|
|
|
|
|
|
|
1 |
|
|
1 |
1 |
|
|
|
|
|
|
|
|
|
|
|
|
|
|
4 |
|
|
2 |
3 |
|
|
|
|
|
|
|
|
|
|
|
|
|
|
|
|
|
|
|
1 |
|
|
2 |
|
|
1 |
|
2 |
|
|
1 |
|
2 |
|
|
|
|
|
|
|
|
|||
|
1 |
0 |
|
|
|
|
|
1 |
0 |
|
|
|
1 |
1 |
0 |
2 |
|
|
1 |
2 |
|
|
|
1 |
2 |
|
|
|
|
|
|||||||
|
|
|
|
|
|
|
|
|
|
|
|
|||||||
|
|
КЛ7 |
|
|
|
КЛ4 |
|
|
|
|
|
|
КЛ1 |
|||||
|
|
|
|
|
|
|
|
|
|
|
|
|
|
|
||||
|
|
|
4 |
4 |
|
|
|
|
|
4 |
4 |
|
|
|
|
|
4 |
4 |
|
|
|
|
|
|
|
|
|
|
|
|
|
|
|
||||
|
|
|
|
|
A1 |
|
|
|
|
|
A4 |
|
|
|
|
|
|
A7 |
|
|
|
|
|
|
|
|
|
|
|
|
|
|
|
3 |
|
|
|
|
|
3 |
|
|
|
|
|
3 |
|
|
|
|
|
|
|
|
|
|
|
|
|
|
|
|
|
|
|
|
|
|
|
|
|
3 |
|
|
|
|
|
3 |
|
|
|
|
|
3 |
|
|
|
|
|
|
|
|
|
|
|
|
|
2n-1*R |
|
|
|
|
|
|
|
|
|
|
|
|
|
||
|
|
|
|
|
|
|
|
|
|
|
|
|
|
|
|
|
|
Б7 |
|
|
|
|
|
2 |
3 |
|
3 |
|
|
|
|
2 |
|
|
|
|
|
|
|
|
|
2 |
|
|
|
|
|
2 |
|
|
|
|
|
|||
|
|
|
|
|
|
|
|
|
|
Б5 |
|
|
|
3 |
|
3 |
Б6 |
|
|
|
|
|
1 |
1 |
|
|
|
|
|
_ |
1 |
1 |
|
|
|
|
|
|
|
|
|
|
|
|
|
|
|
|
fT |
|
|
|
|
|
|
|
Рис.2.9 – Функциональная схема преобразователя временного |
||||||||||||||||||
|
|
|
|
|
|
|
интервала в код |
|
|
|
|
|||||||
48
U(t)
А1
А2 
А3
А4
А5
А6
А7 А8 Б1
Б2
Б3
Б4 Б5 Б6
Б7
t
t
Рис. 2.10 – Временные диаграммы сигналов в преобразователе временного интервала в код
При наличии импульса в определенном разряде кодовой группы (состояние «1» на определенном триггере счетчика) на соответствующем выходе схем И2-И6 появится импульс. Наличие «1» в соответствующем разряде фиксируется индикатором на светодиодах.
49
Для получения последовательного кода (результат преобразования представлен в виде сигнала, действующего в одной цепи и состоящего из некоторой последовательности символов, формируемых поочередно, разряд за разрядом) используется сдвигающий регистр RG. Запись кода в регистр осуществляется в параллельном виде сигналом считывания, подаваемым на схемы И2-И6. В результате сдвига этого кода на выход регистра поступит в последовательном виде двоичное число, соответст-
вующее величине X . Импульсы сдвига, кроме того, устанавли-
вают счетчик СТ в нулевое состояние, подготавливая схему к новому циклу преобразования.
К достоинствам кодирующих устройств последовательного счета можно отнести следующее:
1)простота конструктивного оформления;
2)возможность использования микроэлементной техники;
3)удобство применения в многоканальных СПИ, так как часть элементов могут быть общими для всех каналов;
4)сравнительно высокая точность преобразования
(0,1+0,5%);
5)низкие требования к стабильности источников питания. Существенным недостатком рассматриваемого кодирующе-
го устройства является относительно большое время преобразования.
5.3.Погрешность преобразования временного интервала
вкод
Результирующая погрешность кодирующих устройств счетно-импульсного типа зависит от погрешностей преобразования мгновенных значений во временный интервал и погрешности преобразования временного интервала в код. Погрешность первого вида имеет решающее значение, в то время как погрешность преобразования временного интервала в код может быть сделана пренебрежимо малой.
Так как величина временного интервала Т измеряется числом периодических импульсов М, укладывающихся в измеряе-
мом интервале X , то
50
X |
T N , |
(2.13) |
|
|
где N=1, 2, 3… – целое число;
Т – период повторения счетных импульсов.
Очевидно, что максимальная ошибка m при измерении временного интервала
m |
T , |
(2.14) |
|
|
а среднеквадратическая ошибка определяется выражением:
T
m
, (2.15)
2
3
т.е. уменьшение величины Т дает увеличение точности преобразователя.
5.4. Конструкция лабораторного макета
Конструктивно лабораторный макет выполнен в виде универсальной вертикальной стойки. Оба преобразователя размещены в одном блоке этой стойки вместе с источником питания ±5В, ±10В. На передней панели преобразователя напряжения в код (левая часть блока) размещены: тумблер включения источника питания; ручка переменного резистора, напряжение на выходе которого имитирует входное напряжение преобразователя x(t); прибор, измеряющий напряжение x(t) от 0 до 10 В; контрольные гнезда А1–А7, Б1–Б7, указанные на функциональной схеме рис. 2.9.
На передней панели преобразователя временного интервала в код (правая часть блока) размещены: тумблер включения источника питания; ручка переменного резистора, изменяющего
величину временного интервала X ; индикатор параллельного
кода на светодиодах; контрольные гнезда А1–А7, Б1–Б7, указанные на функциональной схеме рис. 2.9.
На панелях верхних блоков нанесены структурные схемы исследуемых преобразователей.
Для выполнения исследований лабораторный макет укомплектован осциллографом.