Материал: 1337

Внимание! Если размещение файла нарушает Ваши авторские права, то обязательно сообщите нам

Пример.

Исследуем на устойчивость систему с передаточной функцией:

WРАЗ ( p) (0,1 p 1)

 

1

 

 

10

.

(10

p 1)

(1

p 1)

 

 

 

С

 

 

 

 

 

 

 

 

 

 

 

 

 

 

 

 

 

 

 

 

 

 

 

 

 

 

 

 

 

 

 

 

 

 

 

 

 

 

Найдем параметры ЛАХ:

 

 

 

 

 

 

 

 

 

 

 

 

 

 

 

 

 

 

 

 

 

 

 

 

 

 

 

 

 

 

 

Передаточная функция

 

 

 

 

 

 

lg (ωСР)

 

 

 

 

 

 

 

20lg k

 

 

 

 

 

 

W1( p) 0,1 p 1

 

 

 

 

 

 

 

 

 

 

 

1

 

 

 

 

 

 

 

 

 

 

 

 

 

 

 

 

 

 

 

 

 

W 2 ( p)

 

 

 

1

 

 

 

 

 

 

 

 

 

 

 

 

 

 

–1

 

 

 

 

 

 

 

 

 

0

 

 

 

 

 

 

 

 

 

 

 

 

 

 

 

 

 

 

 

 

 

 

 

 

 

 

 

 

 

 

 

 

 

 

 

 

 

 

 

 

 

 

 

 

 

 

и

 

 

 

 

 

 

 

 

 

 

 

 

 

 

 

 

 

 

 

 

 

 

 

 

 

 

 

 

 

 

 

 

 

 

 

 

10

p

1

 

 

 

 

 

 

 

 

 

 

 

 

 

 

 

 

 

 

 

 

 

 

 

 

 

 

 

 

 

 

 

 

 

 

 

W3 ( p)

 

10

 

 

 

 

 

 

 

 

 

 

 

 

 

 

0

 

 

 

 

 

 

 

 

 

 

20

 

 

 

 

 

 

 

 

 

 

 

 

 

 

1 p 1

 

 

 

 

 

 

 

 

 

 

 

 

 

 

 

 

 

 

 

 

 

 

 

 

 

 

 

 

 

 

 

 

 

 

 

б

 

 

 

 

 

 

 

 

 

 

 

 

 

 

 

 

 

 

Постро м ЛАХ

 

 

 

 

ЛФХ отдельных звеньев и результирующие

ЛАХ ЛФХ (р с. 15).

 

 

 

 

 

 

 

 

 

 

 

 

 

 

 

 

 

 

 

 

 

 

 

 

 

 

 

 

 

 

 

 

 

 

 

 

 

 

 

 

 

 

 

 

Аk

 

 

 

 

 

 

 

 

 

10. ПОСТРОЕНИЕ ГРАФИКА ПЕРЕХОДНОГО ПРОЦЕССА

Для построения графика переходного процесса необходимо

составить дифференциальное уравнение замкнутой системы.

 

 

 

 

 

 

 

WРАЗ ( p) WКЗ ( p) WЭУ ( p) WГ ( p) W

( p) WТГ ( p);

 

 

(47)

W

РАЗ

( p)

k0 (T02 p 1)

k

ЭУ

 

 

 

 

 

 

k1

 

 

 

 

 

 

 

 

 

 

 

 

 

 

 

k

ТГ

; (48)

 

 

 

T p 1

T

T

p2

T

 

 

 

 

 

 

 

 

 

T

 

p 1

 

 

 

 

 

 

p 1

 

 

 

 

 

 

 

 

01

 

 

 

 

 

 

 

 

 

 

 

 

 

 

1

 

 

 

 

 

 

 

Я М

 

 

М

 

 

 

 

 

 

 

 

 

 

 

 

WРАЗ ( p)

 

 

 

 

 

 

 

 

 

 

 

kРС (T02 p 1)

 

 

 

 

 

.

 

 

(49)

 

 

 

(T

p 1)(T p

1)(T T p

2

T p

1)

 

 

 

 

 

 

 

 

 

 

 

 

 

 

01

 

 

 

Д1 Я М М

 

 

Передаточную функцию замкнутой системы можно найти из

выражения

 

 

 

 

 

 

 

 

 

 

 

 

 

 

 

 

 

 

 

WРАЗ ( p)

 

 

 

 

 

 

 

 

 

 

 

 

 

 

 

 

 

 

 

 

 

 

 

 

WЗАМ ( p)

 

 

 

 

;

 

 

 

 

 

 

 

 

 

(50)

 

 

 

 

 

 

 

 

 

 

 

 

 

 

 

 

 

 

 

 

 

 

 

 

 

 

 

 

 

 

 

 

 

 

 

 

 

 

 

 

 

 

 

 

 

1 WРАЗ ( pИ)

WЗАМ ( p)

 

 

 

 

 

 

 

 

 

 

 

 

 

 

 

kРС (T02 p 1)

 

 

 

 

 

 

 

 

 

 

 

; (51)

k

РС

(T

 

 

p 1) (T

p 1)(T p 1)(T

T

p2

T p 1)

 

 

 

 

 

02

 

 

 

 

 

 

 

01

 

 

 

 

 

 

 

 

1

 

 

 

 

 

 

 

Я

М

 

 

М

 

 

 

 

 

 

 

WЗАМ ( p)

 

 

 

 

 

 

 

 

 

 

 

 

 

b1 p b0

 

 

 

 

 

 

.

 

 

 

(52)

 

 

 

a

4

p4

a

3

p3

a

2

p2

a

p a

 

 

 

 

 

 

 

 

 

 

 

 

 

 

 

 

 

 

 

 

 

 

 

 

 

 

 

 

 

 

 

 

1

 

0

 

 

 

 

 

 

 

21

Передаточная функция – это отношение выходного сигнала к

входному, представленное в операторной форме:

 

 

 

 

 

 

 

WЗАМ ( p)

y( p)

 

 

b1 p b0

 

 

 

 

 

.

(53)

x( p) a

4

p4 a p3

a

2

p2

a

p a

 

 

 

 

 

 

3

 

 

 

 

 

 

1

 

0

 

Проведем обратное преобразование Лапласса:

 

 

 

 

 

 

 

a yIV (t) a

yIII (t) a yII (t) a yI (t) a

 

y(t) b xI (t) b

x(t); (54)

4

3

 

 

2

 

 

1

0

 

 

1

 

 

 

0

 

 

yIV (t) a3

yIII (t) a2

yII (t) a1

yI (t) a0

y(t) b1

xI

(t) b0

x(t); (55)

a

 

a

 

 

a

a

 

 

 

a

 

 

 

 

a

 

 

4

 

 

4

 

 

4

 

4

 

 

 

4

 

 

 

4

 

 

yIV (t) c

yIII (t) c

yII (t) c

yI (t) c

4

y(t) c

xI

(t) c

x(t). (56)

1

 

 

2

 

 

3

 

 

 

 

5

 

 

 

 

6

 

 

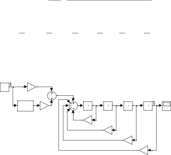
СПолученное д фференциальное уравнение можно решить с

помощью MATLAB Simulink. Для этого необходимо составить схему,

представленную на р с. 16, и построить график переходного

процесса.

 

 

 

 

 

 

 

 

 

 

 

 

 

 

 

 

 

 

 

1

 

1

 

 

 

 

 

 

 

 

 

 

 

 

 

 

 

 

 

и

 

 

 

 

 

 

 

 

 

 

 

 

 

 

Constant

 

C6

 

 

 

 

 

 

 

 

 

 

 

 

 

 

 

 

 

du/dt

1

 

 

 

 

1

 

 

1

 

 

1

 

 

1

 

 

 

 

 

 

s

 

 

s

 

 

 

s

 

 

s

 

 

 

 

 

 

 

 

 

 

 

 

 

 

 

 

 

 

 

 

C5

 

 

 

 

Integrator1

Integrator

Integrator3

Integrator2

Scope

Switchedб

 

 

 

 

 

 

 

 

 

 

 

 

derivative for

 

 

 

 

1

 

 

 

 

 

 

 

 

 

 

 

 

linearization

 

 

 

 

 

 

 

 

 

 

 

 

 

 

 

 

 

 

 

 

 

 

 

C1

 

 

1

 

 

 

 

 

 

 

 

 

 

 

 

 

 

 

 

 

 

 

 

 

 

 

 

 

 

 

 

 

 

 

 

 

 

 

 

 

 

C2

 

 

 

 

 

 

 

 

 

 

 

 

А

 

1

 

 

 

 

 

 

 

 

 

 

 

 

 

 

 

 

 

 

 

 

 

 

 

 

 

 

C3

 

1

 

 

 

 

 

 

 

 

 

 

 

 

 

 

 

 

 

 

 

 

 

 

 

 

 

 

 

 

 

 

 

 

 

 

 

 

 

 

C4

 

 

Рис. 16. Решение дифференциального уравнения (56) в MATLAB Simulink

 

 

 

 

 

 

 

Д

 

11. ПРОВЕРКА РАСЧЕТОВ С ПОМОЩЬ МО ЕЛ РОВАН Я

 

СИСТЕМЫ В СРЕДЕ MATLAB SIMULINK

 

 

Для проверки расчетов необходимо:

 

 

И

 

 

 

 

 

 

 

 

 

 

 

 

1.Составить структурную схему САР в среде Simulink (рис. 17).

2.С помощью средства Linear Analisys построить график переходного процесса системы (см. рис. 18) и найти показатели качества (время переходного процесса, перерегулирование, статическую ошибку).

22

3. Разомкнуть систему, построить ЛАХ, ЛФХ (см. рис. 19) и АФЧХ системы (см. рис. 20).

 

 

 

 

 

 

 

 

 

 

 

 

 

 

 

 

 

 

 

1

 

 

 

 

 

 

 

1.43

 

 

 

 

 

 

 

 

 

 

0.0164s+1

 

 

 

 

 

 

 

 

 

 

 

 

 

 

 

 

 

 

 

 

 

 

 

 

 

 

 

 

 

 

 

 

 

 

 

 

 

 

 

 

 

 

 

 

 

 

 

 

 

 

 

 

 

 

 

 

 

 

 

 

 

 

 

 

 

 

 

 

 

 

 

 

 

 

 

 

 

 

 

 

 

 

 

 

 

 

 

 

 

 

 

 

 

 

0.003247s2+0.198s+1

 

 

 

 

 

 

 

 

 

 

 

 

 

 

 

 

 

 

 

 

 

 

 

 

 

 

 

 

 

 

 

 

 

 

 

 

 

 

 

 

 

 

 

Gain2

 

 

 

 

 

 

 

 

 

 

 

 

 

 

 

 

 

 

 

 

 

 

 

 

 

 

 

 

 

 

 

 

 

 

 

 

 

 

 

Constant1

 

 

 

 

 

 

 

 

 

 

 

 

 

 

 

 

 

 

 

 

 

 

 

 

 

 

 

 

 

 

 

 

 

 

 

 

 

 

 

 

 

 

 

 

 

 

 

 

 

 

 

 

 

 

 

Transfer Fcn2

 

 

 

 

 

 

 

 

 

 

 

 

 

 

 

 

 

 

 

 

 

 

 

 

 

 

 

 

 

 

 

 

 

 

 

 

 

 

 

 

 

 

 

 

 

 

 

 

 

 

 

 

 

 

 

 

 

 

 

 

 

 

 

 

 

 

 

 

 

 

 

 

 

 

 

 

 

 

 

 

 

 

 

 

 

 

 

 

 

 

 

 

 

 

 

 

 

 

 

 

 

 

 

 

 

 

 

 

 

 

 

 

 

 

 

 

 

 

 

 

 

 

 

 

 

 

 

 

 

 

 

1

 

 

 

 

 

 

 

 

 

 

 

 

 

 

 

10

 

 

 

 

 

2.77

 

 

 

 

 

 

1.14

 

 

 

 

 

 

 

 

 

 

 

 

 

 

 

 

 

 

 

 

 

 

 

 

 

 

 

 

 

 

 

 

 

 

 

 

 

 

 

 

 

 

 

 

 

 

 

 

 

 

 

 

 

 

 

 

 

 

 

 

 

 

 

 

 

 

 

 

 

 

 

 

 

 

 

 

 

 

 

 

 

 

 

 

 

 

 

 

 

 

 

 

 

 

 

 

 

 

 

 

 

 

 

 

 

 

 

 

 

 

 

 

 

 

 

 

 

 

 

 

 

 

 

 

 

 

 

 

 

 

 

 

 

 

 

 

 

 

 

 

Gain

 

0.36s+1

 

 

 

 

0.003247s2+0.198s+1

 

 

 

 

 

 

 

 

 

 

 

 

 

 

 

 

Constant

 

 

 

 

 

 

 

 

 

 

 

 

 

 

 

 

 

 

 

 

 

 

 

 

 

 

 

 

 

 

 

 

 

 

 

 

 

 

 

 

 

 

 

Scope

 

 

 

 

Transfer Fcn1

 

 

 

 

 

 

 

 

 

 

 

 

 

 

 

 

 

 

 

 

 

 

 

 

 

 

 

 

Transfer Fcn

 

 

 

 

 

 

 

 

 

 

 

 

 

 

 

 

 

 

 

 

 

 

 

 

 

 

 

 

 

 

 

 

 

 

 

 

 

 

0.35

 

 

 

 

 

 

 

 

 

 

 

 

 

 

 

 

 

 

 

 

 

 

С

 

 

 

 

 

 

 

 

 

 

 

 

 

 

 

 

 

 

 

 

 

 

 

 

 

 

 

 

 

 

 

 

 

 

 

 

 

 

 

 

 

 

 

 

 

 

 

 

 

 

 

 

 

 

Gain1

 

 

 

 

 

 

 

 

 

 

 

 

 

 

 

 

 

 

 

 

Рис. 17. Структурная схема САР

ез корректирующего звена в Simulink

4.

 

 

об

системы

и,

 

если система

Сделать

вывод

 

 

устойчивости

 

устойчнайтива, запасы устойчивости по амплитуде и по фазе.

5.

Сравн ть

 

показатели, найденные

ранее,

с

 

показателями,

 

 

 

 

 

 

 

 

 

 

 

 

 

 

 

 

 

 

А

 

 

 

 

 

 

 

 

 

 

 

 

 

полученными в среде Simulink.

 

 

 

 

 

 

 

 

 

 

 

 

 

 

 

 

 

 

 

 

 

 

 

 

 

 

 

 

6.

Сделать соответствующие выводы.

 

 

 

 

 

 

 

 

 

 

 

 

 

 

 

 

 

 

 

 

 

 

 

 

 

 

 

 

 

 

 

 

 

 

 

 

 

 

 

 

 

 

 

 

 

 

 

 

 

Д

 

 

 

 

 

 

 

 

 

 

 

 

 

 

 

 

 

 

 

 

 

 

 

 

 

 

 

 

 

 

 

 

 

 

 

 

 

 

 

И

Рис. 18. График переходного процесса

23

Си б АРис. 19. Л Х и ЛФХ

Д И

Рис. 20. АФЧХ

24

12. ТРЕБОВАНИЯ К ОФОРМЛЕНИЮ РАБОТ

Общее оформление пояснительной записки

Пояснительную записку выполняют с применением печатных и графических устройств вывода ЭВМ на листах формата А4. По четырем сторонам листа должны быть оставлены поля. Размер левого поля листа – 30 мм, правого – 10 мм, верхнего – 20 мм, нижнего – 20 мм. Все стран цы пояснительной записки (кроме титульного листа и листа задан я) выполняются в рамке (прил. 4).

Текст поясн тельной записки набирается шрифтом Times New

Roman, кегль 14, подр суночные подписи и таблицы – кегль 12.

С

 

 

 

 

Т тульный л ст оформляется в соответствии с прил. 4. Вторым

идет л ст задан я, выданный преподавателем.

 

В содержан е пояснительной записки входят разделы,

подразделы, пункты

подпункты. Каждый из

разделов следует

с новой стран цы. Слова, выполненные на отдельной строке

начинать

«Заключение»,

«Литература»),

(«Содержан е»,

«Введение»,

служащ е заголовками соответствующих разделов, не должны

нумероваться.

 

 

 

 

Нумерациябразделов начинается с обзора литературы и

выполняется ара скими цифрами. Подразделы начинаются с красной

 

А

 

строки и нумеруются ара скими цифрами в пределах каждого раздела. Номер подраздела должен состоять из номера раздела и номера подраздела, разделенных точкой, например: «2.1.3» (пункт третий подраздела первого раздела второго).

заголовки подразделов – строчнымиД(кроме первой прописной). Цифра, указывающая номер пункта, не должна выступать за

Разделы, отражающие содержание и результаты работы, должны

границу абзаца. Расстояние между заголовками и последующим текстом – не менее 10 мм. Расстояние между текстом и последующим заголовком – не менее 15 мм.

иметь содержательные заголовки. Их пишут прописными буквами, а И

Пояснительная записка должна быть сброшюрована. Допускается переплетать.

Нумерация страниц пояснительной записки должна быть сквозной: первая страница – титульный лист, вторая – задание на курсовую работу и т.д. Номер страницы проставляют внизу в середине арабскими цифрами. На титульном листе номер страницы не ставят. Рисунки, графики, таблицы, расположенные на отдельных листах, необходимо включать в общую нумерацию.

25