Материал: Технологические процессы и технические средства для глубинно-насосной эксплуатации нефтяных скважин

Внимание! Если размещение файла нарушает Ваши авторские права, то обязательно сообщите нам

ется. Обнаруженная корреляция позволяет по магнитограммам, снятым в выбранной точке изделия или металлоконструкции, определять предел пропорциональности σпц. Но предел пропорциональности (микротекучести), как известно, является одним из косвенных (неразрушающих) параметров определения предела выносливости конструкционных материалов [86].

К перспективным направлениям такого рода исследований относятся магнитные методы для неразрушающего определения механических, в том числе и усталостных свойств. Сравнение результатов определения предела выносливости разрушающим методом и методом магнитоупругого размагничивания по значению σк показали их достаточно хорошее согласие (см. табл. 3.9).

Прогрессивность использования магнитоупругих явлений заключается в легкости считывания информации с помощью датчиков магнитного поля, в большой структурной чувствительности метода. Все это удовлетворяет условию минимальных материальных и временных затрат и позволяет механизировать и автоматизировать процесс. Большим преимуществом магнитоупругого метода является отсутствие необходимости вырезки из металла образцов, так как метод допускает контроль значения σк прямо на конструкции путем ее локального намагничивания ипоследующего нагружения.

Таблица 3 . 9

Результаты определения предела выносливости образцов насосной штанги из стали 20Н2М различными методами

Используемый метод

σ, Н/мм2

серия I

серия II

 

нормализация

закалка+отпуск

Усталостное разрушающее испытание

186±29

284±39

на воздухе Рразр = 50 %

 

 

Магнитоупругое размагничивание,

220±20

268±20

неразрушающий метод

300±20

 

191

3.4. Неразрушающий метод определения предела выносливости длинномерного изделия из стали 20Н2М при статическом нагружении

Магнитные методы контроля механических свойств материалов (твердости, предела текучести и прочности предположения к разрушению напряженно-деформированного изделия) довольно успешно используются в промышленности [87, 88, 89, 90]. В то же время неразрушающий контроль такого параметра, как предел выносливости, находится в стадии исследований [91, 92].

Вряде публикаций, посвященных этому вопросу, присутствуют сведения о большой чувствительности магнитоупругого эффекта

кизменениям в дефектной структуре металла при пластической деформации и усталостном нагружении [93, 94, 95, 96]. Так, например, магнитоупругий эффект при изгибных колебаниях более чувствителен к наклепу, чем коэрцитивная сила [93], а магнитострикция, как это показано при усталостных изгибных испытаниях лопаток авиационных турбин, является весьма эффективным индикатором перераспределения внутренних напряжений [94].

Используя магнитоупругий эффект, можно контролировать изменения в металле в процессе его усталостных испытаний и определять неразрушающим методом предел выносливости с более высокой производительностью по сравнению с традиционным методом его определения при разрушающем контроле [95, 96, 97, 98].

Одной из целей настоящего исследования явилось изучение закономерностей изменения магнитного поля остаточно намагниченных образцов стали 20Н2М при статическом нагружении, как в области упругой, так и пластической деформации.

Вработах [99, 100, 101] экспериментально показано, что зна-

чение тангенциальной составляющей поля Нτ остаточно намагниченного образца магниторазомкнутой формы близко по величине к коэрцитивной силе, поэтому по Нτ можно определять с помощью накладного феррозондового датчика коэрцитивную силу и исследовать

192

связанные с ней параметры, например упругие и пластические деформации [101, 102]. Магнитным дифференциальным методом или

спомощью магнитометра большой разрешающей способности можно обнаруживать связанные с Hc тонкие структурные изменения, которые происходят в металле при нагружении[103].

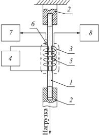
Вданной работе исследования были проведены на образцах в виде шпилек длиной рабочей цилиндрической части 55 мм, диаметром 6,5 мм или длиной базы 50 мм и диаметром 10 мм. Поверхность рабочей части образцов шлифовалась шкуркой. Наклепанный слой толщиной порядка 100 мкм стравливался электрохимическим методом. Нагружение образца осуществлялось на разрывной машине Р50

спомощью немагнитных штанг 2 длиной 300 мм (рис. 3.10), в которые ввинчивался образец 1. Нормальная составляющая магнитного поля остаточно намагниченного образца вблизи его конца измерялась холловским датчиком 6 и магнитометром 7. Тангенциальная составляющая поля остаточно намаг-

ниченного

образца

измерялась

 

с помощью

феррозондовых дат-

 

чиков 5 длиной 2,5 мм и толщи-

 

ной 0,5 мм,

помещенных вплот-

 

ную к поверхности образца на его

 

середине, и магнитометром 8.

 

Образцы намагничивались в по-

 

лях, обеспечивающих их насы-

 

щение, с помощью соленоида 3.

 

После

снятия

намагничи-

 

вающего поля измерялась тан-

Рис. 3.10. Схема экспериментальной

генциальная Hτ o или нормальная

установки: 1 – образец; 2 – немаг-

Hno составляющая поля остаточно

нитные штанги; 3 – соленоид;

намагниченного образца. Затем об-

4 – блок питания; 5 – датчик танген-

разец статически нагружался, и из-

циальной составляющей; 6 – датчик

мерялась тангенциальная Hτ σ или

нормальной составляющей магнит-

 

 

 

ного поля; 7, 8 – магнитометры

193

нормальная Hnσ составляющая поля под нагрузкой. После снятия нагрузки фиксировалась Hτ или Hn.

Далее следовало новое намагничивание, измерение Hτ о(Hno), затем цикл повторялся при большей нагрузке, т.е. осуществлялось ступенчатое увеличение статических напряжений в образце. Влияние лабораторного магнитного поля на результаты измерений уменьша-

лось путем усреднения Hτ о, измеренного

после намагничивания

в двух противоположных направлениях. Нτσ

и Hτ измерялись в лабо-

раторном поле Н = 40 А/м, направленном встречно остаточной намагниченности. Коэрцитивная сила измерялась на вибрационном магнитометре, в котором измерительная катушка колебалась относительно конца образца. Пластическая деформация определялась по остаточному удлинению образца, которое измерялось индикатором часового типа с ценой деления 0,01 мм.

Результаты изучения зависимости Hτ от величины прикладываемой нагрузки на образцах, изготовленных из материалов в состоянии поставки, как в момент приложения, так и после ее снятия представлены на рис. 3.11.

Из рис. 3.11 видно, что величина Hτ о в интервале напряжений от 0 до 200 МПа (кривая 2) практически не меняется, т.е. после цикла «нагрузка – разгрузка – намагничивание» сталь возвращается в исходное состояние. Это означает, что статические напряжения вызывают только упругую деформацию. Однако при напряжениях σ = 200…250 МПа, далеких, как это видно из графика зависимости «деформация – напряжение» (см. рис. 3.11, кривая 5), от предела текучести, величина Hσ начинает расти и достигает некоторого насыщения при σ = 500 МПа. Полные изменения Нσ составляют 85 % от исходного сигнала при достижении предела текучести.

Измеренная после разгружения образца величина Hτ вначале резко уменьшается с увеличением нагрузки, проходит через минимум и, достигнув максимума при σ = 470 МПа, начинает уменьшаться (см. рис. 3.11, кривая 3). С ростом растягивающих напряжений величина Hτσ убывает (см. рис. 3.11, кривая 4), а после пластической

194

Рис. 3.11. Зависимость коэрцитивной силы Нс итангенциальнойсоставляющейнапряженностиполяНτ остаточно намагниченного образца из стали 20Н2М отвеличины действовавшихнапряжений: 1 – Нс; 2 – Нτσ; 3 – Нτ; 4 – зависимость Нτσ отвеличины действующих напряжений; 5 – кривая зависимости напряжение –

деформация; ε – относительная деформация

деформации (по-видимому, за счет влияния магнитного поля) заходит в область небольших отрицательных значений.

Нормальная составляющая магнитного поля рассеяния остаточного намагниченного образца также испытывает существенные изменения, как в нагруженном состоянии, так и после разгрузки. При этом характер ее изменения качественно повторяет зависимости Нτ (σ).

Пластическая деформация заметно меняет характер зависимости Нτσ и Hτ от σ : Hτ о – практически не изменяется, минимум на кривой Нτ (σ ) (рис. 3.12, кривая 2) исчезает; зависимость Hτσ (σ ) становится более крутой (рис. 3.12, кривая 3) по сравнению с недеформированным образцом (см. рис. 3.11).

Как показано в работе [104], при нагрузках, меньших предела текучести, положительная магнитострикция насыщения стали 20Н2М

195