Материал: Технико-экономическое обоснование варианта схемы развития электрической сети районной энергосистемы для электроснабжения новых узлов нагрузки

Внимание! Если размещение файла нарушает Ваши авторские права, то обязательно сообщите нам

Технико-экономическое обоснование варианта схемы развития электрической сети районной энергосистемы для электроснабжения новых узлов нагрузки

Оглавление

Введение

.        Задание и исходные данные

Задание на проектирование

Исходные данные на проектирование:

.        Выбор вариантов развития существующей сети

.1 Выбор схемы развития радиального варианта сети

.2 Выбор схемы развития замкнутого варианта сети

. Выбор номинальных напряжений сооружаемых ЛЭП

.1      Выбор номинальных напряжений сооружаемых воздушных линий радиального варианта сети

.2      Выбор номинальных напряжений сооружаемых воздушных линий кольцевого варианта сети

.        Определение сечения проводов сооружаемых ЛЭП

.1.     Определение сечений проводов сооружаемых линий радиального варианта сети

.2.     Определение сечений проводов сооружаемых линий кольцевого варианта сети

.        Выбор трансформаторов на понижающих подстанциях

.1.     Выбор понижающих трансформаторов на подстанции 1.

.2.     Выбор понижающих трансформаторов на подстанции 2.

.3.     Выбор понижающих трансформаторов на подстанции 3.

.        Составление принципиальных и расчетных схем вариантов.

.1.     Составление принципиальной и расчетной схемы радиального варианта сети.

.2.     Составление принципиальной и расчетной схемы кольцевого варианта сети.

.        Расчет режимов максимальных нагрузок и баланс реактивной мощности

.1.     Расчет режимов максимальных нагрузок и баланс реактивной мощности для радиального варианта сети

.2.     Расчет режимов максимальных нагрузок и баланс реактивной мощности для кольцевого варианта сети

.        Выбор схем присоединения к сети новых и расширения существующих понижающих подстанций

.        Выбор окончательного варианта схемы развития электрической сети

Заключение

Список используемой литературы

Введение

Электроэнергетическая система (ЭЭС) - это объединение электрических станций, электрических сетей и электрических нагрузок. Электрические станции, включенные в ЭЭС, работают параллельно для снабжения потребителей электрической энергией, которая передается по электрическим сетям.

Электрические сети являются техническим устройством, предназначенным для передачи электроэнергии от электрических станций к потребителям и распределения энергии между потребителями. Электрические сети состоят из передающих элементов - линий электропередачи (ЛЭП) и преобразующих элементов - трансформаторов и дополнительных устройств, обеспечивающих защиту и регулирование режимов электрических сетей.

ЛЭП высокого напряжения предназначены для передачи электрической энергии в больших количествах и на большие расстояния. ЛЭП низкого напряжения предназначены для распределения электрической энергии между потребителями.

Трансформаторы и дополнительные устройства электрических сетей устанавливаются на подстанциях, где есть распределительные устройства (РУ), обеспечивающие соединения и переключения элементов электрической сети. Функции распределения электроэнергии имеют, кроме того, так называемые распределительные пункты (РП), которые отличаются от подстанций тем, что не имеют силовых трансформаторов.

Требования к электрическим сетям:

o   Надежность электроснабжения потребителей.

Надежным считается электроснабжение, при котором в случае аварийных повреждений элементов электрической сети питание восстанавливается в течение времени, необходимого для производства ручных переключений без выполнения ремонта поврежденного элемента.

o   Качество электрической энергии.

Для характеристики качества электроэнергии применяются специальные показатели, которые установлены государственным стандартом (ГОСТ 13109-97).

o   Экономичность сооружения и эксплуатации.

При проектировании электрической сети следует соразмерить средства, вложенные на сооружение сети, и расходы, которые будут идти на ее эксплуатацию.

o   Безопасность.

Для обеспечения безопасности персонала энергосистем и других лиц согласно ПУЭ применяют заземления, ограждения, сигнализацию, охрану, спецодежду и другие приспособления.

o   Возможность дальнейшего развития.

Вследствие изменения нагрузок потребителей, а также появления новых потребителей электрическая сеть находится в состоянии развития, модернизации и реконструкции. Достраиваются, заменяются, реконструируются электростанции, линии, подстанции, устанавливаются новые системы управления. Необходимо так проектировать электрическую сеть, чтобы она давала возможность дальнейшего расширения и развития.

В данной курсовой работе предлагается выполнить технико-экономическое обоснование варианта схемы развития электрической сети районной энергосистемы для электроснабжения новых узлов нагрузки.

1.      Задание и исходные данные

Задание на проектирование

Выполнить технико-экономическое обоснование варианта схемы развития электрической сети районной энергосистемы для электроснабжения новых узлов нагрузки.

Исходные данные на проектирование:


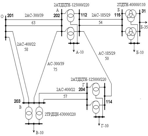
1.      Схема существующей электрической сети (рис. 1.1).

Рис. 1. Схема существующей электрической сети 220/110 кВ (расстояния в километрах).

2.      Мощности шин действующих подстанций (10 и 35 кВ) режима максимальных нагрузок (табл. 1.1) на пятый год эксплуатации сооружаемой сети.

Таблица 1.1

Мощности режима максимальных нагрузок существующей сети

Мощности нагрузок

А-10

Б-35

Б-10

В-10

Г-10

Активная, МВт

110

15

10

80

90

Реактивная, МВАр

70

10

5

50

60


.        Геометрическое расположение существующих (табл. 1.2) и мест сооружения новых (табл. 1.3) подстанций в декартовой системе координат.

Таблица 1.2

Координаты расположения существующих подстанций, км

Подстанция

x

y

А

63

0

Б

107

-33

В

12

-57

Г

66

-50


Таблица 1.3

Координаты расположения новых подстанций, км

Координаты, км

x1

y1

x2

y2

x3

y3

83

-47

79

-13

86

-52


.        Максимальные мощности новых узлов нагрузки на пятый год их эксплуатации (табл. 1.4).

Таблица 1.4

Максимальные мощности новых узлов

Подстанция

P, МВт

Q, Мвар

ПС-1

23

14

ПС-2

52

33

ПС-3

17

11


.        Время использования максимальной нагрузки Tmax для общего годового графика энергосистемы с учетом мощностей новых нагрузок.=5000 ч.

.        Ориентировочный состав видов нагрузок новых подстанций (табл. 1.5, по величине мощностей нагрузки).

Таблица 1.5

Состав нагрузки сооружаемых подстанций, %

Подстанция

Максимальная активная мощность, МВт

Состав нагрузки



Осветительная нагрузка

Промышленная трехсменная

Промышленная двухсменная

Промышленная односменная

Электрофицирова-нный транспорт

Сельскохозяйстве-нное производство

ПС-1

До 40

15

15

30

-

40

-

ПС-2

Свыше 50

15

20

15

30

-

20

ПС-3

До 20

40

10

-

-

-

50


.        Зимние и летние суточные графики нагрузки характерных дней новых подстанций (табл. 1.6)

Таблица 1.6

Зимние и летние суточные графики нагрузки характерных дней новых подстанций, %

Время

ПС-1

ПС-2

ПС-3


Зима

Лето

Зима

Лето

Зима

Лето


P

Q

P

Q

P

Q

P

Q

P

Q

P

Q

0:00

45

43

33

31

45

40

33

32

58

58

37

34

1:00

42

41

24

23

34

32

26

25

50

52

33

32

2:00

43

42

24

23

30

30

23

22

45

46

30

31

3:00

44

44

22

22

30

29

27

27

44

44

28

30

4:00

47

45

25

24

36

35

45

43

46

45

34

35

5:00

53

52

30

30

56

55

60

58

52

50

44

46

6:00

73

71

67

66

78

77

74

73

68

66

52

53

7:00

90

92

76

77

100

99

75

74

80

80

56

55

8:00

100

100

80

81

100

100

72

72

86

85

54

54

9:00

100

100

70

71

96

95

62

60

84

82

50

50

10:00

92

95

68

68

90

88

55

52

80

78

47

48

11:00

91

93

69

70

80

81

50

50

72

70

45

46

12:00

93

90

70

71

70

73

47

45

66

66

43

44

13:00

86

68

68

66

67

46

44

65

65

42

45

14:00

87

85

69

68

66

67

45

44

66

65

40

43

15:00

92

94

70

71

66

68

45

45

67

66

41

44

16:00

95

95

68

69

65

68

46

46

70

70

44

46

17:00

100

100

70

72

64

67

48

47

86

85

48

49

18:00

98

95

75

75

72

70

54

52

100

100

55

57

19:00

97

94

80

78

83

80

62

60

98

99

65

65

20:00

96

93

80

78

85

84

65

63

95

96

65

65

21:00

88

86

70

72

80

80

64

62

80

80

60

63

22:00

78

77

48

47

65

64

49

47

68

68

52

43

23:00

58

56

34

35

53

50

35

34

63

62

41

42

Среднее

78,75

77,88

57,92

57,92

67,08

66,63

50,33

49,04

70,38

69,92

46,08

46,67

Примечание. Значения активных и реактивных мощностей даны в процентах от Pmax и Qmax, соответственно.

.        Напряжение пункта питания в режимах максимальных нагрузок поддерживается на уровне 242 кВ.

.        Номинальное напряжение на шинах низкого напряжения новых подстанций - 10 кВ.

.        Место строительства - Западная Сибирь.

.        Материал опор для ВЛ всех напряжений - железобетон.

2.      Выбор вариантов развития существующей сети


[2] Варианты схем электрических сетей намечаются исходя из наименьшей длины новых линий, кратчайшего пути от новых пунктов нагрузок до источников питания, требуемого уровня надёжности электроснабжения потребителей и перспективы дальнейшего развития энергосистемы. Конфигурации схем электрических сетей разделяют на разомкнутые и замкнутые. В общем нельзя сказать какую именно конфигурацию следует принять в конкретном случае. Поэтому среди намечаемых вариантов конфигураций сети должны быть как разомкнутые, так и замкнутые виды конфигураций. Выбор схемы производится на перспективу 5-10 лет, при этом следует исходить из общих принципов ее построения на более далекую перспективу. Особо важным требованием к схеме является обеспечение необходимой надежности, под которой понимается способность выполнять заданные функции, сохраняя эксплуатационные показатели в условиях, оговоренных в нормативных документах. Согласно ПУЭ все электроприемники по требуемой степени надежности разделены на три категории.

Первая категория - электроприемники, нарушение электроснабжения которых может повлечь за собой опасность для жизни людей, угрозу безопасности государства, значительный материальный ущерб, расстройство сложного технологического процесса, нарушение функционирования особо важных элементов коммунального хозяйства, объектов связи и телевидения. Эти электроприемники должны обеспечиваться электроэнергией от двух независимых источников питания (таковыми, в частности, считаются две системы или две секции шин одной ПС, питающейся от двух источников), и перерыв в их электроснабжении может быть допущен только на время автоматического ввода резервного питания.

Из состава электроприемников первой категории выделяется особая группа электроприемников, бесперебойная работа которых необходима для безаварийного останова производства с целью предотвращения угрозы жизни людей, взрывов и пожаров. Для электроснабжения этой группы электроприемников должен предусматриваться третий (аварийный) независимый источник, мощность которого должна быть достаточна для безаварийного останова производства и который автоматически включается при исчезновении напряжения на основных источниках.

Вторая категория - электроприемники, перерыв электроснабжения которых связан с массовым недоотпуском продукции, простоем рабочих, механизмов и т. п. Эти электроприемники рекомендуется обеспечивать электроэнергией от двух независимых источников питания; при этом допустим перерыв электроснабжения на время, необходимое для включения резервного питания дежурным персоналом или выездной бригадой.