Материал: семинар 1

Внимание! Если размещение файла нарушает Ваши авторские права, то обязательно сообщите нам

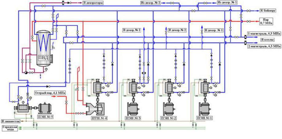
Питательная установка ТЭЦ МЭИ

Питательные насосы служат для подачи питательной воды в котел из баков деаэратора через систему подогревателей высокого давления.

Условия работы питательных на­сосов исключительно тяжелы. Во всасывающий

патрубок насоса поступает питательная вода из деаэратора, в котором она имеет

температуру насыщения. Поэтому для бескавитационной работы насоса необходим значительный подпор, который создают установкой деаэратора выше насоса. Это удорожает здание электростанции. Тем не менее такая мера часто оказывается недостаточной и приходится прибегать к установке предвключенных

(бустерных) насосов для создания гарантированного подпора на входе в основной питательный насос.

На ТЭЦ МЭИ подпор составляет величину приблизительно 9 м. вод. ст.

На ТЭЦ МЭИ установлено пять питательных насосов. Четыре из них приводится в действие электродвигателем, и поэтому называются электронасосами (ПЭН) и один,

турбонасос (ПТН), приводится в действие паровой турбиной.

Схема питательной установки

Давление, создаваемое насосами 6,3 МПа

Минимальная

допустимая

подача

 

 

 

составляет приблизительно 10-15 т/ч.

9 ступеней

Питательный насос

 

А – диск ротора (гидропята); б – диск статора (подпятник); в – камера «в» соединена со всасом насоса.

1-вал; 2-рабочее колесо; 3-направляющие лопатки; 4-перепускной канал; 5-анкерный болт; 6-гидравлическая пята; 7-сальник; 8-опорный подшипник; 9-всасывающий патрубок; 10-нагнетательный патрубок; 11-муфта.

Многоступенчатый насос

Опорно-упорный подшипник скольжения