Материал: самара

Внимание! Если размещение файла нарушает Ваши авторские права, то обязательно сообщите нам

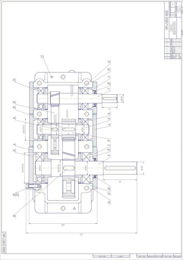
6.2. ПОСТРОЕНИЕ СБОРОЧНОГО ЧЕРТЕЖА

ЦИЛИНДРИЧЕСКОГО РЕДУКТОРА (ВИД СВЕРХУ БЕЗ КРЫШКИ)

Создание нового документа. Запустите КОМПАС-3D. Создайте новый документ Чертеж, используя для этого команду Файл, Соз-

дать или кнопку Создать из стандартной панели. С помощью ко-

манды Сервис, Параметры, Текущий лист, Параметры листа изме-

ните параметры нового листа – задайте для него формат А1, горизон-

тальную ориентацию и оформите стиль Чертеж конструкторский.

Первый лист, ГОСТ 2.104-68.

Запишите только что созданный документ под именем, на-

пример ТУМ-2.08.01.100СБ, в папку Привод 08.01. Для этого рас-

кройте меню Файл и выполните команду Сохранить как. В окне

Укажите имя файла для записи раскройте список доступных дис-

ков и папок и щелкните на значке жесткого диска С. Полагаем,

что данный редуктор входит в состав изделия Привод 08.01. В по-

ле Имя файла занесите номер чертежа и щелкните на кнопке Со-

хранить. В появившемся диалоговом окне Информация о доку-

менте заполните текстовые поля Автор и Комментарий и щелк-

ните на кнопке ОК.

Создание нового вида. Выполните команду Вставка, Вид. На панели свойств в поле Масштаб введите вручную или выберите из списка нужный масштаб. В текстовое поле Имя введите имя

Вид сверху. После этого курсор примет вид символа начала коор-

динат, а в строке сообщений появится запрос Укажите точку привязки вида. Наиболее удобным вариантом будет размещение начала координат вида в вершине нижнего левого прямого угла контура верхнего пояса контура редуктора (рис. 6.2). Вы можете просто щелкнуть в данной точке «на глаз» или точно указать ее координаты в полях управления координатами курсора, задав их равными 152 мм по оси Х и 298 мм по оси Y.

90

Р и с. 6.2. Пример сборочного чертежа двухступенчатого цилиндрического редуктора типа Ц2 (вид сверху без крышки)

91

Построение основания корпуса редуктора. Постройте габарит-

ный прямоугольник. Для этого щелкните на кнопке Прямоугольник на панели Геометрия компактной панели. В ответ на запрос системы

Укажите первую угловую точку прямоугольника переместите курсор в точку начала координат вида (выполните клавиатурную команду [Ctrl]+[0] и нажмите клавишу [Enter]). Щелкните на кнопке Простановка осей на панели свойств. Активизируйте поле Высота прямоугольника, введите значение высоты 184 мм и нажмите клавишу [Enter]. Аналогичным образом в поле Ширина прямоугольника введите значение ширины 456 мм. После этого система построит заданный прямоугольник. Так как построенный прямоугольник носит вспомогательный характер, нет необходимости хранить его как системный макроэлемент.

Разрушьте его на составные отрезки. Для этого выделите прямоугольник щелчком мыши в любой его точке и выполните команду Редактор – Разрушить. Щелчком мыши на любой из осевых линий выделите системный значок обозначения центра. Разрушьте его на два независимых отрезка. Щелчком мыши выделите вертикальную осевую линию и нажатием на клавишу [Delete] удалите ее.

Постройте верхнюю половину корпуса. Для этого проведите 9 вспомогательных прямых, параллельных левой стороне прямоугольника: первую – на расстоянии 33 мм до внешней стенки корпуса, вторую – на расстоянии 41 мм до внутренней стенки корпуса, третью – на расстоянии 77,5 мм до фланца крышки подшипника тихоходного вала, четвертую – на расстоянии 146 мм до осевой линии тихоходного вала, пятую – на расстоянии 271 мм до осевой линии промежуточного вала, шестую – на расстоянии 371 мм до осевой линии быстроходного вала, седьмую – на расстоянии 415 мм до удаленной внутренней стенки корпуса, восьмую – на расстоянии 423 мм до удаленной внешней стенки корпуса, девятую – на расстоянии 425 мм до фланца крышки подшипника быстроходного вала. Затем постройте четыре вспомогательные прямые, параллельные оси симметрии прямоугольника: первую – на расстоянии 51 мм до внутренней стенки

92

корпуса, вторую – на расстоянии 59 мм до внешней стенки корпуса, третью – на расстоянии 97 мм до фланца крышек подшипников, четвертую – на расстоянии 98 мм до контура нижнего пояса корпуса. С

помощью команды Непрерывный ввод объектов на панели Геомет-

рия компактной панели постройте ломаные линии из трех отрезков контуров внутренней стенки, нижнего пояса, фланца крышек подшипников и внешней стенки. С помощью команды Отрезок постройте три осевые линии. Положение начальной точки осевой по вертикали достаточно указать «на глаз», а ее положение по горизонтали поможет задать локальная привязка Точка на кривой. То же самое относится и к конечной точке осевой. Далее постройте четыре отрезка на контуре левого и правого крюков (стиль линии Штриховая). Удалите все вспомогательные прямые.

Постройте гнезда подшипников, для чего относительно осевой линии тихоходного вала проведите две вспомогательные прямые на расстоянии 50 мм по обе стороны от нее, относительно осевой линии промежуточного и быстроходного валов – на расстоянии 36 мм. С помощью команды Отрезок постройте 6 отрезков, составляющих отверстия. Удалите вспомогательные прямые. Постройте отверстия для болтов подшипников. Вначале найдите центры этих отверстий. Для этого проведите четыре вспомогательные прямые: две на расстоянии 65 и 69,5 мм относительно оси тихоходного вала соответственно по левую и правую стороны, две на расстоянии 50 мм по обе стороны от оси быстроходного вала и одну вспомогательную прямую параллельно оси симметрии прямоугольника на расстоянии 77 мм до этих центров. Затем щелкните на кнопке Окружность. Задайте радиус 6,5 мм.

Включите кнопки Простановка осей и Запомните состояние на па-

нели свойств. В ответ на запрос системы Укажите точку центра окружности, с помощью глобальной привязки Пересечение, укажите четыре центра. Удалите вспомогательные прямые.

Постройте контуры бобышек. Вначале из центра левого отверстия под болт проведите окружность, касательную к кромке верхнего пояса корпуса. С этой целью щелкните на кнопке Окружность на па-

93

нели Геометрия. Включите кнопку Простановка осей и установите текущий стиль Штриховая. С помощью глобальной привязки Пересечение укажите центр окружности. Затем укажите точку на объекте касания. Аналогично постройте окружность правой бобышки. Для перемещения и увеличения изображения на экране используйте кнопки Сдвинуть и Изменить масштаб рамкой на панели Вид. Ис-

пользуя команду Вертикальная прямая на панели расширенных команд ввода вспомогательных прямых, постройте прямую, касательную к окружности левой бобышки. С помощью команды Отрезок постройте необходимый отрезок (стиль линии Штриховая). Удалите вспомогательные прямые. Теперь постройте плавное сопряжение окружности левой бобышки с контуром внешней стенки. Для этого включите кнопку Скругления на панели Геометрия. В поле Радиус скругления на панели свойств введите значение радиуса 4 мм и укажите мышью на соответствующий участок контура и окружности. То же выполните и для окружности правой бобышки. Затем выполните скругление прямых углов радиусом 16 мм для контура верхнего и нижнего поясов корпуса, радиусом 7 мм для контура внешней стенки и радиусом 4 мм для контура внутренней стенки и крюков. После этого удалите лишние участки окружностей бобышек и контура корпуса. С этой целью включите кнопку Усечь кривую на панели Редактирование компактной панели и последовательно укажите мышью на участки, подлежащие удалению.

Постройте нижнюю половину корпуса. Вначале удалите ненужную нижнюю сторону габаритного прямоугольника. Затем с помощью команды Выделить – Рамкой выделите все геометрические объекты, относящиеся к верхней половине корпуса. Включите кнопку Симметрия на панели Редактирование. После этого укажите ось симметрии, предварительно активизировав кнопку Выбор базового объекта на панели свойств. Система выполнит операцию симметричного отражения выделенных объектов. Прекратите работу команды и снимите выделение с объектов.

Постройте отверстия под штифты и болты, соединяющие корпус с крышкой. Вначале определите центры этих окружностей. Для этого по-

94