Материал: Прямые и косвенные измерения

Внимание! Если размещение файла нарушает Ваши авторские права, то обязательно сообщите нам

Принятие решений о внесении изменений, пересмотре, отмене стандарта, а также соответствующая публикация в Информационном указателе находящихся в ведении Госстандарта. Решение о внесении изменений, пересмотре, отмене стандарта отрасли принимает орган государственного управления, утвердивший нормативный документ.

Обновление или отмена стандарта предприятия осуществляется по решению руководства субъекта хозяйственной деятельности, принявшего стандарт. Стандарты научно-технических обществ пересматриваются с целью внесения в них новых результатов научных исследований или производственных достижений. Отмена этой категории нормативных документов связана с моральным устареванием объекта стандартизации.

Все субъекты хозяйственной деятельности, которым предоставлено право разработки, обновления, и отмены стандартов обязаны информировать о проделанной работе и ее результатах Госстандарт Украины.

Степень соответствия национальных стандартов Украины международным стандартам качества серии ISO-9000

С 1 марта 1998 г. приобрело силу Соглашение о партнерстве и сотрудничестве между Украиной и Европейским Союзом. В рамках выполнения настоящего Соглашения Украина взяла на себя обязательства относительно постепенного приведения законодательства, норм, правил и стандартов, а также процедур оценивания соответствия (сертификации) в соответствие с европейскими нормами.

Реализация ассоциированного членства в ЕС, в частности режима свободной торговли, требует внедрение в национальное законодательство Украины многих директив ЕС, которые устанавливают требования к продукции, а также не меньшее, чем 80 процентов существующих европейских стандартов.

Развитие технического регулирования может отвечать уровню развития национальной экономики. Переходный период к рыночной экономике требует осуществление поэтапного усовершенствования национальной системы технического регулирования. Слепое копирование внешних атрибутов систем стандартизации и сертификации развитых стран мира при условии отсутствия эффективной рыночной конкурентной среды может привести к фактическому уничтожению существующей системы стандартизации, метрологии и сертификации.

Это оставит Украину без ключевого элемента национального технического регулирования, то есть создаст реальную угрозу для национальной экономической безопасности и государственного суверенитета. Также фактором, который стал одним из определяющих, есть давление, которое осуществляют импортеры, опираясь на поддержку отдельных кругов в середине государства, для получения ничем не оправданных односторонних уступок в торговых режимах (например, как этого требуют США).

Из государственных (национальных) стандартов, которым предоставлено действия, 18,5% - прямое внедрение международных, 42% - частичное внедрение (гармонизованные с международными).

В Украине с 1996 г. приобрели силу международные стандарты ІSO серии

, из января 1998 г. - стандарты ІSO серии 14000, с 1 июля 1998 г. - ІSO серии 45000.

Структура органов УкрСЕПРО

Основные принципы, структура и правила Системы УкрСЕПРО определены Декретом Кабинета Министров Украины “О стандартизации и сертификации” и государственными стандартами Украины.

Сертификация в УкрСЕПРО предусматривает подтверждение третьей стороной показателей (характеристик) продукции (процессов, услуг) на основании результатов испытаний, обследования, аттестации производства и оценки систем управления качеством. Право проведения работ по сертификации продукции предоставляется органам по сертификации, испытательным лабораториям (центрам) и аудиторам, включенным в Реестр Системы УкрСЕПРО.

В Системе УкрСЕПРО установлено следующее распределение ответственности:

·        заявитель (изготовитель, исполнитель, поставщик) отвечает за соответствие сертифицированной продукции требованиям нормативных документов, используемых во время сертификации, а также за применение сертификатов и знаков соответствия по правилам Системы УкрСЕПРО.

·        испытательная лаборатория (центр) несет ответственность за недостоверность и необъективность результатов испытаний сертифицированной продукции.

·        орган по сертификации несет ответственность за необоснованную или неправомерную выдачу сертификатов соответствия, аттестатов производства и подтверждения их действия, а также за нарушение правил Системы УкрСЕПРО.

Организационную структуру Системы УкрСЕПРО составляют:

-        национальный орган Украины по сертификации - Госпотребстандарт Украины;

         органы по сертификации продукции;

         органы по сертификации систем качества;

         испытательные лаборатории (центры);

         аудиторы по сертификации;

         государственные центры стандартизации, метрологии и сертификации Держспоживстандарту Украины;

- заявители.

10. Основные цели и задачи сертификации

Сертификация - это процедура подтверждения соответствия результата производственной деятельности, товара, услуги нормативным требованиям, посредством которой третья сторона документально удостоверяет, что продукция, работа (процесс) или услуга соответствует «заданным требованиям». Таким образом, сертификация - основное средство в условиях рыночной экономики, позволяющее гарантировать соответствие продукции требованиям нормативной документации. С позиции государственных интересов, такой инструмент, как сертификация, должен, с одной стороны, обеспечить улучшение качества продукции и услуг и гарантию безопасности их для потребителя, а с другой - не служить препятствием для развития предпринимательства, процедурно и финансово усложняя процесс получения сертификата. Перед началом рассмотрения системы подтверждения соответствия, созданной в настоящее время в нашей стране, и анализом законодательства в этой области необходимо привести используемые в последующем определения терминов и понятий, введенных различными нормативно-правовыми актами Украины.

Сертификация - деятельность третьей стороны, независимой от изготовителя (продавца) и потребителя продукции, по подтверждению соответствия продукции установленным требованиям

Сертификация направлена на достижение следующих целей:

o содействие потребителям в компетентном выборе продукции (услуги);

o   защита потребителя от недобросовестности изготовителя (продавца, исполнителя);

o   контроль безопасности продукции (услуги, работы) для окружающей среды, жизни, здоровья и имущества;

o   подтверждение показателей качества продукции (услуги, работы), заявленных изготовителем (исполнителем);

o   создание условий для деятельности организаций и предпринимателей на едином товарном рынке Украины, а также для участия в международном экономическом, научно-техническом сотрудничестве и международной торговле.

Само появление понятия «подтверждение соответствия» и наполнение его современным смыслом связано с резким обострением в последнее время проблемы качества товаров и услуг; глобализацией международной торговли; большим разнообразием изделий одного и того же функционального назначения, но разного качества; жесткой конкуренцией товаропроизводителей; необходимостью гарантировать безопасность продукции для потребителя.

Добровольная сертификация проводится по инициативе заявителей (изготовителей, продавцов, исполнителей) в целях подтверждения соответствия продукции (услуг) требованиям стандартов, технических условий, рецептур и других документов, определяемых заявителем. Добровольная сертификация проводится на условиях договора между заявителем и органом по сертификации.

Обязательная сертификация подтверждает только обязательные требования, установленные законом (в частности, продукция и услуги обязаны проходить сертификацию на безопасность). Для определения обязательности сертификации существует Номенклатура продукции , в отношении которой законодательными актами Украины предусмотрена обязательная сертификация. При обязательной сертификации действие сертификата соответствия и знака соответствия распространяется на всей территории Украины.

Заключение

В данной курсовой работе были обработаны результаты прямых и косвенных измерений, где я находила оценку среднего квадратического отклонения, абсолютную погрешность и выявляла анормальные результаты измерений. Также мной был охарактеризован электромагнитный логометр, его достоинства и недостатки.

При решении пунктов 4 - 8 было установлено, что:

Пункт 4:

1) сопротивление амперметра:, сопротивление шунта:;

) определила номинальную Сном=2812,5[Вт*с/об] и действительную Сд=2640 [Вт*с/об] постоянные счетчика электрической энергии, его относительную погрешность и поправочный коэффициент;

3) Определите наибольшую возможную относительную погрешность при измерения сопротивления методом амперметра-вольтметра для малых и больших значений сопротивлений.

Пункт 5:

1)       были расширены пределы измерения амперметра, двумя способами:

·        с использованием измерительного шунта;

·        с использованием измерительного трансформатора тока;

2)       были расширены пределы измерения вольтметра, четырьмя способами:

·        с использованием добавочного резистора;

·        с использованием резистивного делителя напряжения;

·        с использованием измерительного трансформатора напряжения;

·        с использованием емкостного делителя напряжения;

Пункт 6: для двойного моста постоянного тока было определено сопротивление Rx, при котором мост уравновешен; и найдены зависимость тока в гальванометре от изменения сопротивления Rx, а также чувствительность моста по току Si , напряжению Su и мощности Sw к изменению сопротивления Rx.

Пункт 7: были рассчитаны многопредельные амперметр, вольтметр, омметр и приведена принципиальная схема комбинированного прибора и ее сертификация в Приложении 4 - 5.

Пункт 8: для четырехплечего моста постоянного тока было определено сопротивление Rx, при котором мост уравновешен; входное сопротивление моста; взаимное сопротивление между ветвью измеряемого сопротивления и ветвью гальванометра при состоянии равновесия моста; зависимость тока в гальванометре от изменения сопротивления Rx, а также чувствительность моста по току Si , напряжению Su и мощности Sw к изменению сопротивления Rx .

Пункты 9 - 10: установлены цели и задачи стандартизации, сертификации и аккредитации промышленной продукции. Рассмотрев содержание стандартизации и сертификации в целом становится очевидным, что стандартизация и сертификация чрезвычайно важна для правильного представления о том, для чего же на практике необходимы категории и понятия метрологии. Практическое значение стандартизации и сертификации очень велико, особенно на данном этапе развития нашего общества. В самом деле, отказавшись от законодательного регулирования качества продукции при помощи огромного количества ГОСТ'ов, сделана попытка отрегулировать эту проблему принятием нескольких законов общегосударственного масштаба. Монополизм во многих отраслях хозяйства не позволяет регулировать качество товаров конкуренцией однородной продукции на рынке. А обеспечить качественный выпуск миллионов типов продукции на государственном уровне невозможно. Центры стандартизации и сертификации могут обслуживать импорт-экспорт, частично основные виды промышленной продукции, но обеспечение качества всего ассортимента промышленной продукции - задача для существующей системы стандартизации и сертификации в РФ неподъемная.     

Тем не менее предпринятые Госстандартом усилия по сертификации уже дали достаточно ощутимые результаты. Реализация основных положений принятых законов о метрологии и стандартизации остановила поток устаревшего оборудования и измерительной техники в нашу страну. Значительный прогресс достигнут в измерениях, связанных с экологической оценкой окружающей среды, налажена служба радиационного контроля, на многих предприятиях внедрены современные ресурсосберегающие и экологически чистые технологии и т. д. В современном обществе необходимо восстановление государственных служб, опирающихся на метрологию и измерительную технику. И очень важную роль в восстановлении общественного потенциала страны в измерительной технике должна сыграть существующая у нас система стандартизации и сертификации.

Перечень ссылок:

измерение электромагнитный логометр

1. Методические указания к выполнению курсового проекта по дисциплине «Метрология, стандартизация, сертификация, аккредитация и основы электрических измерений».

. Демидова - Панферова Р.П, Малиновский П.Н. «Задачи по контрольно-измерительной технике».

. ГОСТ 8.207 - 76 «Порядок обработки результатов измерений с многократными наблюдениями».

. Сергеев А.Г., Патышев М.В «Сертификация».

. Декрет кабмина Украины о стандартизации и сертификации 46-93 от 10 мая 1993 года.

. Душина Е.М «Основы метрологии и электрические измерения»,1987.

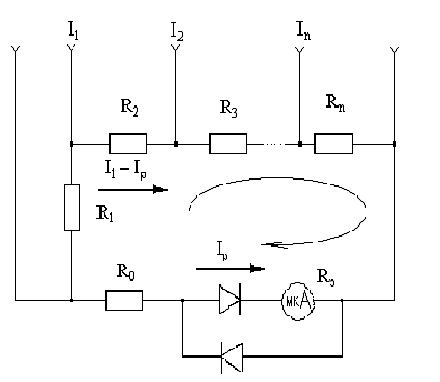
Приложение 1

Типовая принципиальная схема включения шунтирующих резисторов для обеспечения n пределов измерения тока

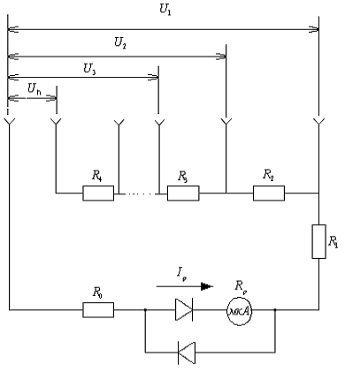
Приложение 2

Принципиальная схема многопредельного вольтметра.

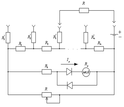
Приложение 3

Принципиальная схема многопредельного омметра.

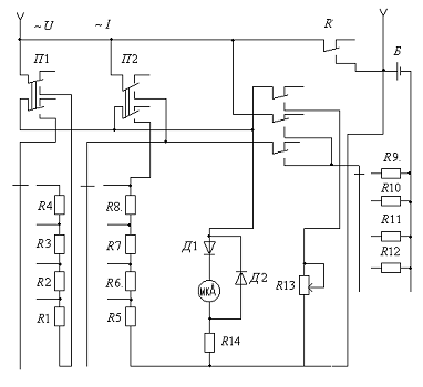
Приложение 4

Принципиальная схема комбинированного прибора.

Условно на принципиальной схеме обозначены:

- добавочные сопротивления вольтметра, величины которых были рассчитаны в пункте 4;

- сопротивления универсального шунта амперметра, величины которых были рассчитаны в пункте 3;

- дополнительные сопротивления омметра, величины которых были рассчитаны в пункте 5;

-диоды выпрямителя;

-переключатели;

-источник питания.

Приложение 5

Спецификация

Таблица 1

Обозначение

Наименование, электр. данные

Кол-во

Примечания

R1

Резистор

1


R2

Резистор

1


R3

Резистор

1


R4

Резистор

1


R5

Шунт

1


R6

Шунт

1


R7

Шунт

1


R8

Шунт

1


R9

Резистор проволочный Ом

1


R10

Резистор проволочный Ом

1


R11

Резистор проволочный Ом

1


R12

Резистор проволочный Ом

1


R13

Резистор переменный Ом

1


R14

Резистор Ом

1


Д1

Диод КД 521 А

1


Д2

Диод КД 521 А

1


П1

Переключатель 2ПК

1


П2

Переключатель 2ПК

1


Б

Элемент 373

1