Материал: Прямые и косвенные измерения

Внимание! Если размещение файла нарушает Ваши авторские права, то обязательно сообщите нам

3)      Взаимное сопротивление между ветвью измеряемого сопротивления и ветвью гальванометра при состоянии равновесия моста определяю по формуле:

, где


Тогда

4)     
Чувствительность моста по напряжению Su к изменению сопротивления Rx определяю по формуле:

, где

чувствительность моста по напряжению Su равна:

, где

ток в ветви питания определяется выражением:


Тогда

Итак


Рисунок 7.2 - Зависимость чувствительности моста по напряжению S’u от изменения сопротивления Rx

5)     
Чувствительность моста по току Si определяю по формуле:

, где


Чувствительность моста по току Si к изменению сопротивления Rx определяю по формуле:


Рисунок 7.3 - Зависимость чувствительности моста по току Si от изменения сопротивления Rx.

) Чувствительность моста по мощности Sw к изменению сопротивления Rx определяю из выражения:

Рисунок 7.4- Зависимость чувствительности моста по мощности Sw от изменения сопротивления Rx.

) Зависимость тока в гальванометре от изменения сопротивления Rx

Допустим, что сопротивление источника питания равно , тогда:

Ток в гальванометре при разрыве ветви Rx (Rx= ∞) равен:


Входное сопротивление цепи по отношению к ветви Rx нахожу из выражения:


Ток в магнитоэлектрическом гальванометре при разных значениях Rx определяется по формуле:

, где

, откуда


Значения тока при различных Rx приведены в таблице 7.1

Таблица 7.1 - Значения тока

Rx,Ом

10

15

20

25

30

35

40

45

50

1,557 мА

3,453 мА

5,35 мА

7,247 мА

9,143 мА

0,011 А

0,013 А

0,015 А

0,017 А


Рисунок 7.5-Зависимость тока гальванометра от изменения сопротивления Rx.

8. Подробное решение задачи на расчет двойного измерительного моста постоянного тока

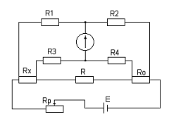
Дан двойной измерительный мост постоянного тока (рис. 8.1) с параметрами, приведенными в таблице 8.1. Определите сопротивление Rx , при котором мост уравновешен; зависимость тока в гальванометре от изменения сопротивления Rx , а также чувствительность моста по току Si к изменению сопротивления Rx .

Таблица 8.1 - Исходные данные

R0, Ом

R1=R3, Ом

R2=R4, Ом

Rг, Ом

Rp, Ом

R, Ом

E, В

0,1

250

100

30

1,55

0,01

5


Рисунок 8.1 - двойной измерительный мост постоянного тока

Решение:

) Сопротивление Rx , при котором мост уравновешен, определяю по формуле:

2) Чувствительность моста по току Si к изменению сопротивления Rx определяю по формуле:

, где

Ix - ток в сопротивлении Rx, определяю по формуле:


 - взаимное сопротивление ветви указателя равновесия и ветви измеряемого сопротивления при Rг=0 нахожу по формуле:


Кг- коэффициент согласования сравнивающего устройства с цепью, определяется по формуле:

, где

 - входное сопротивление со стороны зажимов , определяю из выражения:

,

тогда чувствительность моста по току равна:


Рисунок 8.2 - Зависимость чувствительности моста по току Si от изменения сопротивления Rx

) Зависимость тока в гальванометре от изменения сопротивления Rx определяю по формуле:

, где

Rxx - входное сопротивление цепи по отношению к ветви Rx при равновесии:


тогда зависимость тока в гальванометре имеет вид:

9.         
Основные цели и задачи стандартизации

Стандартизация - это деятельность, направленная на разработку и установление требований, норм, правил, характеристик как обязательных для выполнения, так и рекомендуемых, обеспечивающая право потребителя на приобретение товаров надлежащего качества за приемлемую цену, а также право на безопасность и комфортность труда.

Цель стандартизации - выявление наиболее правильного и экономичного варианта, т. е. нахождение оптимального решения. Найденное решение дает возможность достичь оптимального упорядочения в определенной области стандартизации. Для превращения этой возможности в действительность необходимо, чтобы найденное решение стало достоянием большего числа предприятий (организаций) и специалистов. Только при всеобщем и многократном использовании этого решения существующих и потенциальных задач возможен экономический эффект от проведенного упорядочения.

Цели стандартизации можно подразделить на общие и более узкие, касающиеся обеспечения соответствия. Общие цели вытекают, прежде всего, из содержания понятия. Конкретизация общих целей для украинской стандартизации связана с выполнением тех требований стандартов, которые являются обязательными. К ним относятся разработка норм, требований, правил обеспечивающих:

o безопасность продукции, работ, услуг для жизни и здоровья людей, окружающей среды и имущества;

o   совместимость и взаимозаменяемость изделий;

o   качество продукции, работ и услуг в соответствии с уровнем развития научно-технического прогресса;

o   единство измерений;

o   экономию всех видов ресурсов;

o   безопасность хозяйственных объектов, связанную с возможностью возникновения различных катастроф (природного и техногенного характера) и чрезвычайных ситуаций;

o   обороноспособность и мобилизационную готовность страны.

Конкретные цели стандартизации относятся к определенной области деятельности, отрасли производства товаров и услуг, тому или другому виду продукции, предприятию и т. д.

Основными задачами стандартизации являются:

o установление требований к техническому уровню и качеству продукции, сырья, материалов, полуфабрикатов и комплектующих изделий, а также норм, требований и методов в области проектирования и производства продукции, позволяющих ускорять внедрение прогрессивных методов производства продукции высокого качества и ликвидировать нерациональное многообразие видов, марок и размеров;

o   развитие унификации и агрегатирования промышленной продукции как важнейшего условия специализации производства; комплексной механизации и автоматизации производственных процессов, повышение уровня взаимозаменяемости, эффективности эксплуатации и ремонта изделий;

o   обеспечение единства и достоверности измерений в стране, создание и совершенствование государственных эталонов единиц физических величин, также методов и средств измерений высшей точности;

o   разработка унифицированных систем документации, систем классификации и кодирования технико-экономической информации;

o   принятие единых терминов и обозначений в важнейших областях науки, техники, отраслях народного хозяйства;

o   формирование системы стандартов безопасности труда, систем стандартов в области охраны природы и улучшения использования природных ресурсов;

o   создание благоприятных условий для внешнеторговых, культурных и научно-технических связей.

В Украине установлены следующие категории нормативно-технической документации, определяющей требования к объектам стандартизации:

o государственные стандарты (ГОСТ);

o   отраслевые стандарты (ОСТ);

o   республиканские стандарты (РСТ);

o   стандарты предприятий (СТП);

o   стандарты общественных объединений (СТО);

o   технические условия (ТУ);

o   международные стандарты (ИСО/МЭК)

o   региональные стандарты;

o   межгосударственные стандарты;

o   национальные стандарты.

Государственные стандарты (ГОСТ) разрабатывают на продукцию, работы, услуги, потребности в которых носят межотраслевой характер. Стандарты этой категории принимает Госстандарт Украины. В стандартах содержатся как обязательные требования, так и рекомендательные. К обязательным относятся: безопасность продукта, услуги, процесса для здоровья человека, окружающей среды, имущества, а также производственная безопасность и санитарные нормы, техническая и информационная совместимость и взаимозаменяемость изделий, единство методов контроля и единство маркировки. Требования обязательного характера должны соблюдать государственные органы управления и все субъекты хозяйственной деятельности независимо от формы собственности. Рекомендательные требования стандарта становятся обязательными, если на них есть ссылка в договоре (контракте).

Порядок проведения стандартизации

Работа технического комитета по стандартизации начинается со сбора заявок на разработку стандарта. Заявителями могут быть государственные органы и организации, общественные объединения, научно-технические общества, предприятия, фирмы, предприниматели, которые направляют заявки в технический комитет.

На основе заявок Госстандарт Украины формирует годовой план государственной стандартизации Украины.

Разработке проекта стандарта предшествует организационная работа технического комитета по стандартизации. На этой стадии технический комитет стремится более определенно обозначить организации, от которых целесообразно получить отзыв на проект стандарта.

Разработка проекта проходит две стадии. Вначале создается первая редакция. Основные требования к первой редакции касаются соответствия проекта законодательству Украины, международным правилам и нормам, национальным стандартам зарубежных стран при условии прогрессивности этих документов и более высокого научно-технического уровня.

Проект в первой редакции члены ТК должны рассмотреть либо на специальном заседании, либо путем переписки, чтобы удостоверится в его соответствии условиям договора на разработку стандарта, требования украинского законодательства и положениям Государственной системы стандартизации. После этого проект рассылается на отзыв заказчикам стандарта и выявленным ранее заинтересованным организациям

Вторая стадия разработки заключается в анализе полученных отзывов, составлении окончательной редакции проекта нормативного документа и подготовки его к принятию. Окончательная редакция должна быть рассмотрена членами ТК, органами государственного контроля и надзора за соблюдением обязательных требований стандарта, научно-исследовательскими институтами Госстандарта. Если с окончательной редакцией проекта согласны не менее двух третей членов ТК, то документ считается одобренным и рекомендуется для принятия. Проект стандарта должен быть направлен в Госстандарт и заказчику нормативного документа.

Принятие стандарта осуществляет Госстандарт. Процедура принятия включает обязательный анализ содержания проекта на соответствие законодательству Украины, метрологическим правилам и нормам, терминологическим стандартам. Стандарт принимается консенсусом, после чего устанавливается дата его введения в действие. Срок действия стандарта, как правило, не определяется. Далее стандарт подлежит регистрации, информация о нем публикуется в ежегодном Информационном указателе.

Стандарт не должен быть тормозом для развития экономики в соответствии с достижениями научно-технического прогресса.

При необходимости обновления стандарта ТК разрабатывает проект изменения, проект пересмотренного стандарта или предложения по отмене действующего нормативного документа и вносит предложения в Госстандарт.

Пересмотр государственного стандарта по существу является разработкой нового взамен действующего. Необходимость пересмотра возникает в том случае, если вносимые изменения связаны со значительной корректировкой основных показателей качества продукции и затрагивает ее совместимость и взаимозаменяемость.

Отмена стандарта может осуществляться как с заменой его новым, так и без замены. Причиной, как правило, служит прекращение выпуска продукции либо принятие нового стандарта.