Материал: Прямые и косвенные измерения

Внимание! Если размещение файла нарушает Ваши авторские права, то обязательно сообщите нам

 или  (3.1)

Решая это уравнение относительно , получим:  (3.2)

Электромагнитные измерительные механизмы используются в настоящее время в амперметрах, вольтметрах, в фазометрах и частотомерах.

Главными достоинствами электромагнитных приборов являются: простота конструкции и, как следствие, дешевизна и надежность в работе; способность выдерживать большие перегрузки, что объясняется отсутствием токоподводов к подвижной части; возможность применения для измерений в цепях постоянного и переменного тока (отдельных приборов до частоты примерно 10000 Гц).

К недостаткам приборов относятся относительно малые точность и чувствительность.

4. Подробное решение задач с использованием измерительных схем включения

.1 Задача 10

Имеется многопредельный амперметр. При коэффициенте шунтирования n = 100 амперметр имеет предел измерения 2,5 А, а падение напряжения на его зажимах при токе полного отклонения Uном = 75мВ. Определите сопротивления шунтов и пределы измерения прибора при следующих коэффициентах шунтирования: 200, 300, 1000, 2000, 3000, 4000 и 5000. Приведите измерительную схему.

РЕШЕНИЕ:

Схема измерения имеет вид:

Рисунок 4.1 - расширение пределов измерения амперметра при помощи шунта

Исходные данные:

Определим сопротивление амперметра:


Найдем сопротивление шунта:


где  - сопротивление шунта.

Определим сопротивления шунта при коэффициентах шунтирования 200, 300, 1000, 2000, 3000, 4000, 5000:


Определим пределы измерения амперметра при коэффициентах шунтирования 200, 300, 1000, 2000, 3000, 4000, 5000:

Составим пропорцию: 100 - 2,5А

- х , где х - искомый предел измерения.

Итак, пределы измерений амперметра таковы:


4.2 Задача 40

Определите номинальную Сном и действительную С постоянные счетчика электрической энергии, его относительную погрешность и поправочный коэффициент, если паспортные данные счетчика: 220 В, 5 А, 50 Гц, 1 кВт • ч - 1280 оборотов диска. Счетчик поверен и при напряжении 220 В и токе 5 А сделал 150 оборотов за 6 мин.

РЕШЕНИЕ:

Найдем номинальную постоянную счетчика:

 , где

N - передаточное число диска.

Найдем действительную постоянную счетчика:

, где

t - время, за которое счетчик сделал 150 оборотов, [c];

Р - потребляемая мощность;

n - число оборотов за 360 с.

Относительная погрешность счетчика равна:


Зная действительную  и номинальную Сном постоянные счетчика, определим поправочный коэффициент :

.

4.3 Задача 60

Определите наибольшую возможную относительную погрешность при измерении сопротивления с помощью метода вольтметра - амперметра, если приборы показывают 25 В и 12,5 А. Вольтметр на номинальное напряжение 30 В класса точности 2,5 с (внутреннее сопротивление 2,5 кОМ), амперметр на номинальный ток 15 А класса точности 1,5 (внутреннее сопротивление 0,2 Ом). Приведите измерительную схему.

РЕШЕНИЕ:

Приведем измерительную схему:

а)                                                     б)

Рисунок 4.3 - Схемы измерения сопротивления методом амперметра-вольтметра для малых (а) и больших (б) значений

Найдем величину измеряемого сопротивления по схеме а):


Рассчитаем абсолютную и относительную погрешности метода измерения по схеме а):


где  - абсолютная погрешность измерения,  - относительная погрешность измерения.

Найдем величину измеряемого сопротивления по схеме б):


Рассчитаем абсолютную и относительную погрешности метода измерения по схеме б):


Сравнив значения погрешностей измерений по схеме а) и б), можно сделать вывод о том, что необходимо использовать схему для измерения малых сопротивлений.

Рассчитаем значения абсолютных погрешностей приборов:

 

;

Относительная погрешность измерения:


5. Подробное решение задачи на расширение пределов измерения

Расширить пределы измерения следующих приборов и привести измерительную схему с оценкой погрешностей измерения. В вариантах заданий с измерительными трансформаторами тока и напряжения рассмотреть и привести схему замещения, векторную диаграмму и аварийные режимы их работы, а также охарактеризуйте источники погрешностей и способы их снижения. Варианты заданий предусматривают расширение пределов измерения по:

схеме 1 - амперметра с использованием измерительного шунта и измерительного трансформатора тока;

схеме 2 - вольтметра с использованием добавочного резистора, резистивного делителя напряжения, и измерительного трансформатора напряжения;

схеме 3 - вольтметра с использованием емкостного делителя напряжения (f=50Гц).

Вар

Схема 1

Схема 2

Схема 3






I, A

In, A

Rn, Oм

U, В

Unp, B

Rnp, кOм

U, B

Un, B

Cn, нФ

1

100

5

0,2

10

1

5

10

1

5


Исходные данные:

Схема 1 -

Схема 2 -

Схема 3 -

РЕШЕНИЕ:

5.1 Схема 1

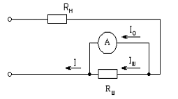
Расширение пределов амперметра с использованием шунта:

Измерительная схема приведена на рис. 5.1.

Рисунок 5.1 - Схема расширения пределов измерения амперметра с использованием измерительного шунта

Рассчитаем сопротивление шунта:

.

Расширение пределов измерения амперметра с использованием трансформатора тока(ИТТ)

Рисунок 5.2. - Схема расширения пределов измерения амперметра с использованием ИТТ

Определяем коэффициент трансформации ИТТ:


Определяем количество витков в обмотках:

Принимаем число витков в первичной обмотке W1=10, тогда число витков во вторичной обмотке составит:


Построение векторной диаграммы:

На рисунке 5.3 приведена векторная диаграмма трансформатора тока, построение которой начато с вектора магнитодвижущей силы (м.д.с.) вторичной обмотки I1w2. Вектор напряжения U2 получен как сумма векторов падения напряжения I2R и I2X - на активном R и реактивном X сопротивлениях нагрузки при токе I2 во вторичной цепи трансформатора.

Электродвижущая сила Е2, наводимая во вторичной обмотке потоком Фо сердечника, получена в результате сложения вектора U2, с векторами I2R2 и I2X2 падений напряжения на активном R2 и реактивном Х2 сопротивлениях вторичной обмотки.

Вектор м.д.с. I2w2 сдвинут по фазе относительно вектора м.д.с I1w1 почти на , то есть м.д.с. I2w2 оказывает размагничивающее действие. Вследствие этого магнитный поток Фо в сердечнике создается результирующей м.д.с. I0w1, называемой полной намагничивающей силой трансформатора.

М.д.с. I0w1 состоит из реактивной составляющей Iμw1, непосредственно создающей поток Фо и совпадающий с ним по фазе, и активной составляющей Iaw1, опережающей Фо на , определяемой потерями на гистерезис и вихревые токи в сердечнике.

Вектор м.д.с. I1w1 получен сложением вектора м.д.с. I0w1 с повернутым на  вектором м.д.с. - I2w2, то есть

При номинальном режиме работы трансформатора тока м.д.с. I0w1 обычно составляет не более 1% от м.д.с. I1w1 (или I2w2).

Рисунок 5.3 - векторная диаграмма трансформатора тока

Рассмотрим принцип действия измерительного трансформатора тока (ИТТ). Измерительные трансформаторы состоят из двух изолированных друг от друга обмоток: первичной с числом витков W1 и вторичной W2 , помещенных на ферромагнитный сердечник. В трансформаторах тока, как правило, первичный ток I1 больше вторичного I2, поэтому у них W1 < W2. Трансформаторы тока используются как преобразователи больших переменных токов в относительно малые токи, допустимые для измерений приборами с небольшими стандартными пределами измерения.

Принцип действия ИТТ описывается уравнением МДС:

,

где I0 - ток намагничивания; W1 ,W2 - число витков первичной и вторичной обмоток; I1, I2 - ток первичной и вторичной обмоток.

Поскольку ко вторичной обмотке измерительного трансформатора тока подключаются амперметры, токовые обмотки ваттметров, счетчиков электрической энергии и фазометров, сопротивление которых очень мало, трансформаторы тока работают в режиме, близком к короткому замыканию. Характер нагрузки индуктивно-активный.

Погрешность ИТТ обусловлена различием между номинальным и действительным коэффициентами трансформации. Она зависит от свойств материала сердечника, сопротивления вторичной цепи, значения первичного тока. Кроме основной погрешности ИТТ существует угловая погрешность - δ, величина которой составляет до 3 минут.

Размыкание вторичной цепи является аварийным режимом, так как при этом намагничивание сердечника осуществляется полностью первичным током, сердечник входит в насыщение, значение его магнитного сопротивления велико, что приводит к перегреву сердечника, порче изоляции, намотки, напряжение на вторичной обмотке может достигать сотен вольт, что опасно для обслуживающего персонала. В связи с этим у выпускаемых промышленностью трансформаторов тока предусматриваются устройства для закорачивания вторичной обмотки при необходимости осуществления нужных переключений во вторичной цепи при включенной первичной обмотке.

На класс точности трансформаторов тока влияют материал магнитопровода, активное и индуктивное сопротивления, добротность и другие параметры. Так, например, при возрастании индуктивного сопротивления нагрузки увеличивается токовая погрешность f1 , но уменьшается угловая погрешность.


Расширение пределов измерения вольтметра с помощью добавочного резистора

Измерительная схема приведена на рис. 5.4.

Рисунок 5.4 - Схема расширения пределов измерения вольтметра с использованием добавочного резистора

Рассчитаем сопротивление добавочного резистора:

.

Расширение пределов измерения вольтметра с помощью измерительного трансформатора напряжения

Измерительная схема приведена на рис. 5.5.

Рисунок 5.5 - Схема расширения пределов измерения вольтметра с использованием ИТН

Рассчитаем необходимое число витков обмоток трансформатора:


Примем W2 = 10, тогда:


Векторная диаграмма ИТН приведена на рис. 5.6.

Режим работы ИТН приближается к режиму холостого хода, так как ко вторичной его обмотке подключаются приборы с относительно большим сопротивлением (вольтметры, цепи напряжения ваттметров, счетчиков, фазометров и т. п.). Характер нагрузки предполагается активно-индуктивный. Следовательно, аварийным режимом трансформаторов напряжения следует считать режим короткого замыкания.

Как видно из векторной диаграммы вектор первичного напряжения U1 не равен вектору вторичного напряжения U2. Следовательно, имеют место погрешности напряжения fU и угловая δU, которые зависят от токов I2 и I0 и сопротивлений обмоток трансформатора и нагрузки.

Рисунок 5.6 - Векторная диаграмма ИТН

Наибольшее влияние на погрешности оказывает нагрузка во вторичной цепи трансформатора. Поэтому во вторичную цепь нужно включать такое количество приборов, чтобы потребляемая мощность не превышала номинальной мощности трансформатора. Также погрешность ИТН обусловлена различием между номинальным и действительным коэффициентами трансформации. Она пропорциональна сопротивлениям обмоток трансформатора (стремится к нулю при равенстве их значений нулю), магнитному сопротивлению сердечника и обратно пропорциональна сопротивлению нагрузки (при неизменном ее коэффициенте мощности) и частоте измеряемого напряжения. При изменении первичного напряжения и постоянной нагрузке изменяется магнитное сопротивление, а значит, и погрешность.

Схема замещения трансформатора напряжения

При следующих допущениях трансформатор можно представить эквивалентной схемой, изображенной на рисунке 5.7 :