Материал: Проектирование электрической подстанции 110/10 кВ

Внимание! Если размещение файла нарушает Ваши авторские права, то обязательно сообщите нам

Так как мощность нагрузки собственных нужд ПС 62,5 кВА и ПС без дежурного персонала, то возьмем ТСН типа ТЛС-СЭЩ-63/10. Так как оперативным током на ПС служит постоянный ток, то ТСН присоединяется через предохранитель к шинам КРУН НН.

Для защиты трансформатора собственных нужд от перенапряжений устанавливаем ограничитель перенапряжения типа ОПНп-10 расположен в вынесеном ТСН.

А.                                                          (3.2)

Выбор предохранителя

Предохранитель типа ПКТ101-10-5-12,5УЗ

Условия выбора приведены в таблице 3.2

Условие выбора

Расчётные величины

Каталожные данные


Условия выполняются, следовательно, предохранитель выбран верно.

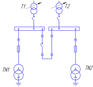
.6 Выбор схемы питания трансформаторов собственных нужд

Схема питания ТСН зависит от вида оперативного тока, от категории подстанции. На данной подстанции применена система постоянного оперативного тока, поэтому ТСН подключаем через предохранители к шинам КРУН 10 кВ.

Рисунок 3.6 Схема питания ТСН

4. Выбор электрических аппаратов, кабелей и электроизмерительных приборов

.1 Проверка электрических аппаратов стороны ВН

Ток в сети в нормальном режиме:

Ток нормального режима

А                                                 (4.1)

Максимальный ток

= ==А                                                                      (4.2)

Примем к расчету наибольшее значение А

где: Smax - максимальная мощность нормального режима;

S`max - максимальная мощность послеаварийного режима

Дальнейший расчёт ведём по току послеаварийного режима Imax.

4.1.1 Выбор разъединителей

Таблица 4.1 Выбор и проверка разъединителя типа РГ-2-II-110/1000 У1

Условия проверки

Расчетные величины

Каталожные данные

Выбор





Проверка





Условия выполняются [приложение Б].

4.1.2 Выбор выключателей на стороне ВН

Таблица 4.2. Выбор и проверка высоковольтного выключателя на ВН типа ВГТЗ-110-II-40/2500 У3

Условия проверки

Расчетные величины

Каталожные данные

Выбор







Проверка












Условия выполняются

4.1.3 Выбор и проверка ограничителей перенапряжений

Выбираем для защиты ПС от атмосферных и коммутационных перенапряжений ограничители перенапряжения:

Таблица 4.3. на ВН типа ОПНп-110 УХЛ1.

Условия выбора

Расчетные величины

Каталожные данные




Условие выполняется

В нейтраль силового трансформатора ОПНн-110/56 У1

4.1.4 Выбор трансформаторов тока

1. Выбираем на стороне ВН ТТ

Таблица 4.5 Выбор и проверка ТТ на стороне ВН типа ТОЛ-110-II 300/5 У1

Условия проверки

Расчетные величины

Каталожные данные

Выбор





Проверка






Условия выполняются

. Выбираем ТТ, встроенные в силовые трансформаторы,

Таблица 4.6. Проверка ТТ, встроенных в силовой трансформатор, типа ТВТ-110-III-200/5

Условия проверки

Расчетные величины

Каталожные данные

Выбор





Проверка




Условия выполняются.

4.2 Выбор и проверка оборудования на стороне НН

Ток в сети в нормальном режиме будет равен

A                                                (4.3)

Максимальный ток

А                                                     (4.4)

Ток в линии самого мощного потребителя

А                                                       (4.5)

где  - нагрузка самого мощного потребителя, МВт.

 МВА                                                            (4.6)

Ток резерва:

А                                                    (4.7)

Дальнейший расчёт ведём по току послеаварийного режима I мах


4.2.1 Выбор выключателей на стороне НН

Таблица 4.7 Проверка выключателей НН. В качестве вводного выключателя НН VS1BEL-12 HEAG

Условия выбора

Расчетные величины

Каталожные данные

Выбор







Проверка












Вывод: VS1BEL-12 HEAG удовлетворяет условиям.

Таблица 4.8 Выбор секционного выключателя типа VS1BEL-12 HEAG

Условия выбора

Расчетные величины

Каталожные данные

Выбор







Проверка











Вывод: VS1BEL-12 HEAG удовлетворяет условиям.

Таблица 4.9 Выбор и проверка выключателя отходящей линии, типа VS1BEL-12 HEAG

Условия выбораРасчетные величиныКаталожные данные



Выбор







Проверка