Материал: Проектирование электрической подстанции 110/10 кВ

Внимание! Если размещение файла нарушает Ваши авторские права, то обязательно сообщите нам

(2.20)

                                                               (2.21)

Б) На стороне НН: секционные выключатели разомкнуты

Рисунок 2.6 Схема замещения секционные выключатели разомкнуты

                                               (2.22)

                                                              (2.23)

Максимальный ток трехфазного КЗ на стороне ВН - 11,62 кА

Максимальный ток трехфазного КЗ на стороне НН - 21,56 кА

Для ограничения тока КЗ принимаем раздельную работу трансформаторов (секционный выключатель отключен):

В качестве вводного выключателя ВН выбираем:

ВГТЗ-110-II-40 (tco=0,035 c, to=0,055 c) [16]

В качестве вводного выключателя НН выбираем:

VS1BEL-12 HEAG (tco=0,03 c, to=0,05 c) [17]

Полное время отключения цепи при КЗ:

ВН:                         (2.24)

НН:                            (2.25)

где tз - время действия релейной защиты, с и - полное время отключения выключателя, с.

Время отключения тока КЗ:

ВН:                                (2.26)

НН:                                  (2.27)

где tз - время действия релейной защиты, с и - собственное время отключения выключателя, с.

Определяем постоянную времени затухания апериодической составляющей , с (выбираем по таблицам [8]):

ВН:  ,                                                          (2.28)

НН:  ,                                                             (2.29)

Определение значение апериодической составляющей в момент времени:

ВН:                       (2.30)

НН:                             (2.31)

Находим ударный ток , кА

ВН:              (2.32)

НН:               (2.33)

импульс квадратичного тока КЗ.

ВН:

                                                                          (2.34)

НН:

                                                                                 (2.35)

.2 Определение необходимости ограничения тока КЗ

Необходимость ограничения тока к.з. на шинах НН должна быть определена на основании проверки двух условий :

1)   возможностью отключения тока к.з. выключателями

                                                          (2.36)

где  - номинальный ток отключения выключателя НН, кА ;

1)   термической стойкостью головных участков кабельной сети, т.е. кабелей, отходящих от РУ НН.

Минимальную площадь сечения кабеля, отвечающую требованию его термической стойкости при КЗ, можно приближенно определить по импульсу квадратичного односекундного тока КЗ кабеля.

=                                                    (2.37)

где  =1с, согласно данным завода изготовителя.

-квадрат односекундного тока КЗ кабеля СПЭ,кА

,956,621=43,56

Выбираем сечение кабеля мм2 НН с алюминиевыми многопроволочными жилами с изоляцией из сшитого полиэтилена.

Так как оба вышеперечисленных условия выполняется, то в ограничении токов КЗ мы не нуждаемся.

трансформатор ток кабель электроизмерительный

3. Разработка схем подстанции

.1 Определение структурной схемы и основных характеристик подстанции

Выбранный вариант структурной схемы ПС должен быть подробно разработан для обоих напряжений (ВН и НН). Подробная разработка приводит к составлению принципиальной электрической схемы главных цепей подстанции, называемой в дальнейшем «главной схемой».

Разработка главной схемы предполагает выбор ее вида, определения количества систем шин и секций РУ, расстановку электрических аппаратов в зависимости от структурной схемы, номинального напряжения, режимов работы оборудования и нейтрали, требований надежности и других условий.

Регион, в котором должна будет располагаться ПС, имеет степень загрязнения атмосферы >IV и ограничение по площади. В связи с этим применим закрытое распределительное устройство на напряжение 110 кВ в здании-укрытии “Самара”. ЗРУ СЭЩ “Самара” версия 1.1 является разработкой 2014 года, предназначено для приёма и распределения электрической энергии трёхфазного переменного тока промышленной частоты 50 Гц на напряжение 110 кВ. Для разработки низшего напряжения применим КРУН.

Данная подстанция будет состоять из следующих элементов:

- ЗРУ-110 кВ;

- силовые трансформаторы ТДН 25МВА;

КРУН (комплектное распределительное устройство наружной установки);

жесткой и гибкой ошиновок;

заземления;

грозозащиты;

кабельных конструкций;

фундаментов и ограждений;

осветительных устройств;

системы внутреннего отопления и вентиляции;

охранно-пожарной сигнализации;

линейного ввода.

Рисунок 3.1 Структурная схема

Данная ПС предназначена для распределения электроэнергии между потребителями. Из них 10% приходится на потребителей I - категории, 15% II - категории и 75% III категории. Процент резерва по сети низшего напряжения - 10%.

.2 Разработка схемы высшего напряжения

Для ВН применяем КТП СЭЩ Б(М) “Самара”-110-4Н-Г/10-59. Расшифровывается:

комплектная трансформаторная подстанция модернизированная - КТП СЭЩ Б(М),

в здании “Самара”,

на стороне высшего напряжения номинальное напряжение - 110 кВ,

номер схемы - 4Н,

условное обозначение типа выключателя ВГТЗ-110 кВ - Г,

номинальное напряжение стороны низшего напряжения - 10 кВ,

условное обозначение типа ячеек КРУН К-59.

Рисунок 3.2 Схема ВН ПС

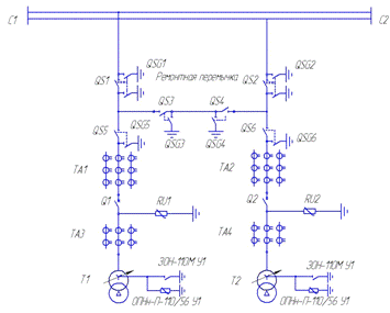
ПС ответвительная и подключена к двум ВЛ, применяется ремонтная перемычка, так как оборудование находится в ЗРУ. В схеме для связи мы используем волоконно-оптические кабели.

Режим нейтрали

В сетях 110 кВ режим нейтрали эфективно - заземленный согласно ПУЭ [11]. Для этого в нейтраль трансформатора установим ОПНн-П-110/56 У1 и ЗОН-110М У1.

Рисунок 3.3 Схема ответвительной подстанции

В составе ЗРУ есть ограничители перенапряжений и выключатели. Для передачи сигнала измерительным приборам и устройствам защиты и управления установлен трансформатор тока ТВТ-110 III.

3.3 Разработка схемы низшего напряжения

Так как трансформаторы не имеют расщеплённую обмотку НН, РУ НН будет содержать две секции шин. В КРУН установим шкафы серии К59 [приложение Б], они предназначены для приёма и распределения электрической энергии трёхфазного переменного тока частоты 50 Гц напряжением 10 кВ. Габаритные размеры этих шкафов : 750х3060х3180 мм.

Рисунок 3.4 Схема НН ПС

Количество отходящих кабельных линий -38,из них: 4 потребителя I-й категории, 12 потребителей II-й категории и 22 потребителей III-й категории.

В составе КРУ НН- две секции сборных шин 10 кВ, в каждой секции: 8 кл отходящих кабельных линий (2 кл -потребитель I-й категории,6 кл- потребитель II-й категории, 11 кл III-й категории), кл вводного выключателя, кл трансформатора напряжения, резервная кл и, кроме того, кл секционного выключателя, кл трансформатора собственных нужд. Всего по 13 кл на каждой секции СШ. В КРУН предусмотрено отопление, вентиляция, питание внутреннего освещения напряжением 220 В, 50 Гц и переносного освещения - 36 В, 50 Гц. Конструкция блоков РУ обеспечивает свободный доступ для обслуживания и ремонта электрооборудования. Все наружные двери КРУН приспособлены для пломбирования, а также снабжены устройствами для фиксации в закрытом положении. Высоковольтная часть блока разделена вертикальными перегородками на ячейки (шкафы), в которых размещено высоковольтное оборудование и аппаратура вспомогательных цепей. В отсеке выдвижного элемента располагается вакуумный выключатель VS1BEL-12 HEAG [приложение Б] на колесной тележке, защитные шторки, закрывающие доступ к силовым токоведущим частям при выкатывании выдвижного элемента в ремонтное положение, узлы заземления и фиксации выдвижного элемента в рабочем и контрольном положении. В отсеке ввода-вывода размещены трансформаторы тока ТОЛ-СЭЩ-10 У2 [приложение Б], заземляющий разъединитель, трансформатор тока нулевой последовательности ТЗЛМ-1-10. В каждой секции шин имеется ячейка с трансформатором напряжения НАМИ-10 [приложение Б], подключенным через предохранитель ПКН-001-10 У3.

Режим нейтрали на стороне НН:

                                                             (3.1)

Так как, Ic=12А<20А согласно ПУЭ применим изолированный режим нейтрали.

3.4 Выбор оперативного тока

Оперативный ток (постоянный, переменный, выпрямленный) выбирается в зависимости от категории ПС, типа приводов, наличия резервного источника питания, вида обслуживания ПС, категорийности потребителей, питающихся от ПС. В настоящее время на ПС напряжением 110 кВ применяют постоянный оперативный ток. [5]

Система постоянного оперативного тока

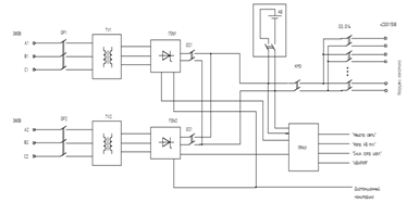
Для этого применяются шкафы управления ШУОТ. Шкафы управления оперативным током - современные сложные электротехнические устройства на унифицированной элементной базе с микропроцессорной системой управления. Предназначены для питания цепей постоянного тока ответственных потребителей (терминалов РЗА, высоковольтных выключателей, аварийного освещения) установленным напряжением и непрерывного заряда аккумуляторных батарей с контролем их состояния.

Применяются в системах постоянного тока электростанций и распределительных подстанций объектов электроэнергетики, нефтегазовой, химической, горнодобывающей, металлургической и других отраслей промышленности. Положительно зарекомендовали себя при квалификационных, типовых, периодических, приёмо-сдаточных испытаниях и в реальных условиях эксплуатации. Конструкция одностороннего обслуживания имеет габаритно-установочные размеры, позволяющие использовать устройства в модульных зданиях, комплектных трансформаторных подстанциях и распределительных устройствах любых типов. Шкафы управления оперативным током серии ШУОТ-2405 выпускаются серийно на базе низкочастотных тиристорных выпрямителей с трансформатором на входе.

Стандартные устройства изготавливаются на номинальное входное линейное напряжение питающей сети 380В, в исполнении 1 по резервированию, с установленным производителем количеством и распределением отходящих линий (фидеров), типом и током автоматических выключателей на входе и выходе, на время поддержки от аккумуляторных батарей 60 минут.

Рисунок 3.5 Схема ШОУТ 24 05

Представляют собой конструкцию одностороннего обслуживания в составе:

      шкаф подзарядного устройства (ПЗУ) полупроводниковый, состоящий из двух управляемых тиристорных выпрямителей (ПЗУ1 и ПЗУ2) с двумя микропроцессорными системами контроля и управления, осуществляющих питание нагрузки выпрямлённым стабилизированным напряжением, заряд и подзаряд аккумуляторных батарей;

      шкаф с комплектом аккумуляторных батарей (Шкаф АБ), осуществляющих снижение пульсаций выпрямлённого напряжения, компенсацию энергопотребления при пиковых нагрузках, превышающих мощность ПЗУ и, в случае перерывов в электроснабжении, обеспечение нагрузки электроэнергией. Конструкция предусматривает подводку внешних кабелей снизу (из кабельных каналов или проёмов), крепление вводных кабелей и обеспечивает работоспособность в вертикальном положении с допустимым отклонением до 5 градусов в любую сторону. Функциональные узлы, платы управления и места их установки имеют конструктивные элементы или соответствующие надписи (маркировку), предотвращающие неправильную установку и включение. Все металлические детали имеют антикоррозионные покрытия. Охлаждение воздушное естественное.

Пульт местного управления устройств состоит из информационного дисплея и клавиатуры. Дисплей построен на базе двух строчного 20-символьного жидкокристаллического индикатора (ЖКИ) и светодиодов.

Устройства оснащены классическими видами световой и внешней сигнализации с выводом сигналов «сухими контактами» на диспетчерский пункт.

.5 Выбор трансформаторов собственных нужд

Рассчитаем нагрузки собственных нужд для двухтрансформаторной ПС без дежурного персонала. Результат занесем в таблицу 3.1.

Электроприемник

Установленная мощность

Коэф. мощн. соsφ

Количество

Коэфф. спроса

Расчетная мощность

-

кВт

-

шт

-

кВт

кВ.А

Электродвигатели обдува трансформатора

3

0,85

-

0,85

2,55

3

Обогреватель шкафа КРУ

1

1

20

1,0

20

Обогреватель шкафа релейной аппаратуры

0,5

1

6

1,0

3

3

Отопление, освещение и вентиляция ЗРУ

15

1

2

0,8

24

24

Отопление общеподстанционного пункта управления (ОПУ)

6

1

1

1,0

6

6

Наружное освещение СКУ-12-220 (аналог 250Вт ДРЛ)

0,07

1

12

0,5

0,42

0,42

Оперативные цепи

1,8

1

1

1,0

1,8

1,8

ИТОГО:





57,77

59,77