Материал: Проектирование электрической подстанции 110/10 кВ

Внимание! Если размещение файла нарушает Ваши авторские права, то обязательно сообщите нам

Проектирование электрической подстанции 110/10 кВ

РЕФЕРАТ

В курсовом проекте отражены вопросы, связанные к проектированию электрической части понижающей подстанции.

Перечень ключевых слов: подстанция, надёжность, нагрузка, заземлитель, трансформатор тока, трансформатор напряжение, схема, мощность, установка, короткое замыкание.

Объектом разработки в курсовом проекте является электрическая часть понижающей подстанции.

Цель курсового проекта: спроектировать надёжную, экологически безопасную, удобную в монтаже и эксплуатации, а так же отвечающим всем требованиям понижающую подстанцию.

При проектировании применили действующие нормы технологического проектирования подстанции и правил устройств электроустановок. ГОСТы и типовые схемы принципиальных электрических распределительных устройств, а так же современное электрооборудование, что помогло достичь цель курсового проекта.

При выполнении проекта рассмотрены вопросы обеспечения безопасности жизнедеятельности и экологии при эксплуатации технологического оборудования и электрооборудования и электрических сетей.

Перечень принятых сокращений

ВЛ - воздушная линия электропередачи;

ВН - высшее напряжение;

ГН - график нагрузки;

КЗ - короткое замыкание;

КЛ - кабельная линия;

КРУ - комплектное распределительное устройство для внутренней установки;

КРУЭ - комплектное распределительное устройство с элегазовой изоляцией;

НН - низшее напряжение;

ОПН - ограничитель перенапряжений нелинейный;

ОПУ - общеподстанционный пункт управления;

ПАВ - послеаварийный режим;

ПС - понижающая трансформаторная подстанция;

РПН - устройство регулирования напряжения под нагрузкой;

РУ - распределительное устройство;

СЗА - степень загрязнения атмосферы;

ТН - трансформатор напряжения;

ТСН - трансформатор собственных нужд;

ТТ - трансформатор тока.

Введение

Проектирование электрической подстанции 110/10 кВ заключается в создании модели ПС, составлении описаний еще не существующих объектов, предназначенных для преобразования и распределения электроэнергии.

Разработанные новые материалы и технологии производства позволили создать более совершенные электротехнические устройства, которые по своим характеристикам значительно превосходят ранее созданные, значительно превышают надёжность и качество электроустановок, позволяют совершенствовать компоновки распределительных устройств и подстанций, сокращать занимаемую ими площадь, обеспечивают удобство эксплуатации, увеличивают продолжительность межремонтного периода.

За последние годы были освоены и внедрены в производство комплектные распределительные устройства с элегазовой изоляцией напряжением 110 кВ и выше, комплектные распределительные устройства напряжением 6 - 20 кВ модульных конструкций, кабели с изоляцией из сшитого полиэтилена напряжением до 500 кВ и многое другое.

Сегодня в распределительных устройствах всех напряжений применяются более совершенные вакуумные и элегазовые выключатели, измерительные трансформаторы тока с литой, полимерной и элегазовой изоляцией, современные антиферрорезонансные трансформаторы напряжения, ограничители перенапряжений в фарфоровых и полимерных покрышках.

К распределительным устройствам предъявляют следующие требования:

надежность работы, которая определяется схемой электрических соединений, высоким качеством и правильностью выбранных аппаратов а также их компоновка;

удобство и безопасность обслуживания, которое обеспечивается соответствующим размещением аппаратов, разделением элементов оборудования защитными стенами или перекрытиями, применением защитных заземлений;

пожаробезопасность.

Главной задачей проектирования является создание модели ПС, практическая реализация которой обеспечит качественное и надежное электроснабжение потребителей.

При проектировании используются современные технические решения, позволяющие минимизировать обслуживание ПС, повышающие надежность электроснабжения а также снижающие затраты на текущую эксплуатацию.

1. Выбор числа и мощности силовых трансформаторов

При проектировании ПС выбор мощности силовых трансформаторов выполняют на основании расчета аварийных перегрузок, тем самым будет обеспечено наилучшее использование мощности силовых трансформаторов, уменьшен расход электроэнергии.

Основные формулы, используемые при выборе мощности:

1) Расчетная мощность трансформатора:

                    (1.1)

где - заданная максимальная нагрузка, МВт,

- коэффициент участия в максимальной нагрузке потребителей I, II и III категории,

 - коэффициент мощности,

 - количество трансформаторов на ПС,

- коэффициент аварийной перегрузки, равный 1,4;

Для проверки задаем стандартную мощность наиболее близкую к расчетному значению SТ=25 МВА. Предварительно примем трансформатор ТДН-25000/110.

) Максимальная полная нагрузка:

                                                        (1.2)

Примем 10% резерва для потребителей I-ой категории надёжности.

) Мощность резерва

                                       (1.3)

Рисунок 1.1 Суточный график нагрузки (в процентах)



Таблица 1.1 Работа в нормальном режиме

Время t, ч

Нагрузка S, МВА

Нагрузка с учетом резерва Sпав, МВА

%

1

31,2

28,1

100

6

29,7

26,6

95

1

28,8

25,7

92

2

28,13

25,3

90

2

27,5

24,4

88

2

26,9

23,8

86

1

23,4

20,3

75

1

17,2

14,1

55

1

14,7

11,6

47

1

12,8

9,7

41

1

11,9

8,8

38

3

10

6,9

32

1

9,4

6,3

30

1

8

4,9

26


Рисунок 1.2 график нагрузки

Рисунок 1.3 скорректированный график нагрузки ( в именованных единицах)

) Эквивалентная нагрузка в зоне максимальных нагрузок послеаварийного режима для силового трансформатора:

                     (1.4)

где - нагрузки в МВА на различных ступенях ГН продолжительностью  соответственно в зоне максимальных систематических нагрузок послеаварийного режима (зона аварийных перегрузок силового трансформатора).

) Эквивалентная нагрузка в зоне начальной нагрузки послеаварийного режима для силового трансформатора

 (1.5)

) Коэффициент перегрузки:

Коэффициент начальной нагрузки послеаварийного режима:


Так как K1пaв=0,63<1, делаем вывод о том, что трансформатор подходит для следующей проверки.

В соответствии с ГОСТ 14209-97. Так как эквивалентная зимняя температура равна -10 градус, значит, она нуждается в корректировке.

Система охлождения трансформатора Д (ONAF) масляное охлаждение с дутьем и естественной циркуляцией масла.

Рисунок 1.4 График корректировки эквивалентной температуры

Определяем допустимый коэффициент аварийных перегрузок по табл. 1.2  ,используя значения эквивалентной скорректированной зимней температуры , продолжительность аварийной перегрузки ha =10 ч.,

Таблица 1.2 Нормы допустимых аварийных перегрузок силовых трансформаторов

QЭК

hАВ

К2

-10

8

1,5

-10

12

1,5

0

8

1,4

0

12

1,4


Сравниваем полученные значения коэффициентов K2пaв и K2:пaв ≤ К2;

,06<1,45 - условие выполняется, данный тип трансформатора может быть установлен, его основные параметры приведем в приложении (Приложение А).

2. Расчет токов короткого замыкания и их ограничение

.1 Расчет токов короткого замыкания

С целью выбора и проверки электрических аппаратов и кабелей производится расчет т.к.з. в относительных единицах для симметричного трехфазного к.з.

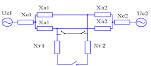
Рисунок 2.1. Схема присоединения подстанции к сети

Вычисляем приведённые значения сопротивлений для всех элементов расчётной схемы замещения.

Рисунок 2.2 Общая схема замещения

) электрический систем С1 и С2Б=1000 МВА

                                                                       (2.1)

                                                                      (2.2)

) воздушных линий

                                                  (2.3)

                                                   (2.4)

где Х0 - индуктивное сопротивление 1 км длины ВЛ, ОМ/км,Ɩ - длина ВЛ, км;

                                                                  (2.5)

                                                        (2.6)

                                                     (2.7)

                                                   (2.8)

. Рассмотрим КЗ когда ремонтная перемычка и секционные выключатели включены:

А) на стороне ВН

Рисунок 2.3. Схема замещения при КЗ на ВН

                                              (2.9)

                                               (2.10)

                                                       (2.11)

                                                                (2.12)

Б) КЗ на стороне НН

Рисунок 2.4 Схема замещения при КЗ на НН

Складываем параллельно ветви ХТ1 и ХТ2

                                                       (2.13)

Складываем последовательно ветви Х3 и Х12

                                                           (2.14)

                                                              (2.15)

2. Ремонтная перемычка разомкнута, секционные выключатели разомкнуты:

А) На стороне ВН

Рисунок 2.5. Схема замещения

                                               (2.16)

Преобразуем получившийся треугольник в звезду:

                                           (2.17)

                                               (2.18)

                                         (2.19)