Рисунок 6. Общий вид Меркурий 230 АR
Рисунок 7. Общий вид НАМИ
Таблица 4. Технические характеристики
Таблица 5. Основные технические параметры
|
Параметр |
Единицы измерения |
Норма |
|
Номинальное напряжение |
кВ |
12 |
|
Номинальная частота |
Гц |
50 |
|
Испытательное напряжение грозового импульса |
кВ |
75 |
|
Номинальный коммутационный цикл |
кВ |
42 |
|
Одноминутное испытательное повышенное напряжение промышленной частоты |
мкОм |
≤50 (630 А), ≤45 (1250 А), ≤35 (1600-2000А), ≤25 (2500-3150 А) |
Таблица 6. Номинальные параметры
|
Номинальный ток, А |
630 1000 1250 |
630 1000 1250 |
1250 1600 2000 2500 |
1600 2000 2500 3150 4000 |
4000 |
|
Номинальный ток отключения КЗ (термической стойкости), кА |
20 |
25 |
31,5 |
40 |
50 |
|
Ток электродинамической стойкости (Пиковое значение), кА |
50 |
63 |
80 |
100 |
125 |
|
Номинальная продолжительность короткого замыкания, с |
4 |
4 |
4 |
4 |
4 |
|
Количество аварийных отключений |
50 |
50 |
50 |
30 |
12 |
|
Механический ресурс B-tn-O, циклов |
25000 |
25000 |
25000 |
25000 |
10000 |
Таблица 7. Механические параметры
|
Параметр |
Единицы измерения |
Норма |
|
Ход контактов |
мм |
11 ± 1 |
|
Допустимый износ контактов |
мм |
3,5 ± 0,5 |
|
Асинхронность трехфазного включения и отключения |
мс |
≤2 |
|
Номинальный коммутационный цикл |
|
О - 0,3 сек - ВО - 180 сек - ВО О - 0,3 сек - ВО - 20 сек - ВО |
|
Средняя скорость отключения |
м/с |
0,9 ~ 1,2 |
|
Средняя скорость включения |
м/с |
0,4 ~ 0,8 |
|
Время включения |
мс |
≤100 |
|
Время отключения |
мс |
≤50 |
Таблица 8. Электрические параметры электромагнитов выключателя.
|
Наименование |
Мощность, Вт |
Ток, А |
Номинальное напряжение, В |
|
Электромагнит включения |
245 |
≤ 1,67 / ≤1,1 |
-110 / -220 |
|
Электромагнит отключения |
245 |
≤ 1,67 / ≤1,1 |
-110 / -220 |
|
Блокирующий электромагнит |
10 |
< 0,05 |
-110 / -220 |
|
Расцепитель максимального тока |
|
3; 5 А |
|
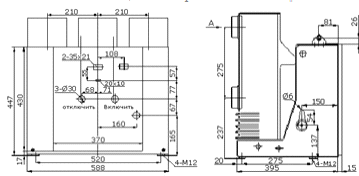
Габаритные размеры выключателя VS1 HEAG
стационарного типа с межполюсным расстоянием 210 мм (<1600А).
Рисунок 8
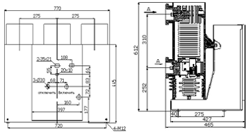
Габаритные размеры выключателя VS1 HEAG
стационарного типа с межполюсным расстоянием 275 мм (>1600А).
Рисунок 9
Технические характеристики ТОЛ-СЭЩ-10
|
Характеристики |
Значения |
|||
|
Номинальное напряжение |
10 |
|||
|
Наибольшее рабочее напряжение |
12 |
|||
|
Номинальный первичный ток, А |
10; 15; 20; 30; 50; 75; 100; 150; 200; 300; 400; 600; 800; 1000; 1500; 2000 |
|||
|
Номинальный вторичный ток, А |
5 |
|||
|
Номинальная частота, Гц |
50, 60 |
|||
|
Число вторичных обмоток |
2, 3, 4 |
|||
|
Номинальные вторичные нагрузки с коэффициентом мощности cosφ = 0,8, В·А: - обмотки для измерения - обмотки для защиты |
5; 10* 15*, 20, 25, 30 |
|||
|
Номинальный класс точности: - для измерений и учета - для защиты |
0,2S; 0,2; 0,5S; 0,5 5Р или 10Р |
|||
|
Номинальная предельная кратность Кном вторичной обмотки для защиты, не более |
10*, 15, 20 |
|||
|
Номинальный коэффициент безопасности приборовКбном вторичной обмотки для измерений,не более |
5, 10*, 15 |
|||
|
Климатическое исполнение |
У2 |
Т2 |
||
|
Высота над уровнем моря, м |
1000 |
|||
|
Верхнее рабочее значение температуры окружающего воздуха, °С |
+40° |
+55° |
||
|
Нижнее значение температуры окружающего воздуха для исполнения |
-25° |
|||
|
Тип атмосферы |
II по ГОСТ 15150-69 (примерно соответствует атмосфере промышленных районов |
|||
|
Ток односекундной термической стойкости, кА при номинальном первичном токе: |
исп.01,02, 03,11,21,31 |
исп.04,05, 06,12,22,32 |
исп.07,08, 09,13,23,33 |
исп. 14,24,34 |
|
10 А |
1 |
- |
- |
- |
|
15 А |
1,6 |
- |
- |
- |
|
20 А |
2 |
4 |
- |
- |
|
30 А |
3 |
6 |
- |
- |
|
50 А |
5 |
8 |
10 |
20 |
|
75 А |
8 |
10 |
16 |
31,5 |
|
100 А |
10 |
16 |
20 |
40 |
|
150 А |
16 |
20 |
31,5 |
40 |
|
200 А |
20 |
31,5 |
40 |
- |
|
300 А |
31,5 |
40 |
- |
- |
|
400-2000 А |
40 |
- |
- |
- |
|
Ток электродинамической стойкости, кА при номинальном первичном токе: |
исп.01,02, 03,11,21,31 |
исп.04,05, 06,12,22,32 |
исп.07,08, 09,13,23,33 |
исп. 14,24,34 |
|
10 А |
2,5 |
- |
- |
- |
|
15 А |
4 |
- |
- |
- |
|
20 А |
5 |
10 |
- |
- |
|
30 А |
7,5 |
15 |
- |
- |
|
50 А |
12,5 |
18,8 |
25 |
50 |
|
75 А |
18,8 |
25 |
37,5 |
78,8 |
|
100 А |
25 |
37,5 |
50 |
100 |
|
150 А |
37,5 |
50 |
78,8 |
100 |
|
200 А |
50 |
78,8 |
100 |
- |
|
300 А |
78,8 |
100 |
- |
- |
|
400-2000 А |
100 |
- |
- |
- |
* Стандартное (по умолчанию) исполнение Возможно
изготовление трансформаторов с параметрами отличными от стандартных
Приложение В
Рисунок 10
Приложение Г
Рисунок 11