Материал: проект городского ПАС категории «В»

Внимание! Если размещение файла нарушает Ваши авторские права, то обязательно сообщите нам

Расстановка автомобилей в зонах ожидания и хранения производится с учетом независимости выезда всех автомобилей под углом 90° к оси проезда. Ширина проездов в этих зонах соответствует требованиям нормативной документации (учитывается класс автомобилей и угол расположения автомобиле-места по отношению к оси проезда).

4 Проектирование производственного подразделения

4.1 Описание производственного подразделения (назначение, объемно-планировочное решение)

Назначение зоны диагностики предприятия автомобильного сервиса (ПАС) – выполнять весь комплекс работ по техническому обслуживанию ТО-1,ТО-2 и работы по текущему ремонту (ТР) автомобилей.

В состав работ по ТО после обкатки, ТО-1 и ТО-2 подвижного состава входят:

– уборочно-моечные и очистные работы;

– техническое диагностирование перед выполнением ТО;

– осмотр и контроль технического состояния деталей, аппаратов, узлов, агрегатов, и подвижного состава в целом;

– контроль крепежных соединений деталей, аппаратов, узлов и агрегатов;

– регулировка аппаратов, узлов, агрегатов и систем;

– смазка, замена масел;

– выполнение работ текущего ремонта малой трудоемкости (суммарная трудоемкость не должна превышать 20 % от трудоемкости ТО).[4]

Текущим считается ремонт, производимый для устранения отдельных неисправностей подвижного состава, который выполняется путем проведения разборочно-сборочных, слесарно-подгоночных и других необходимых работ с возможной заменой: у агрегата – отдельных изношенных или поврежденных деталей, кроме базовых; у подвижного состава – отдельных деталей, узлов и агрегатов.

В состав работ по ТР входят:

- уборочно-моечные, очистные работы;

- техническое диагностирование;

- ремонтные работы;

- контроль технического состояния и правильность регулировки узлов и систем подвижного состава (выполняется при необходимости) техническим диагностированием или пробегом подвижного состава, указанным в руководстве по эксплуатации. [4]

Режим работы: такой же, как и режим работы ПАС – пятидневная рабочая неделя в две смены, продолжительностью 8 часов в сутки.

Месторасположение в производственном корпусе: рядом расположены зона приемки-выдачи автомобилей и зона диагностики. Освещение: верхнее и боковое естественное, а также искусственное (лампы дневного света).

В зоне ТО,ТР автомобилей выполняется комплекс работ по техническому обслуживанию и ремонту автомобилей. Весьма важно при проектировании учесть все потребности работающего, чтобы максимально снизить потери предприятия. Расчет площади зоны ТО,ТР выполнен в подразделе 1.8

Результат компоновочного решения представлен в графической части.

4.2 Разработка мероприятий по научной организации и охране труда, защите окружающей среды для производственного подразделения

Под научной организацией труда (НОТ) понимают систему организационно-техни­ческих и санитарно-гигиенических мероприятий направленных на совершенствование ме­тодов и условий труда на основе новейших достижений науки и техники обеспечивающих повышение производительности труда.

Объекты НОТ: рабочее место; производственный участок; поточная линия.

Цель НОТ – изучение и анализ использования рабочего времени при выполнении того или иного процесса (операции) с разработкой мероприятий по улучшению организации труда.

В зоне ремонта кузовов проведены следующие мероприятия научной организации труда:

-внедрена сдельно-премиальная система оплаты труда, что позволит повысить уровень оплаты труда, эффективность и производительность труда;

-внедрен метод хронометража и фотографии для оптимизации технологических процессов;

- установлено современное оборудование;

- проведение плановой аттестации рабочих мест и труда.

В отношении ПАС разработка мероприятий по охране атмосферного воздуха должна вестись на основе следующих нормативно-методических документов: СНиП 1.02.01-85, пособие к СНиП 1.02.01-85 «Охрана окружающей среды», а также других документов, утвержденных уполномоченными правительственными органами.

В зоне ремонта кузовов проведены следующие мероприятия по охране труда и окружающей среды:

- в целях противопожарной безопасности на участке установлены огнетушители пенные и ящики с песком, двери открываются наружу;

- в целях электробезопасности в зоне произведено заземление всех стационарных электроприборов и подъёмников.

- проведены с рабочими инструктажи по противопожарной безопасности.

- используются вытяжки с фильтрующими элементами, используемые при сварочных работах.

4.3 Расчет потребности производственного подразделения в энергоресурсах (электроэнергия, сжаты воздух, вода)

Потребность в топливно-энергетических ресурсах рассчитывается раздельно по видам энергии: силовой энергии, энергии для освещения, топлива для отопления и т.д.

Годовая потребность в силовой электроэнергии РЭ.С определяется по формуле

, (4.1)

где Ny – установленная мощность токоприемников по предприятию (см. таблица А.1), кВт;

КСП – коэффициент спроса для производственных подразделений СТОА (КСП = 0,35…0,45), принимаем КСП = 0,4;

Фд – годовой действительный фонд работы единицы оборудования, ч (1800 ч для однасменной работы);

КЗ – коэффициент загрузки оборудования по времени (КЗ = 0,4…0,6), принимаем КЗ = 0,5.

кВт ч.

Годовой расход электроэнергии для освещения

, (4.2)

где F – площадь освещаемых помещений, м2;

Эу – удельный расход осветительной энергии за один час на 1 м2 (Эу = 0,011…0,015 кВт/м2 в час), принимаем Эу = 0,013 кВт/м2 в час;

ТО – продолжительность освещения в году, час, при однасменном режиме принимаем 1200 часов;

Код – коэффициент одновременности освещения (Код = 0,7…0,8), принимаем Код = 0,75.

кВт ч.

Годовой расход сжатого воздуха рассчитывается по формуле

(4.3)

где Qр.м. – минутный расхот сжатого воздуха.

(4.4)

где Кп – коэффициент, учитывающий эксплуатационные потери сжатого воздуха (Кп=1,3…1,4), для расчета примим Кп=1,35;

qn – расход сжатого воздуха одним потребителем при непрерывной его работе, м3/мин;

5 Разработка технологического процесса

5.1 Разработка технологического процесса на замену гидроагрегата системы abs автомобиля Opel Corsa

Для правильного составления технологического процесса на замену гидроагрегата автомобиля Opel Corsa необходимо изучить особенности конструкции гидроагрегата и возможные способы ремонта.

Поступая в зону, автомобиль устанавливается на пост, после чего происходит снятие гидроагрегата автомобиля.

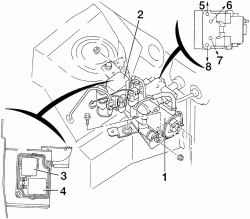
Рис. 5.1. Компоновочная схема гидроагрегата ABS:

1-гидроагрегат; 2-блок реле; 3-реле управления электромагнитными клапанами; 4-реле включения насоса; штуцеры подсоединения тормозных механизмов колес: 5- переднего левого; 6-заднего правого; 7-заднего левого; 8-переднего правого.

Рис. 5.2. Расположение трубопроводов на гидроагрегате

5.2 Разработка технологической карты с определением норм времени

Гидроагрегат системы ABS автомобиля играет важную роль в езде и безопасности водителя автомобиля.

В технологической карте разработанный технологический процесс представлен в форме документа (таблицы) в приложении В, в котором указывается перечень операций, количество точек обслуживания, трудоемкость операций и квалификация исполнителя, рекомендуемое технологическое оборудование и инструмент, а также представлены технические требования и указания для каждой операции.

N

Наименование перехода

Наименование элемента

Шифр эл-та

Число движе-ний

Длительность в относительных единицах

Трудо-емкость чел.мин

1 движения

общая

1

2

3

4

5

6

7

8

1

Установить автомобиль на пост

Нагибание корпуса

Поворот корпуса

Ходьба

Движение руки

Движение руки

2

2

9

12

12

90

110

53

62

35

180

220

477

744

420

0,5