Материал: Модернизация агрегата продольной резки листового металла цеха АПР ЛПЦ-2

Внимание! Если размещение файла нарушает Ваши авторские права, то обязательно сообщите нам

3.1.1.2 Выбор способа изготовления заготовки

Выбрать заготовку - это значить устанавливаем способ ее получения, рассчитываем ее размеры, назначаем припуск на обработки каждой поверхности и указываем допуск на не точность изготовлений.

Следующие факторы оказывают влияние на выбор:

характеристики материалов и их свойства, с помощью которых смогут определить, возможно ли применение литья, пластических деформаций, сварки и порошковой металлургии;

конструктивные формы поверхности и размеры деталей, их масса и так далее;

наличие техн.оборудования;

безопасность работы, экологические факторы и тому подобное;

затраты на изготовления заготовок, далее уже изготовление из них деталей, потом необходимо собрать, и только после этого транспортировать и эксплуатировать готовое изделие.

На основе типа производства и по чертежам, производим выбор способов получений заготовок и их формы.

Если конфигурация детали круглая, квадратная, шестигранная, прямоугольная, то применяют заготовки из проката.

Способы изготовления заготовок применяют следующие:

)        прокат;

)        штамповка на ГКМ.

Выбранные методы оцениваем:

по стоимости заготовок;

по степени использования металла.

) Стоимость заготовки из проката

Если деталь изготавливается из проката, то затраты на заготовку определяются по весу проката, требующегося на изготовление детали, и весу сдаваемой стружки.

Для детали «ось ролика», следует принять способы получений заготовок из проката с круглым сечением. Примем материал сталь 40Х ГОСТ 4543-71. Выбираем, согласно ГОСТ 2590-88, сортовой горячекатаный прокат обычной точности. Область применения проката и его виды представлена в таблице 9.

Таблица 9 - Область применения проката и его виды

Виды проката

ГОСТ

Области применения

Сортовые горячекатаные круги:

А - высокая точность; Б - повышенная точность; В - обычная точность калиброванная

2590-88 2590-88 2590-88 1051-73

Гладкий и ступенчатый вал с маленьким перепадом в диаметре ступеней; стакан диаметром до 50 мм; втулка с наружным диаметром до 25 мм


Принимаем по ГОСТ 2590-88 диаметр прутка, при отношении L/d<4, диаметр прутка заготовки равен 27 мм. Берём условно длину заготовки = 50±2 мм.

На рисунке 9 представлена заготовка из проката круглого сечения.

Рисунок 9 - Заготовка из проката круглого сечения

Для определения массы заготовки определим объём заготовки по формуле:

, (118)

где - диаметр заготовки, м;

- длина заготовки, м.

Используя справочные данные, определяем плотность сталь 40Х ρ=7,8 кг/м3, затем определяем массу заготовки, умножая плотность на объём.

 кг

Определяем стоимость заготовки детали.

, руб., (119)

руб.

где Мз - масса заготовки кг;

Мд - масса детали кг;

Цз - цена 1 кг металла руб./кг;

Цо - цена 1 кг отходов руб./кг;

Кт - коэффициент класса точности заготовки;

Кс - коэффициент сложности заготовки;

Кв - коэффициент массы;

Км - коэффициент марки детали;

Кп - коэффициент серийности.

2) Стоимость заготовки, полученной методом горячей объемной штамповки на ГКМ.

Определение припусков.

Для назначения припусков на обработку рассчитаем массу штамповки.

Находим объем металла, который необходим для получения детали:

 кг.

Найдем массу поковки:

 кг (120)

Коэффициент использования материала:

 кг (121)

где mД - масса детали;

mП - масса поковки.

Степень сложности поковки - С1. Поковка второго класса точности- Т2.

Себестоимость заготовки:

 руб., (122)

где - цена 1 кг металла руб./кг, Ci=30 рублей;

, , , ,  - это всё коэффициенты, которые зависят соответственно от групп сложностей, классов точностей, масс, объёмов производства и марок материалов =1; =0,75; =0,73; =1; =1,15;

 МЗ, МД - масса соответственно заготовки и детали, кг;

 - цена 1 кг отходов; руб., =28,1 рубль.

Подставляя численные данные в формулу, получим:

 руб.

По результатам технико-экономического анализа, где сравнивалось - получение заготовок на горизонтально - ковочной машине (метод 2) и заготовок, полученных из проката (метод 1), было определено, что с экономической точки зрения получение заготовок первым методом более экономично и значительно проще.

3.1.1.3 Разработка маршрута обработки с выбором станочных приспособлений и оборудования

Технологический маршрут необходим для установления порядка выполнения тех.операции.

Таблица 10 - Технологический маршрут механической обработки с выбором станочных приспособлений и оборудования

Наименование операции

Оборудование

Приспособление

1

2

3

005 токарные автоматные

Токарные прутковые полуавтоматы с числовым программным управлением 1365

Трехкулачковые самоцентрирующиеся патроны с механизированными приводами зажимов - патроны 7100-0005 ГОСТ 2675-80.

010 Токарно-винторезные с числовым программным управлением

Токарно-винторезные станки с числовым программным управлением 16Б16Т1

Трехкулачковые самоцентрирующиеся патроны - патроны 7100-0009 ГОСТ 2675-80. Кулачки 7019-8539, центр жесткий упорный ГОСТ 2576-79.

015 Вертикально-сверлильная

Вертикально-сверлильный 2Н118

Приспособление 7362-8900 собственного изготовления, головка револьверная 7760-8807.

020 Вертикально-сверлильная

Вертикально-сверлильный 2Н118

Приспособление кондукторное 7362-8806, патрон 7160-8807

025 Слесарная

Верстак слесарный


030 Промывочная

Моечная машина

Дроссельный клапан 56-У-5833

035 Контрольная

Стол контрольный


040 Термическая

Печь термическая


045 Круглошлифо- вальная

Круглошлифо- вальный 3В151А

Трехкулачковый самоцентрирующийся патрон - патрон 7100-0005 ГОСТ 2675-80. Кулачки собственного изготовления, центр жесткий упорный ГОСТ 2576-79.

050 Промывочная

Моечная машина

Дроссельный клапан 56-У-5833

055 Контрольная

Стол контрольный



Задачи, решаемые на этапе разработки маршрута:

Проектируется общий план обработки ;

Предварительно выбираем инструмент, средства технологического оснащения;

приблизительно намечаем содержание операций.

У нас получается следующий маршрут технологического процесса, который представлен в таблице номер 10.

3.1.1.4 Разработка операционной технологии обработки детали

При проектировании тех.операций решаем комплекс вопросов:

уточняем содержание операции (изначально задуманное в маршруте обработки);

определяем порядок и содержание переходов;

окончательно выбираем средства технологического оснащения;

устанавливаем режимы резания;

определяем нормы времени;

определяем настроечные размеры;

разрабатываем операционные эскизы;

определяем разряд и квалификация работы.

Согласно требований ГОСТ 14.301-83 разрабатываем операционный тех.процесс обработки детали «Ось ролика».

Следующие операции и вспомогательные переходы входят в состав «общих правил разработки технол. процессов и выбор средств технол. оснащения».

Технологические операции.

Токарная автоматная (Подготовка основных технологических баз и предварительная обработка поверхностей)

Станок.

Габаритные размеры детали Ø 24 0 49. Масса - 0,18 кг.

Принимая во внимание габариты детали, ее массы и точности выполнения токарной операции (9 квалитет) выбираем токарный прутковый полуавтомат с ЧПУ 1365, с устройством автоматической подачи прутков.

Выбираем средства технол. оснащения.

Приспособление для установок и закреплений прутка.

Принимая во внимание присоединительные размеры станка мод. 1365 установка и закрепление заготовки осуществляем в трехкулачковом самоцентрирующемся патроне (Ø 160) с механизированными приводами зажимов - патроны 7100-0005 ГОСТ 2675-80, выбирают исходя из назначений и присоединительного размера станка, приспособления и вспомогательных оснасток.

Режущий инструмент.

Принимаем согласно ГОСТ 18880-73 резцы подрезные отогнутые с пластинками из твердых сплавов - резец 2112-0035 ВК8; резцы проходные упорные с пластинками из твердых сплавов - резец 2103-0007 ВК8 ГОСТ 18880-73; резцы отрезные с пластинками из твердых сплавов - резец 2100-0009 ВК8 ГОСТ 18879-73; сверла центровочные А6,3 ГОСТ 14952-75; сверла спиральные с цилиндрическими хвостовиками Ø 4 ГОСТ 10903-77.

Средства технического контроля.

Штангенциркули ГОСТ 166-89 ШЦ - I - 125 - 0,1

Содержания операций.

Загружаем прутки в устройства подачи, закрепляем в трехкулачковых патронах с гидроприводами зажимов обрабатываемые прутки на длину 65 мм от торца кулачков, с автоматизированной подачей прутков.

. Подрезаем торцы прутков. 2. Точим заготовки до диаметров 25 мм на длину 52 мм. 3. Точим Ø 18 на длину 28. 4.Сверлим отверстие А6,3 ГОСТ 14034-74. 5. Сверлить отверстие Ø 4 на глубину 25 мм. 6. Отрезать заготовку в размер 52±1 мм. Эскиз к этим операциям представлен на рисунке 10.

Рисунок 10 - Операционный эскиз №1

Токарно-винторезная с ЧПУ (Чистовая обработка поверхностей)

Станок. Токарно-винторезный станок с ЧПУ 16Б16Т1.

Установку и закрепление заготовки осуществляем в трехкулачковом самоцентрирующимся патроне с поджатием жестким центром при установке Б, установленном в задней бабке.

Средства технологических оснащений.

Трехкулачковые самоцентрирующиеся патроны - патрон 7100-0009 ГОСТ 2675-80. Кулачок 7019-8539. Центра жесткие упорные ГОСТ 2576-79.

Режущий инструмент.

Резцы проходные отогнутые правые (φ=60о) с пластинками из твердых сплавов - резец 2102 -0005 Т15К6 ГОСТ 18877-73; резцы проходные отогнутые левые (φ=60о) с пластинками из твердых сплавов - резец 2102 -0006 Т15К6 ГОСТ 18877-73; резцы канавочные специальные b=3 мм (собственного изготовления); резцы отогнутые (φ=45о) с пластинками из твердых сплавов - резец 2114-0035 ВК8 ГОСТ 18880-73.

Средства технического контроля.

Штангенциркули ГОСТ 166-89 ШЦ - I - 125 - 0,1.

Содержание операции.

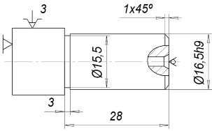
Установ А. 1. Точить Ø 16,5 и торец, выдерживая размер 28. 2. Точить канавку Ø 15,5, шириной 3 мм 3. Снять фаску 1х45°. Эскиз к этим операциям представлен на рисунке 11.

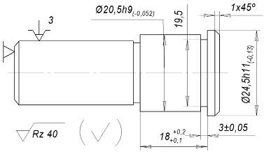
Установ Б. 1. Точить Ø 24,5 напроход. 2. Точить уступ с Ø 24,5 до Ø 20,5, выдерживая размер  3. Точить канавку Ø 19,5, шириной 3 мм. 4. Точить фаску 1х 45о. Эскиз к этим операциям представлен на рисунке 12.

Рисунок 11 - Операционный эскиз №2

Установ Б

Рисунок 12 - Операционный эскиз №3

Вертикально-сверлильная. (Зенкерование отверстия и нарезание резьбы М5).

Станок. Вертикально-сверлильный 2Н118.

Осуществляем установку и закрепление заготовки в специальном приспособлении.

Средства технологического оснащения.

Приспособление7362-8900 собственного изготовления, головка револьверная 7760-8807.

Режущий инструмент.

Сверло-зенкер комбинированный с коническим хвостовиком - сверло-зенкер собственного изготовления; метчик машинно-ручной для нарезания метрической резьбы - метчик М500,8 ГОСТ 3266-81.

Средства технического контроля.

Штангенциркуль ШЦ - I - 125 - 0,1 ГОСТ 166-89; калибр-пробка резьбовая двухсторонняя М500,8

Содержание операции.

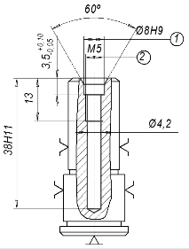
. Рассверлить отверстие Ø 4 до Ø 4,2 под резьбу и одновременно зенкеровать выдерживая размеры 3,5, 38, Ø8 и угол 60° . 2. Нарезать резьбу М 5 на глубину 13 мм. Эскиз к этим операциям представлен на рисунке 13.

Рисунок 13 - Операционный эскиз №4

Вертикально-сверлильная. (Сверление 2 отверстий на цилиндрических поверхностях).

Станок.

Вертикально-сверлильный 2Н118.

Осуществляем в специальном приспособлении установка и закрепление заготовки.

Средства технологического оснащения.

Приспособление кондукторное 7362-8806, патрон 7160-8807.

Режущий инструмент

Сверло спиральное с цилиндрическим хвостовиком - сверло 2301-0400 ГОСТ 10903-77; зенковка коническая с углом при вершите 90о с цилиндрическим хвостовиком - зенковка Ø 8 ГОСТ 14953-80.

Средства технического контроля.

Штангенциркуль ШЦ - I - 125 - 0,1 ГОСТ 166-89; калибр-пробка гладкая двухсторонняя Ø4 мм.

Содержание операции.

Установ А. 1. Сверлить отверстие Ø 4,2 до пересечения с отв. Ø4.2, выдерживая размер 35. 2. Зенковать отверстие Ø8, угол 90°. 3. Сверлить отверстие Ø4 до пересечения с отв. Ø4.2, выдерживая размер 15 мм. Эскиз к этим операциям представлен на рисунке 14.