Материал: Модернизация агрегата продольной резки листового металла цеха АПР ЛПЦ-2

Внимание! Если размещение файла нарушает Ваши авторские права, то обязательно сообщите нам

Действительное передаточное отношение:

, (5)

где передаточное отношение быстроходной ступени = 5;

передаточное отношение тихоходной ступени находим из формулы:

. (6)

Число оборотов:

об/мин., (7)

об/мин., (8)

об/мин., (9)

Угловая скорость:

рад/с., (10)

рад/с., (11)

рад/с. (12)

Вращающиеся моменты на валах:

 , (13)

, (14)

. (15)

2.1.4 Допускаемое напряжение

Выбор материала и термической обработки зубчатых колес:

Учитывая назначение редуктора, принимаем для всех шестеренок Сталь 35 Х ГОСТ 4 5 4 3 - 8 1 (НВ ниже 350ед.). Термическая обработка - улучшение и нормализация до НВ 300ед, НВ1=300ед.

Для зубчатых колес назначаем Сталь 35 ГОСТ 1050 - 81 НВ2 = 280 ед.

Допустимое контактное напряжение:

, (16)

где  - предельные контактные выносливости;

МПа;

МПа;

 = 1,2- коэффициент безопасности;

 - коэффициент долговечности.

, (17)

где  - базовое число циклов нагружения зуба для закрытых редукторов при НВ<350ед.;

 - действительное число циклов нагружения.

а) Тихоходная ступень:

, (18)

где n1= 191 об/мин - число оборотов;

c1=uT=4.54;

t - срок службы.

, (19)

где L = 5 - срок службы в годах;

КСУТ - 0,29;

КГ - 0,5.

 (20)

;

;

n2=42,07 об/мин;

с2=1;

;

;

Принимаем=1;

;

МПа;

МПа;

МПа.

б) быстроходная ступень:

;

Принимаем = 1;

;

МПа;

МПа;

, МПа.

Допускаемый изгиб:

, (21)

где SF = 1,7 - коэффициент безопасности;

;

.

Тихоходная ступень:

Принимаем = 1;

Принимаем = 1;

МПа;

МПа.

Расчетное напряжение:

МПа.

Быстроходная ступень:

;


Принимаем = 1

Принимаем = 1

МПа;

МПа.

Предельные напряжения:


2.1.5 Проектный расчет зубчатых передач

Тихоходная ступень:

uT=4,54; T3=573·103 Н·мм ; МПа.

Межосевое расстояние:

, мм, (22)

где UТ - передаточное отношение тихоходной ступени;

К = 310 - приведенный коэффициент для передач прямозубых зубчатых;

KН = 1,2 - коэффициент нагрузки, который зависит от расположений зубчатых колёс и типа используемого редуктора относительно подшипников;

Ψba = 0,25 - коэффициент относительной ширины зубчатого колеса.

мм.

Принимаем аw=180мм.

Ширина колеса:

, мм, (23)

, мм. (24)

Модуль зацепления:

 (25)

Принимаем m=3.

Находим число зубьев:

 (26)

Принимаем z1=24.

 (27)

Принимаем z2=108.

Уточняем передаточное отношение:

. (28)

Диаметры колес:

Шестерня:

делительный

, мм; (29)

диаметр выступов

, мм; (30)

диаметр впадин

, мм. (31)

Колесо:

делительный

, мм; (32)

диаметр выступов

, мм; (33)

диаметр впадин

, мм. (34)

Уточним межосевое расстояние:

, мм. (35)

Найдём скорость зацепления:

, м/с. (36)

Назначим по ГОСТ 1643 - 81 степень точности 8.

Найдём усилие в зацеплении:

Окружные усилия:

кН (37)

Осевые усилия:

, (38)

где β = 0 - угол наклона зубьев:


Радиальное усилие:

, (39)

где α = 20 - угол зацепления;

, кН.

Проверочный расчет:

, (40)

где КН - уточненный коэффициент нагрузки.

, (41)

где КНα = 1- коэффициент распределения нагрузки между зубьями;

КНβ = 1 - коэффициент, который учитывает неравномерность распределения нагрузок по длине контактных линии;

КНV = 1,2 - коэффициент учитывающий внутреннюю динамику нагружения.

Проверка по контактным напряжениям:

, (42)

где

. (43)

Y - коэффициент формы зуба; YF1=3,91; YF2=3,60.

МПа

 МПа

Быстроходная ступень:

Т=27,954кН; uБ=5; МПа.

Межосевое расстояние быстроходной ступени принимаем равное 198 мм.

Ширина колеса:

мм.

мм.

Модуль зацепления:


Принимаем m=2.

Находим число зубьев:


Принимаем z1=33,


Принимаем z2=165.

Уточняем передаточное отношение:

.

Диаметры колес:

Шестерня:


 мм;

диаметр выступов

мм;

диаметр впадин

 мм.

Колесо:

делительный

мм;

диаметр выступов

мм;

диаметр впадин

мм.

Уточняем межосевое расстояние:

мм. (44)

Скорость зацепления:

м/с. (45)

Находим усилия в зацеплении:

Окружное усилие:

кН. (46)

Осевое усилие:

, (47)

где β =0 - угол наклона зубьев;

.

Радиальное усилие:

, (48)

где α =20 - угол зацепления;

.

Проверочный расчет:

, (49)

где КН - уточненный коэффициент нагрузки;

, (50)

где КНα =1- коэффициент распределения нагрузки между зубьями;

КНβ =1- коэффициент учитывающий неравномерность распределения нагрузки по длине контактных линий;

КНV =1,2- коэффициент, учитывающий внутреннюю динамику нагружения.

МПа

Проверка по контактным напряжениям:

, (51)

где

; (52)

Y - коэффициент формы зуба ;

YF1=3,79 YF2=3,60.

 МПа

МПа

2.1.6 Проектный расчет валов

Тихоходный вал представлен на рисунке 3.

Рисунок 3 - Тихоходный вал

Для всех валов принимаем конструкционную сталь 45 ГОСТ.

При расчете учитывается только кручение:

, (53)

где MKP =573000 - вращающий момент на тихоходном валу;

WP - Осевой момент.

 , Н/мм2. (54)

Выражаем диаметр:

мм. (55)

Принимаем d=58 мм.

Под подшипник находим диаметр:

мм. (56)

Принимаем dП = 60 мм.

Находим под колесо диаметр:

мм. (57)

Принимаем dК=64 мм.

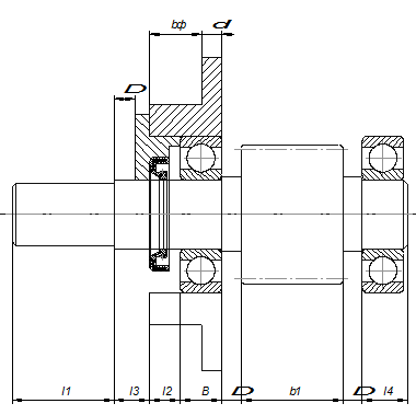
Длины участков:

мм. (58)

Принимаем l1=90мм,

l1 =10мм - зазор между подвижной и неподвижной частью;

l2 =16мм - ширина до фланца;

l3 =34мм - ширина участка вала;

l4 =17мм - расстояние от фланца до подшипника.

Крышки подшипников привертные.

В = 31мм - ширина подшипника.

Подшипник №312:d=30мм; D=60мм; В=31мм; r=3.5мм; С=62,9мм; С0=48,4мм.

Проверяем размерную цепь:

. (59)

+35=17+31.

Размерная цепь не сходится, следовательно, находим ширину соединительных фланцев:

мм. (60)

Быстроходный вал представлен на рисунке 4.

Рисунок 4 - Быстроходный вал

Н/мм2.

Диаметр выходной:

мм. (61)