Материал: Модернизация агрегата продольной резки листового металла цеха АПР ЛПЦ-2

Внимание! Если размещение файла нарушает Ваши авторские права, то обязательно сообщите нам

Для удобства соединения с валом электродвигателя принимаем d=32мм.

Диаметр под подшипник:

мм. (62)

Принимаем dП=35мм.

Подшипник №307:dвнутр=35мм; Dнаруж=80мм; r=2,5мм; В=21мм; С0=17,6мм; С=25,7 мм.

За подшипником находим диаметр

. (63)

Принимаем dЗ.П.=38мм.

Длины участков:

мм. (64)

Принимаем l1=50мм.

l1= 10мм - зазор между подвижной и неподвижной частью;

l2 = 16мм - ширина крышки подшипника ;

Крышки подшипников привертные.

l3=18мм - размер до фланца;

b1=52мм - ширина зубчатого венца;

l4=23мм.

Проверяем размерную цепь:

. (65)

+38=16+21

Размерная цепь не сходится, следовательно, находим ширину соединительных фланцев:

мм. (66)

2.1.7 Уточненный расчёт валов

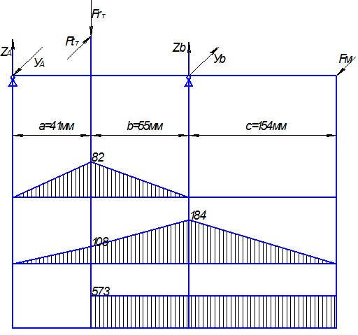
Тихоходный вал:

Мк=573Нм; FrT=3500Н; FtT=1270H.

Нм. (67)

Реакции опор на тихоходом валу представлены на рисунке 5.

Рисунок 5 - Реакции опор на тихоходом валу

Найдём реакции в опорах:

, (68)

Н, (69)

 Н (70)

 (71)

Н (72)

 (73)

Н (74)

Найдём суммарную радиальную реакцию:

Н, (75)

Н. (76)

Определяем суммарные изгибающие моменты в опасном сечении:

Н∙м. (77)

Для валов выбираем сталь 45, для быстроходной шестерни термическая обработка-улучшение, для промежуточного вала улучшение и закалку ТВЧ. Для тихоходного вала улучшение.

Расчет на статическую прочность:

, (78)

где Мmax - суммарный изгибающий момент;

Мkmax - крутящий момент;

Fmax= 0 - осевая сила;

W и WK - моменты сопротивления сечения вала при расчете на изгиб и кручение;

А - площадь поперечного сечения.

, (79)

где КП=2,2 - коэффициент перегрузки.

Нм

Нм

, (80)

, (81)

где d = 64 мм - диаметр опасного сечения;

h = 12 мм - высота шпонки;

b = 18 мм - ширина шпонки.

мм3

мм3

МПа

МПа

Находим частичный коэффициент для запаса прочности:

, МПа, (82)

, МПа, (83)

где МПа и

МПа - пределы текучести материала.

МПа,

МПа

Общий коэффициент запаса прочности по пределу текучести при совместном действии нормальных и касательных сил.

МПа (84)

где ST=1,3…2 - минимально допустимое значение общего коэффициента запаса прочности по текучести.

Статическая прочность обеспечена т.к.

Расчет на сопротивление усталости:

, (85)

где =1,5…2,5 коэффициент запаса прочности;

 - это коэффициенты запаса прочности по касательным и нормальным напряжениям.

 (86)

, (87)

где σт и τт - средние напряжения цикла;

σа и τа - амплитуды напряжения цикла;

ψσD и ψτD - коэффициенты чувствительности к ассиметрии цикла напряжений для рассматриваемых сечений;

σ-10 и τ-10 - пределы выносливостей вала в рассмотренном сечении.

В расчетах валов принимаем, что касательные напряжения изменяются по отнулевому циклу: τа=τк/2 и τт=τк/2, а нормальные напряжения изменяются по симметричному циклу: σа=σи и σт=0.

Тогда:

 (88)

, МПа, (89)

, МПа, (90)

М=135Нм; МК=573Нм; W=22884,5мм3; WК=48607,385мм3.

МПа

 МПа


τ-1=240 МПа и σ-1=410 МПа - пределы выносливости гладких образцов при симметричном цикле изгиба и кручения.

КσD и КτD - коэффициенты снижения предела выносливости:

 , (91)

. (92)

Кσ=2,2 и Кτ=2,05 - эффективный коэффициент концентрации напряжении.

Кdσ=0,7 и Кdτ=0,7 - коэффициент для влияния абсолютных размеров поперечных сечений.

КFσ=0,89 и КFτ=0,94 - коэффициенты влияния качества поверхности.

КV=1 - коэффициент влияния поверхностного упрочнения.

,

,

, (93)

МПа,

МПа,

,

,

,

Запас прочности обеспечен т.к. .

2.1.8 Уточненный расчёт подшипников (для тихоходного вала)

Расчёт подшипников на статическую грузоподъёмность.

№ 312:

d = 60 мм; D = 130 мм; B = 31мм; r = 2,5 мм;

С = 64,1 кН; С0 = 49,4 кН; X = 1; Y = 0; w=4,4об/мин; FA=0;

L10h=25000ч; Кб=1,3 - коэффициент безопасности.

Эквивалентная динамическая нагрузка:

, (94)

где КТ=1

Тогда получаем:

, (95)

Rr1=2006H

Rr2=1494H

Н

Н

Н

Н

Требуемый подшипник подходит т.к СТР<Сr

Определяем долговечность:

млн.оборотов, (96)

млн.оборотов, (97)

ч, (98)

ч. (99)

Полученная долговечность больше требуемой, из этого следует, что подшипник подходит.

2.1.9 Расчет шпоночных и шлицевых соединений

Расчет шпонки на тихоходном валу под муфту:

диаметр вала d1=58 мм,

шпонка  ГОСТ 23360-78

расчет шпонки на сжатие:

, (100)

где [σ]см = 100 МПа.

МПа .

расчет на срез:

МПа , (101)

где МПа.

Расчет шпонок под колесо:

диаметр вала d1 - 64 мм,

шпонка  ГОСТ 23360-78

расчет шпонки на сжатие:

МПа

расчет на срез:

МПа

Расчет шпонки на промежуточном валу под колесо:

диаметр вала d1=56 мм,

шпонка  ГОСТ 23360-78

расчет шпонки на сжатие:

МПа

расчет на срез:

МПа

МПа

2.1.10 Назначение смазочной системы

Для снижения трения, а, следовательно, и быстрого выхода из строя деталей и износа, должно быть обеспечено хорошее смазывание деталей.

Глубина погружения зубчатого колеса в масло определяется из соотношения


Принимаем hM=20мм

Объем масла определяем из расчета 0,25 дм3 на 1кВт передоваемой мощности. дм3

По таблице по окружной скорости и допускаемому напряжению выбираем вязкость = . По найденной вязкости по таблице принимаем индустриальное масло И-50А.

.1.11 Сборка редуктора

Сборку редуктора производят в следующей последовательности:

Сначала берём валы и вставляем шпонки в шпоночные пазы, затем на шпонки сажаем зубчатые колёса. Затем на посадочные участки вала напрессовываем подшипники.

После этого промежуточный вал с подшипниками и колесом вставляем в верхнюю часть редуктора, затем вставляем тихоходный вал, а после этого быстроходный. Далее закрываем крышки редуктора и затягиваем соединительные болты, потом закрываем подшипниковые крышки. Редуктор проверяется на вращение. Далее проверяется герметичность, заливаем масло, и отправляем на испытание - обкатку.

2.2 Расчет и проектирование гидропривода натяжателя

.2.1 Расчет и выбор исполнительного ГД

.2.1.1 Нахождение скоростных и нагрузочныx параметров гидродвигателя

Исходя из задания, применяем гидродвигатель поступательного движения, по-другому - гидроцилиндр.

Для определения ГД нам нужно узнать максимальную скорость передвижения штока, максимальное осевое усилие ГЦ. Эти значения берем по агрегату из баз соответствующие заданию.

На штоке гидроцилиндра находим максимальные осевые усилия:

Rmax = 3 т = 29,4 кН.

Для рабочего органа находим максимальную скорость перемещения:

Vmax = 15 см/с = 0,15 м/с.

Находим максимальную длину перемещения органа рабочего:

S = 500 мм.

2.2.1.2 Выбор гидродвигателя и нахождение параметров геометрических

Большое распространение получили поршневые ГЦ двухстороннего действия с одно- и двухсторонним штоком, при этом двухсторонний шток нужно применить только если, это не приводёт к увеличению габаритов исходного робота или станка.

Для ГП принимается конструкция ГЦ, у которого односторонний шток двухстороннего деиствия.

Ссылаясь на задание принимаем, исходя из ГОСТ 12445-80 принимаем рабочее давление всей гидросистемы = 6,3 МПа.

Рассчитаем диаметр поршня ГЦ:

 м,  (102)

где p1 - давление в напорной полости ГЦ, МПа;- максимальные осевые усилия, кН;

Ψ1 и Ψ2 - это коэффициенты, которые зависят от конструкций ГЦ;- давление в сливных полостях ГЦ, МПа.

Из этого следует, что для выбранного ГЦ коэффициент отношений диаметров штоков к диаметрам поршней Ψ1 = 0, Ψ2 = 0.71.

В сливной полости цилиндра, противодавление, нужно выбрать p2 = 0,7 МПа, исходя из рекомендаций.

Значит, что диаметр поршня ГЦ:

 м.

Исходя из ГОСТ 12447-80 принимаем диаметр поршня равным 90 мм.

Согласно этим значениям выбираем ГЦ с максимальным давлениям Pmax = 8 МПа, маркировка гидроцилиндра 1-90х63х630 ТУ2-0221050.004 - 88. В таблице номер 2 предоставлены главные характеристики для этого гидроцилиндра.

Таблица 2 - Главные характеристики ГЦ

№ п/п

Параметр

Значение

1

Давление номинальное, МПа

6,3

2

D поршня, мм

90

3

D штока, мм

63

4

Ход поршня, мм

630

5

Усилие максимальные на штоке, толкающие, кН

36,05

2.2.2 Выбор схемы гидравлической и ее описание

Схема гидравлическая прижима верхнего ролика натяжателя представлена на рисунке 6.

Главная проблема при работе ролика - это большие перегрузки по механической части. Также возможен отрыв ролика от полосы. Вследствие чего возможен брак. В дипломном проекте мы предлагаем модерницазию для устранения данных недостатков.