(переходить до режиму відсічки). Напруга колектора V2
зростає, а напруга емітера V2 зменшується. Транзистор V3
відкривається, і впродовж короткого часу (поки ще не закритий транзистор V4 ) через вихідний каскад протікає
значний струм. |
Для обмеження його призначений опір |
R4 50 500Ом. |
Далі транзистор V4 закривається і |
переходить до |
режиму відсічки, а транзистор V3 – |
відкритий і перебуває в активному режимі. Напруга на виході ТТЛ-елемента
Uвих UКEV4 E U U1,
де U – сумарний спад напруги на R4 , V3 і діоди Vg .
Оскільки U 1,4B, тому в цій схемі U1 3,6B.
Паразитна ємність Cвих швидко заряджається від джерела живлення E 5B через малий вихідний опір емі-
терного повторювача на транзисторі V3 (Rвих 15 200Ом).
Це зумовлює більш високу швидкодію даної схеми
порівняно зі схемою ТТЛ-елемента з простим інвертором.
Ця схема має і більш високу завадостійкість за рахунок наявності фазоінверсного каскаду, який впливає на збільшення крутизни СПХ логічного елемента, внаслідок чого схема відкривається при більшому значенні амплітуди завади Umзав .
Незалежно від стану ТТЛ-елемента один із транзисторів вихідного каскаду (або емітерний повторювач на V3 ,
або інвертор на V4 ) постійно буде проводити струм, забез-
печуючи надходження достатнього струму у навантаження і тим самим підвищуючи навантажувальну здатність даної схеми порівняно зі схемою з простим інвертором.
71
2.3.3Схеми базових елементів стандартних серій цифрових інтегральних схем (133 і 155)
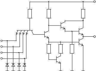
Базовий елемент І НЕ стандартних серій побудований за схемою рисунка 2.14.
|
|
|
|
|
|
+E |
|
|
|
|
R1 |
R2 |
R5 |
|
|
|
|
|
V1 |
V4 |
|
|
|
|
|
VD5 |
|
|
|
|
|
|
|
|
|
|
|
|
|
|
V2 |
x1 |
|
|
|
|
|
y |
|
|
|
|
|
V5 |
|
x2 |
|
|
|
|
|
|
|
|
|
|
R3 |
R4 |
|
x3 |
|
|
|
|
||
|
|
|
|
|
|
|
x4 |
1 |
2 |
3 |
4 |
|
V3 |
|
VD |
VD |
VD |
VD |
|
|
Рисунок 2.14 – Базовий логічний елемент І НЕ
133 і 155 серій
На входах ЛЕ, як правило, вмикаються діоди VD1 VD4 , що виконують демпфірувальну функцію – обмежують амплітуду негативних завад. Замість опору R3
(рис. 2.13) до бази вихідного транзистора V5 під’єднаний коригувальний ланцюжок (R3, R4,V3), що дозволяє
одержати СПХ за формою, наближеною до прямокутної (рис. 2.15), а це підвищує завадостійкість ТТЛ-елемента.
У схемі зі складним інвертором рисунка 2.13 СПХ має нахил на ділянці АВ (рис. 2.15). При вхідній напрузі Uвих 0,7B транзистори V2 і V4 закриті і перебувають у
режимі відсічки. Вихідна напруга Uвих U1 3,6B .
72
|
Uвих |
|
|
4 |
A |
|
|
|
Корекція |
|
|
3 |
|
|
|
2 |
B |
|
|
|
|
|
|
1 |
|
|
|
U0 |
|
|
Uвх |
0 |
0,7 1 1,4 2 |
3 |
|
Рисунок 2.15 – Корекція СПХ базового ЛЕ
Коли ж вхідна напруга досягає 0,7 В, транзистор V2
починає відкриватися, струм IK2 і спад напруги на опорі R2
зростають. Потенціал на колекторі V2 і відтак напруга UБЕ3
на базі V3 зменшуються, і оскільки транзистор V3 працює наразі в активному режимі як емітерний повторювач, то
напруга Uвих також зменшується (ділянка АВ |
на |
СПХ |
|||||||
рисунка 2.15). |
|
|
|
|
|
||||
|
Оскільки транзистор V4 наразі закритий, то струм IE |
||||||||
|
|
|
|
|
|
|
|
|
2 |
проходить |
через |
R3. Нахил СПХ на ділянці |
АВ |
тим |
|||||
більший (тобто Uвих зменшується тим швидше), чим менше |
|||||||||
відношення опорів |
R3 R2 . Тому для збільшення |
Uпор |
і |
||||||
|
|
|
|
|
|
|
|
1 |
|
U |
|
U |
пор |
U0 |
необхідно збільшувати опір |
R |
(щоб |
||
m |
|
|
|
|
3 |
|
|
||
зав |
|
|
1 |
|
|
|
|
|
|
вихідна напруга зменшувалась якомога повільніше, тобто щоб нахил ділянки був меншим). Проте збільшувати величину R3 недоцільно, тому що струм IБ4 буде
зменшуватися під час процесу розсмоктування неосновних носіїв у базі V4 при закриванні V4 (переходу транзистора з режиму насичення до режиму відсічки). Це впливає на зменшування швидкодії ЛЕ при переході U0 U1.
73
З цієї причини корекція форми СПХ (ліквідація ділянки нахилу АВ) здійснюється заміною опору R3 на коригувальний ланцюжок R3, R4 , V3 (рис. 2.14). Резистор
R3 в ньому має малий опір (200 400 Ом). Скоригована СПХ показана на рисунку 2.15 пунктиром. У цьому разі V2 ,
V5 і транзистор коригувального ланцюжка V3 відкри-
ваються практично при одній напрузі Uпор1 1,4B . Відтак завадостійкість Umзав зростає приблизно на 0,7 В: коригува-
льний ланцюжок R3, R4 , V3 зміщує поріг вмикання
елемента в бік більших напруг.
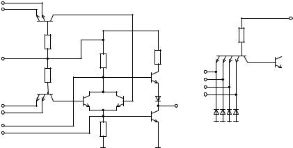
З метою підвищення навантажувальної здатності ТТЛ-елемента (збільшення коефіцієнта розгалуження) застосовується емітерний повторювач на складеному транзисторі V3 , V5 (рис. 2.16).
|
|
|
+E |
|
R1 |
R2 |
|
R6 |
|
V1 |
|
|
V3 |
|
|
|
V2 |
V5 |
|
|
|
y |
||
x1 |
|
|
||
|
|
V6 |
||
x2 |
|
|
||
R3 |
R4 |
R5 |
||
x3 |
||||
|
|
|
||
x4 |
|
|
V4 |
|
|
|
|
Рисунок 2.16 – ТТЛ-елемент на складеному транзисторі
74
2.3.4 Інші різновиди схем ТТЛ-елементів
Крім ТТЛ елементів І НЕ, до складу серії входять і широко застосовуються базові ЛЕ І АБО НЕ (рис. 2.17 а). Такий елемент містить декілька схем І (багатоемітерні транзистори V1 і V2 , резистори R1, R2 ).
Виходи схем І (колектори багатоемітерних транзисторів) з’єднані з базами транзисторів V3 , V4 . З’єднані тран-
зистори V3 і V4 реалізують операцію АБО, а під’єднаний до їх виходу інвертор V5 – операцію НЕ.
Максимальне число об’єднань становить не більше 8. З метою розширення числа входів такого ЛЕ по АБО до точок А, В схеми можна під’єднати схему розширювача
логіки (рис. 2.17 б), який являє собою багатоемітерний транзистор, з’єднаний з транзистором V2 . При увімкненні
одного розширювача швидкодія ЛЕ погіршується приблизно на 5 нс, а споживана потужність збільшується на 5 мВт.
x1 |
|
|
|
x2 |
|
|
|
V1 |
|
|
|
R1 |
|
|
|
+E |
R3 |
|
R5 |
|
|
||
|
|
|
|
R2 |
|
|
V5 |
V2 |
|
|
VD |
x3 |
V3 |
V4 |
|
x4 |
|
|
V6 |
A |
R4 |
|
|
B |
|
|
|
|
|
|
R1 |
V1 |
+E

A
V2
B
а) |
б) |
Рисунок 2.17 – ТТЛ-елемент І АБО НЕ з можливістю розширення логіки за АБО
75