Принцип дії |
I2 -інвертора полягає у такому. Якщо |
||
Uвх U1 0,75B, |
то |
багатоколекторний |
транзистор |
відкритий і струм |
IГ |
протікає до його бази, |
насичуючи |
транзистор. При цьому на всіх колекторах буде низький
потенціал: Uвих U0 0,05B. Якщо ж Uвх U0 |
0,05B , то |
|
багатоколекторний транзистор V закривається, |
і струм IГ |
|
протікає |
до вхідного кола. На виході I2 -елемента |
|
Uвих U1 |
0,75B . |
|
|
Логічний елемент І на I2 |
|
Схема I2 -елемента І показана на рисунку 2.31.
y
x1 |
& |
y |
|
|
|
x2 |
|
V1 |
V2 |
V3 |
V4 |
|
Iг |
Iг |
Iг |
Iг |
|
|
|
||||
|
|
x1 |
|
x2 |
|
Рисунок 2.31 – Схема I2 -елемента І
У схемі застосовуються чотири ключі-інвертори. Взагалі при n входах потрібно застосовувати 2n ключівінверторів. Схему одержують із 4 логічних елементів НЕ шляхом об`єднання колекторів (виходів) парних ключівінверторів.
Нехай |
x x |
U |
0 0,05B. Непарні транзистори V і |
|
V3 закриті, |
1 |
2 |
|
1 |
і |
на |
їх |
колекторах – високий потенціал |
|
U1 0,75B. Тому транзистори V2 і V4 – відкриті і насичені,
і на їх об’єднаних колекторах (вихід ЛЕ) – низький потенціал U0 (y 0).
96
Якщо ж x1 x2 U1 0,75B, то транзистори V1 і V3 –
відкриті і насичені, на їх колекторах – низький потенціал. Транзистори V2 і V4 закриті, і Uвих U1 0,75B (y 1) .
Логічний елемент АБО НЕ на I2
Показаний на рисунку 2.32.
x1 |
1 |
y |
V1 |
V2 |
x2 |
|
|||
xn |
|
|
Iг |
Iг |
|
|
x1 |
|
x2 |
y

Vn
Iг
xn
|
Рисунок 2.32 – Схема I2 -елемента АБО НЕ |
|||||||
|
Якщо |
x x |
... x |
U0 0,05B , то всі транзистори |
||||
|
|
1 |
2 |
n |
|
|
|
|
V V закриті, і на виході напруга U |
вих |
U1 0,75B (y 1). |
||||||
1 |
n |
|
|
|
|
|
|
|
|
Якщо |
ж хоча б |
на один |
вхід |
подається логічна |
|||
«одиниця» |
(x U1), а x |
2 |
... x |
U0 |
, то V – відкритий і |
|||
|
|
1 |
|
n |
|
|
1 |
|
насичений, на його колекторі – низький потенціал U0 , і тоді Uвих U0 0,05B (y 0).
Характеристики і параметри I2 -елементів
1 Швидкодія. tзадсер 10 50нс .
Для підвищення швидкодії необхідно зменшувати величину логічного перепаду Uвхm . З цією метою вмикають
на виходах ЛЕ діоди Шотткі. Це приводить до зменшення
U0 до величини Uш0 U0 Uш . При цьому логічний перепад зменшується вдвоє: Uвхm 0,3 0,4B.
97
Цей захід збільшує швидкодію, але призводить до
зниження рівня U1.
2 Завадостійкість невисока з причини малої величини логічного перепаду:
Um |
20 50мB, |
Um |
0,3B. |
зав |
|
зав |
|
3 Kроз NK (де NK – число колекторів багатоколек-
торного транзистора), Kроз 4 5.
4 Kоб 4 8 (визначається числом ключів-інверторів,
тобто кількістю елементів НЕ). Цей коефіцієнт обмежується негативним впливом паразитної ємності Cвх на швидкодію елемента.
5 Споживана потужність I2 -елемента невелика (з
причини малих логічних рівнів U0 і U1, відсутності резисторів у схемах, малої напруги джерела живлення Е) і
становить десятки мікроват на кожну схему I2 -елемента.
2.7 Перетворювачі рівня
Під час роботи інтегральних схем ТТЛ зі схемами інших типів, які мають відмінні від ТТЛ значення логічних рівнів, необхідно використовувати спеціальні схеми узго-
джувальних пристроїв, так звані перетворювачі рівня.
Так, для сумісної роботи ІС ТТЛ 133 і 135 серій з ІС ЕЗЛ 100 і 500 серій застосовується спеціальна ІС типу 100 ПУ 124 (500 ПУ 124), яка складається з чотирьох двовходових перетворювачів рівня для перетворення ТТЛ → ЕЗЛ.
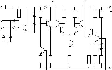
Розглянемо принцип дії одного з чотирьох перетворювачів рівня ІС 100 ПУ 124 (рис. 2.33).
98
|
R1 |
|
VD7 |
4 |
|
|
2 |
16 |
|
9 |
|
|
|
|
|
|
|||
|
|
|
|
|
|
|
( |
) |
|
|
|
|
|
|
|
|
10 |
||
|
R2 |
5 |
R3 |
|
R6 |
R8 |
12 |
|
|
|
VD |
|
R |
R |
|
||||
6 |
VD3 |
V3 |
|
V4 |
|
|
|||
V1 |
6 |
|
|
|
|
|
|||
|
|
|
|
|
|
|
|||
|
VD |
|
|
|
|
V8 |
|
|
|
5 |
|
|
|
V5 |
V7 |
V9 |
|
|
|
VD4 |
|
|
|
|
|
||||
|
|
|
|
V10 |
|
|
|||
|
|
|
|
|
|
|
|
||
VD1 |
VD2 |
|
|
|
|
|
|
|
|
|
|
|
|
V6 |
|
|
|
||
|
|
|
|
|
|
|
|
|
|
|
|
|
|
|
|
|
8 |
|
|
|
|
|
V2 |
|
|
|
VD |
|
|
|
|
|
|
|
|
|
9 |
|
|
|
|
|
|
|
|
|
VD |
|
|
|
|
|
R4 |
R5 |
|
R7 |
|
|
|
|
|
|
|
|
|
|
R9 R11 R13 |
8 |
|
|
Рисунок 2.33 – Перетворювач рівня ТТЛ → ЕЗЛ |
|
|
||||||
Склад схеми. VD3, VD4 – вхідні діоди; V1 – вхідний емітерний повторювач; V5 , V7 – диференціальний каскад у режимі перемикача струму (потенціальний інвертор із перемиканням емітерного струму); V4 і V8 – емітерні повторювачі; V9 і V10 – генератор опірної напруги.
Напруга живлення ІС ТТЛ ( 5,0B 5%) подається на
вивід 9; |
напруга |
живлення ІС |
ЕЗЛ ( 5,2B 5%) – на |
вивід 8; |
спільний |
вивід 16 |
з’єднується з корпусом; |
навантаження під’єднується до парафазних виходів 4 і 2. Для стробування усіх чотирьох перетворювачів рівня, розміщених в одному корпусі ІС 100 ПУ 124, другі входи кожного перетворювача об’єднуються на виводі 6. Опірна напруга з емітера V10 є напругою зміщення для ГСС на
транзисторі V6 . У схемі, крім того, створюються дві опірні напруги: Uоп1 1,8B (з емітера V9 ) і Uоп2 0,7B (з R12 ).
99
Робота схеми. Напруга Uоп1 з емітера V9 подається на один вхід диференціального каскаду (база V7 ), напруга
Uоп2 з резистора R12 надходить на базу ще одного ГСС
(V2 ). При подачі на вхід сигналу Uвх UТТЛ1 2,4В на базі
транзистора V3 виникає потенціал |
0,05В , на базі V5 – |
|
приблизно 0,8В, |
що відповідає рівню U1ЕЗЛ . Транзистор |
|
V5 відкривається, |
і на виході 4 |
установлюється рівень |
UЕЗЛ0 1,8В, а на виході 2 – рівень U1ЕЗЛ 0,8В . Для подавлення імпульсних завад, що виникають у моменти перемикання в колах живлення схем ТТЛ, на вході схеми перетворювача рівня установлені діоди VD1, VD2 .
2.8 Порівняльна характеристика різних типів логічних елементів
Під час розроблення цифрових пристроїв електронної техніки важливим завданням є вибір серій ЦІС, які найповніше відповідають технічним вимогам, що ставляться до їх
швидкодії, завадостійкості, навантажувальної здатності,
енергоспоживання. Один із способів вибору серій полягає в порівнянні їх за характеристиками розглянутих у даному посібнику базових логічних елементів, які є основою схемотехніки серій ЦІС.
ТТЛ-, ТТЛШ-елементи характеризуються параметрами, що лежать у широкому діапазоні значень. Це дозволяє застосовувати ІС ТТЛ у пристроях різної швидкодії: високої, середньої і низької. Висока завадостійкість цих ЛЕ робить пристрої на їх основі більш стійкими щодо збоїв, спричинених дією завад. Тому ІС ТТЛ доцільно застосовувати в електронній техніці, яка працює з частотою перемикання 20 МГц (ТТЛ) і 50 МГц (ТТЛШ).
100