6.1.1. В какой области протекает каталитический процесс окисления SO2 в промышленном реакторе?
в кинетической;
во внутридиффузионной;
во внешнедиффузионной;
в переходной.
6.1.2. Укажите способы увеличения равновесного превращения SO2 в SO3:
1) увеличение концентрации SO2 при постоянной концентрации О2;
2) уменьшение концентрации SO2 при постоянной концентрации О2;
3) увеличение давления;
4) увеличение температуры;
5) уменьшение температуры;
6) вывод SO3 из газовой смеси.
Выбрать сочетание правильных ответов:
1) 1, 2, 7; 2) 1, 3, 4, 6; 3) 1, 3, 5, 6; 4) 3, 5; 5) 3, 4, 6; 6) 2, 3, 5, 6.
6.1.3. Как влияет увеличение исходной концентрации SO2 на равновесную степень превращения SO2 в SO3 при постоянном соотношении О2:SO2?
проходит через максимум;
уменьшается;
не влияет;
увеличивается;
проходит через минимум.
6.1.4. Как изменяется константа равновесия реакции окисления SO2 с увеличением температуры?
увеличивается;
зависит от теплового режима в реакторе;
проходит через максимум;
проходит через минимум;
уменьшается.
6.1.5. Как изменяется фактическая степень превращения SO2 с увеличением температуры при постоянном времени контакта ?
снижается;
возрастает;
проходит через минимум;
проходит через максимум;
характер изменения определяется моделью реактора.
6.1.6. Экспериментально получено, что при температуре Т1 степень превращения равна х1. Какое значение х2 при температуре Т2 можно ожидать, если Т2 > Т1 и остальные условия эксперимента сохранены?
1) х2 = х1; 2) х2 < х1; 3) х2 ≥ х1; 4) х2 ≤ хI; 5) х2 > хI.
6.1.7. Укажите способы увеличения скорости контактного окисления SO2:
увеличение давления;
снижение давления;
увеличение температуры.
снижение температуры;
поддержание температуры на определенном уровне;
увеличение концентрации SO2;
увеличение концентрации О2;
увеличение концентрации SO3.
6.1.8. Какие данные необходимы для определения необходимого объема катализатора в контактном аппарате?
1) производительность аппарата;
2) сопротивление слоя катализатора;
3) скорость химической реакции;
4) активность катализатора;
5) концентрация реагентов;
6) заданная степень превращения;
7) степень приближения режима к линии оптимальных температур.
Выбрать сочетание правильных ответов:
1) 1, 3, 4, 5, 6; 2) 1, 2, 4; 3) 2, 3, 6; 4) 1, 2, 4, 5, 6; 5) 2, 4, 6, 7; 6) 1, 2, 4, 5, 6, 7.
6.1.9. Какие показатели процесса окисления SO2 могут быть улучшены, если процесс будет протекать в оптимальном температурном режиме при заданном времени реакции τ ?
1) степень превращения SO2 в SO3;
2) скорость процесса окисления SO2;
3) тепловые потери в окружающую среду;
4) продолжительность срока службы катализатора;
5) качество получаемого продукта.
Выбрать сочетание правильных ответов:
1) 1, 3, 4; 2) 4, 5; 3) 1, 2; 4) 2, 4, 5; 5) 1, 4, 5; 6) 1.
6.1.10. Как влияет увеличение концентрации SO2 в исходном газе на изменение температуры в слое катализатора в адиабатическом процессе?
температура уменьшается;
температура остается постоянной;
зависимость температуры от концентрации проходит через максимум;
температура увеличивается;
зависимость температуры от концентрации проходит через минимум.
6.1.11. Какой режим реализуется в реакционной зоне полочного контактного аппарата с неподвижным слоем катализатора для окисления SO2 в SO3?
идеального вытеснения, изотермический;
идеального смешения, адиабатический;
идеального смешения, политропический;
идеального смешения, изотермический;
идеального вытеснения, адиабатический.
6.1.12. Чем обусловлена необходимость секционирования реакционной зоны (слоя катализатора) в контактном аппарате?
для уменьшения механической нагрузки на опору слоя катализатора;
для улучшения условий теплообмена;
для снижения гидравлического сопротивления аппарата;
для приближения температурного режима процесса к оптимальному;
для сдвига равновесия реакции.
6.1.13. Можно ли получить степень превращения SO2, равную 98,5%, в контактном аппарате с одним слоем катализатора?
нет, потому что линейная скорость потока мала;
да, в трубчатом реакторе с использованием хладагента;
да, но только в адиабатическом режиме;
да, в схеме с рециклом;
да, если слой катализатора функционирует в режиме псевдоожижения.
6.1.14. Почему в промышленности для окисления SO2 в SO3 используют многослойные полочные реакторы с неподвижным слоем катализатора:
в адиабатическом режиме в одном слое реактора невозможно достигнуть степени превращения SO2, близкой к 100%;
в трубчатом реакторе из-за ограниченного количества трубок практически невозможно расположить необходимый объем катализатора для обеспечения производительности 300 т/сутки и выше;
несколько слоев нужны для удобства размещения теплообменников;
из-за низкой активности катализатора и его высокой температуры зажигания;
из-за низкой коррозионной стойкости конструкционных сталей.
6.1.15. Какой критерий оптимальности используется при построении линии оптимальных температур?
минимальная степень превращения SO2;
минимальная концентрация сернистого ангидрида;
максимальная скорость реакции при заданном составе реакционной смеси;
минимальная степень превращения по кислороду;
максимальный выход SO3.
6.1.16. Почему процесс окисления SO2 в промышленных условиях начинают при 4200С?
при этом достигается максимальная степень превращения в первом слое катализатора;
это минимальная температура, обеспечивающая необходимую скорость процесса;
эта температура соответствуют оптимальному режиму работы предшествующих стадий процесса – отделение обжига и очистки газа;
при этом достигается автотермичность работы контактного аппарата;
это оптимальная температура, обеспечивающая максимальный коэффициент теплопередачи в теплообменнике после первого слоя контактного аппарата.
6.1.17. Почему в многослойном контактном аппарате объём катализатора увеличивается в каждом слое по ходу газа?
это определяется конструктивными соображениями;
это определяется условиями теплообмена;
это связано с уменьшением скорости реакции по слоям из-за снижения концентраций;
это определяется гидродинамическим расчетом;
это зависит от активности катализатора.
6.1.18. Какое максимальное содержание SO2 в газовой смеси может быть получено при сжигании серы в кислороде воздуха?
1) 100%; 2) 21%; 3) 16%; 4) 79%; 5) 8,2%.
6.1.19. Какие конструкции реакторов для проведения процесса окисления SO2 в присутствии катализатора можно использовать?
реактор идеального смешения изотермический;
реактор идеального вытеснения с отводом тепла;
многослойный реактор с подводом тепла;
многослойный реактор с промежуточным отводом тепла;
реактор с псевдоожиженным слоя катализатора и отводом тепла;
адсорбер с кольцевыми насадками.
6.1.20. Чем определяется минимальное время контакта реакционного потока в слое катализатора для процесса окисления SO2 при заданной степени превращения SO2?
условиями оптимального температурного режима;
гидравлическим сопротивлением слоя катализатора;
адиабатическим разогревом;
равновесной степенью превращения;
размером зерна катализатора;
объемной скоростью подачи реагентов;
температурным интервалом работы катализатора.
6.1.21. Как определяется оптимальное количество катализатора в реакторе и его секционирование по слоям для процесса окисления SO2 в SO3?
по значению равновесной степени превращения SO2;
из условий оптимизации режима;
типом катализатора;
по начальным концентрациям SO2 и О2;
по количеству катализатора, загруженного в аппарат;
по температуре хладагента в теплообменниках.
6.1.22. Зачем в процессе окисления SO2 используют катализатор?
для смещения равновесия в сторону образования конечного продукта SO3;
для снижения температуры процесса;
для повышения степени превращения SO2;
для повышения скорости процесса окисления SO2;
для повышения избирательности процесса;
для снижения константы скорости обратной реакции;
для увеличения константы скорости прямой реакции окисления SO2.
6.1.23. Какие данные необходимы для расчета величины адиабатического разогрева окисления SO2?
концентрация SO3;
теплоемкость реакционной смеси;
концентрации всех исходных веществ;
заданная степень превращения SO2;
температура зажигания катализатора;
равновесная степень превращения SO2 ;
тепловой эффект реакции;
температурный режим работы катализатора;
количество катализатора в слое;
концентрация SO2 на входе в реактор.
6.1.24. Может ли быть достигнута заданная степень превращения SO2 в присутствии катализатора, если процесс вести не по линии оптимальных температур (ЛОТ), а в интервале температур работы катализатора?
да, но необходимо обеспечить дополнительный теплоотвод;
нет, так как линия оптимальных температур определяет достигаемую степень превращения;
да, но время контакта для достижения заданной степени превращения при этом возрастет;
нет, поскольку катализатор работает не в оптимальном режиме.
6.1.25. В функциональной схеме производства серной кислоты из серосодержащего сырья

установите соответствие порядкового номера на схеме стадиям процесса, поименованным ниже:
(2)очистка и промывка обжигового газа;
(3)окисление SO2;
(1)обжиг серосодержащего сырья;
десорбция SO2;
(4)абсорбция SO3;
десорбция SO3.
6.1.26. В функциональной схеме производства серной кислоты из серного колчедана

установите соответствие порядкового номера на схеме стадиям процесса, поименованным ниже:
десорбция SO2;
десорбция SO3;
(1)обжиг серосодержащего сырья;
(3)окисление SO2;
(2)очистка и промывка обжигового газа;
(4)абсорбция SO3.
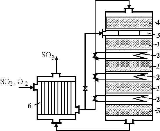
6.1.27. В схеме реактора окисления SO2 в SO3 в производстве серной кислоты

установите соответствие номера элемента реактора его наименованию:
слой колец Рашига;
(3)смеситель;
(1,4,5)слой катализатора;
(2)промежуточные теплообменники;
слой активированного угля;
(6)внешний теплообменник.
6.1.28. Чем определяется выбор концентрации 98,3% серной кислоты в качестве орошающей жидкости при абсорбции SO3?
минимальным разогревом;
максимальной движущей силой;
минимальной коррозионной активностью жидкости в абсорбере;
минимальной коррозионной активностью отходящих газов.
экономическими соображениями;
6.1.29. Если SO3 на стадии получения серной кислоты абсорбировать олеумом, то поглощение будет:
полным;
неполным;
отсутствовать.
6.1.30. В функциональной схеме производства серной кислоты по методу «двойное контактирование – двойная абсорбция» на основе серы

установите соответствие порядкового номера на схеме стадиям процесса, поименованным ниже:
(3)первая стадия окисления SO2;
(5)вторая стадия окисления SO2;
(6)вторая стадия абсорбции SO3;
(4)первая стадия абсорбции SO3;
(2)промывка обжигового газа;
(1)обжиг серосодержащего сырья.
6.1.31. Почему концентрация SO2 в исходной смеси в промышленных условиях не превышает 10 об. %?
будет превышен предел взрывобезопасности;
уменьшится максимальная (равновесная) степень превращения;
катализатор дезактивируется при высокой концентрации SO2;
слой катализатора перегреется;
экономически невыгодно;
будет недостаточно кислорода для полного окисления SO2.
6.1.32. За счет чего достигается более полное окисление диоксида серы в производстве серной кислоты по схеме "двойное контактирование двойная абсорбция"?
увеличивается объём катализатора;
улучшаются условия отвода тепла;
увеличивается скорость процесса;
сдвигается равновесие реакции;
осуществляется вывод продукта из зоны реакции.
6.1.33. Предложите мероприятия, способствующие реализации концепции минимизации отходов в производстве серной кислоты:
уменьшение концентрации диоксида серы;
выбор оптимальной концентрации орошающей кислоты;
внедрение схемы ДК-ДА;
использование контактного аппарата с кипящими слоями катализатора.