Материал: m013800e

Внимание! Если размещение файла нарушает Ваши авторские права, то обязательно сообщите нам

2.2.1 Electronic supply voltage

Fig. 2.3: Electronic supply voltage

The electronic supply voltage (24 V DC) is adapted using a voltage regulator and led to the coupler/controller electronics as well as to the internal bus. The electrical isolation of the external fieldbus system is made via a DC/DC converter and via an optocoupler in the fieldbus interface.

The internal bus includes the internal communication between the coupler/controller and the I/O modules as well as the power supply for the I/O modules. The maximum power supply is 1.65 A. If the sum of the internal power consumption of all I/O modules exceeds this value it is necessary to fit additional internal system supply modules2.

The control electronics in the I/O modules are supplied by snap-fit mounting the I/O modules using the internal bus contacts. A reliable contact is assured by gold plated, self cleaning slide contacts. The removal of a I/O module will cause an interruption of the connection to the following I/O modules. The coupler/controller localises the interruption point and sends a corresponding fault message via the red LED ‘I/O ERR’.

ATTENTION!

Removing or inserting the I/O modules with the voltage applied can lead to undefined conditions. For this reason only undertake work on the I/O modules when isolated from the power supply!

2 Internal system supply modules, order No. 750-613

MODBUS / Coupler/controller

11

15.12.99

2.2.2 Supply voltage of the field side

Fig. 2.4: Power contact for the power supply to the field side

The power is supplied to the field side automatically by snap-fitting the individual I/O modules via self-cleaning power contacts (Fig. 2.4). These contacts are arranged on the right hand side of the coupler/controller and the I/O modules, protected against accidental contact, as spring contacts. On the left hand side of the I/O modules are corresponding male contacts as counter pieces. Ensure that the current of the power contacts does not permanently exceed 10 A.

The PE contact is a preceding ground (earth) contact corresponding to the standards which can be used as a protective earth. The contact has a leakage capacity of 125 A.

яюэьыъщэш Please note that some I/O modules do not have any, or only individual power contacts (dependent of the I/O function). This configuration is intended to interrupt the power supply. If a field supply is required for the following I/O modules, it is necessary to use a power supply module. Take note of the individual terminal/module data sheets! The design of some modules does not physically allow assembly them in rows as the grooves for the male contacts are closed at the top.

By fitting an additional power supply module the field supply is always interrupted by the power contacts. From this point a new power supply is made, which can also include a potential change (see Fig. 2.2). This possibility guarantees a high degree of system flexibility.

12

MODBUS / Coupler/controller

15.12.99

2.3 Station address

The station address is set using both coding switches. The settable address is within the 01 and 99 range. The value 00 is reserved for the programming and configuration mode.

The lower coding switch serves for setting the address tens digit, the upper coding switch for setting the units digit. The address is only read in and saved when switching on. Changes made during operation have no effect.

The following example shows the setting of address 62:

Fig. 2.5: Coding switch

MODBUS / Coupler/controller

13

15.12.99

2.4 Mode switch

Fig. 2.6: Mode switch

The mode switch is only available in the controller and permits a manual Run/Stop- status change.

Mode switch setting

Function

From Stop to Run:

Activate program processing

From Run to Stop:

Stop program processing

(Bootstrap:)

To bootstrap the firmware, not required by user

Hardware reset:

Mode switch e.g. push down with screwdriver

 

All outputs are reset, variables are set to 0 or FALSE or to their initial value.

 

Flags remain in the same status.

 

Reset can be made with both Stop as well as Run.

Table 2.1: Mode switch, controller

Stop = Program processing stopped

 

Run = Program processing running

ATTENTION!

If when changing over the mode switch from ‘Run’ to ‘Stop’ outputs are still activated, these will remain in this status! Switching off on the software side, e.g. by initiators is then ineffective because the program will no longer be processed!

(A mode change over is made internally at the end of a program cycle‘.)

14

MODBUS / Coupler/controller

15.12.99

2.5 Fieldbus connection

2.5.1 RS 485

Coupler : 750-312 and 750-315

Controller: 750-812 and 750-815

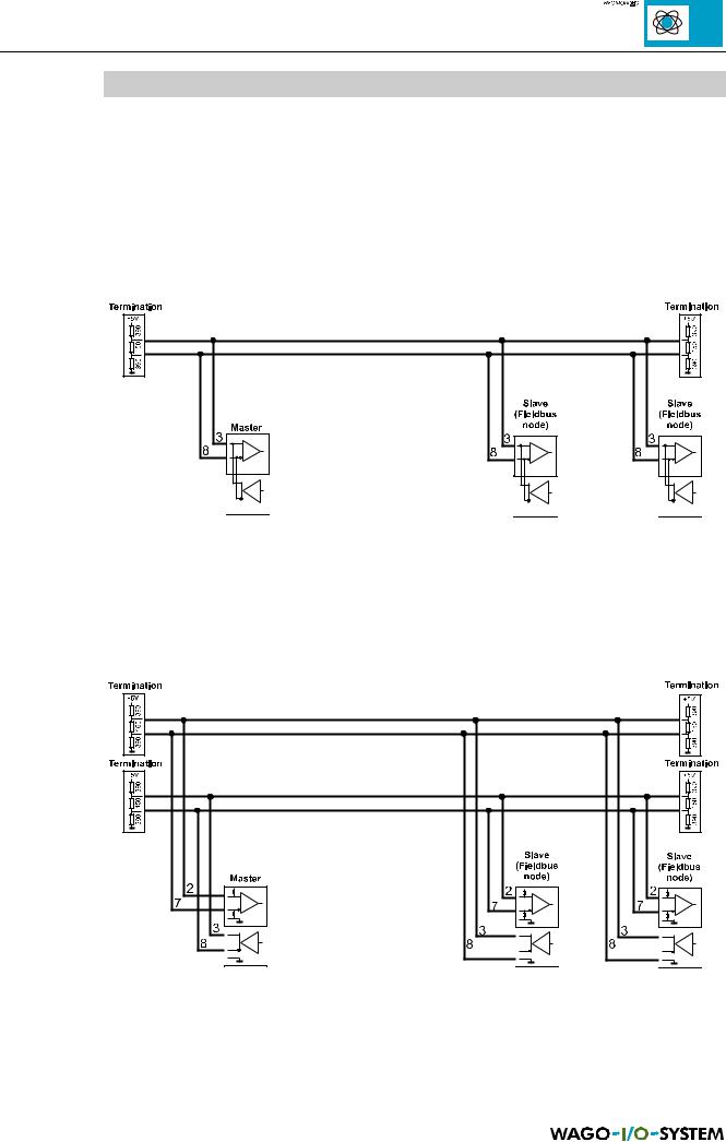
One transmission medium for the MODBUS is RS485, whereby, 2 or 4 wire can be used. The following figure shows an example for a 2 wire version:

Fig. 2.7: 2 wire connection

As opposed to the above the 4 wire connection offers the advantage that it can use simpler repeaters and converter. The following illustration is a corresponding example:

Fig. 2.8: 4 wire connection

MODBUS / Coupler/controller

15

15.12.99