На практике ЗИ реализуют программно, либо на базе аналоговых операционных усилителей. ЗИ широко используются в САР различного типа электроприводов, например:
-для ограничения темпа нарастания якорного тока, чтобы исключить вероятность межвиткового к/з и улучшить коммутационную способность щеточно-коллекторного аппарата (ЗИ тока якоря);
-для ограничения темпа нарастания скорости привода (ЗИ скорости), чтобы исключить динамические перегрузки механических связей установки и электрические перегрузки самого электропривода, и др.
2.4.Переходные процессы в цепях возбуждения
2.4.1. Форсировка цепи возбуждения
Цепь возбуждения представляет собой катушку индуктивности, намотанную на стальной сердечник (статор). В электродвигателях высокой мощности индуктивность обмотки возбуждения составляет десятки генри. При приложении скачка напряжения к обмотке возбуждения, ток обмотки будет нарастать по экспоненциальному закону во времени, т.е. если пренебречь нелинейностью кривой намагничивания, потоками рассеяния и вихревых токов цепь возбуждения в самом простом случае может быть представлена апериодическим звеном первого порядка
W p |
I |
В |
р |
|
|
1 / R |
|||
|
|
|
|
|
|
||||
|
|
|
|
|
|
|
|
||
|
U |
В |
p |
|
T |
|
р 1 |
||
|
|
|
|
|
В |
|
|||
и описываться дифференциальным уравнением.
U |
|
I |
|
R |
|
L |
dI |
В |
В |
В |
|
||||
|
|
|
В |
||||
|
|
|
|
|
|
|
dt |
В В
.
В двигателях большой мощности постоянная времени ОВ достигает (1-5)с, а длительность нарастания тока возбуждения до номинального значения соответственно от 3 до 20 секунд. Для некоторых технологических объектов, у которых реверс привода осуществляется по цепи возбуждения, таких как БЛЮМИНГ 20 секунд – это очень низкое быстродействие. Реверс валков блюминга осуществляется реверсом тока возбуждения приводного
73
двигателя, соответственно, каждый раз ждать, пока ток нарастет до номинального 20 секунд никто не собирается, осуществляют форсировку возбуждения. Т.е. форсировка возбуждения необходима для уменьшения длительности нарастания тока возбуждения (потока) до номинального значения посредством кратковременного увеличения напряжения возбуждения.
Слабое место любого электрического двигателя – это изоляция. До бесконечности увеличивать напряжение на клеммах обмотки возбуждения нельзя, т.к. может возникнуть пробой изоляции и машина сгорит. Держать двигатель под повышенным напряжением долго тоже нельзя, т.к. свойства изоляционного материала, защищающего обмотку электрической машины, ухудшаются от повышенных температур, и также может возникнуть пробой изоляции. Для двигателей краново-металлургической серии кратковременно повышать напряжение на ОВ можно до 5-ти
раз выше номинального значения, т.е. |
|
м акс |
5 |
. На рис. 2.19 |
|
|
|
|
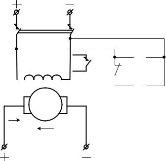
представлена простейшая релейно-контакторная электрическая схема для осуществления форсировки возбуждения.
UВН |
|
|
|
|
|
QF |
|
|
R |
КТ |
|
LM |
Ф |
||
|
|||
|
|
iВ 

М
iЯ
ЕДВ
UЯ
РКЦУ
К1
К1
КТ
74
Рис. 2.19. Релейно-контакторная электрическая схема для осуществления форсировки возбуждения
Работа схемы
При срабатывании автомата
QF
напряжение подается на
РКЦУ (релейно-контакторная цепь управления), срабатывают оба реле К1 и КТ (реле напряжения и реле времени), сопротивление
форсировки |
R |
|
Ф |
прикладывается
шунтируется
напряжение
контактом |
КТ |
и к обмотке LM |
|
U |
в н |
в |
течение времени, |
|
|
|
|
установленного реле времени КТ. По истечении этого времени контакт КТ размыкается и в цепь обмотки возбуждения вводится
сопротивление форсировки, тем самым к номинальное напряжение.
LM
приложено
На рис. 2.20 показаны переходные процессы в цепи |
LM |
форсировке напряжения возбуждения. |
|
U |
,I |
В |
В |
|
|
|
U |
|
U |
|
|
|
ВН |
|
В |
|
I |
|
|
|
||
ВН |
|
|
|
||
U |
|
|
|
||
|
|
|
|||
ВН |
|
|
|
||
|
|
|
|
I |
|
|
|
|
|
В |
|
|
|
|
|
|
t |
|
|
|
|
|
|
|
|
|
tН |
||
при
Рис. 2.20. Переходные процессы в цепи LM при форсировке напряжения возбуждения
На рис. 2.21 представлена структурная схема модели для исследования переходных процессов в обмотках возбуждения.
75
U
УФВ |
|
|
|
ОВ |
|
||
U |
|
|
|
|
|
||
|
|
|
|
|
|
|
|
ВН |
|
|
|
|
|
|
|
U |
ВН |
|
UВ |
|
1 / R |
В |
|
|
|
|
|
|
|||
|
|
|
|
|
|
|
|
|
|
i |
В |
Т |
В |
р 1 |
|
|
|
|
|
|
|
|
|
i |
|
|
|
|
|
|
|
ВН |
|
|
|
|
|
|
|
iВ
Рис. 2.21. Структурная схема модели для исследования переходных процессов в обмотках возбуждения
УФВ – устройство для форсировки
блоке реализуется зависимость U |
В |
f ( I |
В |
|
|
возбуждения, в этом
).
ОВ – апериодическое звено, моделирующее обмотку возбуждения.
Для осуществления линейного закона нарастания тока
возбуждения
IВ
на практике реализуется линейный закон
изменения напряжения возбуждения
UВ
вида, представленного на
рис. 2.22.
76
UВ
LdIВ
Вdt
,IВ
IВН
UВ
IВН
IВН
tH
RВ
IВ
RВ
I |
ВН |
R |
|
В |
t
LdIВ
Вdt
Рис. 2.22. Линейный закон изменения тока и напряжения цепи обмотки возбуждения
2.4.2. Исследование переходных процессов в цепях возбуждения электрических машин с учетом насыщения
В предыдущем разделе цепь возбуждения двигателя постоянного тока рассматривалась без учета насыщения магнитной системы и моделировалась инерционным звеном. Реальная магнитная система двигателя всегда насыщающаяся, причем процесс насыщения имеет нелинейный характер. В паспортных данных любого ДПТ имеется собственная «кривая намагничивания» цепи возбуждения. Это зависимость потока
двигателя от величины тока возбуждения ФВ f IВ , (рис. 2.23).
77