10
-недостаточен диапазон регулирования напряжения генераторами;
-трудно согласовать требования по напряжению удаленных и близких потребителей.
Как единственное средство регулирования генераторы применяются только в случае системы простейшего вида - станция - нераспределенная нагрузка. В этом случае на шинах изолированно работающих электростанций промышленных предприятий осуществляется встречное регулирование напряжения. Изменением тока возбуждения генераторов повышают напряжение в часы максимума нагрузок и снижают в часы минимума.
Повышающие трансформаторы на электростанциях ТДЦ/110 с номи-
нальным напряжением обмотки ВН UB.HOM = 110 кВ и часть из ТДЦ/220 с UB.HOM = 220 кВ, как и генераторы, являются вспомогательным средством регулирования напряжения, потому что также имеют предел регулирования ±2×2,5 % UB.HOM и с их помощью нельзя согласовать требования по напряжению близких и удаленных потребителей. Повышающие трансформаторы ТЦ и ТДЦ с UB.HOM =150, 330 - 750 кВ выпускаются без устройств для регулирования напряжения. Поэтому основным средством регулирования напряжения являются трансформаторы и автотрансформаторы районных подстанций.
9.6. Регулирование напряжения на понижающих подстанциях
По конструктивному выполнению различают два типа трансформаторов понижающих подстанций:
-с переключением регулировочных ответвлений без возбуждения, то есть с отключением от сети (сокращенно «трансформаторы с ПБВ»);
-с переключением регулировочных ответвлений под нагрузкой (сокращенно «трансформаторы с РПН»). Обычно регулировочные ответвления выполняются на стороне высшего напряжения трансформатора, которая имеет меньший рабочий ток. При этом облегчается работа переключающего устройства.
Напряжение на шинах ВН подстанции будет отличаться от напряже-
ния генераторов электростанции U1 на величину потерь в линии UC , а напряжение на шинах НН подстанции, приведенное к ВН UB2H , будет отличаться еще и на величину потерь напряжения в сопротивлении трансформатора UT :
U2B U1 UC , U2BH U2B UT . |
(9.9) |
Действительное напряжение на шинах НН подстанций определяется как
|
|
|
|
|
|
11 |
U2H |
|
U2BH |
U2BH |
UH.HOM |
, |
(9.10) |
|
|
|||||
|
|
n T |
UОТВ |
|
||
где nT UOTB / UH.HOM - коэффициент трансформации трансформатора; UOTB - напряжение регулировочного ответвления обмотки ВН;
UH.HOM - номинальное напряжение обмотки НН.
Меняя коэффициент трансформации, можно изменять напряжение на стороне НН подстанции U2H . Именно на этом принципе и работают все сред-
ства регулирования напряжения на подстанциях.
По условиям встречного регулирования (9.7) и (9.8)
VНБЖЕЛ % 5%; VНМЖЕЛ % 0,
где VЖЕЛ % - желаемое отклонение напряжения процентах номинального в |
||||||
НБ |
|
|
|
|
|
|
режиме наибольших нагрузок; |
|
|
|
|
|
|
VЖЕЛ % - то же для режима наименьших нагрузок. |
|
|
|
|
||
НM |
|
|
|
|
|
|
Соответственно |
|
|
|
|
|
|
ЖЕЛ |
ЖЕЛ |
ЖЕЛ |
|
ЖЕЛ |
(9.11) |
|
U2H.НБ UНОМ |
VНБ ; U2Н.НМ UНОМ |
VНМ . |
||||
Из электрического расчета сети определяются UB |
|
- напряжение на |
||||
|
|
2H.НБ |
|
|
|
|
стороне НН в режиме наибольших нагрузок, |
приведенное к ВН; |
UB |
- |
|||
|
|
|
|
|
2H.НМ |
|
напряжение на стороне НН в режиме наименьших нагрузок, приведенное к ВН. По значениям U и U определяются желаемые ответвления регу-
лируемой обмотки высшего напряжения трансформатора в режимах наибольших и наименьших нагрузок:
U |
|
UВ |
UН.НОМ |
, U |
|
UВ |
UН.НОМ |
. |
(9.12) |
||
ОТВ.НБ |
|
|
ОТВ.НМ |
|
|||||||
|
2В.НБ |
U |
ЖЕЛ |
2В.НМ |
U |
ЖЕЛ |
|
||||
|
|
|
2Н.НБ |
|
|
2Н.НМ |
|
||||
|
|
|
|
|
|
|
|
||||
Желаемые ответвления, определенные по (9.12) округляются до ближайших стандартных значений.
12
UB.HOM |
UH.H |
5
2,5
0
2,5
5
Рис.9.5. Схема обмоток трансформатора с ПБВ
9.6.1. Трансформаторы без регулирования под нагрузкой (ПБВ)
Трансформаторы без регулирования под нагрузкой (ПБВ) в настоящее время изготовляют с основным и четырьмя дополнительными ответвлениями. Схема обмотки такого трансформатора приведена на рис.9.5. Основное ответвление имеет напряжение, равное номинальному напряжению первичной обмотки трансформатора UB.HOM Для понижающих трансформаторов UB.HOM
равно номинальному напряжению сети UHOM.C к которой присоединяется дан-
ный трансформатор. При основном ответвлении коэффициент трансформации трансформатора называют номинальным. При использовании четырех дополнительных ответвлений коэффициент трансформации отличается от номинального на +5, +2,5, -2,5 и -5 %. Вторичная обмотка трансформатора является центром питания сети, подключенной к этой обмотке. Поэтому номинальное напряжение вторичной обмотки трансформаторов выше номинального напряжения сети: на 5 % - для трансформаторов небольшой мощности, на 10% - для остальных трансформаторов.
Чтобы переключить регулировочное ответвление в трансформаторе с ПБВ, требуется отключить его от сети. Такие переключения производятся редко, при сезонном изменении нагрузок. Поэтому в режиме наибольших и наименьших нагрузок в течение суток (например, днем и ночью) трансформатор с ПБВ работает на одном регулировочном ответвлении и соответственно с одним и тем же коэффициентом трансформации.
9.6.2. Трансформаторы с регулированием напряжения под нагрузкой
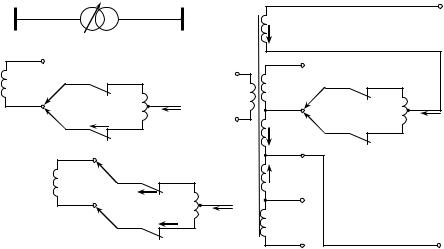
13
Трансформаторы с регулированием напряжения под нагрузкой, со встроенным устройством РПН (рис.9.6,а) отличаются от трансформаторов с ПБВ наличием специального переключающего устройства, а также увеличенным числом ступеней регулировочных ответвлений и диапазоном регулирования. Например, для трансформаторов с номинальным напряжением основного ответвления обмотки ВН, равным 115 кВ, предусматриваются диапазоны регулирования +16 % при 18 ступенях регулирования по 1,78 % каждая.
На рис.9.6,б изображена схема обмоток трансформатора с РПН. Обмотка ВН этого трансформатора состоит из двух частей: нерегулируемой а и регулируемой б. На регулируемой части имеется ряд ответвлений к неподвижным контактам 1, 4. Ответвления 1, 2 соответствуют части витков, включенных согласно с витками основной обмотки (направление тока указано на рис.9.5.4,б стрелками). При включении ответвлений 1, 2 коэффициент трансформации трансформатора увеличивается. Ответвления 3, 4 соответствуют части витков, соединенных встречно по отношению к виткам основной обмотки. Их включение уменьшает коэффициент трансформации, так как компенсирует действие части витков основной обмотки. Основным выводом обмотки ВН трансформатора является точка О. Число витков, действующих согласно и встречно с витками основной обмотки, может быть неодинаковым. На регулируемой части обмотки имеется переключающее устройство, состоящее из подвижных контактов в и г, контактов К1 и К2 и реактора Р. Середина обмотки реактора соединена с нерегулируемой частью обмотки а трансформатора. Нормально ток нагрузки обмотки ВН распределяется поровну между половинами обмотки реактора. Поэтому магнитный поток мал и потеря напряжения в реакторе также мала.
|
a |
BH |
U1B |
U2H |
|
1 |
а) |
|
1 |
14 |
|
|
|
|
|
K1 |
P |
|
б |
|
|
K1 |
P |
||
в |
|
|
||
|
HH |
в |
|
|
2 |
|
|
||
|
2 |
|
||
|
|
|
||
г |
|
|
г |
|
|
|
|
|
|
|
|
|
K2 |
|
K2 |
в) |
|
0 |
|
1 |
|
|
||
|
|
|
в |
|
K1 |
P |
2 |
3 |
|
|
г |
|
K2 |
4 |
г) |
б) |
Рис.9.6. Трансформатор с РПН:
а – условное обозначение; б – схема обмоток трансформатора с РПН; в,г – переключение ответвлений
Допустим, что требуется переключить устройство с ответвления 2 на ответвление 1. При этом отключают контактор К1 (рис.9.6,в), переводят подвижный контакт в на контакт ответвления 1 и вновь включают контактор К1 (рис.9.6,г). Таким образом, секция 1, 2 обмотки оказывается замкнутой на обмотку реактора Р. Значительная индуктивность реактора ограничивает уравнительный ток, который возникает вследствие наличия напряжения на секции 1, 2 обмотки. После этого отключают контактор К2, переводят подвижный контакт г на контакт ответвления 1 и включают контактор К2.
С помощью РПН можно менять ответвления и коэффициент трансформации под нагрузкой в течение суток.
Автотрансформаторы 220 - 330 кВ сейчас выпускаются с РПН, встроенным на линейном конце обмотки среднего напряжения. Ранее для автотрансформаторов устройство РПН выполнялось встроенным в нейтраль, при этом изменение коэффициентов трансформации между обмотками ВН и СН и обмотками ВН и НН нельзя было производить независимо друг от друга и нельзя было осуществлять встречное регулирование одновременно на среднем и низшем напряжениях. В настоящее время с помощью РПН, встроенного на линейном конце обмотки СН, можно изменять под нагрузкой коэффициент трансформации только для обмоток ВН – СН. Если требуется одновременно изменить под нагрузкой коэффициент трансформации между обмотками ВН и НН, то необходимо установить дополнительно линейный регулятор последовательно с обмоткой НН автотрансформатора. С экономической точки зрения такое решение оказывается более целесообразным, чем изготовление автотрансформаторов с двумя встроенными устройствами РПН.