Диаграммы местных вагонопотоков для участков П-Д и Д-Г приведены на рисунках 2.1 и 2.2 соответственно.
Технология работы с местными вагонами на участках включает разработку и обоснование следующих вопросов:
- определение категории поездов и их числа;
- разработку и обоснование композиции составов сборных поездов и порядка их отправления с распорядительных станций и организацию работы на станциях участка;
- определение времени стоянок сборных поездов на станциях участка и времени на подачу и уборку вагонов на места и с мест выполнения грузовых операций;
- организацию работы маневровых локомотивов, имеющихся на станциях участка.
Категории поездов при организации вагонопотоков на и со станций участка определяются объемом выполняемой на них погрузки и выгрузки.
Среди основных способов обслуживания промежуточных станций участка можно выделить следующие:
- отправительские и ступенчатые маршруты – используются при значительной погрузке в одном направлении или выгрузке с одного направления;
- сборные поезда (могут быть с работой на опорных станциях участка и зонные – с работой на нескольких промежуточных станциях одного участка);
- вывозные поезда – используются, когда отцепка и прицепка вагонов на данной станции значительна и обеспечивает высокую степень загрузки локомотива в обоих направлениях;
- диспетчерские локомотивы – используются при незначительной или неустойчивой погрузке и выгрузке на промежуточных станциях участка в дополнение к сборным поездам (состав поезда не более 10 вагонов). Такие локомотивы приписаны к техническим станциям и для каждого их рейса поездной диспетчер разрабатывает расписание;
- участковые маневровые локомотивы – используются при организации работы сборных поездов на опорных станциях для развоза местных вагонов с опорных станций на промежуточные (состав поезда ограничен действующей весовой нормой);
- прицепные группы местных вагонов к транзитным поездам (не более 3 вагонов к 1-2 поездам в сутки).
Рисунок 2.1 - Диаграмма местных вагонопотоков на участке Г – Д
Рисунок 2.2 - Диаграмма местных вагонопотоков на участке П – Д
Количество местных поездов, обслуживающих участок, определяется по формуле:
,
(2.1)
где
– груженые и порожние вагонопотоки на
перегоне, на котором в сумме они являются
наибольшими в данном направлении, ваг.;
– количество вагонов в сборном поезде,
ваг.
,
(2.2)
где
– масса брутто сборного или вывозного
поезда, т;
– масса брутто одного вагона, т.
ваг.,
ваг.,
поезда,
поезда.
Технология местной работы будет разработана для участка Д – П. При этом необходимо определить:
- какими поездами будут доставлены (убраны) вагоны на промежуточные станции (сборными, вывозными, диспетчерскими локомотивами, прицепкой или отцепкой от транзитных поездов);
- станции приписки маневровых локомотивов (рекомендуется принять 2-3 на участок);
- на каких промежуточных станциях будут работать сборные поезда;
- каким локомотивом (поездным или маневровым) будут выполняться маневры по отцепке (прицепке) и подачи уборки вагонов на промежуточных станциях.
При разработке технологии местной работы для участка необходимо учитывать, что использование сборных поездов более затратно, чем вывозных и диспетчерских локомотивов, и по возможности минимизировать их количество.
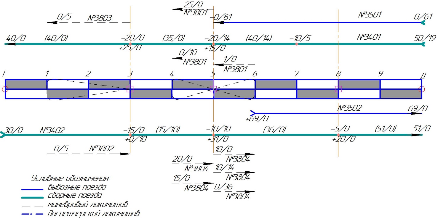
Схема обслуживания участка Д – П местными поездами по первому варианту приведена на рисунке 2.3.
На участке Д - П для выполнения грузовых операций открыты следующие станции: б, г, е, ж. Остальные станции – а, в, д, з, и – являются обгонными пунктами. Для разработки первого варианта суточного плана-графика местной работы определены следующие станции дислокации маневровых локомотивов:
б – обслуживает неопорную станцию г;
ж – обслуживает неопорные станции е.
На основании диаграммы местных вагонопотоков на участке Д – П в обращение назначим вывозной поезд в четном направлении:
со станции Д до станции б – 58 порожних вагонов под погрузку;
со станции б до станции П – 40 груженых вагонов после погрузки.
В нечетном направлении назначим диспетчерский локомотив:
Со станции б до станции Д – 4 груженых вагона после погрузки.
Остальные вагоны включаем в составы сборных поездов в соответствии с направлением их следования.
Со сборным поездом №3402 предусмотрена следующая технология работы на участке:
1) На станции б производится отцепка 27 порожних вагонов с головы поезда поездным локомотивом, прицепка 10 порожних вагонов на станцию е в голову состава поездным локомотивом.
2) На станции ж производится отцепка 25 груженых и 10 порожних вагонов поездным локомотивом.
Со сборным поездом №3401 предусмотрена следующая технология работы на участке:
1) На станции ж производится отцепка 15 груженых вагонов с головы поезда, прицепка 35 груженых вагонов на станцию Д в голову состава поездным локомотивом.
2) На станции б производится отцепка 10 груженых вагонов с хвоста поезда, прицепка 25 груженых вагонов на станцию Д в хвост поезда поездным локомотивом.
Со сборным поездом №3403 предусмотрена следующая технология работы на участке:
1) На станции ж производится прицепка 15 груженых вагонов на станцию Д в хвост состава поездным локомотивом.
2) На станции б производится отцепка 25 груженых вагонов с головы поезда и прицепка 43 груженых вагона в голову состава поездным локомотивом.
Развоз местного груза по неопорным станциям производят маневровые локомотивы опорных станции:
поезд № 3802 доставляет 15 груженых вагонов со станции б на станцию г для выполнения грузовых операций;
поезд № 3804 доставляет 25 груженых вагонов со станции е на станцию ж для последующей прицепки к местным поездам;
поезд № 3803 доставляет 5 груженых и 20 порожних вагонов со станции ж на станцию е для выполнения грузовых операций;
поезд № 3805 доставляет 15 порожних вагонов со станции г на станцию б для последующей прицепки к местным поездам;
Разложение составов местных поездов представлено в таблице 2.3.
Схема обслуживания участка Д – П местными поездами по второму варианту приведена на рисунке 2.4.
Для разработки второго варианта суточного плана-графика местной работы определены следующие станции дислокации маневровых локомотивов:
г – обслуживает неопорную станцию е.
На основании диаграммы местных вагонопотоков на участке Д – П в обращение назначим вывозной поезд в четном направлении:
со станции Д до станции б – 58 порожних вагонов под погрузку;
со станции б до станции П – 7 груженых вагонов после погрузки.
В нечетном направлении назначим вывозной поезд и диспетчерский локомотив:
со станции П до станции б – 20 груженых вагонов под выгрузку;
со станции б до станции Д – 58 груженых вагонов после погрузки;
со станции б до станции Д – 4 груженых вагона после погрузки.
Остальные вагоны включаем в составы сборных поездов в соответствии с направлением их следования.
Со сборным поездом №3402 предусмотрена следующая технология работы на участке:
1) На станции б производится отцепка 27 порожних вагонов с головы поезда поездным локомотивом, прицепка 10 порожних вагонов на станцию е в голову состава поездным локомотивом.
2) На станции ж производится отцепка 25 груженых и 10 порожних вагонов поездным локомотивом.
Со сборным поездом №3401 предусмотрена следующая технология работы на участке:
1) На станции ж производится отцепка 15 груженых вагонов с головы поезда, прицепка 35 груженых вагонов на станцию Д в голову состава поездным локомотивом.
2) На станции б производится отцепка 10 груженых вагонов с хвоста поезда, прицепка 25 груженых вагонов на станцию Д в хвост поезда поездным локомотивом.
Рисунок 2.3 - Схема обслуживания участка Г - Д местными поездами
Рисунок
2.3 - Схема обслуживания участка Д - П
местными поездами (вариант 1)
Рисунок 2.4 - Схема обслуживания участка Д - П местными поездами (вариант 2)
Станции |
Четное направление |
Нечетное направление |
||||||||||||
сборный поезд №3402 |
вывозной поезд №3502 |
сборный поезд №3401 |
сборный поезд №3403 |
диспетчерский лок-в №3801 |
||||||||||
отцеп-лено |
прицеп-лено |
всего вагонов в поезде |
отцеп-лено |
прицеп-лено |
всего вагонов в поезде |
отцеп-лено |
прицеп-лено |
всего вагонов в поезде |
отцеп-лено |
прицеп-лено |
всего вагонов в поезде |
прицеплено |
всего вагонов в поезде |
|
Д |
|
|
25/27 |
|
|
0/58 |
|
|
58/0 |
|
|
58/0 |
|
4/0 |
а |
|
|
25/27 |
|
|
0/58 |
|
|
58/0 |
|
|
58/0 |
|
4/0 |
б |
-0/27 |
+0/10 |
25/10 |
-0/58 |
+40/0 |
40/0 |
-10/0 |
+23/0 |
58/0 |
-25/0 |
+43/0 |
58/0 |
4/0 |
4/0 |
в |
|
|
25/10 |
|
|
40/0 |
|
|
45/0 |
|
|
40/0 |
|
|
г |
|
|
25/10 |
|
|
40/0 |
|
|
45/0 |
|
|
40/0 |
|
|
д |
|
|
25/10 |
|
|
40/0 |
|
|
45/0 |
|
|
40/0 |
|
|
е |
|
|
25/10 |
|
|
40/0 |
|
|
45/0 |
|
|
40/0 |
|
|
ж |
-25/10 |
|
0 |
|
|
40/0 |
|
|
45/0 |
|
|
40/0 |
|
|
з |
|
|
0 |
|
|
40/0 |
-15/0 |
+35/0 |
45/0 |
|
+15/0 |
40/0 |
|
|
и |
|
|
0 |
|
|
40/0 |
|
|
25/0 |
|
|
25/0 |
|
|
П |
|
|
0 |
|
|
40/0 |
|
|
25/0 |
|
|
25/0 |
|
|
Таблица 2.3 – Разложение составов местных поездов на участке Д – П по первому варианту
Таблица 2.4 – Разложение составов местных поездов на участке Д – П по второму варианту
Станции |
Четное направление |
Нечетное направление |
||||||||||||
сборный поезд №3402 |
вывозной поезд №3502 |
сборный поезд №3401 |
вывозной поезд №3501 |
диспетчерский лок-в №3801 |
||||||||||
отцеп-лено |
прицеп-лено |
всего вагонов в поезде |
отцеп-лено |
прицеп-лено |
всего вагонов в поезде |
отцеп-лено |
прицеп-лено |
всего вагонов в поезде |
отцеп-лено |
прицеп-лено |
всего вагонов в поезде |
прицеплено |
всего вагонов в поезде |
|
Д |
|
|
25/27 |
|
|
0/58 |
|
|
30/0 |
|
|
20/0 |
|
4/0 |
а |
|
|
25/27 |
|
|
0/58 |
|
|
30/0 |
|
|
20/0 |
|
4/0 |
б |
-0/27 |
+33/0 |
58/0 |
-0/58 |
+7/0 |
+7/0 |
-10/0 |
+25/10 |
45/10 |
|
|
20/0 |
4/0 |
4/0 |
в |
|
|
58/0 |
|
|
+7/0 |
|
|
45/10 |
|
|
20/0 |
|
|
г |
|
|
58/0 |
|
|
+7/0 |
-20/10 |
+25/5 |
45/10 |
|
|
20/0 |
|
|
д |
|
|
58/0 |
|
|
+7/0 |
|
|
50/5 |
|
|
20/0 |
|
|
е |
|
|
58/0 |
|
|
+7/0 |
|
|
50/5 |
|
|
20/0 |
|
|
ж |
-25/0 |
|
33/0 |
|
|
+7/0 |
|
|
50/5 |
|
|
20/0 |
|
|
з |
|
|
33/0 |
|
|
+7/0 |
-0/5 |
+8/0 |
58/0 |
-20/0 |
+58/0 |
58/0 |
|
|
и |
|
|
33/0 |
|
|
+7/0 |
|
|
58/0 |
|
|
58/0 |
|
|
П |
|
|
33/0 |
|
|
+7/0 |
|
|
58/0 |
|
|
58/0 |
|
|