Материал: Классификация усилителей

Внимание! Если размещение файла нарушает Ваши авторские права, то обязательно сообщите нам

СПБГУАП | группа 4736 Контакты https://new.guap.ru/i03/contacts

СПБГУАП | группа 4736 Контакты https://new.guap.ru/i03/contacts

30. Обратные связи в усилителях

Обратной связью называют воздействие выходного сигнала (или его части) на входную цепь. Электрическая цепь, которая связывает выход схемы с входом, называется цепью обратной связи. Если фаза сигнала обратной связи Uос такова, что он складывается с входным сигналом Uвх, и входной сигнал возрастает, такая обратная связь называется положительной. Этот вид обратной связи применяется в генераторах. Если сигнал обратной связи действует в противофазе с входным сигналом, то такая обратная связь называется отрицательной (ООС). Она применяется в усилителях.

Следует различать обратные связи по току и напряжению. При обратной связи по току сигнал Uос пропорционален выходному току, при обратной связи по напряжению сигнал обратной связи пропорционален выходному напряжению. В зависимости от способа подачи обратной связи во входную цепь усилителя различают последовательную и параллельную обратные связи.

На рис. 4.5 представлена структурная схема усилителя, охваченного последовательной обратной связью и имеющего коэффициент усиления без обратной связи К. Отношение напряжения, поданного на вход системы через цепь обратной Uос к выходному напряжению усилителя Uвых называется коэффициентом передачи цепи обратной связи:

В левой части равенства стоит величина I/К, где К – коэффициент усиления без обратной связи. Первый член правой части равенства – I/Кос, второй член – это коэффициент передачи цепи обратной связи Учитывая вышесказанное, равенство можно привести к виду

Это выражение справедливо для положительной обратной связи. В случае действия отрицательной обратной связи выражение можно переписать Таким образом, отрицательная обратная связь уменьшает коэффициент усилителя, но она делает работу

усилителя более стабильной, расширяет его полосу пропускания, уменьшает нелинейное искажение, увеличивает входное сопротивление усилителя и уменьшает его выходное сопротивление. Последние два положения очень важны для транзисторных усилителей, входное сопротивление которых обычно мало.__

СПБГУАП | группа 4736 Контакты https://new.guap.ru/i03/contacts

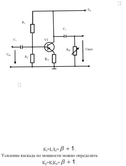
31. Усилитель с общим коллектором

Такой усилительный каскад называется эмиттерным повторителем. Схема усилительного каскада с общим коллектором представлена на рис. 4.6. На ней изображены разделительные конденсаторы С1 и С2, делители напряжения для задания рабочей точки R1 R2, источник питания Ек. , но в данной схеме не показан Rk , что подчеркивает тот факт, что коллектор транзистора по высокой частоте заземлен через конденсатор Сф, не показанный на схеме, т. е. на коллекторе нет переменного напряжения. В то же время сопротивление Rэ не шунтируется емкостью, как в схеме с общим эмиттером. В данной схеме эмиттер транзистора по высокой частоте оторван от земли. На сопротивлении Rэ действует как постоянное, так и переменное напряжение. В схеме осуществляется полная отрицательная обратная связь =1

Все выходное напряжение, действующее на Rэ, подается на вход в противофазе с входным напряжением. Коэффициент усиления по напряжению можно получить из формулы для Коос, т.е. Ко ос 1. Это явление объясняется следующим: входное напряжение прикладывается к точкам (см. рис. 4.6) С1 и общей точке, а снимается с RН, т. е. Uвых<Uвх. Учитывая, что падение напряжения UБЭ очень мало, можно считать, что Uвых < Uвх. Если на вход транзистора действует положительная полуволна входного напряжения, транзистор открывается, ток эмиттера растет. На сопротивлении Rэ переменная составляющая напряжения увеличивается, причем его плюс оказывается на эмиттере. Выходное напряжение в данном усилителе повторяет входное и по величине, и по фазе. Поэтому данный каскад и называется эмиттерным повторителем. Каскад усиливает ток, так как его входной ток – ток базы, а выходной – ток эмиттера.

Достоинством каскада являются его большое входное сопротивление Rвх= Rб||Rн (при больших значениях R1 и R2), и малое выходное сопротивление. Эмиттерный повторитель является согласующим каскадом и применяется в тех случаях, когда требуется согласовать низкоомную нагрузку с высокоомным выходом предыдущего усилителя.

32. Избирательный усилитель

Избирательные усилители предназначены для усиления сигналов в некоторой узкой полосе частот. Их частотная характеристика должна обеспечивать максимальное усиление в заданной узкой полосе частот («избирательное» усиление с выделением одного « полезного » сигнала) и достаточно крутой спад усиления вне этой полосы.

СПБГУАП | группа 4736 Контакты https://new.guap.ru/i03/contacts

Частотная избирательность таких усилителей создает высокую помехозащищенность систем, работающих на фиксированных частотах, что широко используется в устройствах автоматического управления и контроля. На этом свойстве основана работа некоторых измерительных устройств. Избирательные усилители применяются в радиоприемных и телевизионных устройствах, а также в многоканальных устройствах связи. На высоких частотах f0 >1 – 5 мГц избирательность усилителя создается введением параллельного колебательного контура в цепь нагрузки усилительного каскада (резонансные усилители) . Схема однокаскадного избирательного усилителя с параллельным резонансным контуром на полевом транзисторе показана на рис.4.11..

Параллельный резонансный контур включен в стоковую цепь транзистора вместо резистора RC . Назначение остальных элементов усилителя то же, что и в усилителе по схеме с общим истоком, представленном выше на рис. 4.7.

Работа схемы. На частоте резонанса f0 , равнойсопротивление колебательного контура чисто активное и максимальное по величине. А потому и коэффициент усиления усилителя максимален и равен Kum . При отклонении частоты влево или вправо от f0 сопротивление контура уменьшается из-за шунтирующего действия соответственно индуктивности L или емкости конденсатора C. Это в свою очередь уменьшает коэффициент усиления усилителя ( см. рис.4.10).

33. Однотактный усилитель мощности

Однотактный усилитель мощности работает, как правило, в режиме класса А и применяется при мощности в нагрузке до 1,5...2 Вт. Существенным отличием усилителя мощности (рис. 4.13) от усилителя напряжения является наличие согласующего трансформатора. Поясним его значение. От наклона динамической характеристики (рис 4.12 кл.А) зависят величины выходного напряжения Uк и тока Iк , а значит зависит выходная мощность. Усилители работают обычно на заданную низкоомную нагрузку, которую включать

СПБГУАП | группа 4736 Контакты https://new.guap.ru/i03/contacts

непосредственно в коллекторную цепь нельзя. Динамическая характеристика МN построена для приведенного

сопротивления нагрузки R н , которое является как бы включенным на первичной стороне трансформатора и на которое работает транзистор. Приведенное сопротивление определяется из выражения

Таким образом, подбирая коэффициент трансформации, мы можем получить желаемое приведенное сопротивление нагрузки. Приведенное сопротивление эн R проявляет себя только для переменного тока.

В режиме покоя в коллекторной цепи оказывается включенным только сопротивление обмотки трансформатора, которое представляет собой малую величину, поэтому в режиме покоя к коллектору транзистора приложено напряжение источника питания Ек. Треугольники, заштрихованные на рис.4.13,называются треугольниками мощности. Их площадь пропорциональна мощности на нагрузке Рн, так как катеты этих треугольников в масштабе представляют собой амплитуды Uк макс и Iк макс. и Рн,= Uк макс Uк макс /2

Величина полной мощности, которую усилитель потребляет от источника питания, пропорциональна площади прямоугольника со сторонами Ек и Iко. Pпит=IкоЕк Их разность определяет мощность потерь. Pпот = Pпит - Рн . Их отношение Рн / Pпот определяет к.п.д. χ Таким образом, при графоаналитическом расчете усилителя мощности, работающего в классе А, наклон динамической характеристики и выходной сигнал надо выбирать так, чтобы треугольники мощности были бы возможно большими и близкими по площади. Данный усилитель обеспечивает минимум нелинейных искажений, имея при этом следующие недостатки:

1.малый к.п.д., особенно при малых входных сигналах;

2.мощность потерь не зависит от величины входного сигнала и при малых сигналах энергия, потребляемая от источника питания, затрачивается впустую;