Материал: Классификация усилителей

Внимание! Если размещение файла нарушает Ваши авторские права, то обязательно сообщите нам

СПБГУАП | группа 4736 Контакты https://new.guap.ru/i03/contacts

3. каскад имеет трансформаторную связь с нагрузкой, что определяет неблагоприятный характер его частотной характеристики и плохо согласуется с интегральной технологией.

34. Двутактный усилитель мощности

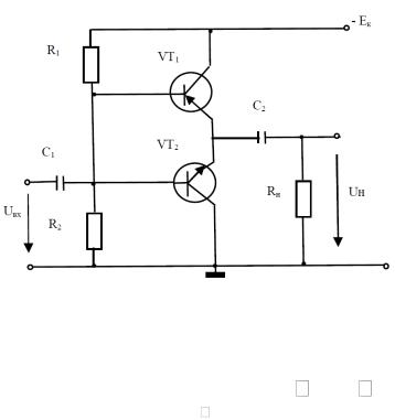
Наиболее полно преимущество класса В реализуется в двухтактных схемах. Микроминиатюризация электронных устройств привела к разработке двухтактных усилителей с бестрансформаторным выходом (БВК). БВК являются схемами с последовательным питанием и параллельным включением нагрузки. Наибольшее распространение получили усилительные каскады, построенные на паре разнотипных, но с

одинаковыми параметрами транзисторах. Схема такого БВК показана на рис.4. 14 Здесь использованы два транзистора разного типа : один транзистор

типа p – n – p (VT1), другой транзистор типа n – p –n (VT2).

Транзисторы, как правило, включены по схеме с общим коллектором, т.к. это обеспечивает минимальное выходное сопротивление, что особенно важно при работе усилителя на низкоомную нагрузку.. Конденсатор С1 разделяет по постоянному току источник входного сигнала и вход усилителя, конденсатор С2 разделяет – сопротивление нагрузки и эмиттерные цепи транзисторов. Резисторы R1 и R2 напряжение смещения на оба транзистора, обеспечивая их работу в классе А.

Работа схемы. Так как транзисторы разнотипные, то в каждый полупериод один транзистор открыт, другой закрыт. Открытый транзистор все свои возможности тратит на усиление одной полуволны входного сигнала. (Использует всю динамическую характеристику MN см.рис.4.12 кл. B) В следующий полупериод транзисторы меняются местами, и уже другой транзистор усиливает вторую полуволну входного сигнала. В результате в нагрузке протекает переменный ток с удвоенной амплитудой. Так как транзисторы включены по схеме с общим коллектором, которая усиления по напряжению не дает, усиление мощности происходит за счет усиления тока.

35. Усилитель постоянного тока

Усилители постоянного тока часто называются усилителями медленно изменяющихся величин или усилителями с гальваническими связями. Особенностью схем усилителей постоянного тока является отсутствие в них реактивных элементов – индуктивностей, конденсаторов, трансформаторов. Для медленно

изменяющегося напряжения сопротивление катушки индуктивности L L

будет равно нулю, а сопротивление конденсатора Хс=1/ С равно бесконечности. Отсюда становится ясным, что связь между каскадами не может быть емкостной и не может быть индуктивной.

Это вызывает серьезные трудности при проектировании усилителей постоянного тока.

Область применения усилителей постоянного тока широка. Они применяются в разных устройствах автоматики, так как многие датчики (термодатчики, фотодатчики) систем регулирования выдают сигнал в виде постоянного тока. Из-за гальванической связи между каскадами любое изменение коллекторного напряжения предыдущего каскада, вызванное изменением напряжения источника питания Ек и старением элементов схемы или изменением температуры окружающей среды, последующими каскадами ощущается как полезный сигнал и усиливается. Непостоянство выходного напряжения, вызванное

причинами, не зависящими от уровня входного сигнала, называется дрейфом нуля. Для сравнения различных усилителей постоянного тока дрейф нуля приводится к входу усилителя. Дрейф определяется в мВ/сутки (временный дрейф нуля) или для полупроводниковых усилителей в мВ/град (температурный

дрейф). Например, Uвх.др = Uвых.дрU = 3 мВ/сутки считается небольшим. В полупроводниковых усилителях

СПБГУАП | группа 4736 Контакты https://new.guap.ru/i03/contacts

наиболее ощутим температурный дрейф нуля, вызываемый первым каскадом усилителя, так как изменение коллекторного напряжения первого транзистора усиливает остальные каскады. Поэтому во входной цепи усилителя применяется температурная стабилизация. Эффективным средством снижения дрейфа является применение дифференциальных усилителей

.

Пример дифференциального усилительного каскада (интегральная микросхема К1УТ221) с двумя источниками питания показан на рисунке 4.15. Каскад представляет собой сбалансированный мост,

верхние плечи которого образуют резисторы Rк1 иRк2, а нижние – транзисторы VТ1 и VТ2. Рабочая точка транзисторов обеспечивается источником питания Ек2, благодаря которому на эмиттеры транзисторов подан минус, т. е. на базы подан плюс. Транзистор VТ3, резисторы R1, R2, R3 и транзистор VТ4 в данном включении образуют источник стабильного тока. В подобных схемах часто один вход заземляют, а входной сигнал подают на другой вход. Если подать, например, на вход VТ1 положительный сигнал, VТ1 откроется, его ток эмиттера увеличится, а, поскольку общий ток эмиттеров Iэ=const, ток транзистора VТ2 Iэ2

коэффициент усиления по напряжению дифференциального каскада будет такой же, как у одного транзистора. Дифференциальный усилитель имеет широкое распространение, так как является главной составной частью операционных усилителей.

36. Операционный усилитель

Операционный усилитель (ОУ) – это высококачественный усилитель постоянного тока (УПТ) работающий в режиме глубокой отрицательной обратной связи (ООС) и предназначенный для выполнения различных операций над аналоговыми величинами. Это наиболее распространенная аналоговая интегральная микросхема (ИМС). В ОУ сосредоточены основные достоинства усилительных схем. Идеальный операционный усилитель имеет коэффициент усиления по напряжению Ku ( 105 106 ), большое входное сопротивление Rвх (105 Ом), малое выходное сопротивление вых 0 R (десятки Ом), минимальный дрейф нуля, усиливает сигналы в широком спектре частот: от нуля до десятков мегагерц. Схемные обозначения ОУ приведены на рис. 4.16 а,б.

ОУ имеет два входа: вход 1 называют инвертирующим, вход 2 – неинвертирующим.

Выходное

напряжение Uвых связано с

входными

напряжениями Uвх1 и Uвх2

соотношением

Uвых KU Uвх2 Uвх1

. Из

(4.1) следует, что ОУ воспринимает только разность входных напряжений, называемую дифференциальным входным сигналом, и нечувствителен к любой составляющей

входного напряжения, воздействующей одновременно на оба входа (синфазный входной сигнал). В качестве источника питания ОУ используют двуполярный источник напряжения ( Eп , Eп ). Средний вывод этого источника, как правило, является общей шиной для входных и выходных сигналов. Применение двух источников питания при подключении нагрузки к их общей точке позволяет формировать на выходе двуполярное напряжение. Следовательно, передаточная характеристика усилителя расположена в двух квадрантах. На рис. 4.17 а,б приведены передаточные характеристики идеального ОУ соответственно для неинвертирующего (рис. 4,17 а) и инвертирующего (рис. 4.17, б) входов. У реальных ОУ они могут быть смещены (см. пунктирную линию 1 на рис 4.17 а,б) на величину U0 , называемую напряжением смещения.__

37. Сумматор на ОУ

Суммирующий усилитель является разновидностью инвертирующего масштабного усилителя.

СПБГУАП | группа 4736 Контакты https://new.guap.ru/i03/contacts

СПБГУАП | группа 4736 Контакты https://new.guap.ru/i03/contacts

38. Интегратор на ОУ

39. Дифференциатор на ОУ

СПБГУАП | группа 4736 Контакты https://new.guap.ru/i03/contacts

40. Компаратор на ОУ

В импульсной технике широко применяется ОУ при его работе в нелинейном режиме. Ранее мы рассматривали работу ОУ в линейном усилительном режиме. Как только входной сигнал превышает значение,

допустимое для зоны линейности , выходное напряжение ОУ ограничено значением вых max

U . Это

ограничение напряжения вызвано тем, что при больших сигналах транзисторы выходных каскадов ОУ

работают в ключевом режиме, при этом предельно достижимое выходное напряжение вых max

U не на много

меньше ЭДС источника. Таким образом, передаточная характеристика ОУ содержит участок положительного насыщения , когда ΔUвх >Uгр (ΔUвх=Uвх1 - Uвх2) и отрицательного насыщения , когда ΔUвх <- Uгр. Поскольку коэффициент усиления ОУ очень велик ( К ), то Uгр. весьма мало. В реальных ИМС – не более нескольких милливольт. Значит выходное напряжение ОУ зависит от того, какое из входных напряжений больше, т.е. ОУ является схемой сравнение напряжений и это его свойство используется в компараторах. Компаратор – это устройство, предназначенное для сравнения двух напряжений. Компаратор изменяет уровень выходного напряжения, когда уровни непрерывно изменяющихся входных сигналов становятся равными. Компаратор также называют нуль-органом, так как в момент срабатывания сигнал на входе

U=Uвх2-Uвх1 0.

На практике наиболее широкое распространение имеет компаратор, у которого уровни включения и выключения не совпадают, такая схема носит название порогового элемента или триггера Шмитта. Схема однопорогового компаратора на ОУ без цепи обратной связи, у которого напряжения включения и