Q7 = 1172.9 · 3.531 · (332 - 273) = 244.35·103.
ΣQрас. = 35.44·103 + 4.56·103 + 7.09·103 + 6.38·103 + 244.35·103 = 297.82·103.
=
ΣQрас. - Q1 = 297.82·103
- 15.60·103 = 282.22·103.
= 282.22·103 / (1.05 · 1117 · 3.531) = 68,
т.е.
= 273 + 68 = 341 К, т.е. на 5 градусов больше заданной
температуры электролита (336 К). Значение
можно принять, т.к. заданная
температура электролита (336 К) с точностью до 1 градуса является средней между
(341 К) и
(332 К). Поскольку
>
, электролит, уходящий из ванны,
необходимо нагревать (табл. 6).
Таблица 6 - Тепловой баланс электролизера для рафинирования меди
|
Статьи прихода тепла |
Q |
Статьи расхода тепла |
Q |
||
|
|
мДж/ч |
% |
|
мДж/ч |
% |
|
Тепло, выделяемое при прохождении электрического тока, Q1 |
15.60 |
5.2 |
Потери тепла на испарение воды с зеркала электролита, Q3 |
35.44 |
12.0 |
|
Тепло, приходящее с электролитом Q2 |
282.22 |
94.8 |
Потери тепла лучеиспусканием и конвекцией, Q4 |
4.56 |
1.5 |
|
|
|
|
Потери тепла корпусом ванны, Q5 |
7.09 |
2.4 |
|
|
|
|
Потери тепла выступающими частями электродов, Q6 |
6.38 |
2.1 |
|
|
|
|
Тепло с уходящим электролитом, Q7 |
244.35 |
82.0 |
|
Итого: |
297.82 |
100.0 |
Итого: |
297.82 |
100.0 |
2.7 Выбор оборудования
Ванна (электролизер) - основной агрегат для электрорафинирования меди.
К конструкции ванн предъявляются ряд требований, основным из которых являются физическая прочность, способность противостоять гидростатическому давлению электролита, высокая коррозионная стойкость, и стойкость к термоударам, возможность компоновки ванн в серию.
На ряде предприятии в качестве материала электролизера используют ванны из монолитного или сборного железобетона, полимербетона, чаще всего из кислотоупорного, что позволяет несколько снизить затраты на их сооружение, и увеличить срок службы.
Предлагается использовать ванны из железобетона, такими ваннами в отечественной практике эксплуатируют в цехе электролиза меди на ЗАО "КМЭЗ".
Для удобства обзора и устранения неполадок при эксплуатации электролизеры монтируют на высоте 4,8 м от нулевой отметки.
Кроме основного оборудования каждая циркуляционная система оснащена
емкостями для приготовления добавок ПАВ, дозирующими устройствами для раздачи
ПАВ, зумпфами для сбора возможных проливов электролита и промывных вод.
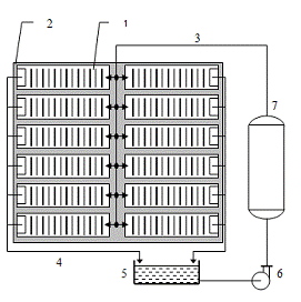
Рисунок 10 - Схема циркуляции электролита
- электролизная ванна, 2 - серия ванн, 3 - распределительная труба, 4 -
обратная труба, 5 - сборный бак, 6 - центробежный насос, 7 - теплообменник.
Циркуляционная система связана технологическими трубопроводами и замкнутый цикл (рис. 10), с которым электролит поступает в ванны. Подача электролита в ванны осуществляется через подающий карман у дна ванны, а слив - через верхний сливной лоток. Из них 28 серий по 24 ванны.
Промывка, сдирка катодов с матриц, их стопирование, взвешивание и обвязка пакетов производятся в автоматическом режиме на стрип-машине финской фирмы "WENMEC SYSTEMS OY". Подача анодов и вывоз из отделения электролиза меди катодов, анодных остатков и отходов производства осуществляют железнодорожным транспортом узкой колеи.
Необходимое количество ванн и их производительность. Производительность
одного электролизера за сутки, кг:
m = q·ВТК·τ·Кмв·I·10-3, (74)
где q - электрохимический эквивалент меди, г/(А·ч) (1.186);
τ - длительность суток, час. (24);
Кмв - коэффициент машинного времени работы ванны (0.98);- токовая нагрузка электролизера, А:
= Dк · Sк(75)
где Dк - катодная плотность тока, А/м2 (270);= 270 · 56.918 = 15368.= 1.186 · 0.968 · 24 · 0.98 · 15368 · 10-3 = 415.82.
Расчетное количество ванн N’, шт.:
’ = Q ·1000 / (m· Тк), (76)
где Q - производственная мощность участка, тонн катодов медных за год (100000); m - производительность одного электролизера за сутки, кг (415.82); Тк - календарный фонд рабочего времени, суки, (365 для непрерывного производства).
’ = 100000 · 1000 / (415.82 · 365) = 659. (77)
Принимаем число ванн N равным 672 (по 24 ванны в серии, 28 серий). Производительность всех электролизеров в сутки, кг:
сут = m · N, (78)
сут = 415.82 · 672 = 279431.
3. Экономическая часть
.1 Расчет стоимости производственных фондов
.1.1 Производственная мощность объекта и ее использование
Производственная мощность цеха есть максимально возможный годовой выпуск
продукции при наиболее полном использовании оборудования и рациональной
организации труда. Производственная мощность М, т/год, проектируемого цеха
определяется на основании предварительных технологических расчетов:
М = n · П · Тэф, (79)
где n - количество единиц основного оборудования (672 электролизера); П -
часовая производительность единицы основного оборудования в натуральных
единицах (0,0155 т); Тэф - годовой эффективный фонд времени работы основного
оборудования, ч:
Тэф = Ткал - Тпр,(80)
где Ткал - режимный фонд времени, для непрерывного процесса равный 8760 ч
· 672 = 5886720 ч); Тпр - время простоя на плановых ремонтах, час. Расчет
времени простоя на плановых ремонтах с использованием нормативов представлен в
таблице 7.
Таблица 7 - Время простоя на плановых ремонтах
|
Основное оборудование |
Периодичность ремонтов |
Виды и количество ремонтов в проектируемом году |
Время простоя, ч |
|
|
|
Вид ремонта |
Время, ч |
|
|
|
Электролизер |
ППР |
10 |
ППР, 1 ремонт в году |
10 |
|
Итого |
|
10 |
|
10 |
Тэф = 5886720 - 672·10 = 5880000 ч.
М = 672 · 0.0155 ·• 5880000 = 61246 т/год.
Коэффициент использования производственной мощности объекта Км, который
рассчитывается как отношение предусмотренного выпуска продукции (В) к
полученной мощности цеха:
Км = В/М = 100000/612460 = 0,95.(81)
3.1.2 Расчёт потребного количества оборудования
Правильный выбор количества оборудования определяет его рациональное использование во времени. Этот фактор должен учитываться таким образом, чтобы исключить простои оборудования, т.е. нужно выбирать его по производительности. С этой целью определяют наряду с другими технико-экономическими показателями критерии, показывающие степень использования каждого электролизера в отдельности и всех вместе по разработанному технологическому процессу.
Для каждого электролизера в технологическом процессе должны быть подсчитаны коэффициент загрузки и коэффициент использования по основному времени.
Эффективный годовой фонд времени работы оборудования
, час, рассчитывается по формуле:
, час.(82)
гдеD - число рабочих дней в году (247 дня); P - продолжительность смены (8 часов); d - режим работы; α - потери на ремонт оборудования (5-10%).
час.
Расчетное количество электролизеров равно 672 шт. Стоимость
технологического оборудования вспомогательных служб, приходящихся на участок,
рассчитывается, исходя из его необходимого количества и цен. Количество
вспомогательного оборудования рассчитывается в долях от технологического.
Транспортно-заготовительные расходы принимаются в среднем равными 5% от
стоимости оборудования, затраты на его монтаж - 5-10% от цены приобретения.
Таблица 8 - Расчёт стоимости технологического оборудования
|
Наименование оборудования |
Базовый вариант |
Проектный вариант |
||||||
|
|
Кол-во |
Сумма, руб. |
Кол-во |
Сумма, руб. |
||||
|
Электролизные ванны |
672 |
7830000 |
672 |
7830000 |
||||
|
Теплообменник трубчатый |
8 |
1495356 |
8 |
1495356 |
||||
|
Циркуляционные сборники электролита |
16 |
2800520 |
16 |
2800520 |
||||
|
Бак дегазационный |
10 |
243572 |
10 |
243572 |
||||
|
Бак ввода ПАВ |
1 |
2223880 |
1 |
2223880 |
||||
|
Бак для распаривания желатина |
1 |
4672250 |
1 |
4672250 |
||||
|
Дозатор ПАВ |
4 |
3658129 |
4 |
3658129 |
||||
|
Бак - мерник кислоты |
2 |
113629 |
2 |
113629 |
||||
|
Механизированная линия по обработке матриц и катодной меди фирмы "OUTOKUMPU" |
1 |
10250000 |
1 |
10250000 |
||||
|
Устройство укладки анодных остатков |
1 |
1366001 |
1 |
1366001 |
4 |
5464005 |
4 |
5464005 |
|
Бак циркуляционный |
4 |
1366001 |
4 |
1366001 |
||||
|
Насос центробежный |
10 |
2500000 |
10 |
2500000 |
||||
|
Насос погружной |
6 |
1360500 |
6 |
1360500 |
||||
|
Насос вакуумный |
4 |
4780000 |
4 |
4780000 |
||||
|
Итого |
|
47322324 |
|
47322324 |
||||
.1.3 Расчет стоимости производственных площадей
Для определения стоимости участка производится расчет общей и производственной площади:
а) общая производственная площадь S, м2, принимается равной 12636 м2;
б) вспомогательная площадь Sвсп, м2, принимается в размере 25¸35% от производственной:всп = 12636 · 0.25 = 3159;
в) площадь конторских и бытовых помещений Sбыт, м2, принимается в размере 20¸30% от производственной площади:быт = 12363 · 0.2 = 2527;
г) общая площадь Sобщ, м2:общ = 12363 + 3159 + 2527 = 18322
д) объем здания V, м3:= (12363 + 3159) ·15 + 2527·3 = 240411,
где 15 высота производственных и вспомогательных помещений, м; 3 высота бытовых помещений м;
е) стоимость производственных помещений, руб.:
·15·800 + 3159·15·450 + 2527·3·450 = 173090700,
где 800 - стоимость 1 м3 для производственных помещений, руб.;
450 - стоимость 1 м3 для вспомогательных и бытовых помещений, руб.
.1.4 Полный расчет стоимости производственных фондов
Стоимость инструмента и приспособлений принимается в размере 10% от
балансовой стоимости оборудования, производственно-хозяйственного инвентаря -
1% от стоимости здания и оборудования.
3.2 Определение численности основных производственных рабочих
К основным производственным рабочим относятся рабочие, которые участвуют в технологическом процессе по изготовлению основной продукции. Для определения численности основных рабочих необходимо установить, сколько в среднем часов в году работает один рабочий, то есть определить фонд эффективного времени. Составляется баланс рабочего времени.
Численность основных рабочих принимаем равной 83 - по штатному расписанию.
К вспомогательным рабочим относятся рабочие, занятые обслуживанием
основного производства и способствующие труду основных рабочих.
Таблица 9 - Расчет стоимости производственных фондов
|
Группа основных производственных фондов |
Балансовая стоимость, руб. |
Норма- амортизации, % |
Годовая сумма амортизационных отчислений, руб. |
||
|
|
Базовый |
Проектный |
|
Базовый |
Проектный |
|
1. Здание |
39897900 |
39897900 |
2.8 |
493826760 |
493826760 |
|
2. Рабочие машины и оборудование |
47322324 |
47322324 |
12.5 |
5915290 |
5915290 |
|
3. Инструменты и приспособления |
4732232 |
4732232 |
20.0 |
591529 |
591529 |
|
4. Контрольно-измерительные приборы |
1680 |
1680 |
8.5 |
134 |
134 |
|
5. Транспортные средства |
4276737 |
4276737 |
16.5 |
705661,6 |
705661,6 |
|
6. Производственный и хозяйственный инвентарь |
4066400 |
4066400 |
12.5 |
508300 |
508300 |
|
Итого |
17697069373 |
17697069373 |
|
495632385 |
495632385 |
Таблица 10 - Подъёмно - транспортные средства
|
Модель |
Кол-во |
Балансовая стоимость всего оборудования |
|
Кран электрический мостовой |
2 |
1912816 |
|
Таль электрическая ТЭ 200-52Д-122 |
2 |
456320 |
|
Таль электрическая ТЭ 050-53Д |
1 |
225001 |
|
Кран мостовой электрический однобалочный |
2 |
984300 |
|
Вентилятор приточный |
6 |
698300 |
|
Итого |
|
4276737 |
Таблица 11 - Баланс рабочего времени одного рабочего
|
Состав рабочего времени |
Дни |
Часы |
|
Календарные дни |
365 |
- |
|
Выходные дни |
- |
- |
|
Праздничные дни |
- |
- |
|
Предпраздничные часы |
- |
- |
|
Количество рабочего времени: |
365 |
8760 |
|
Невыходы на работу: а) очередные и дополнительные отпуска б) отпуска в связи с беременностью и родами в) выполнение гос. обязанностей г) по болезни |
56 0.8 0.3 3.3 |
|
|
|
60.4 |
1449.6 |
|
Потери внутри работы: а) сокращенный рабочий день б) перерывы на кормление |
- - |
14 94 |
|
|
|
22 |
|
Эффективный фонд рабочего времени (часов): 8760-(1449+94) |
|
7217 |
Их численность определяется по трудоемкости работ, по местам и нормам обслуживания:
по рабочим местам определяется численность кладовщиков, транспортных рабочих контролеров и др. - по нормам обслуживания определяется численность дежурных слесарей, электромонтеров. Численность вспомогательных рабочих рассчитывается укрупнено по нормативам. Количество основных рабочих на проектируемом участке составляет до 200 человек, поэтому необходимо принять следующее количество вспомогательных рабочих:
Численность руководителей, специалистов и служащих определяется по штатному расписанию.
Все расчеты по численности работающих сведены в таблицу 14.
Таблица 12 - Расчет численности вспомогательных рабочих
|
Профессия |
Расчетная единица |
Норма обслужив. |
Численность рабочих |
Тарифный разряд |
||
|
|
Наименование. |
Кол-во |
|
Расчетное |
Принятое |
|
|
Наладчик оборудования |
Кол-во обслужен. станков |
18 |
10 |
1.8 |
2 |
3 |
|
Уборщик |
Производ. площади |
540 |
300 |
1.8 |
2 |
2 |
|
Транспортные рабочие |
Основные рабочие |
15 |
25 |
0.5 |
1 |
3 |
|
Кладовщики и раздатчики инструментов |
Основные рабочие |
15 |
20 |
0.75 |
1 |
3 |
|
Контролёр |
Основные рабочие |
15 |
25 |
1.67 |
2 |
5 |