Материал: Дослідження системи контролю ожеледе-паморозевих відкладень на проводах електричних мереж та способів їх усунення

Внимание! Если размещение файла нарушает Ваши авторские права, то обязательно сообщите нам

а                                               б

Рисунок 1.5 Схеми плавлення ожеледі методом включення ЕРС у контур: а - при паралельних лініях; б - при кільцевій мережі

Використовують схеми: «змійка», «провід - провід», «провід - два провода» і «провід - земля».

Наведені методи та шляхи боротьби з ожеледдю не вичерпують всі існуючі рішення цієї проблеми. Так, нині в окремих випадках використовують (починають використовувати) проводи складної конструкції типу АЕГСО-2 (Мехапз, Бельгія), що мають 2-подібні зовнішні витки. Така будова забезпечує високу крутильну жорсткість та низький вплив вітрових навантажень на проводи, і, як результат, зменшення впливу ожеледі.

.3 Аналіз моделей прогнозування та пристроїв контролю ожеледі

Моделі прогнозування

Показано, що швидкість наростання відкладення залежить від виду відкладення і майже не залежить від тривалості ожеледі. Між швидкістю наростання, масою і тривалістю ожеледеутворення отримані прості і множинні кореляціїційні рівняння. Значення швидкості наростання і тривалості ожеледі необхідні для вирішення питань оптимізації трансформаторної потужності й вибору типу плавки ліній.

Для розробки заходів по боротьбі з обмерзанням проводів необхідно знати деякі метеорологічні параметри, характерні для даного району електричних мереж. До таких факторів, крім товщини стінки ожеледі, щільності відкладення, швидкості вітру і температури повітря, відносяться швидкість наростання відкладення в часі і тривалість обмерзання.

Інтенсивне ожеледеутворення може призвести до того, що при існуючих схемах плавки не вдасться провести видалення відкладення на ряді ліній. У результаті на проводах з'являються відкладення критичної величини, що призводять до ожеледно-вітрових аварій.

При малій інтенсивності наростання відкладень в районі можна використовувати дешевші схеми плавки.

Основою для визначення інтенсивності та тривалості ожеледі на проводах ліній електропередавання являються дaні з мeтeocтaнцій.

Середня за період швидкість наростання відкладення знаходиться:

, (1.1)

де - маса ожеледного відкладення на проводі ПЛ, г/м;

Т - тривалість наростання відкладення.

Маса відкладення на проводі дорівнює:

, (1.2)

де  - коефіцієнт перерахунку маси відкладення з проводу ожеледного верстата на провід лінії;

 - маса ожеледного відкладення на верстаті, г/м.

Якщо відома маса осаду з одного метра ожеледного верстата, то товщина стінки наведеного ожеледі визначається за відомою формулою [1.1]:

 , (1.3)

де - діаметр проводу ожеледного верстата, мм.

Товщина стінки наведеного ожеледі на проводі ПЛ дорівнюватиме:

, (1.4)

де  - коефіцієнт перерахунку товщини стінки ожеледі з верстата на лінію.

З виразу (1.3), підставляючи d=5 хв, отримуємо:

, (1.5)

Приймаючи середній діаметр проводу, підвішеного на ПЛ-10 кВ, рівним 10 мм, із (1.3) отримуємо:

, (1.6)

Підставляючи в (1.2) значення маси ожеледних відкладень (1.5) і (1.6) та враховуючи (1.4), отримуємо:

, (1.7)

Коефіцієнт Kв [6], починаючи з товщини стінки наведеного ожеледного відкладення на верстаті 4 мм, приймається рзвним 1,65, якщо відкладення утворено при мрячки або тумані, і 1,35, якщо відкладення утворено при переохолодженому дощу або мокрому снігу. Ці коефіцієнти покладені в основу визначення товщини стінки ожеледі і швидкості наростання відкладення.

Для кожного виду відкладення були обчислені середньоквадратичне відхилення, математичне сподівання, початкові і центральні моменти до 4-го порядку, наведені в табл. 1.1.

Таблиця 1.1

Основні статистичні характеристики швидкості наростання ожеледно-паморозевих відкладень


Отримані частотні розподіли для всіх видів відкладень апроксимувались аналітичними виразами. Для апроксимації були обрані розподіли Релея, логарифмічно-нормальний розподіл, гамма-розподіл і криві Пірсона [7].

Були отримані також кореляційні рівняння між цими величинами. Коефіцієнти рівнянь знаходились за способом найменших квадратів. В якості кореляційних рівнянь використовувалися поліном другого ступеня і кореляційні рівняння ступеневого, показового і логарифмічного типу. Найкращий зв'язок між швидкістю наростання, масою і тривалістю ожеледі дають кореляційні рівняння другого порядку. Рівняння регресії наведено в табл. 1.2.

Таблиця 1.2

Кореляційні рівняння між швидкістю наростання, масою і тривалістю відкладення


Швидкість наростання ожеледне-паморозевих відкладень залежить від виду відкладень. Найбільша швидкість їх утворення спостерігається при мокрому снігу. Величина швидкості наростання залежить від маси відкладення і майже не залежить від тривалості ожеледі.

Пристрої прогнозування

Основними при ожеледі є процеси кристализации води і сублімації водяної пари з повітря, причому один з них - переважаючий в конкретній метеорологічній ситуації. Головна причина відкладення ожеледі на поверхнях укладена в кристалізації переохолоджених крапель дощу, мрячки або туману. Швидкість наростання шару льоду (інтенсивність) залежить від темпераури повітря і поверхні, на яку осідають краплі, їх розмірів, вологовмісту води в одиниці об'єму, швидкості і напряму вітру.

Складність процесу ожеледі є основою причиною відсутності достатньо надійних методів і засобів його короткострокового прогнозу.

У СРСР і за кордоном досить масштабно проводилися дослідження з вивчення впливу різних факторів на процес утворення ожеледі, їх фізико-хімічного зв'язку і закономірності для отримання емпіричних рівнянь можливого утворення ожеледі з певним ступенем ймовірності настання події. Такий підхід був викликаний відсутністю достатньо надійних динамічних моделей.

Інший напрям робіт - створення за результатами досліджень апаратури короткострокового прогнозу ожеледі. Першим етапом її було виготовлення пристроїв попереджувальної сигналізації появи ожеледиці (СПО) .

В основу цього напрямку покладено дані при граничних умовах метеопараметрів, які з імовірністю 0,9 дозволяють визначати виникнення ожеледиці (температура повітря від -8°С до + 0,5°С, відносна його вологість - більше 80%, швидкість вітру - менше 10 м/с). СПО автоматично їх вимірює, порівнює із заданими уставками в точках настройки, а при збігу видає сигнали «Можлива ожеледь». Для реєстрації початку утворення ожеледне-паморозевих відкладень в сигналізаторі передбачений датчик, опитування якого здійснює видачу сигналу «Можлива ожеледь». При наявності на датчику навіть малих відкладень льоду видається сигнал «Ожеледь». Виходом сигналізатора є контакти відповідного реле з допустимим навантаженням на контактах до 2 А постійного струму при напрузі комутованій ланцюга 30 В і до 0,3 А при змінній напрузі 250 В активного навантаження.

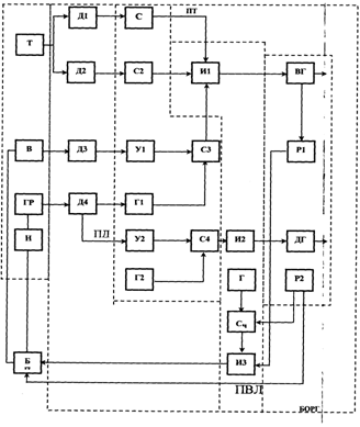
Сигналізатор конструктивно розділений на блок датчиків ( БД) , що складаються з датчиків температури (Т), відносної вологості повітря (В) та ожеледиці (О), блоку виявлення утворення ожеледі (БВУО). Він призначений для вироблення системи команд опитування датчиків, нормування та порівняння електричних сигналів з них, а також для видачі результуючих сигналів «Можлива ожеледь» і «Ожеледь». У блоці виявлення та утворення ожеледі по каналу вітру передбачена стиковка з сигнальним анемометром М-95М-2.

Обидва датчика з'єднані кабелем довжиною 30 м. Сигналізатор працює від мережі змінного струму з напругою 220 В (споживана потужність не більше 20 ВА) в автоматичному режимі. Час опитування датчиків - 10 хв, міжопитувалбний час - 50 хв, протягом якого датчики відключені.

Діапазон настройки і похибка відпрацювання в точках уставки сигналізатора становить по температурі повітря від -15°С до +5 °С (± 0,8 °С), відносної вологості повітря - від 70 до 100% ( ± 5%), час відпрацювання сигналізатора при зміні температури і вологості повітря - не більше 5 хв, в умовах природного обдування повітряним потоком зі швидкістю не менше 0,3 м/с.

БВУО зібраний за функціонально - блоковим принципом і містить, крім блоку джерела стабілізованого живлення електричних схем ( БЖ ) плати; «дільник» (ПД), «температура» (ПТ), «вологість - ожеледь» (ПВГ), «час - логіка» (ПВЛ), «реле» (ПР).

Плата «дільник» лінеарізірує сигнали, що надходять від датчиків температури, вологості, ожеледі, а також регулює опорні напруги на плати ПТ і ПВГ. Плата «температура» зібрана на двох операційних підсилювачах С1 і С2, що працюють в компараторних режимах, де порівнюється напруга, що надходить зі схеми вимірювання температури, і напруга уставок приладу, відповідних верхньому і нижньому діапазону спрацьовування по температурі. Плати «вологість - ожеледь» забезпечує порівняння напруг датчиків В і ГР з напруженнями уставок та отримання логічних сигналів «О», «1». Вона містить два ідентичних канала, кожен з яких складається з фазочутливих детектора, зібраних на підсилювачах VI і V2, генераторів опорної фази П і Г2, суматорів СЗ, С4. Фазочутливі підсилювачі зміщують фазу вихідного сигналу на 180° при перевищенні рівнів напружень уставок по вологості, генератори виробляють позитивні імпульси опорної фази з частотою, що відповідає частоті вихідних сигналів підсилювачів. Суматори складають їх вихідні і сигнали генераторів.

Т - датчик температури повітря; В - датчик відносної вологості повітря; ГР - датчик ожеледі; Н - нагрівач; БЖ - блок живлення; Д1 - Д4 - дільники; CI, С2 - операційні підсилювачі; У1, У2 - фазочутливі підсилювачі; Г1, - генератор опорної фази; СЗ, С4 - суматори; И1 - ІЗ - логічні елементи; Г - генератор секундних імпульсів; Сч - лічильник; ВГ - сигнальне реле «Можлива ожеледь»; Р1 - виконавче реле включення нагрівача; ГД - сигнальне реле «ожеледь»; Р2 - реле включення живлення датчиків.

Датчики вологості та ожеледі працюють на змінному струмі для виключення їх поляризації. Плата «час - логіка » функціонально складається з електронного лічильника, що представляє собою генератор секундних імпульсів Г, лічильник С і формувач команд, що складається з логічних елементів «І - АБО ».

Вихідні сигнали електронного лічильника - імпульси тривалістю 1 хвилина і 10 хвилин. Перші імпульси забезпечують роботу сигналізатора один раз на годину, впливаючи на реле Р2, при спрацьовуванні якого отримують живлення датчики та виконавчі реле. Імпульс тривалістю 1 хвилина включає нагрівальний елемент датчика ожеледі в повторно -короткочасному режимі (1 хвилина - нагрів, 1 хвилина - пауза, для уникнення перегріву датчика), після відпрацювання сигналу «Можлива ожеледь».

У останньої модифікації пристрою СУО-4 застосований модернізований датчик ожеледі, в якому для підвищення чутливості і точності визначення початку утворення ожеледі на поверхні використано нове вологочутлива речовина - суміш полиакрилонитрила з полівініловим спиртом. На відміну від попередніх, новий датчик містить електроди з нержавіючої сталі або титану, термодіод КД 102 А, закріплений в один з електродів, і корпус з опорами, на які встановлено пластини електродів. Такий датчик дозволяє не тільки підвищити точність, але й отримати кількісну інформацію про товщину шару льоду. Вся ця конструкція, залита епоксидною смолою, є чутливий елемент ЧЕ нового датчика, до якого з нижньої сторони корпусу на термопровідній пасті приклеюється твердотілий мікрохолодильник, або нагрівальний термотранзистор КТ819Г.

Характеристики ДО були досліджені на тривалість дії підвищеної вологості і температури, сонячної радіації, а також на циклічний вплив сконденсованої вологи у вигляді роси та ожеледі в спеціально розробленому стенді.

Технічна характеристика датчика ожеледі: електроди - нікель, титан, нержавіюча сталь; міжелектродний зазор - 0,8 мм; напруга живлення нагрівача - 12 ... 25 В постійного струму, чутливого елемента -0,5 В змінного струму з частотою 50 ... 1000 Гц; час розтоплення 0,5 мм шару льоду на поверхні - не більше 5 хв.

Принцип роботи ДО полягає в наступному: при наявності на поверхні ОПВ (не води) його опір складає більше 60 кОм. Плавлення льоду (підігрів включений) при відпрацюванні реле «Можлива ожеледь» зменшує опір датчика стрибком до 10 кОм, що і фіксується схемою порівняння каналу ожеледі в БВУО.

Рисунок 1.6 Блок-схема сигналізатора ожеледі

У ситуації, коли метеоумови відповідають можливості утворення ожеледі, а він відсутній на поверхні ДГ, його опір зростає до сотень кОм. У цьому випадку сигналізатор по каналу «ожеледь» не відпрацьований. Таким чином попереджувальна сигналізація про можливість і початок ожеледі дозволяє підвищити ефективність застосування заходів по боротьбі з цим небезпечним явищем.

Сигналізатор ожеледі має високу чутливість спрацьовування, зручний у монтажі та експлуатації завдяки уніфікації конструкції, малими габаритними розмірами і масою.

До сучасних засобів контролю і попередження ОПВ слід віднести і автоматичні метеорологічні станції, що мають наступні технічні характеристики:

температура:

діапазон внутрішній: від 0°С - +50°С, зовнішній: від -40°С - +60°С, дозвіл: 0,1°С, можлива установка тригера, час вимірювання: 10 с.;

відносна вологість:

вимір відносної вологості всередині і поза приміщенням, діапазон: від

10% до 97%. Можлива установка тригера, дозвіл 1%, час виміру: 10 с.;

тиск:

вимір абсолютного атмосферного тиску або тиску щодо рівня моря, діапазон: від 795 мбар до 1050 мбар, піктограма прогнозу погоди, прогноз швидкості вітру, можлива установка тригера, дозвіл: 1 мбар, час вимірювання: 15 хв., побудова прогнозу: 1 годину;

точка роси:

вимір точки роси усередині і поза приміщенням, діапазон: від 0°С до +59°С, дозвіл: 1°С, можлива установка тригера, час вимірювання: 10 с.;

швидкість і напрям вітру:

діапазон: від 0 до 56 м/с, можлива установка тригера, дозвіл 0,2 м/с, діапазон напрямку вітру: від 0 м/с 359 м/с, дозвіл 1°, час вимірювання напрямку вітру: 5 с.;

приведена температура:

діапазон: від -85°С до +60°С, дозвіл: 1° час вимірювання 5 с.;

кількість опадів

діапазон: від 0 до 9999 мм, дозвіл 1 мм, час вимірювання: накопичувальне. 24 години. Один імпульс на 1 мм опадів - відповідає випадання 1 л. опадів на 1 кв.м.

У наборі поставляються датчики для вимірювання рівня опадів, температури, вологості і параметрів вітру. Станція показує всі необхідні параметри. характеризують стан погоди, в тому числі і кліматичні умови всередині приміщення.

Висновок

На жаль, вище перераховані способи і пристрої не мають додаткових елементів (або вони не досконалі ), що значно знижує використання. Тому ми пропонуємо використати більш складнішу модель прогнозування параметрів ОПВ на базі нейронних мереж, що дозволяють контролювати і вимірювати масу і інтенсивність льодоутворення, а також силу вітру.

2. МАТЕМАТИЧНА МОДЕЛЬ ПРОГНОЗУВАННЯ НАВАНТАЖЕННЯ ВІД ОЖЕЛЕДІ НА БАЗІ НЕЙРОННИХ МЕРЕЖ

.1 Задачі моніторингу повітряних лінй в районах з високою інтенсивністю відкладення ожеледі

Повітряні лінії електропередавання (ПЛ) працюють в умовах впливу на них численних експлуатаційних і метеорологічних факторів. Найбільш небезпечними є екстремальні метеорологічні впливи у вигляді сполучень ожеледних та вітрових навантажень на проводи та грозотроси ПЛ. Такі впливи є випадковими метеорологічними явищами, які, як правило, одночасно охоплюють великі райони, мають масовий характер і тому приносять значні матеріальні збитки. Статистичні дані показують, що середній період повторюваності масових ожеледно-вітрових аварій в розподільних електричних мережах України складає 10 років [8]. Без електричної енергії на декілька діб залишаються цілі райони електричних мереж. Найефективнішим способом запобігання ожеледно-вітрових аварій є плавлення відкладень. Ефективність плавлення визначається не тільки режимом плавлення, але й своєчасністю його початку та закінчення, його оптимальною тривалістю та можливістю регулювання струму плавлення. Для задоволення цих вимог ПЛ повинна бути оснащена автоматизованою телеметричною системою контролю процесу утворення ожеледі, яка здатна в масштабі реального часу забезпечувати персонал електромереж інформацією про стан контрольованих елементів лінії та параметри метеорологічних впливів на ПЛ.