Материал: Дослідження системи контролю ожеледе-паморозевих відкладень на проводах електричних мереж та способів їх усунення

Внимание! Если размещение файла нарушает Ваши авторские права, то обязательно сообщите нам

Дослідження системи контролю ожеледе-паморозевих відкладень на проводах електричних мереж та способів їх усунення

АНОТАЦІЯ

Розглянуто задачу попередження виникнення ожеледних аварій на повітряних лініях електропередачі. З цією метою на найбільш аварійно-небезпечних ділянках встановлюються автоматичні пости контролю ожеледного навантаження і метеопараметрів, дані з яких використовуються для прогнозування утворення ожеледі. Запропоновано нейромережевий метод для такого прогнозування, його робота опробувана на реальних даних.

АННОТАЦИЯ

Рассмотрена задача предупреждения возникновения гололедных аварий на воздушных линиях электропередачи. С этой целью на наиболее аварийно-опасных участках устанавливаются автоматические посты контроля гололедной нагрузки и метеопараметров, данные с которых используются для прогнозирования гололедообразования. Предложен нейросетевой метод для такого прогнозирования, его работа испытана на реальных данных.

THE SUMMARY

problem of prevention of faults caused by overhead power line glazing is considered. With this purpose, in the most fault-prone areas, automatic monitoring posts for glaze loads and meteorological parameters are installed the data of which are used to predict glazing. A neural network method for such prediction is proposed and has been tested on real data.

РЕФЕРАТ

Магістерська робота складається з розрахунково-пояснювальної записки, виконаної машинописним способом на 99 аркушах формату А4, яка вміщує 5 розділів, 4 таблиць, 19 рисунків, 24 найменування використаних джерел і презентаційного матеріалу на 13 аркушах.

Метою магістерської роботи є розробка математичної моделі прогнозування ожеледе-паморозевих відкладень (ОПВ) і автоматизованої системи прогнозування аварійних ситуацій внаслідок утворення ожеледі на повітряних лініях електропередачі на основі нейронних мереж.

В процесі виконання магістерської роботи використовувались спеціалізовані архітектури штучних нейронних мереж на базі гібридних нейроподібних елементів, моніторинг ожеледно-вітрових і температурних навантажень повітряних ліній електропередачі, програмне забезпечення системи виявлення та плавки ожеледі на ПЛ 10-500 кВ.

В результаті проведених лабораторних досліджень ми змогли з високою точністю спрогнозувати динаміку ожеледного навантаження на ЛЕП. Винахід може бути використаний для безперервного контролю навантаження на проводах ліній електропередачі від ожеледі.

Таким чином, завдяки даній системі, у диспетчера з'являється можливість контролю температури і вологості повітря, вагового навантаження на провід в режимі реального часу.

Ключові слова: ОЖЕЛЕДЕ-ПАМОРОЗЕВІ ВІДКЛАДЕННЯ, МАТЕМАТИЧНА МОДЕЛЬ ПРОГНОЗУВАННЯ, НЕЙРОННІ МЕРЕЖІ, АВТОМАТИЗОВАНА СИСТЕМА ПРОГНОЗУВАННЯ.

ЗМІСТ

ВСТУП

1. АНАЛІЗ СУЧАСНОГО СТАНУ ПРОБЛЕМИ ЗАХИСТУ ПОВІТРЯНИХ ЛІНІЙ ЕЛЕКТРОПЕРЕДАВАННЯ ВІД ОЖЕЛЕДІ

1.1 Актуальність теми

.2 Аналіз існуючих методів боротьби з ожеледю

.3 Аналіз моделей прогнозування та пристроїв контролю ожеледі

Висновок

. МАТЕМАТИЧНА МОДЕЛЬ ПРОГНОЗУВАННЯ НАВАНТАЖЕННЯ ВІД ОЖЕЛЕДІ НА БАЗІ НЕЙРОННИХ МЕРЕЖ

.1 Задачі моніторингу повітряних ліній в районах з високою інтенсивністю відкладення ожеледі

.2 Прогнозування ожеледного навантаження на базі нейронних мереж

.3 Архітектура мережі на базі гібридних нейроподібних елементів

Висновок

. ПОБУДОВА СИСТЕМИ МОНІТОРИНГУ НАВАНТАЖКННЯ ВІД ОЖЕЛЕДІ НА ПОВІТРЯНИХ ЛІНІЯХ ЕЛЕКТРОПЕРЕДАВАННЯ

.1 Розробка структурної схеми системи контролю ожеледі

.2 Програмно-апаратна частина системи контролю ожеледі

.3 Використання за призначенням системи контролю ожеледі

. ДОСЛІДЖЕННЯ СПОСОБІВ ТА ТЕХНІЧНИХ ЗАСОБІВ ЗАХИСТУ ПОВІТРЯНИХ ЛІНІЙ ВІД ДІЇ ОЖЕЛЕДЕ-ПАМОРОЗЕВИХ ВІДКЛАДЕНЬ

.1 Електротепловий спосіб запобігання утаорення ОПВ

.2 Боротьба з ОПВ на проводах ПЛ на основі явища скін-ефекту

Висновок

. ОХОРОНА ПРАЦІ ТА БЕЗПЕКИ В НАДЗВИЧАЙНИХ СИТУАЦІЯХ

ЗАГАЛЬНІ ВИСНОВКИ ПО РОБОТІ

СПИСОК ВИКОРИСТАНИХ ДЖЕРЕЛ

ДОДАТКИ

ВСТУП

Магістерська робота присвячена науковому обгрунтуванню основних технічних і технологічних рішень автора, спрямованих на підвищення надійності, забезпечення енергобезпеки та вдосконалення управління роботи електроенергетичних систем в екстремальних погодних умовах.

Актуальність роботи. Робота присвячена розробці програмних і технічних засобів щодо забезпечення надійного і безперебійного енергопостачання споживачів. Ця мета не буде досягнута без підвищення надійності функціонування електроенергетичних систем, особливо в екстремальних умовах, у тому числі взимку при виникненні інтенсивних ожеледно - вітрових впливів і влітку при високій температурі повітря, обмежує передачу потужності по лініях електропередачі. Підвищення надійності можливо в даний час шляхом комплексного використання нових інформаційних технологій.

Відкладення на проводах повітряної лінії (ПЛ) у вигляді ожеледі, мокрого снігу з наступним його замерзанням є одним з найбільш важких природних факторів, що призводять до перерв в енергопостачанні, втрат матеріальних і фінансових ресурсів в Україні.

У світовій практиці на сьогодні є достатньо пропозицій щодо захисту ПЛ всіх класів напруги від ожеледяно-вітрових аварій, які можна класифікувати по виду і характеру використовуваної енергії на тепловий фізичний, хімічний, механічний. Застосування того чи іншого способу в кожному конкретному випадку має бути економічно виправдано.

На жаль, аналіз стану організації розробок і впровадження нових ефективних способів боротьби з ожеледяно-вітровими аваріями на сьогодні в Україні показав, що галузь не використовує наявні напрацювання в цій галузі.

Фактично повністю відсутня відомча служба оперативного та прогнозного моніторингу метеорологічних параметрів навколишнього середовища, що виключає впровадження автоматизованої підсистеми оперативного управління в умовах появи ожеледяно-вітрових аварій, а це, у свою чергу, значно знижує ефективність попереджувальних заходів включаючи плавку на проводах ПЛ всіх класів напруги.

Мета та завдання дослідження. Метою магістерської роботи є розробка математичної моделі прогнозування ожеледе-паморозевих відкладень (ОПВ) і автоматизованої системи прогнозування аварійних ситуацій внаслідок утворення ожеледі на повітряних лініях електропередачі на основі нейронних мереж. Для досягнення сформульованої мети необхідно розв'язати наступні задачі:

- проаналізувати сучасний стан захисту повітряної лінії від ожеледі;

створення та впровадження математичних моделей ожеледного навантаження;

розробити структурну схему та програмно-апаратну частину автоматизованої системи контролю ожеледі;

запропонувати способи та технічні засоби з ОПВ;

розробити заходи з охорони праці та безпеки в надзвичайних ситуаціях.

Для вибору того чи іншого способу захисту від ожеледяно-вітрових аварій, розробки і впровадження нових способів і технічних засобів, недостатньо тільки оцінки їх економічної ефективності. У зв'язку з цим в даній роботі нами розкривається «сутність» ожеледяно-вітрових аварій, механізм його утворення, обгрунтовуються технічні та метеорологічні параметри, існуючі способи боротьби, а також формулюються загальні принципи побудови автоматизованих телеметричних систем контролю процесу утворення ожеледі на основі штучних нейронних мереж.

Практичне значення одержаних результатів. Застосування мережі на базі гібридних нейроподібних елементів у поєднанні з генетичним алгоритмом для оптимізації її структури дозволило з високою точністю спрогнозувати динаміку ожеледного навантаження на ЛЕП, що підтверджено експериментальною перевіркою на реальних даних.

Публікації. Основні результати досліджень були опубліковані в 1 тезі доповіді на студентській науково-практичній конференції "проблеми енергозабеспечення та енергозбереження в АПК України" (Харків, ХНТУСГ, 2013р.).

1. АНАЛІЗ СУЧАСНОГО СТАНУ ПРОБЛЕМИ ЗАХИСТУ ПОВІТРЯНИХ ЛІНІЙ ЕЛЕКТРОПЕРЕДАВАННЯ ВІД ОЖЕЛЕДІ

.1 Актуальність теми

електропередавання ожеледь повітряний лінія

Процес утворення ожеледі. Вітер наносить мокрий сніг на вітряну сторону проводу. В результаті несиметричного навантаження провід починає повертатися. Вільна від снігу частина поверхні проводів знаходиться тепер на вітряній стороні і процес знову повторюється, провід знову провертається [1]. Так відбувається доти, поки муфта ожеледі не замикається (рис. 1.1). Після замикання першої муфти весь процес повторюється. В результаті товщина льодяної муфти може виявитися більшою діаметра проводу і досягати 75 -200 мм.

Рисунок 1.1 Динаміка (а) та види (б) утворення муфти ожеледі на проводі з часом

Повітряні лінії електропередавання (ПЛ) працюють в умовах впливу на них численних експлуатаційних і метеорологічних факторів. Найбільш небезпечними є екстремальні метеорологічні впливи у вигляді сполучень ожеледних та вітрових навантажень на проводи та грозотроси ПЛ.

Наявність ожеледі на проводах і тросах повітряних ліній електропередачі (ЛЕП) викликає додаткові механічні навантаження на всі конструктивні елементи повітряної лінії. Великі відкладення можуть призводити до обриву проводів і тросів, руйнування арматури, деформації і падіння опор лінії. Оскільки відкладення ожеледі по фазним проводам звичайно відбувається нерівномірно, то стріли провису стають неоднаковими, що призводить до додаткових механічних навантажень і часто викликає схлистання проводів і тросів, особливо під час опадання ожеделі. Наявність ожеледі також є однією з причин так званої „пляски проводів”, яка може викликати важкі аварії на ЛЕП.

Наведемо декілька прикладів аварій в системах НЕК «Укренерго». Внаслідок сильної ожеледі, що супроводжувалась поривами вітру, сталася найбільша для України природна катастрофа за останнє сторіччя, що паралізувала діяльність майже п'яти тисяч населених пунктів 12 областей України (27 - 28.11. 2000 р.). Товщина стінки ожеледі досягала 200 мм. Було пошкоджено 5 повітряних ліній (ПЛ) 750 кВ, 12 ПЛ 330 кВ, одна міждержавна ПЛ 110 кВ і знеструмлена підстанція 330 кВ "Котовська" (повністю або частково зруйновано 54 металевих опори 750 кВ, 245 залізобетонних і металевих опор 330 кВ і 141 залізобетонна опора 110 кВ, розірвані троси і проводи, зруйновані гірлянди ізоляторів та ін.). Загальний збиток для НЕК „Укренерго” становив більше 68 млн грн.

Внаслідок погіршення погодних умов, сильної ожеледі, покриття льодом проводів ліній електропередачі на території Овруцького району (11.01.2010 р.) сталося пошкодження 4 ЛЕП-110 кВ, 5 ЛЕП-35 кВ, 30 ЛЕП-10 кВ, відключено 450 трансформаторних підстанцій (ТП) 0,6-10 кВ, пошкоджено 85 опор, відключено від електропостачання 156 населених пунктів.

У Кримській електроенергетичній системі в районі м. Красноперекопська (18.12.2009 р.) створилися складні метеорологічні умови, що супроводжувалися утворенням ожеледі на проводах ПЛ. Спостерігалось інтенсивне галопування проводів. Через це були зруйновані скоби вузлів кріплення (типу ПВС-330 АМ), зруйновані 16 металевих проміжних опор (типу ЦП-25И).

На ПЛ 330 кВ Каховська-Островська у прогоні опор товщина ожеледної муфти становила близько 100 мм на проводах і більше 50 мм -натросах, опорах, конструкціях опор, ізоляторах (рис. 1.2).

а               б                   в                          г

Рисунок 1.2 Приклад аварій, спричинених відкладанням ожеледі:

а - руйнування траверси фази С; б, в - руйнування проміжної опори ПЛ 330 кВ; г - муфта ожеледі на проводі

Такі впливи є випадковими метеорологічними явищами, які, як правило, одночасно охоплюють великі райони, мають масовий характер і тому приносять значні матеріальні збитки.

1.2 Аналіз існуючих методів боротьби з ожеледю

Методи і шляхи боротьби з ожеледдю. Нині енергетиками розроблено ряд комплексних заходів щодо боротьби з ожеледдю, в основу яких покладено плавлення ожеледі. Вона дозволяє видалити ожеледь на десятках кілометрах лінії протягом 0,5 - 1 год, попередити небезпечні перевантаження і галопування проводів[2]. Схеми плавлення ожеледі повинні бути простими і надійними. Плавлення можна виконувати як на змінному струмі, так і на постійному, що визначається на основі техніко-економічних розрахунків, наприклад методом порівняння.

Плавлення ожеледі коротким замиканням змінним струмом. При плавленні таким способом лінія, що обігрівається, замикається з одного кінця, а з іншого до неї підводиться напруга, достатня, щоб забезпечити протікання проводами необхідного для плавки струму [4]. Плавлення може проводитись за способом: трифазного, двофазного або однофазного короткого замикання (к.з) за схемою «змійка».

Найпростішим із них є метод трифазного к.з. (рис.1.3)

Рисунок 1.3 Схема плавлення ожеледі за методом трифазного короткого замикання

Переваги: простота і швидкість складання та збирання. Недоліки: неможливість безперебійного електропостачання споживачів.

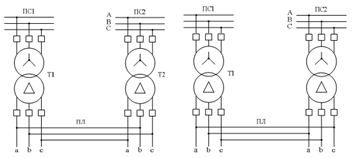
Спосіб зустрічного вмикання фаз. Полягає в тому, що на одному кінці проводу лінії, що обігрівається, приєднуються до фаз А, В, С, а на другому - відповідно до фаз В, С і А або С, А і В. Таким чином, на лінію подається не фазна, а лінійна напруга (рис 1.4).

Переваги: дозволяє збільшити довжину ліній, на яких відбувається плавлення, на 70 % або збільшити струм плавлення; можливе одночасне живлення споживачів. Недоліки: спосіб неможливий, якщо між лініями, що розміщені між сусідніми підстанціями, немає зв'язку по лініях високої напруги.

Плавлення шляхом перерозподілу навантажень. Досягається шляхом: а) підвищення навантаження станцій, що передають енергію через лінію, що обігрівається; б) підвищення навантаження підстанцій шляхом перемикання в мережі нижчої напруги; в) відключення частини лінії, в результаті чого збільшується потужність, що передається. Переваги: можливість безперебійного постачання електроенергії; відсутні затрати на придбання додаткового обладнання. Недоліки: доцільно застосовувати лише при профілактиці ожеледеутворення.

Рисунок 1.4 Схеми плавки ожеледі за способом зустрічного вмикання фаз

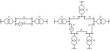
Метод резонансу струмів. При цьому методі на робочий струм накладають додатковий струм, створений у контурі, частиною якого є лінія, що обігрівається. Для цього в контур вмикають джерело електрорушійної сили (ЕРС), величина і фаза якого підбирається таким чином, щоб збільшити струм до необхідного значення (рис.1.5). Використовують вольтододаткові трансформатори (ВДТ), що регулюють величину поздовжньої і поперечної ЕРС, тим самим забезпечуючи оптимальний режим плавлення.

Переваги: можливість безперебійного електропостачання. Недоліки: складна схема; необхідність додаткового обладнання.

Плавлення постійним струмом. За таким способом використовують спеціальні установки, виконані на базі некерованих мостових випрямлячів або керованого шестиполюсного випрямляча [5]. Для першого випадку можлива лише дискретність у виборі струму плавки, другий має ряд переваг: можливість плавного регулювання струму плавлення, підвищується оперативність плавлення, полегшується робота комутаційних пристроїв.