Материал: Белозеров В.И., Яркин А.Н., Кузина Ю.А. Сборник задач по курсу Техническая термодинамика

Внимание! Если размещение файла нарушает Ваши авторские права, то обязательно сообщите нам

8. Цикл Ренкина (цикл паросиловых установок)

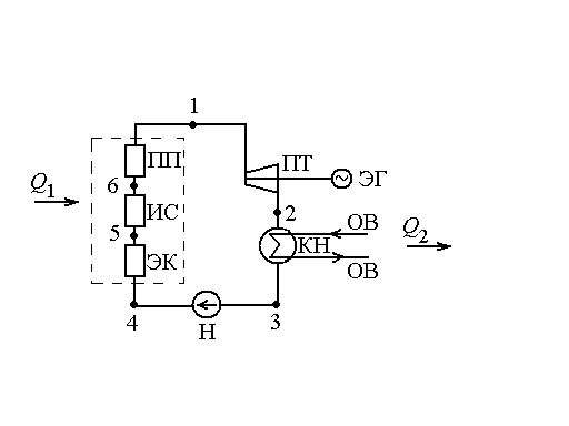
Цикл Ренкина является основным (идеальным) циклом паросиловых установок. Характерная особенность паросиловых установок – использование влажного пара в цикле в качестве рабочего тела. Принципиальная схема установки, реализующей цикл Ренкина, представлена на рис. 8.1.

Соответствующие этой схеме P-v-, T-s- и h-s-диаграммы цикла Ренкина представлены на рис. 8.2 – 8.4.

Рис. 8.1. Схема установки, реализующей цикл Ренкина: ПТ – паровая турбина; ЭГ – электрогенератор; КН – конденсатор; ОВ – охлаждающая вода; Н – насос; ЭК – экономайзер; ИС – испаритель; ПП – пароперегреватель; Q1 – подведенное тепло; Q2 – отведенное тепло

Рис. 8.2. P-v-диаграмма цикла Ренкина

Рис. 8.3.T-s-диаграмма цикла Ренкина

Рис. 8.4. h-s-диаграмма цикла Ренкина

Цикл состоит из двух адиабат (1-2, 3-4) и двух изобар (4-5-6-1 (P=P1), 2-3 (P=P2)). В области влажного пара каждая изобара является одновременно и изотермой (5-6, 2-3); T1=Tн(P1), T2=Tн(P2).

Процессы цикла:

(1-2) – адиабатное расширение пара от P1 до P2;

dq=Tds=0; dh=vdP;

(2-3) – конденсация пара в конденсаторе;

P=P2; T2=Tн(P2); dh=dq=T2 ds;

(3-4) – адиабатное сжатие жидкости в насосе от P2 до P1;

dq=Tds=0;dh=vdP;

(4-5) – подогрев до Tн(P1);

Х5=0; P=P1; dh=dq=T ds; T4TTн(P1);

(5-6) – подогрев от X5=0 до X6=1;

P=P1; T1=Tн(P1); dh=dq=T1 ds;

(6-1) – подогрев от X6=1 до X1>1;

P=P1; T>T1; dh=dq=T ds.

Параметры состояния рабочего тела определяются в точке 4 по таблицам для жидкости в недогретом состоянии (P=P1); в точке 1 по таблицам для пара в перегретом состоянии (P=P1); в точках 3, 5, 6 по таблицам для вещества на линии насыщения; в точке 2 по зависимостям для влажного насыщенного пара (P=P2, T=Tн(P2)). Компактно вся эта информация содержится на h-s-диаграммах.

Термический к.П.Д. Цикла Ренкина

За цикл рабочее тело передает внешней среде в форме работы энергию A1. В свою очередь, внешняя среда передает, а рабочее тело получает в форме работы энергию A2. Разность А= A1 A2 называется полезной работой цикла. На рисунке 8.2 это площадь, ограниченная кривой цикла 1 – 6.

С другой стороны, за цикл к рабочему телу подводится от внешней среды в тепловой форме энергия Q1 и отводится Q2 (участки 4–5–6–1 и 2–3 соответственно на рис. 8.1 – 8.4).

Термический к.п.д. цикла представляет собой отношение полезной работы к подведенной теплоте:

т=( A1 A2)/Q1.

В общем случае (первый закон термодинамики) du=dqdA. Поскольку внутренняя энергия – функция состояния, то du – это полный дифференциал, и за цикл

.

Следовательно, за цикл Q=Q1Q2=А= A1 A2 и

т=( Q1 Q2)/Q1.

Ограничиваясь только работой расширения dA=Pdv, получаем du=dqPdv, dh=dq+vdP (h=u+Pv; dq=Tds).

Замечательной особенностью цикла Ренкина является то, что подвод и отвод тепла идет на изобарах, где dP=0. В этом случае dq=dh и, т.к. h – функция состояния, Q1=h1h4, a Q2=h2h3 (рис. 8.4). Таким образом, термический к.п.д. цикла Ренкина

.

Иногда, пренебрегая потерями энергии на насосе, полагают h4h30, тогда

.

Цикл Ренкина с промежуточным перегревом пара

Принципиальная схема установки, реализующей этот цикл, и соответствующая этой схеме h-s-диаграмма представлены на рис. 8.5, 8.6.

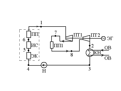
В этой схеме паровая турбина конструктивно разделена на две ступени: ПТ1 (контур «высокого давления») и ПТ2 (контур «низкого давления»).

Отработавший адиабатно на лопатках первой ступени влажный пар (состояние в точке 7: X<1; P2<P*<P1) поступает на промежуточный пароперегреватель ПП1. При том же давлении P* (изобарно) он переводится в перегретое состояние (точка 8) и поступает на лопатки второй ступени турбины ПТ2.

Рис. 8.5. Принципиальная схема установки, реализующей цикл Ренкина с промежуточным перегревом пара

Рис. 8.6. h-s-диаграмма цикла Ренкина с промежуточным

перегревом пара

Для этого цикла

Q1=(h1h4)+( h8h7), Q2=h2h3

и

.

Если потерями энергии на насосе пренебречь, т.е. положить h4=h3, то

.

Замечание. При решении задач этого раздела используются обозначения рис. 8.1, 8.5 и соответствующих им диаграмм. Рабочее тело (вещество) – вода.

Примеры решения задач

Задача 1. Паровая установка работает по циклу Ренкина. Давление на входе в турбину P1=20 бар, а температура 300ºC. Давление в конденсаторе P2=0,04 бар. Определить термический к.п.д. этого цикла, пренебрегая потерями энергии на насосе.

Решение

В этом случае (рис. 8.1, 8.4), если h4=h3,

.

а). Используя h-s-диаграмму, находим точку пересечения изобары P1=20 бар и изотермы t=300ºC. Ордината этой точки определяет h13019 кДж/кг.

б). Опуская вертикаль из точки 1, находим точку пересечения ее с изобарой P2=0,04 бар. Ордината этой точки h22036 кДж/кг.

в). Двигаясь по изобаре P2 до пересечения ее с кривой фазового равновесия (X=0), находим h3=h( P2)121 кДж/кг.

В итоге .

Определение т можно было провести, используя только таблицы термодинамического состояния воды и водяного пара.

Задача 2. В паросиловой установке, работающей при параметрах P1=110 бар, t1=500ºC, введен вторичный перегрев пара при P*=30 бар до t8=500ºC. Давление в конденсаторе турбины P2=0,04 бар. Определить термический к.п.д. цикла.

Решение

Воспользуемся схемой и обозначениями рис. 8.6.

1. По таблицам для воды на линии насыщения находим

tн(P1)=318,1ºC, tн(P*)=233,9ºC. Поскольку tн(P1) и tн(P*) меньше 500ºC, то режимы в точках 1 и 8 цикла действительно принадлежат области перегретого пара.

2. По таблицам для перегретого пара находим

h1=h(P=P1, t=500ºC)=3362,6 кДж/кг, s1=6,534 кДж/(кг·К);

h8=h(P=P*, t=500ºC)=3457 кДж/кг, s8=6,534 кДж/(кг·К).

3. Полагая процессы в турбине не только адиабатными, но и обратимыми (изоэнтропийность), имеем

s7=s1, s2=s8.

По таблицам для воды на линии насыщения (X=0) и сухого насыщенного пара (X=1) находим

s(P2)=0,4224 кДж/(кг·К), s(P2)=8,4735 кДж/(кг·К);

s(P*)=2,6456 кДж/(кг·К), s(P*)=6,1858 кДж/(кг·К).

а). Так как s2=s8< s(P2), то точка 2 цикла расположена в области влажного насыщенного пара (0<X<1),

.

б). Так как s7=s1>s(P*), то точка 7 цикла расположена в области перегретого пара (X7>1), а не в двухфазной области, как это изображено на рис. 8.6. По таблицам термодинамических свойств перегретого пара для P=P* и s=s1 находим

h7=2994,3 кДж/кг (t7=300ºC).

4. По таблицам на линии насыщения (X=0 и X=1) для P=P2 находим

h3=h(P2)=121,4 кДж/кг; h(P2)=2553,7 кДж/кг.

Отсюда

h2=h(P2)+X2[h(P2)– h(P2)]2189 кДж/кг.

Исходя из допущения, что s4=s3= s(P2), по таблицам для недогретой (до насыщения) воды при P=P1 и s=s(P2)= 0,4224 кДж/(кг·К) находим

h4132 кДж/кг.

5. За цикл одним килограммом рабочего тела получена энергия в тепловой форме

Q1=(h1h4)+( h8h7)3693 кДж/кг,

отдана энергия Q2=(h2h3)2068 кДж/кг.

Отсюда искомый термический к.п.д. цикла

.

Замечание 1. Если положить h4=h3, это приведет к увеличению Q1 на величину h= h4h3 12 кДж/кг. При этом получим *т=0,442=44,2%, (*т–т)/ т=0,0045<0,5%.

Замечание 2. Значения термодинамических параметров в точках 6, 1, 7, 8 и 2 цикла легко определить по h-s-диаграмме.

Задачи

8.1. Паротурбинная установка работает по циклу Ренкина при следующих параметрах пара на входе в турбину: P1=90 бар и t1=535ºC; давление в конденсаторе P2=0,04 бар. Определить внешнюю работу турбины и питательного насоса, а также термический к.п.д. цикла с учетом и без учета работы насоса и относительную разность этих к.п.д.

8.2. Паротурбинная установка работает по циклу Ренкина с начальными параметрами: P1=100 бар и t1=530ºC; давление в конденсаторе P2=0,04 бар. Определить термический к.п.д. цикла и сравнить его с термическим к.п.д. цикла Карно в том же интервале температур.

8.3. Определить, какова должна быть температура пара перед входом в турбину, если его давление P1=100 бар, давление в конденсаторе P2=0,04 бар, а влажность на выходе из турбины не должна превышать 15%. Задачу решить по таблицам.

8.4. Определить зависимость термического к.п.д. паротурбинной установки от начальных параметров пара, если при начальных и конечных давлениях, равных соответственно P1=30 бар и P2=0,04 бар, пар перед турбиной а) имеет сухость X=0,9; б) сухой насыщенный; в) перегретый до температуры 450ºC.

8.5. Паровая турбина мощностью 25 МВт работает при начальных параметрах P1=100 бар t=510ºC. Давление в конденсаторе P2=0,04 бар. Теплота сгорания топлива Qpн= =30000 кДж/кг. Определить мощность парогенератора и часовой расход топлива, если =0,85, а температура питательной воды tп.в.=90ºC.

8.6. Определить внутренний относительный к.п.д. турбины, если внутренние потери вследствие необратимости процесса расширения пара в турбине составляет 128 кДж/кг. Состояние пара перед турбиной P1=100 бар, t1=500ºC, давление в конденсаторе P2=0,04 бар.

8.7. Сравнить внутренние к.п.д. двух паротурбинных установок с атомными реакторами. Обе установки работают по двухконтурной схеме. В первом контуре (атомного реактора) теплоносителем является вода.

В установке, выполненной по первому варианту, вода из первого контура направляется в парогенератор, во втором контуре которого образуется сухой насыщенный пар с давлением P1= =100 бар. Этот пар и подается в турбину.

В установке по второму варианту в парогенераторе образуется перегретый пар с параметрами P1=16 бар, t1=250ºC.

Давление в конденсаторе одинаково для обеих установок и равно P2=0,04 бар, а внутренний относительный к.п.д. турбин =0,80.

8.8. Определить к.п.д. установки брутто (т.е. без учета расхода энергии на собственные нужды), если параметры пара перед турбиной P1=90 бар, t1=535ºC, давление в конденсаторе P2=0,04 бар и если известны следующие к.п.д.: относительный внутренний 1=0,86, механический 2=0,95, электрогенератора 3=0,98, трубопроводов (учитывающий потери трубопроводами тепла в окружающую среду) 4=0,94, парогенераторов 5=0,92. Работу насосов не учитывать.

8.9. Мощность паротурбинной установки на клеммах электрогенератора равна Nэ=50 МВт. Определить удельный расход топлива bэ и удельный расход тепла qэ на 1 МДж выработанной электроэнергии, а также часовой расход топлива, если пар на входе в турбину имеет параметры P1=35 бар, t1=435ºC, давление в конденсаторе P2=0,04 бар.

Известны относительный внутренний 1=0,79, механический 2=0,96, к.п.д. электрогенератора 3=0,98, парогенератора 4=0,88. Теплота сгорания топлива Qpн=15000 кДж/кг.