Материал: Белозеров В.И., Яркин А.Н., Кузина Ю.А. Сборник задач по курсу Техническая термодинамика

Внимание! Если размещение файла нарушает Ваши авторские права, то обязательно сообщите нам

9.8. Аммиачная холодильная установка должна производить 500 кг/ч льда при 0°С из воды, имеющей температуру 20°С. Компрессор этой установки всасывает пар аммиака при температуре –10°С и степени сухости X = 0,98 и сжимает его адиабатно до давления 1 МПа. Из компрессора пар аммиака поступает в конденсатор, где конденсируется, причем жидкий аммиак переохлаждается до 15°С. После дросселирования аммиак поступает в испаритель, где он испаряется при температуре –10°С и вновь всасывается компрессором. Определить часовой расход аммиака, холодопроизводительность установки, количество теплоты, отводимой в конденсаторе охлаждающей водой, степень сухости аммиака в конце дросселирования и теоретическую мощность двигателя для привода компрессора. Представить цикл в T-s-диаграмме. Теплоту плавления льда принять равной 330 кДж/кг.

10. Циклы газотурбинных установок

Практическое применение нашли газотурбинные установки (ГТУ) со сгоранием топлива при постоянном давлении и постоянном объеме.

1. Цикл ГТУ со сгоранием топлива (подводом тепла) при постоянном давлении (цикл Брайтона)

Схема установки, реализующей этот цикл, представлена на рис. 10.1. Соответствующие P-v- и Т-s-диаграммы идеального цикла приведены на рис 10.2.

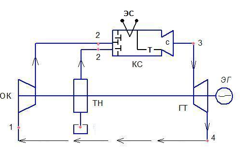
Рис. 10.1. Схема ГТУ, реализующей цикл Брайтона:

OК – осевой компрессор; ТН – топливный насос; КС – камера сгорания; С – сопловой аппарат; ГТ – газовая турбина;

ЭГ – электрогенератор; 1 – 4 – характерные точки диаграмм цикла

Компрессор, расположенный на одном валу с газовой турбиной, всасывает воздух из атмосферы (P=P1) и сжимает его до заданного давления (P=P2). Сжатый воздух поступает в камеру сгорания, туда же топливным насосом подается жидкое топливо. Сгорание (подвод тепла) происходит при постоянном давлении. Из камеры сгорания газ поступает в сопла, ускоряется и поступает на лопатки турбины, приводя во вращение ее ротор. Отработавший газ выпускается в атмосферу (P=P1).

Рис. 10.2. P-v- и T-s- диаграммы идеального цикла Брайтона:

q1 – подведенное тепло; q2 – отведенное тепло; 1-2 – адиабатное сжатие воздуха в ОК; 2-3 – изобарный подвод теплоты;

3-4 – адиабатное расширение в ГТ; 4-1 – условный изобарный процесс, замыкающий цикл

Полагая рабочее тело идеальным газом (PV=RT) с постоянными теплоемкостями Cp и Cv ( ), для термического коэффициента полезного действия такого цикла нетрудно получить

а)

б) ,

отсюда следует

,

где – степень сжатия;

в) т.к. , то , – степень повышения давления.

2. Цикл ГТУ со сгоранием топлива (подводом тепла) при постоянном объеме (цикл Гемфри).

В отличие от ГТУ со сгоранием топлива при постоянном давлении, где процесс сгорания осуществляется непрерывно, в ГТУ со сгоранием топлива при постоянном объеме процесс горения является периодическим (пульсирующим).

Схема ГТУ, реализующей цикл Гемфри, представлена на рис. 10.3. Соответствующие P-v- и Т-s- диаграммы идеального цикла приведены на рис. 10.4.

Компрессор и топливный насос подают сжатый воздух и жидкое топливо через клапаны (воздушный и топливный) в КС. Для воспламенения топлива, как правило, используется электрическая свеча. Сопловой аппарат отделен от КС сопловым клапаном. При сгорании топлива все три клапана закрыты и горение происходит при постоянном объеме. После сгорания топлива давление в КС повышается, сопловой клапан открывается и газ через сопла поступает на лопатки турбины, приводя во вращение ее ротор. Отработавший газ выпускается в атмосферу.

Рис. 10.3. Схема ГТУ, реализующей цикл Гемфри:

ЭС – электросвеча (остальные обозначения см. на рис. 10.1)

Термический к.п.д. цикла для идеального газа при постоянных значениях Cp и Cv определяется по формуле

, .

Основными характеристиками для данного цикла являются – степень повышения давления в ОК; – степень повышения давления в КС. Используя эти величины, получим

Рис. 10.4. P-v и Т-s- диаграммы идеального цикла Гемфри:

1-2 – адиабатное сжатие воздуха в ОК; 2-3 – подвод тепла при V=const; 3-4 – адиабатное расширение в ГТ; 4-1 – условный изобарный процесс отвода тепла в окружающую среду, замыкающий цикл

Пример решения задач

Задача. Для идеального цикла газовой турбины с подводом тепла при P=const (рис. 10.2) найти параметры в характерных точках, полезную работу, термический к.п.д., количество подведенной и отведенной теплоты, если =100 кПа; =27°С; =700°С; =10; =1,4 (µ=28,96 ).

Рабочее тело – воздух. Теплоемкость принять постоянной.

Решение

Точка 1. ( =300 К).

Точка 2. =( ) ; ; =579 К; =306°С; = =1 МПа; =0,166 .

Точка 3. =973 К; = =1 МПа; =0,279 .

Точка 4. , =504 К; = =0,1 МПа; ; =1,45 .

Количество теплоты.

Так как для двухатомных газов =29,31 (табл. 4.1), = ; = ;

.

Работа цикла

Термический к.п.д.

Задачи

При решении задач считать, что рабочее тело обладает свойствами идеального газа.

10.1. Для идеального цикла газовой турбины с подводом теплоты при Р=const найти параметры в характерных точках, полезную работу, термический к.п.д., количество подведенной и отведенной теплоты, если Р1=100 кПа, t1=27°С, t3=800°С, β=Р2/Р1=12, k=1,4.

10.2. Для идеального цикла газотурбинной установки (ГТУ) с подводом теплоты при Р=const определить параметры в характерных точках, полезную работу, термический к.п.д., количество подведенной и отведенной теплоты. Известны следующие параметры: Р1= 1,0 бар, t1=17°С, t3=600°С, β=10. Рабочее тело – воздух. Теплоемкость считать постоянной.