Материал: Белозеров В.И., Яркин А.Н., Кузина Ю.А. Сборник задач по курсу Техническая термодинамика

Внимание! Если размещение файла нарушает Ваши авторские права, то обязательно сообщите нам

8.10. Отработавший в части высокого давления (ч.в.д.) турбины пар давления P=1,5 МН/м2 направляется в промежуточный перегреватель. До какой температуры нужно перегреть пар в промежуточном пароперегревателе, чтобы при дальнейшем изоэнтропном расширении в ч.н.д. пар при конечном давлении P2=0,04 бар имел бы сухость X=0,90?

8.11. Паротурбинная установка мощностью N=200 МВт работает с паром следующих параметров: начальное давление P1=13 МН/м2, температура t1=565ºC. Промежуточный перегрев осуществляется при давлении Pп=2,0 МН/м2 до первоначальной температуры t1=565ºC. Давление в конденсаторе P2= =0,06·104 Н/м2. Температура питательной воды tв=160ºC. Определить часовой расход топлива B (кг/ч), если теплота сгорания его Qpн=30000 кДж/кг, а к.п.д. парогенератора =0,91. Прочими потерями пренебречь. Работу насоса учесть.

8.12. Определить термический к.п.д. цикла с предельной регенерацией тепла в паротурбинной установке, в которой пар перед турбиной имеет параметры P1=35 бар, t1=435ºC, а давление в конденсаторе P2=0,05 бар. Вода подогревается до температуры t=130ºC . Работу насоса не учитывать.

8.13. Определить суточную экономию топлива, получающуюся в результате замены турбинной установки, работающей при параметрах P1=35 бар, t1=450ºC, на установку с начальными параметрами P1=300 бар, t1=650ºC. Давление в конденсаторах одно и то же и равно P2=0,04 бар, мощность установки N=50000 кВт, теплота сгорания топлива Qpн=30000 кДж/кг, а к.п.д. парогенераторов =0,80 в старой и 0,90 в новой установке. Потерями во всех остальных частях (кроме парогенератора) пренебречь.

9. Цикл парокомпрессорной холодильной установки

Идеальным циклом холодильных машин является обратный цикл Карно (рис. 9.1.).

Обход контура осуществляется против часовой стрелки.

В результате осуществления этого цикла затрачивается внешняя работа над рабочим телом ( ), которая идет на отбор тепла (q2) более нагретому телу ( ).

Показателем эффективности цикла является отношение отведенной от охлаждающей среды теплоты (произведенного холода) к затраченной работе ( ) и называется холодильным коэффициентом: .

Рис. 9.1. Обратный цикл Карно:

q2 – полученное отобранное рабочим телом тепло (Дж/кг);

q1– отданное рабочим телом тепло (Дж/кг)

Для обратного цикла Карно

Холодильный коэффициент обратного цикла Карно (обратимый процесс) имеет наибольшее значение по сравнению с другими циклами холодильных машин, осуществляемыми в том же интервале температур теплоисточников.

В парокомпрессорных холодильных установках рабочим телом (хладагентом) является низкокипящие вещества – аммиак (NH3), углекислота (СО2),сернистый ангидрид (SО2), фреоны и т.д. Значения термодинамических параметров берутся из таблицы термодинамических свойств хладагентов.

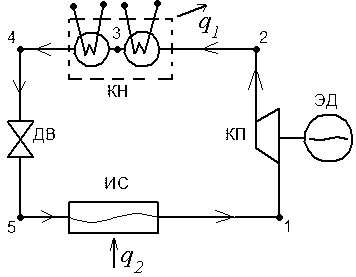
Принципиальная схема установки представлена на рис. 9.2, соответствующая T-s-диаграмма цикла – на рис. 9.3, h-s-диаграмма цикла – на рис. 9.4. (обход контура – против часовой стрелки!).

Установка, реализующая цикл, представленный на рис. 9.3, 9.4, работает следующим образом. Подаваемый на вход компрессора пар (P=P2,Т=Ts(P2), X≈1 адиабатно сжимается в компрессоре до давления P1> P2 (участок 1-2) и переходит в перегретое состояние. В конденсаторе перегретый пар сначала охлаждается до X=1 (участок 2-3), затем, конденсируясь при том же давлении P1 и Т=Ts(P1), охлаждается до X=0 (участок 3-4). На участке 2-3-4 в изобарном процессе (P=P1=const) в окружающую среду хладагентом передается тепло q1.

Рис. 9.2. Схема парокомпрессорной холодильной установки (ПКХУ): КП – компрессор; ЭД – электродвигатель;

КН – конденсатор; ДВ – дроссельный (редукционный) вентиль; ИС – испаритель; q2 – полученное в цикле хладагентом тепло;

q1 – отданное в цикле хладагентом тепло

Рис. 9.3. T-s-диаграмма цикла ПКХУ:

АК – жидкость на линии насыщения (Х=0); КВ – сухой насыщенный пар (Х=1); линия «2–3–4» – изобара P=P1; линия «5–1» – изобара P=P2; h4=hs=h′(P1); s4=s(P1)=s5

Рис. 9.4. h-s- диаграмма цикла ПКХУ

В дроссельном (редукционном) вентиле (т. 4–5) происходит процесс адиабатного дросселирования (изоэнтальпийный процесс – эффект Джоуля-Томсона). Этот процесс адиабатный (∆q=0), но принципиально необратимый и поэтому неизоэнтропийный (∆s=s5s4 > 0). При использовании расширительного цилиндра (детандера) вместо дроссельного вентиля процесс, практически, изоэнтропийный (участок 4–5).

Наконец, в испарителе (участок 5–1) по изобаре-изотерме влажный насыщенный пар, отбирая тепло q2 у охлаждаемой среды, переходит в состояние «сухой насыщенный пар» (X=1).

Холодильный коэффициент (ε) цикла, как это видно из рис. 9.4

( , , ; ).

Основной характеристикой холодильной установки является холодопроизводительность (Q0) – количество тепла, отбираемое от охлаждаемой среды (полученное хладагентом) в единицу времени ([Q0]=Вт). Так как в наших обозначениях q2 – это количество тепла, отбираемое 1 кг хладагента от охлаждаемой среды, то

,

где G – массовый расход хладагента ([G] = кг/c).

По определению, , следовательно,

,

где GA0 – мощность компрессора (теоретическая).

Формализм решения задач этого раздела и задач предыдущего раздела (цикл Ренкина) практически один и тот же.

Пример решения задач

Задача. Определить холодильный коэффициент цикла (ε), по которому работает ПКХУ (рис. 9.2) на фреоне-12 и теоретическую мощность двигателя компрессора (N), если известно: холодопроизводительность установки Q0=600 МДж/ч, состояние фреона на входе в компрессор определено параметрами t2 = –15°C и X1=1 (сухой насыщенный пар), температура конденсации 30°C, эта же температура и на входе дроссельного вентиля при X=0.

Решение

1. Так как на входе в КП (т. 1) X1=1, то t1=ts(P2) и, соответственно, P2=Ps(t1). По таблице термодинамических свойств паров фреона-12 находим

P2=Ps(–15°C)=0,183 МПа,

h1=h′′(–15°C)=566,43 кДж/кг,

s1=s′′(–15°C)=4,761 кДж/(кгК)

2. На участке «выход КП – вход ДВ» (т. 2–4) процесс изобарный P=P1=const. Конденсация идет при температуре насыщения, отвечающей этому давлению, т.е. t4=30°C=ts(P1) и P1=Ps(30°C). По тем же таблицам находим P1=0,743 МПа, h′(P1)= h4=447,86 кДж/кг.

3. На участке КП (т. 1–2) процесс изоэнтропийный. КП повышает давление от P2 до P1 и > , т.е. на входе КП фреон-12 в состоянии «сухой перегретый пар». По соответствующим таблицам находим для P=0,743 МПа и s=4,761 кДж/(кгК), что h2=587,5 кДж/кг.

Таким образом, условиям задачи отвечает T-s-диаграмма, представленная на рис. 9.3.

а). Определение холодильного коэффициента:

,

отсюда получаем:

б). Определение теоретической мощности двигателя компрессора ( ): т.к. , а , то и

кВт.

Ответ: ε=5,63; кВт.

Задачи

9.1. Воздушная холодильная машина должна обеспечить температуру в охлаждаемом помещении tохл=2°С при температуре окружающей среды tо=25°С. Холодопроизводительность машины 950 МДж/ч. Давление воздуха на выходе из компрессора Р2=0,55 МПа, давление в холодильной камере Р1= 1,0 бар. Определить мощность двигателя для привода машины, расход воздуха, холодильный коэффициент и количество теплоты, передаваемое окружающей среде. Подсчитать холодильный коэффициент машины, работающей по циклу Карно в том же интервале температур. Представить цикл в T-s-диаграмме.

9.2. Воздушная холодильная установка имеет холодопроизводительность, равную 850 МДж/ч. Состояние воздуха, всасываемого компрессором, характеризуется давлением Р1=0,1 МПа и температурой t1=–5°С. Давление воздуха после сжатия Р2= 4 бар. Температура воздуха, поступающего в расширительный цилиндр, равна 20°С. Определить теоретическую мощность двигателя компрессора и расширительного цилиндра, холодильный коэффициент установки, расход воздуха, а также количество теплоты, передаваемой охлаждающей воде.

9.3. Холодопроизводительность воздушной холодильной установки – 84 МДж/ч. Определить ее холодильный коэффициент и теоретическую мощность двигателя, если известно, что максимальное давление воздуха в установке Р2=5 бар, минимальное давление Р1=0,11 МПа, температура воздуха в начале сжатия t1=0°С, а при выходе из охладителя t3=20°С. Сжатие и расширение воздуха принять политропным с показателем политропы n = 1,27.

9.4. Паровая компрессорная холодильная установка в качестве рабочего тела использует двуокись углерода. Компрессор всасывает насыщенный пар и изоэнтропно сжимает его, превращая в сухой насыщенный пар при давлении, соответствующем температуре конденсации t2=25°С. Из компрессора двуокись углерода поступает в конденсатор, где при постоянном давлении превращается в жидкость, после чего расширяется в расширительном цилиндре до давления, соответствующего температуре испарения t1= –10°С. При этой же температуре двуокись углерода поступает в охлаждаемое помещение, где, забирая теплоту от охлаждаемых тел, испаряется, образуя влажный пар со степенью сухости Х1.. Определить удельную холодопроизводительность установки, теплоту, отданную в конденсаторе, работу затраченную в цикле, и холодильный коэффициент.

9.5. Компрессор углекислотной холодильной установки всасывает сухой пар и сжимает его по адиабате. Температура испарения углекислоты t1= –10°С, а температура конденсации t3=20°С. После конденсации жидкая углекислота расширяется в редукционном вентиле. Определить тепловую нагрузку конденсатора, если холодопроизводительность углекислотной установки равна 420 МДж/ч. Представить цикл в T-s-диаграмме.

9.6. В углекислотной холодильной установке с регулирующим вентилем компрессор всасывает сухой пар и сжимает его по адиабате так, что его энтальпия становится равной 800 кДж/кг. Температура испарения углекислоты t1= –25°С, а температура ее конденсации t3=25°С. Определить часовой расход CO2 и теоретическую мощность двигателя, если холодопроизводительность установки Q = 500 МДж/ч.

9.7. Из испарителя аммиачной холодильной установки пар выходит сухим насыщенным при температуре t1= –20°С. Температура адиабатно сжатого пара аммиака t2 = 25°С. Пройдя через конденсатор и переохладитель, пар превращается в жидкий аммиак с температурой t = 15°С. Принимая производительность холодильной установки Q0 = 295 кДж/с, провести сравнение данной установки с установкой, работающей без переохлаждения, определив для них холодопроизводительность 1 кг аммиака, часовой расход аммиака, холодильный коэффициент и теоретическую мощность двигателя холодильной машины.