Материал: АСКВ2 БУ max90-ru_v1.20

Внимание! Если размещение файла нарушает Ваши авторские права, то обязательно сообщите нам

Модули мобильной системы X90

5.2.2.12.12 Контроль эксплуатационных характеристик

5.2.2.12.12.1 Мониторинг напряжения и силы тока

Имя: CurrentOverloadShutdown StatusSensorSupply OutputEnabled StatusIgnition

CurrentOverloadShutdownClear

Тип данных

 

Значения

 

 

USINT

 

См. описание битов регистра.

 

 

Описание битов регистра:

 

 

 

 

 

 

Бит

Наименование

Значение

Описание

0–1

Зарезервированы

-

 

2

CurrentOverloadShutdown

0

-

 

 

 

1

Все выходы отключены (перегрузка по току)

3

StatusSensorSupply

0

Ошибка источника питания датчика

 

 

 

1

Питание датчика в норме

4

OutputEnabled

0

Отключает внешний разрешающий сигнал

 

 

 

1

Включает внешний разрешающий сигнал

5

StatusIgnition

0

Цепь зажигания разомкнута

 

 

 

1

Цепь зажигания замкнута

5–7

Зарезервированы

-

 

Описание битов регистра:

 

 

 

 

 

 

Бит

Наименование

Значение

Описание

0–1

Зарезервированы

-

 

2

CurrentOverloadShutdownClear

0

-

 

 

 

1

Передний фронт:

 

 

 

 

Дискретные выходы снова активируются после отключения,

 

 

 

 

вызванного превышением допустимого суммарного тока.

3

OutputEnable

0

Выходы отключены

 

 

 

1

Выходы включены

4–7

Зарезервированы

-

 

5.2.2.12.12.2 Измерение токов в модуле

Имя: TotalCurrentPositiv TotalCurrentNegativ

Значение этих регистров соответствует сумме положительных/отрицательных токов на выводах (текущих по линиям/выводам питания или выводам, подключенным к линии заземления). Возвращается среднее значение за последние 500 мс.

Тип данных

Значения

Измеренное значение силы тока

INT

0–32767

0–45 А

5.2.2.12.12.3 Измерение напряжения питания

Имя:

SupplyVoltageOutput01, SupplyVoltageOutput02 SupplyVoltageCPU

В этих регистрах хранятся измеренные значения напряжения питания.

Тип данных

Значения

Измеренное значение напряжения

INT

0–32767

0–40 В

5.2.2.12.12.4 Измерение напряжения датчика

Имя: SupplyVoltageSensor01

В этом регистре хранится измеренное значение напряжения датчика.

Тип данных

Значения

Измеренное значение напряжения

INT

0–32767

0–11 В

Мобильная система управления X90 Руководство пользователя V 1.20 - Перевод руководства

141

Модули мобильной системы X90

5.2.2.12.12.5 Измерение рабочих температур

Имя: Temperature

Тип данных

Значения

Описание

INT

-32768–32767

Измеренное значение температуры, шаг 0,1 °C

5.2.2.12.12.6 Выбор напряжения источника питания датчика

Имя: cfgOpMgmt_Mode

Тип данных

 

Значения

 

 

USINT

 

См. описание битов регистра.

 

 

Описание битов регистра:

 

 

 

 

 

 

Бит

Наименование

Значение

Описание

0

Выбор напряжения источника питания датчика

0

Источник питания датчика 5 В

 

 

 

1

Источник питания датчика 10 В

1

Настройка разрешающего сигнала для выходов

0

Выходы активируются при подаче внешнего разрешающего

 

 

 

 

сигнала

 

 

 

1

Выходы активируются посредством регистра OutputEnable

 

 

 

 

и внешнего разрешающего сигнала

2–8

Зарезервированы

-

 

9

Активация системы ввода/вывода

0

Система ввода/вывода отключена

 

 

 

1

Система ввода/вывода включена

10–15

Зарезервированы

-

 

142

Мобильная система управления X90 Руководство пользователя V 1.20 - Перевод руководства

Модули мобильной системы X90

5.3 Модули аналоговых выходов

5.3.1 X90AO410.0x-00

Версия технического описания: 1.30

5.3.1.1 Общая информация

Компания B&R открывает новые возможности в области мобильной автоматизации благодаря модульной мобильной системе управления и ввода/вывода X90. Комплексный набор стандартизованных компонентов делает мобильную систему X90 идеальным средством для реализации гибких концепций автоматизации.

Дополнительная плата X90AO410.xx-00 устанавливается в мобильную систему X90 для расширения функциональных возможностей всей системы.

Дополнительная плата имеет 4 или 8 аналоговых выходов, каждый из которых можно настроить в качестве выхода тока или напряжения. Связь с материнской платой осуществляется по шине X2X. Выводы также можно использовать в качестве дискретных входов. Их можно настроить для подключения в режиме источника или потребителя.

9–32 В постоянного тока

4 или 8 аналоговых выходов/дискретных входов

Шина X2X

5.3.1.2 Спецификация заказа

Заказной номер

Краткое описание

Рисунок

 

Аналоговые выходы

 

X90AO410.04-00

Дополнительная плата аналоговых выходов для мобильной

 

 

системы X90, 4 аналоговых выхода, 12 бит, напряжение 0–

 

 

10 В, сила тока 0–20 мА (настраивается), дополнительная

 

 

возможность использования в качестве дискретного входа,

 

 

9–32 В постоянного тока, подключение в режиме источни-

 

 

ка/потребителя, настройка с помощью программного обес-

 

 

печения

 

X90AO410.08-00

Дополнительная плата аналоговых выходов для мобильной

 

 

системы X90, 8 аналоговых выходов, 12 бит, напряжение 0–

 

 

10 В, сила тока 0–20 мА (настраивается), дополнительная

 

 

возможность использования в качестве дискретного входа,

 

 

9–32 В постоянного тока, подключение в режиме источни-

 

 

ка/потребителя, настройка с помощью программного обес-

 

 

печения

 

Таблица 17: X90AO410.04-00, X90AO410.08-00 - Спецификация заказа

Входы и выходы — обзор

X90AO410.0x-00

 

Выход

 

 

Вход

Многофункцио-

Количество

ШИМ

Дискретный

Аналоговый

Сигнал

Темпе-

Аналоговый

Функция

Дискретный

нальные каналы

 

 

 

 

ШИМ

ратура

 

счетчика

 

ввода/вывода

 

 

 

 

 

 

 

 

 

MF-AO

4/8

 

 

X

 

 

 

 

X

Мобильная система управления X90 Руководство пользователя V 1.20 - Перевод руководства

143

Модули мобильной системы X90

5.3.1.3 Технические характеристики

Заказной номер

X90AO410.04-00

 

X90AO410.08-00

Краткое описание

 

 

 

Модуль ввода/вывода

4 аналоговых выхода или 4 дискретных вхо-

 

8 аналоговых выходов или 8 дискретных вхо-

 

да с рабочим напряжением 9–32 В постоян-

 

дов с рабочим напряжением 9–32 В посто-

 

ного тока для однопроводных соединений

 

янного тока для однопроводных соединений

Общая информация

 

 

 

Идентификационный код B&R

0xEBC4

 

0xEBC3

Индикаторы состояния

 

-

Гальваническая развязка

 

 

 

Дискретный канал — аналоговый канал

 

Нет

Сертификаты

 

 

 

CE

 

Да

UN ECE-R10

 

Да

Многофункциональные выходы

 

 

 

Многофункциональные аналоговые выходы

 

 

 

(MF-AO)

 

 

 

Количество

4

 

8

Функции

Аналоговый выход, разрешение дискретного преобразователя 12 бит, встроен-

 

ная защита выхода, дискретный вход, настройка каждого отдельного канала для

 

подключения в режиме источника/потребителя, программный входной фильтр

Цифровые входы

 

 

 

Количество

От 0 до 4, в зависимости от конфигурации

 

От 0 до 8, в зависимости от конфигурации

 

многофункциональных входов/выходов

 

многофункциональных входов/выходов

Входное напряжение

9–32 В постоянного тока

Входной ток при 24 В пост. тока

Станд. 1,3 / 2,6 / 3,7 мА, настраиваемый

Входной фильтр

 

 

 

Аппаратный

300 мкс

Программный

Значение по умолчанию — 1 мс, возможный диапазон — от 0 до 25 мс с шагом 0,1 мс

Входная цепь

Подключение в режиме источника/потребителя, настраивается

Входное сопротивление

Станд. 6,5 / 9 /18 кОм, настраиваемое

Задержка срабатывания

< 0,5 мс (при интервале дискретизации 160 мкс)

Пороговый уровень переключения

50 % напряжения питания

Аналоговые выходы

 

 

 

Количество

От 0 до 4, в зависимости от конфигурации

 

От 0 до 8, в зависимости от конфигурации

 

многофункциональных входов/выходов

 

многофункциональных входов/выходов

Выход

0 В (высокое сопротивление) / 0,1–10 В / 0 мА (высокое сопротивление) / 0,2–20 мА

Максимальный выходной ток

10 мА (на выходе напряжения)

Разрешение АЦП

 

12 бит

Время преобразования

300 мкс для всех выходов

Время достижения заданного выходного значе-

700 мкс

ния для всего диапазона величин

 

 

 

Поведение системы при включении/выключении

При запуске выход отключается полупроводником

Макс. ошибка при 25 °C

 

< 1% 1)

Защита выхода

Защита от короткого замыкания

Формат выходных данных

 

 

 

Тип данных

 

INT

Напряжение

INT 0x0000–0x7FFF / 1 LSB = 0x0008 = 2,5 мВ

Ток

INT 0x0000–0x7FFF / 1 LSB = 0x0008 = 4,9 мкА

Нагрузка на каждый канал

 

 

 

Напряжение

Макс. 10 мА, нагрузка ≥1 кОм

Ток

Макс. нагрузка 500 Ом

Защита от короткого замыкания

Ограничение по току 90 мА

Выходной фильтр

Фильтр нижних частот 1-го порядка / обрезной фильтр 10 кГц

Макс. дрейф коэффициента усиления

 

 

 

Напряжение

0,02 %/°C 2)

Ток

0,04%/°C 2)

Макс. колебание смещения

 

 

 

Напряжение

0,01%/°C 1)

Ток

0,01%/°C 1)

Макс. смещение

 

 

 

Напряжение

 

0,1 В

Ток

 

0,2 мА

Ошибка из-за изменения нагрузки

 

 

 

Напряжение

Макс. 0,11 %, для активной нагрузки от 1 кОм до 10 МОм

Ток

Макс. 1,4 %, для активной нагрузки от 1 до 500 Ом

Нелинейность

< 0,02% 1)

Условия эксплуатации

 

 

 

Монтажное положение

 

 

 

Любое

 

Да

Степень защиты по EN 60529

До IP69K 3)

Таблица 18: X90AO410.04-00, X90AO410.08-00 - Технические характеристики

144

Мобильная система управления X90 Руководство пользователя V 1.20 - Перевод руководства

 

 

 

Модули мобильной системы X90

 

 

 

 

Заказной номер

X90AO410.04-00

 

X90AO410.08-00

Условия окружающей среды

 

 

 

Температура

 

 

 

Эксплуатация

 

 

 

Горизонтальная установка

Температура поверхности корпуса от –40 до +85 °C 3)

Вертикальная установка

Температура поверхности корпуса от –40 до +85 °C 3)

Хранение

 

От –40 до +85 °C

Транспортировка

 

От –40 до +85 °C

Относительная влажность

 

 

 

Эксплуатация

 

От 5 до 100 %, с конденсацией

Хранение

 

От 5 до 100 %, с конденсацией

Транспортировка

 

От 5 до 100 %, с конденсацией

Механические характеристики

 

 

 

Размеры

 

 

 

Ширина

 

47 мм

Длина

 

95 мм

Таблица 18: X90AO410.04-00, X90AO410.08-00 - Технические характеристики

1)От полного выходного диапазона.

2)От текущего выходного значения.

3)Зависит от материнской платы. Дополнительная информация доступна в техническом описании материнской платы.

5.3.1.4 Рабочие и соединительные элементы

5.3.1.4.1 Интерфейс шины X2X

Связь между дополнительной платой и материнской платой осуществляется по шине X2X.

5.3.1.5 Цоколевка

Канал

Цоколевка

1

MF-AO

2

MF-AO

3

MF-AO

4

MF-AO

51)

MF-AO

61)

MF-AO

71)

MF-AO

81)

MF-AO

9

Заземление для цепи аналоговых сигналов

10

Заземление для цепи аналоговых сигналов

1) Только в модулях с 8 каналами.

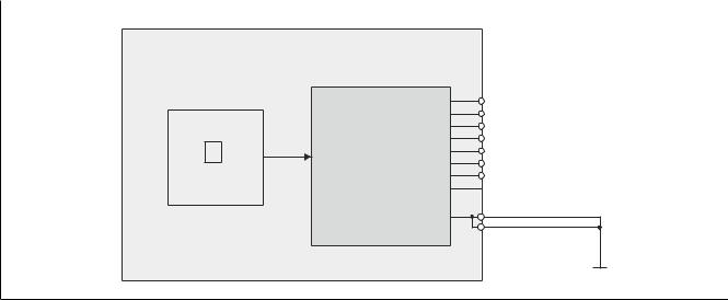
5.3.1.6 Функциональная схема

Электронный блок управления

 

Дополнительная плата

 

1

 

2

 

3

 

4

ϑ

5

ЦП

6

7

 

8

Заземление для цепи аналоговых сигналов

Мобильная система управления X90 Руководство пользователя V 1.20 - Перевод руководства

145